Материал: Электромеханический привод ленточного транспортера

Внимание! Если размещение файла нарушает Ваши авторские права, то обязательно сообщите нам

Достоинством червячных передач по сравнению с зубчатыми является возможность получить большие передаточные отношения (числа) в одной ступени (до 80). Червячным редукторам присуща высокая плавность зацепления, бесшумность в работе, компактность, надежность и простота конструкции.

Недостатки червячных передач - большое относительное скольжение сопряженных поверхностей в зацеплении, большие потери на трение, малый КПД, значительный нагрев зацепляющихся элементов, что требует специальных мер для дополнительного охлаждения, высокие сложность и точность изготовления и сборки.

Наиболее распространены червячные передачи с цилиндрическими червяками. В сечении, проходящим через ось червяка и среднюю плоскость червячного колеса, зацепление червячной передачи представляет собой зацепление зубчатого колеса с зубчатой рейкой, наиболее чаще без смещения.

Червяки выполняются конструктивно как одно целое с валом (вал-червяк) или отдельно с последующей установкой на валу. Изготавливают червяки из конструкционных углеродистых или легированных сталей 40, 45, 50 ,40Х, термически обработанных до высокой твердости.

Чтобы понизить тепловыделение для зубьев червячных колес применяют материалы с низкими значениями коэффициента трения скольжения: бронзы Бр0Ф10-1, БрАЖ 9-4, текстолит и др. Червячные колеса чаще делают сборными. Стальная ступица колеса и обод из материала с низким коэффициентом трения скольжения соединяются, нарезание зубьев таких колес производят после сборки.

Исходными величинами для геометрического расчета элементов червяка и червячного колеса являются: модуль зацепления m, передаточное отношение (число) i (U), число заходов z1 червяка и коэффициент q диаметра червяка.

В осевом сечении витки червяка имеют форму зубчатой рейки со стандартным модулем m. Для нормальной работы необходимо, чтобы осевой шаг червяка и окружной шаг червячного колеса были равны.

Основные геометрические параметры червячной передачи без смещения следующие.

Геометрические размеры червяка:

диаметр вершин витков - da1 = d1+2ha = d1+2m;

высота головки винта - ha1 = m;

диаметр впадин витков - df1 = d1-2hf = d1-2,4m;

высота ножки витков - hf1 = 1,2m;

высота витка - h1 = 2,2m;

- длина нарезанной части червяка - b1(11+0,06z2)m.

Червячное колесо имеет вогнутую форму и охватывает червяк, как гайка винт по дуге с углом охвата 60°…110°. Минимальное число зубьев червячного колеса определяется из условия отсутствия подрезания и рекомендуется принимать z2min28. Размеры червячного колеса следующие:

диаметр делительной окружности в средней по ширине венца плоскости d2 = mz2;

диаметр вершин зубьев - da2 = d2+2ha = d2+2m;

высота головки зуба - ha2 = m;

диаметр впадин зубьев - df2 = d2-2hf = d2-2,4m;

высота ножки зуба - hf2 = 1,2m;

высота зуба - h2 = 2,2m;

ширина венца колеса при числе заходов червяка - z1 = 1,2 равна ;

межосевое расстояние червячной передачи - a = 0.5(d1+d2) = 0.5(q+z2)m.

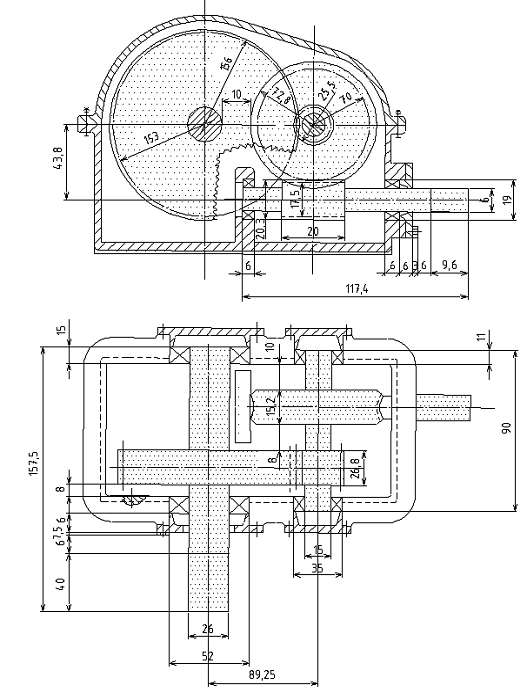
Червячная передача в рассматриваемом примере передает движение между валами II и III редуктора. Червяк расположен на валу I, червячное колесо - на валу II. Червяк изготавливают из стали, зубья червячного колеса из материала с низким коэффициентом трения, принимаем материал колеса - бронзу Бр0Ф10-1. Модуль передачи определяют из расчета на прочность наиболее слабого звена передачи (червячного колеса). Определяем, что модуль червячной передачи при передаваемом моменте (Т2=10,3 Н∙м) и выбранном материале обода колеса m = 1,4 мм.

Геометрические размеры червяка:

─         делительный диаметр d1 = m∙q = 1,4∙12,5 = 17,5 мм,

─       диаметр вершин зубьев dа1 = 17,5+2∙1,4 = 20,3 мм;

─       диаметр впадин зубьев d f1 = 17,5 -2.4∙1,4 = 14,14 мм;

─       длину нарезанной части принимаем с учетом рассмотренных рекомендаций

b1 = 20 мм.

Геометрические размеры червячного колеса:

─         делительный диаметр d2 = 1,4∙50 = 70 мм;

─       диаметр вершин dа2 = 70+2∙1,4 = 72,8 мм;

─       ширина венца b2≤0.75∙20,3 = 15,2 мм.

Межосевое расстояние между валами I и II червячной передачи

ач = 0,5∙(17,5+70) = 43,8 мм

4.4 Расчет диаметров валов


На начальной стадии проектирования расположение плоскостей действия нагрузок неизвестно, поскольку неизвестны осевые размеры ступиц зубчатых колес, подшипников, зависящие от диаметра вала. Известен только крутящий момент. Он максимален на выходящем валу и равен моменту нагрузки, минимален на входном и определяется по формуле (5.2), на промежуточных валах его можно определить по формуле (5.3).

Расчет диаметра вала производится из условия прочности только на кручение по пониженному допускаемому напряжению с тем, чтобы компенсировать влияние изгибных напряжений, переменность режима нагружения и концентрацию напряжений.

Диаметры выходных концов вала определяют по уравнению

 (16)

где Т - крутящий момент Н·мм; [] - допускаемое напряжение материала вала на кручение в МПа. Для выходных концов валов, изготовленных из сталь45, []=20…25Мпа, причем для быстроходных валов значения [] понижают. Диаметры входного и выходного концов валов необходимо согласовывать с посадочными диаметрами электродвигателей, стандартных муфт. При соединении стандартной муфтой вала двигателя с концом быстроходного вала редуктора рекомендуется принимать диаметр последнего не менее 0,8 диаметра вала двигателя.

Для рассматриваемого примера в соответствии с зависимостью (16)

─       диаметр вала I

─       диаметр вала II

─       диаметр вала III

Кинематический и геометрический расчеты редуктора представляют в уточненной кинематической схеме привода.

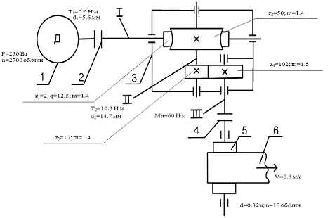
5. УТОЧНЕННАЯ КИНЕМАТИЧЕСКАЯ СХЕМА ПРИВОДА С ЧЕРВЯЧНО-ЦИЛИНДРИЧЕСКИМ РЕДУКТОРОМ

Кинематический и геометрический расчеты редуктора представляют в уточненной кинематической схеме привода.

Рисунок 1 - Уточненная кинематическая схема привода с червячно-цилиндрическим редуктором (1 - электродвигатель; 2 - муфта; 3 - редуктор (I, II, III - валы); 4 - муфта; 5 - барабан приводной; 6 - лента транспортера).

6. ВЫБОР ПОДШИПНИКОВ КАЧЕНИЯ

Подбор подшипников можно произвести ориентировочно по диаметрам валов. Внутренние диаметры подшипников принимают не менее рассчитанных диаметров валов. Выбор типа (радиальный, радиально-упорный и т. д.) производят исходя из кинематической схемы редуктора.

Шарикоподшипники радиально-упорные однорядные предназначены для восприятия комбинированных: радиальных и осевых нагрузок (косозубые, конические и червячные передачи), действующих на вал. Одинарный радиально-упорный подшипник может воспринимать осевую нагрузку, действующую в одном направлении. Подшипники, смонтированные попарно, воспринимают осевые усилия, действующие в обоих направлениях.

Рисунок 1

По данным для вала I можно принять радиально-упорные подшипники с внутренним диаметром 7 мм. Для валов II и III можно принять также радиально-упорные подшипники с внутренним диаметром 15 мм и 30 мм.

7. КОМПОНОВОЧНАЯ СХЕМА ЧЕРВЯЧНО-ЦИЛИНДРИЧЕСКОГО РЕДУКТОРА



8. РАСЧЕТ ВРЕМЕНИ РАЗГОНА И ОСТАНОВА ПРИВОДА

Рассматриваемая система состоит из: электродвигателя; муфты, соединяющей валы двигателя и редуктора; редуктора и ленточного транспортера. Инерционные параметры узлов системы - это моменты инерции: двигателя IД; муфты IМ; редуктора IР и транспортера (нагрузки) IН, приведенного к выходному валу редуктора. Момент инерции системы, приведенный к валу электродвигателя, равен

 (17)

где IР - приведенный к входному валу момент инерции редуктора;

щвых, щном- скорость вращения выходного и входного вала редуктора.

Составляющие уравнения (17) заданы через величину IР, которую нужно определить с учетом рассчитанных и выбранных размеров вращающихся деталей (валов, зубчатых колес) редуктора.

Рассмотрим редуктор, состоящий из трех валов с установленными на них зубчатыми колесами (цилиндрический двухступенчатый; червячно-цилиндрический). Момент инерции редуктора, приведенный к валу электродвигателя равен

 (18)

где  - момент инерции входного вала редуктора с учетом момента инерции установленного на нем червяка (зубчатого колеса);

 - момент инерции промежуточного вала редуктора с учетом моментов инерции установленных на нем зубчатых колес;

I3 - момент инерции выходного вала редуктора с учетом момента инерции установленного на нем зубчатого колеса;

 - соответственно передаточное отношение между входным и промежуточным, входным и выходным валами редуктора.

Моменты инерции вращающихся симметричных тел, типа валов, зубчатых колес относительно своей оси симметрии определяются по формуле

 (19)

где M, r - соответственно масса, радиус тела.

Масса вращающего симметричного тела радиусом r и длиной l равна

 (20)

где  - плотность материала тела (для стали =7,8·103 ).

При определении момента инерции любого вала редуктора, его рассчитывают (если поперечные размеры вала и зубчатых колес, установленных на валу сильно отличаются) как сумму моментов инерции самого вала и зубчатого колеса (колес). Например, для входного вала редуктора

 (21)

где ,  - соответственно моменты инерции самого входного вала I и зубчатого колеса (с числом зубьев Z1) установленного на этом валу.

Рассчитав для редуктора по формуле (18) его момент инерции, определяют по (17) приведенный момент инерции всей системы привода ленточного транспортера, учитывая задаваемые условия задания (IН = 10∙IР; IД = 0,1∙IР; IМ = 0,05∙IР).


 (22)

где  - электромеханическая постоянная системы, определяемая по формуле

 (23)

где  - приведенный момент инерции системы |кг·м2|;

щном- номинальная скорость двигателя |с-1|;

Мп, Мном - соответственно пусковой и номинальный моменты выбранного электродвигателя |Н·м|, |кг·м2/ с2|; номинальный момент равен

 (24)

где Р - мощность электродвигателя в Вт;

щном - номинальная скорость электродвигателя в рад/с.

Время останова системы (при отключении электродвигателя) равно

 (25)

где Мн.пр = Мн/(iр∙з0) - приведенный к валу электродвигателя момент нагрузки;

 - момент нагрузки на выходном валу редуктора;

 - передаточное отношение редуктора;

з0- общий КПД привода (системы).

Используя формулы приведенные в данном разделе мы получили:

Для I вала: МI = 0,02147 кг; II =0,000000097 кг.м2; I1 = 0.000000193 кг.м2.

Для II вала: MII =0,065 кг; III = 0,00000183 кг.м2; Mколеса = 0,45604 кг; Iz3 = 0,000279 кг.м2; I2 = 0,002808 кг.м2.

Для III вала: MIII = 0,5132 кг; IIII = 0,000039 кг.м2; Mколеса = 3,8 кг; Iz4 = 0,011119 кг.м2;

I3 = 0,011158 кг.м2.

Момент инерции редуктора, приведенный к валу электродвигателя равен

Ip = 0,0000056 кг.м2.

Момент инерции системы, приведенный к валу электродвигателя, равен

Iпр = 0,0000064 кг.м2.

Электромеханическая постоянная системы Тм = 0,003 с.

Номинальный момент равен Мном = 0,73 Н.м.

Время разгона системы tp =0,012 c.

Приведенный к валу электродвигателя момент нагрузки Мн.пр.=0,625 Н.м.

Время останова системы tо=0,003 с.

9. ВЫБОР И ОПИСАНИЕ СХЕМЫ УПРАВЛЕНИЯ ЭЛЕКТРОДВИГАТЕЛЯ

Для управления электродвигателями применяют различные аппараты: контакторы; автоматы; кнопочные станции.

Каждый из этих аппаратов состоит из ряда элементов: электромагнитной системы, создающей необходимое тяговое усилие; главных и вспомогательных контактов и других элементов.

В схемах управления электрические цепи делят на две категории: цепи главного тока; вспомогательные цепи. К цепям главного тока относят силовые цепи двигателей (на схемах изображают толстыми линиями). Вспомогательные цепи включают в себя цепи управления, где присоединяются катушки реле, контакторов, контактные реле, элементы цепей защиты и сигнализации (на схемах изображают тонкими линиями).

Различают для облегчения чтения схем принципиальные схемы, а при выполнении монтажных и ремонтных работ - монтажную схему.

Принципиальная схема содержит изображение элементов всех аппаратов. Расположение элементов на схеме дается так как удобно для чтения схемы, а не по действительному пространственному расположению аппаратов.