Материал: Динамические процессы и устойчивость судовых электроэнергетических систем

Внимание! Если размещение файла нарушает Ваши авторские права, то обязательно сообщите нам

Динамические процессы и устойчивость судовых электроэнергетических систем

Министерство аграрной политики Украины

Керченский государственный морской технологический университет

Кафедра: “Электрооборудования судов и автоматизации производства”










КУРСОВОЙ ПРОЕКТ

по дисциплине: “Динамические процессы и устойчивость судовых электроэнергетических систем”


Проект выполнил:

студент группы СЭ-52

Шиков А.И.

шифр 09КСЭ668




Керчь, 2014 г.

СОДЕРЖАНИЕ

Начальные данные

1 Расчет тока к.з. в точке К1

2 Определение тока к.з. в точке К2

Расчет тока к.з. в точке К3

Расчет тока к.з. в точке К4

Расчет тока к.з. в точке К5

Проверка кабелей на термическую стойкость

Выбор и проверка аппаратуры по предельным точкам к.з.

Расчет провала напряжения генератора при прямом пуске АД

Список использованных источников

Начальные данные

Настоящий расчет будет выполнен в соответствии с требованиями ОСТ5.6181-81 «Судовые электроэнергетические системы. Методы расчета переходных процессов», ОСТ5.6152-79 «Правила выбора и методы расчета защиты». Расчет выполняется аналитическим методом.

В судовой электростанции в качестве основных источников электроэнергии установлены два дизель-генератора с синхронными генераторами типа МСК 750-1500 номинальной мощностью по 600 кВт, напряжением 400В, частотой тока 50Гц.

Наиболее тяжелым по условию к.з. режимом работы СЭЭС является режим, в котором работают параллельно два дизель-генератора.

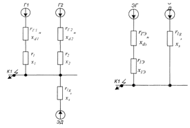
Расчетная схема приведена на рис.1. Асинхронная нагрузка представлена в виде одного эквивалентного двигателя. Мощность эквивалентного двигателя определена ориентировочно по предварительным данным об одновременно работающих электроприводных механизмах в максимально загруженном режиме работы судна.

Рисунок 1 - Схема для расчета токов короткого замыкания

ток замыкание кабель напряжение

Таблица 1 - Исходные данные генераторов и асинхронного двигателя

N п/п

Наименование

Единица измерения

Обозначение

Числ. значение

 

Для генераторов Г1 и Г2

 

 

 

1

Тип

 

 МСК 750-1500

 

2

Полная номинальная мощность

кВА

Sнг

600

3

Ток номинальный

кА

Iнг

1,084

4

Напряжение номинальное

В

400

5

Частота номинальная

Гц

f

50

6

Активное сопротивление обмотки статора

о.е.

0,013

7

Сверхпереходное индуктивное сопротивление по продольной оси

о.е.

X''d

0,150

8

Переходное индуктивное сопротивление по продольной оси

о.е.

X'd

0,236

9

Синхронное индуктивное сопротивление по продольной оси

о.е.

Xd

2,31

10

Сверхпереходная постоянная времени по продольной оси

с

T''d

0,014

11

Постоянная времени обмотки возбуждения при разомкнутой обмотке статора

с

Tf

3,80

12

Установившееся значние тока к.з. на зажимах генератора

о.е.

I∞г

4

 

Для эквивалентного асинхронного ЭД*

 

 

 

13

Мощность номинальная

кВт

Рэд

185

14

Ток номинальный

кА

Iэд

0,381

15

Активное сопротивление обмотки статора

о.е.

Rsd

0,4

16

Переходное индуктивное сопротивление обмотки статора

о.е.

X'sd

0,186

17

Индуктивное сопротивление обмотки статора

о.е.

Xsd

2,61

18

Коэффициент магнитной связи обмоток статора и ротора

о.е.

м

0,929

19

Постоянная времени обмотки ротора

с

Tr

0,232

20

Переходная постоянная времени обмотки ротора

с

T'r

0,0165

*Приняты средние значения параметров ЭД согласно таблице 2 Приложения 2 к ОСТ5.6181-81.

Таблица 2 - Параметры участков цепи

N п/п

Участок схемы

Характеристика элемента

Сопротивление, мОм




r

x

1

Цепь генератора Г1

 

 

 


Кабель

2(3х185) - 23м

1,357

0,839

2

Цепь генератора Г2





Кабель

2(3х185) - 23м

1,357

0,839

3

От ГРЩ до точки К3 Кабель

3х70 - 23м

7,107

1,748

4

От ГРЩ до точки К4 Кабель

3х35 - 15м

9,255

1,23


Автоматический выключатель


7,45

3,6

5

От ГРЩ 380 В до точки К5




6

Кабель

3х70 - 10м

3,09

0,76


Трансформатор Т1+кабель


57,7*

103,264*


Итого


60,79

104,024

*Указанные значения активного и индуктивного сопротивлений трансформатора и кабеля на стороне вторичной обмотки, приведенные к напряжению первичной обмотки трансформатора. Приведение произведено по формулам:


где Rприв, Xприв - приведенные к напряжению первичной обмотки активное и индуктивное сопротивления трансформатора и кабеля на стороне вторичной обмотки;

Rт и Xт - активное и индуктивное сопротивления трансформатора, приведенные к номинальному напряжению вторичной обмотки(Для трансформатора ТС3М250-75.ОМ5 согласно приложению 8 к ОСТ5.6181-81 Rт=2,12мОм, Xт=6,43мОм);

Rс и Xс - активное и индуктивное сопротивление участка сети до точки к.з. на стороне вторичной обмотки трансформатора (для участка сети до точки к.з. Rс=0,2295мОм и Xс=0,219мОм);

U1 и U2 - номинальные напряжения первичной и вторичной обмоток трансформатора, соответственно 380 и 220В.


1 Расчет тока к.з. в точке К1

Схема замещения для расчета тока к.з. в точке К1 приведена на рис. 2, а.

а)                                           б)

Рисунок 2 - Схема замещения для расчета тока короткого замыкания в точке К1

При составлении схемы замещения пренебрегаем относительно небольшими сопротивлениями ошиновки ГРЩ, автоматов ВА74-43 и А3770.

Заменим параллельно работающие генераторы одним эквивалентным и параллельно включенные сопротивления r1 и r2, x1 и x2 эквивалентными сопротивлениями r1э x1э (рис. 2, б)

За базисные величины принимаем


Сопротивления эквивалентного генератора и  в базисных о.е. равны по величине соответствующим сопротивлениям одного генератора в его номинальных о.е.

Сопротивления и  определяем по формулам:


В базисных относительных единицах:


Как было сказано выше,


Суммарные сопротивления генераторной цепи в о.е.:


Расчетные сопротивления цепи эквивалентного генератора:


Задаемся условием, что до к.з. генераторы работали с нагрузкой, равной номинальной при cosц =0,8 и определяем сверхпереходную и переходную эдс генератора:


где U0, I0, sinц0 - напряжение и ток в о.е. и угол сдвига между ними в предшествующем к.з. режиме.

Начальные значения сверхпереходного и переходного токов эквивалентного генератора в случае к.з. в точке К1:


Установившийся ток к.з.:


Определяем постоянные времени:


Определяем действующие значения периодической составляющей тока к.з. генератора для моментов времени t= 0,01с; 0,04с; 0,2с по формуле:


Определяем значение токов в килоамперах:


Определяем ударный ток генератора из выражения


Определяем полное переходное сопротивление эквивалентного двигателя


Определяем действующие значения периодической составляющей тока эквивалентного двигателя при к.з. на ГРЩ в точке К1:


где Uс=0,959 при расчете в о.е. генератора


При к.з. на ГРЩ ударный ток эквивалентного двигателя определяем по формуле:

В итоге суммарные значения токов к.з. в точке K1:


2 Определение тока к.з. в точке К2

Значение тока к.з. в точке К2 в соответствии с тем, что сопротивления автоматических выключателей и шин ГРЩ имеют относительно малое значение, принимается равным значению, рассчитанному для точки К1.

Расчет тока к.з. в точке К3

Для расчета тока к.з. в точке К3 используем схему замещения и лучевую, полученную из этой схемы, приведенные соответственно на рис.3.

Рисунок 4 - Лучевая схема для расчета тока короткого замыкания в точке К3

Рисунок 3 - Схема замещения для расчета тока короткого замыкания в точке К3

При этом активные и реактивные сопротивления схемы замещения определяем из выражений:

где Rк, Xк - суммарные активное и реактивное сопротивления от ГРЩ до точки К3 соответственно (см.табл. 2)

В базисных о.е.:


Преобразуем схему, приведя ее к лучевой (рис. 4).

Сопротивления луча эквивалентного генератора для сверхпереходного режима

 

Рисунок 5 - Схема для расчета тока короткого замыкания в точке К3 в переходном и установившемся режимах

Для переходного и установившегося режимов схема замещения приведена на рис. 5.

Сопротивления схемы для переходного и установившегося режимов


Определим начальные значения сверхпереходного и переходного тока эквивалентного генератора при к.з. в точке К3


Установившийся ток к.з.:


Определяем постоянные времени:


Определяем действующее значение периодической составляющей тока к.з. для момента времени t=0.01c:


Ударный ток эквивалентного генератора:


Определяем сопротивления луча эквивалентного двигателя (рис. 4) в базисных о.е.


Определяем постоянные времени затухания периодической и апериодической составляющей тока к.з. эквивалентного двигателя


Определяем ток подпитки для эквивалентного асинхронного двигателя для момента времени t=0.01c


Определяем ударный ток эквивалентного двигателя в момент времени t=0.01c


Суммарное значение ударного тока в точке К3


4 Расчет тока к.з. в точке К4

Схема замещения для расчета тока к.з. в точке К4 приведена на рис. 6,

Рисунок 6 - Схема замещения для расчета тока короткого замыкания в точке К4