Материал: Датчики перемещения

Внимание! Если размещение файла нарушает Ваши авторские права, то обязательно сообщите нам

Схема ультразвукового датчика перемещения

Рисунок 8 - Ультразвуковой датчик перемещения

. Магниторезистивные датчики перемещения

В магниторезистивных датчиках перемещения используется зависимость электрического сопротивления магниторезистивных пластинок от направления и величины индукции внешнего магнитного поля. Датчик, как правило, состоит из постоянного магнита и электрической схемы, содержащей включённые по мостовой схеме магниторезистивные пластинки и источник постоянного напряжения (Рисунок 9). Интересующий объект, состоящий из ферромагнитного материала, перемещаясь в магнитном поле, изменяет его конфигурацию, вследствие чего изменяется сопротивление пластинок, и мостовая схема регистрирует рассогласование, по величине которого можно судить о положении объекта.

С помощью ультразвуковых датчиков могут определяться твердые, жидкие, зернообразные и порошкообразные объекты.

Объекты, величина шероховатости поверхности которых превышает 0,15 мм, имеют преимущество в том, что их поверхность не должна быть направлена точно на сам датчик, однако для них рабочий диапазон уменьшается.

Окраска объекта не оказывает никакого влияния на расстояние срабатывания; также прозрачные объекты из стекла или оргстекла определяются надежно. Температура объекта влияет на рабочий диапазон: горячие поверхности отражают звук хуже, чем холодные.

Поверхности жидкостей отражают звук подобно твердым, гладким телам. Следует обращать внимание на правильную ориентацию датчика. Ткани, поропласты, вата и др. поглощают звук. Рабочий диапазон, поэтому становится меньше.

Рисунок 9 - Магниторезистивный датчики перемещения

В мостовой схеме одна пара диагональных элементов моста включает шунтирующие полосы, которые расположены под углом +45̊ к оси полосы, другая пара - под углом -45̊. Увеличение сопротивления одной пары резисторов под влиянием поля соответствует равному уменьшению второй пары. Результирующий дифференциальный сигнал является линейной функцией амплитуды внешнего магнитного поля, нормального к оси полосы в ее плоскости.

Для увеличения чувствительности датчика каждое плечо моста с алюминиевыми перемычками формируют из нескольких магниторезистивных пленок, параллельно ориентированных на подложке наподобие лабиринта.

Поэтому мостовые датчики в исполнении с зазубренными полосами рекомендуются для многих измерений - скорости, углов, тока, а также подходят для измерений слабых полей. Достоинствами таких преобразователей являются: высокая чувствительность, линейность, возможность определить направление поля.

Конкурентами магниторезистивных датчиков в задачах измерений скорости, положения и тока являются датчики Холла. Если сравнивать эти датчики, то магниторезистивные имеют ряд преимуществ:

)        действует направление поля вместо величины поля, как в эффекте Холла - широкий выбор магнитов для измерений, независимо от их остаточной намагниченности (но в пределах насыщающих значений поля);

)        действие в зоне насыщенности напряженности поля датчика означает независимость от магнитного дрейфа во времени и под действием температуры; независимость от механических допусков (расстояние между магнитом и датчиком); независимость от температурных эффектов за счет вычисления функции арктангенса в угловых измерениях;

)        малое смещение мостовых магниторезисторов;

)        магниторезистивные мостовые датчики после компенсации температурно стабильны и имеют широкий диапазон (-40…160̊ С).

Указанные преимущества особенно полезны в автомобильных применениях, в условиях жесткой эксплуатации, которая характеризуется повышенной загрязненностью, перепадами температур, повшенными механическими вибрациями. Высокая чувствительность позволяет использовать данные датчики для измерений слабых полей в навигационных системах, где эффект Холла обычно не применяется.

. Датчики на основе эффекта Холла

Датчики этого типа имеют конструкцию подобную конструкции магниторезистивных датчиков, однако в основу их работы положен эффект Холла - прохождение тока через проводник, на который воздействует внешнее магнитное поле, приводит к возникновению разности потенциалов в поперечном сечении проводника.

Датчики Холла находят широкое применение в различных областях современной промышленности, например, в машиностроении, автомобильной электронике, авиации. В отличие от механических и оптических систем, датчики Холла обладают важным преимуществом - они нечувствительны к механическим воздействиям и изменению параметров окружающей среды, обеспечивая при этом минимизацию стоимости готового решения. Набольшее распространение получили так называемые ключевые датчики Холла, т.е. такие датчики, выход которых меняет свое логическое состояние при превышении напряженностью магнитного поля определенной величины. Однако существует отдельный класс интегральных микросхем с элементом Холла, позволяющий значительно расширить область применения. Речь идет о так называемых линейных датчиках Холла. Среди областей применения линейных датчиков Холла можно выделить две наиболее распространенные. Это устройства измерения линейного или углового перемещения и измерения электрического тока. В большинстве случаев для измерения перемещения объектов используют линейные датчики Холла совместно с постоянными магнитами. Это обусловлено тем, что для поддержания максимальной линейности необходимо обеспечить большую величину изменения магнитного поля при изменении расстояния между датчиком и опорной точкой на перемещающемся объекте. Линейная зависимость и изолированность от измеряемого тока делает линейный токовый датчик идеальной схемой для контроля двигателя. Выход интегральной схемы датчика Холла пропорционален току в проводнике, выходной линейный сигнал точно воспроизводит форму измеряемого тока. Следует отметить, что линейный токовый датчик определяет величину магнитного поля, создаваемого протекающим током, но не сам ток. Форма напряжения на выходе датчика Холла соответствует форме измеряемого тока. Конструктивное исполнение обеспечивает изоляцию датчика и гарантирует нормальную работу при большом токе или высоком напряжении. Кроме того, надо помнить, что токовые датчики следует использовать в области значений, близких к максимальным, т.к. это уменьшает влияние шумов.

. Магнитострикционные датчики перемещения

Как правило, магнитострикционный датчик представляет собой протяжённый канал - волновод, вдоль которого может свободно перемещаться постоянный кольцевой магнит. Внутри волновода содержится проводник, способный при подаче на него электрических импульсов создавать магнитное поле вдоль всей своей длины (Рисунок 10). Полученное магнитное поле складывается с полем постоянного магнита, и результирующее поле создаёт момент вращения канала, содержащего волновод (эффект Вайдемана). Импульсы вращения распространяются по каналу в обе стороны со скоростью звука материала канала. Регистрация временной задержки между отправкой электрического импульса и приёма импульса вращения позволяет определить расстояние до постоянного магнита, т.е. определить его положение. Канал может иметь довольно большую длину (до нескольких метров), а положение магнита может быть определено с точностью до нескольких микрометров. Магнитострикционные датчики обладают отличной повторяемостью, разрешением, устойчивостью к неблагоприятным условиям и низкой чувствительностью к температурным изменениям.

Схема магнитострикционного датчика перемещения

Рисунок 10. Магнитострикционный датчик перемещения.

Магнитострикция - изменение размеров и формы кристаллического тела при намагничивании - вызывается изменением энергетического состояния кристаллической решетки в магнитном поле, и, как следствие, расстояний между узлами решетки. Наибольших значений магнитострикция достигает в ферро- и ферритомагнетиках, в которых магнитное взаимодействие частиц особенно велико.

Магнитострикционные преобразователи преобразуют энергию магнитного поля в механическую (звуковую или ультразвуковую) энергию. Их действие основано на магнитоупругом эффекте, т.е. на том, что некоторые металлы (железо, никель, кобальт) и их сплавы деформируются в магнитном поле. Ярко выраженными магнитоупругими свойствами обладают и ферриты (материалы, спекаемые из смеси окиси железа с окислами никеля, меди, кобальта и других металлов). Если магнитоупругий стержень расположить вдоль переменного магнитного поля, то этот стержень станет попеременно сокращаться и удлиняться, т.е. испытывать механические колебания с частотой переменного магнитного поля и амплитудой, пропорциональной его индукции. Вибрации преобразователя возбуждают в твердой или жидкой среде, с которой он соприкасается, волны ультразвука той же частоты. Обычно такие преобразователи работают на собственной частоте механических колебаний, так как на ней наиболее эффективно преобразование энергии из одной формы в другую. Магнитострикционные преобразователи из тонкого листового металла работают лучше всего в низкочастотном ультразвуковом диапазоне от 20 до 50 кГц, на частотах выше 100 кГц у них очень низкий КПД.

На практике используют два типа магнитострикционных преобразователей: стержневые и кольцевые, изготовленные из магнитных сплавов или ферритов. Металлические сплавы используют для изготовления мощных магнитострикционных преобразователей, поскольку они имеют высокие прочностные характеристики. Однако большая электропроводность сплавов обусловливает кроме потерь на перемагничение значительные потери на макровихревые токи, или токи Фуко. Поэтому преобразователи выполняют в виде пакета пластин толщиной (0,1 ч 0,2) мм. Значительные потери определяют сравнительно низкий КПД таких преобразователей (40 % ч 50 %) и необходимость их водяного охлаждения. Ферритовые преобразователи обладают более высоким к. п. д. (70 %), так как при большом электросопротивлении не имеют потерь на токи Фуко, но их мощностные характеристики весьма ограничены из-за низкой механической прочности.

Во всем мире два десятилетия с успехом применяются датчики линейных перемещения (или как их еще называют: датчики линейного положения, датчики и измерители пути) основанные на эффекте магнитострикции.

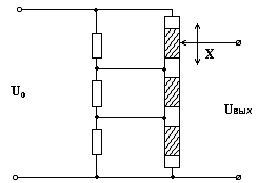
. Потенциометрические датчики перемещения

Датчик данного типа в своей основе имеет электрический контур, содержащий потенциометр (Рисунок 11). Линейное перемещение объекта приводит к изменению сопротивления потенциометра (переменного резистора). Если через потенциометр пропускать постоянный ток, то падение напряжения на нём будет пропорционально величине сопротивления, и, следовательно, величине линейного перемещения интересующего объекта.

Схема потенциометрического датчика перемещения

Рисунок 11. Потенциометрический датчик перемещения.

Потенциометрический датчик представляет собой переменный резистор, к которому приложено питающее напряжение, его входной величиной является линейное или угловое перемещение токосъемного контакта, а выходной величиной - напряжение, снимаемое с этого контакта, изменяющееся по величине при изменении его положения.

По способу выполнения сопротивления потенциометрические датчики делятся на

·        ламельные с постоянными сопротивлениями;

·        проволочные с непрерывной намоткой;

·        с резистивным слоем.

Ламельные потенциометрические датчики использовались для проведения относительно грубых измерений в силу определенных конструктивных недостатков.

В таких датчиках постоянные резисторы, подобранные по номиналу специальным образом, припаиваются к ламелям.

Ламель представляет собой конструкцию с чередующимися проводящими и непроводящими элементами, по которой скользит токосъемный контакт (рисунок 11). При движении токосъемника от одного проводящего элемента к другому суммарное сопротивление подключенных к нему резисторов меняется на величину соответствующую номиналу одного сопротивления. Изменение сопротивлений может происходить в широких пределах. Погрешность измерений определяется размерами контактных площадок.

Рисунок 11 Ламельный потенциометрический датчик

Проволочные потенциометрические датчики предназначены для более точных измерений. Как правило их конструкции представляют собой каркас из гетинакса, текстолита или керамики, на который в один слой, виток к витку намотана тонкая проволока, по зачищенной поверхности которой скользит токосъемник.

Диаметр проволоки определяет класс точности потенциометрического датчика (высокий-0,03-0,1 мм , низкий 0,1-0,4 мм). Материалы провода: манганин, фехраль, сплавы на основе благородных металлов. Токосъемник выполнен из более мягкого материала, чтобы исключить перетирание провода.

Преимущества потенциометрических датчиков: простота конструкции; малые габариты и вес; высокая степень линейности статических характеристик; стабильность характеристик; возможность работы на переменном и постоянном токе.

Недостатки потенциометрических датчиков: наличие скользящего контакта, который может стать причиной отказов из-за окисления контактной дорожки, перетирания витков или отгибание ползунка; погрешность в работе за счет нагрузки; сравнительно небольшой коэффициент преобразования; высокий порог чувствительности; наличие шумов; подверженность электроэррозии под действием импульсных разрядов.