Материал: Д6888 Верболоз ЕИ Лабораторные работы по маш и оборуд биотехнологий Ч2

Внимание! Если размещение файла нарушает Ваши авторские права, то обязательно сообщите нам

Массу тестовых заготовок можно регулировать, изменяя объем мерных карманов вращением маховика 1 во время работы автомата или при его остановке. При этом изменяется расстояние между половинками поршней. Производительность автомата регулируется изменением скорости вращения тестоделительного барабана при помощи вариатора во время остановки автомата.

Кинематическая принципиальная схема делительно-округли- тельного автомата А2-ХЛ2-С9 представлена на рис. 18.

Техническая характеристика тестоделительных машин приведена в табл. 1.

Таблица 1

Техническая характеристика тестоделительных машин

Показатель

Тестоделительные машины

 

 

 

 

Кузбасс 2М-1

А2-ХТН

РТ-2М

А2-ХЛ2-С9

 

 

 

 

 

 

Производительность,

13–30

20–60

34–90

40–100

шт/мин

 

 

 

 

 

 

 

 

 

Масса куска теста, кг

0,8–1,3

0,2–1,2

0,1–0,55

0,055–0,22

 

 

 

 

 

Точность деления, %

±2,5

±2

±1,5

2

 

 

 

 

 

Мощность, кВт

3

3

1,5

3,65

 

 

 

 

 

Габаритные размеры, мм:

 

 

 

 

длина

1600

1245

1040

1500

ширина

620

915

510

880

высота

1350

1500

1360

1550

 

 

 

 

 

Масса, кг

600

1090

800

1320

 

 

 

 

 

6.Основы расчета тестоделительных машин

Вкачестве примеров рассмотрим последовательность расчета тестоделительных машин со шнековым и с валковым нагнетателями.

Расчет тестоделительных машин со шнековым нагнетателем

При расчете следует учитывать ряд особенностей шнекового нагнетателя, который обычно работает непрерывно, а отбор отмеренных тестовых масс осуществляется периодически. В этом случае

26

в рабочей и мерной камерах делителя давление изменяется от максимума в момент отсутствия отбора до минимума в момент заполнения мерной камеры. Давление на винтовую лопасть шнека перед каждой лопастью P' меньше, а за ней Р" – больше среднего значения, которое в камере прессования изменяется по закону, близкому к линейному (рис. 19).

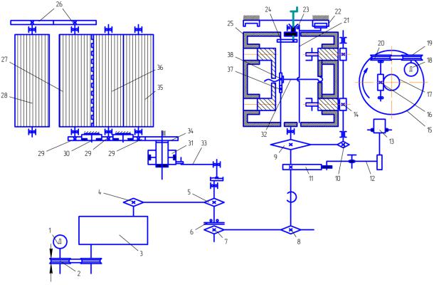
Рис. 18. Кинематическая принципиальная схема делительно-округлительного автомата А2-ХЛ2-С9:

1 – электродвигатель делителя; 2 – вариатор; 3 – редуктор; 4, 5, 710 – звездочки; 6 – предохранительная муфта; 11 – кулак; 12 – рычаг с толкателем;

13 – механизм направления; 14 – сбрасыватель; 15 – округлитель; 16 – червяк; 17 – червячное колесо; 18 – электродвигатель округлителя;

19, 20 – шкивы клиноременной передачи; 21 – вал с толкателями; 22 – копир; 23, 24, 26, 29, 30, 34 – зубчатые колеса; 25 – делительный барабан;

27, 28, 35, 36 – нагнетательные валки с ребордами; 31 – обгонная муфта; 32 – винт раздвигания поршней; 33 – кривошипно-шатунный механизм; 37, 38 – винтовые зубчатые колеса

27

Рис. 19. Схема шнекового нагнетателя и эпюра давлений:

D, d – диаметры шнека и его вала; L – длина рабочей части нагнетателя; P0 и Рp – начальное и конечное давление; t – шаг шнека;

– толщина витка шнека

Для упрощения расчетов предположим, что нагнетающий шнек имеет плоскую винтовую поверхность со средним углом подъема винтовой линии ср. Осевое перемещение частиц материала по высоте пера шнека будет неодинаковым; это следует учесть путем введения коэффициента отставания

К0 = 1 – ( cos2 cp – 0,5f sin2 cp), (10)

где f – коэффициент трения.

Производительность одношнекового нагнетателя можно рас-

считать по формуле, кг/с

 

П = 0,127 (D2 d2) (t – δ) (1 – K0) ρψω,

(11)

где D – наружный диаметр шнека, м; d – диаметр вала шнека, м, определяемый конструктивными соображениями исходя из условия

d f

t

; t – шаг винтовой образующей шнека, м; – толщина витка

π

 

 

шнека, м; ρ – средняя плотность теста, кг/м3, при Р = (Рmах + Р0)/2 оп-

28

ределяется по диаграмме состояния теста; ψ – коэффициент подачи теста, для нагнетателей с цилиндрической гладкой поверхностью ψ = 0,2...0,3; ω – угловая скорость вращения шнека, рад/с.

Мощность, требуемую для привода нагнетателя, можно рассчитать по уравнению, Вт

N = Mкp ω,

(12)

Mкp = 0,131m (1 – К0) Pmax (D3 d3) tg cp,

(13)

где m – число рабочих шагов шнека.

Расчет тестоделительных машин с валковым нагнетателем

Валковые нагнетатели применяются во многих тестоделительных машинах, предназначенных для переработки пшеничного теста. Построение математической модели этих нагнетателей, расчет их производительности и рабочего давления, создаваемого в зоне нагнетания, достаточно сложны. В настоящее время имеется ряд решений указанных задач, основанных на упрощении действительного процесса и не учитывающих влияния эластично-вязкой и пластичной структуры теста и воздействия на нее колебаний давления.

В общем случае производительность двухвалкового нагнетателя, имеющего валки разного диаметра, вращающиеся с различной частотой, может быть определена по следующей формуле, кг/мин:

П = πℓδρ (R1n1К1 + R2n2К2);

(14)

для случая одинаковых диаметров питательных валков, вращающихся с одинаковой частотой, производительность рассчитывается так:

 

П = 2πRℓγnρК,

(15)

где

ℓ – длина рабочей щели питателя, м;

γ – ширина щели,

м;

ρ –

средняя плотность теста, кг/м3; R1, R2

радиусы валков, м;

n1,

n2 – частота их вращения, об/мин; К1, К2 – коэффициенты подачи теста, зависящие от диаметра валка и консистенции теста; для теста

29

из пшеничной муки I и высшего сортов K = 0,7 при R = 0,15 м; при уменьшении R снижается значение К.

На рис. 20 показана эпюра давлений в зоне действия валкового нагнетателя. Начало возрастания давления в приемной камере соответствует линии максимального питания.

Рис. 20. Расчетная схема валкового нагнетателя и эпюра давлений

Поскольку давление теста на валки передается по нормали, на основании задаваемого рабочего давления и эпюры его изменения по длине рабочей камеры можно определить силы, действующие на валки в зонах питания и нагнетания:

Pп = 0,5рр Rℓ

;

(16)

Pн = ppRℓ .

 

(17)

Момент на питательном валке создается под воздействием тангенциальных сил Fп, Fн, возникающих в результате трения теста о валок и направленных в сторону, противоположную направлению вращения валков:

Мп = 0,5pp R2tg φ;

(18)

Мн = pp R² tg φ,

(19)

30