Государственное образовательное учреждение высшего профессионального образования
Санкт-Петербургский государственный университет низкотемпературных и пищевых технологий

Кафедра электротехники и электроники
Методические указания к лабораторным работам по курсу «Электротехника и электроника» для студентов всех специальностей
Санкт-Петербург 2006
УДК 621.3
Батяев А.А., Новотельнова А.В. Электрические машины и электропривод. Часть 2: Метод. указания к лабораторным работам по курсу «Электротехника и электроника» для студентов всех спец. / Под ред. Л.П. Булата. – СПб.: СПбГУНиПТ, 2006. – 31 с.
Приводится описание трех лабораторных работ, выполняемых студен-тами при изучении курса «Электротехника и электроника».
Рецензент
Канд. техн. наук, доц. Ю.А. Рахманов
Рекомендованы к изданию редакционно-издательским советом уни-верситета
Санкт-Петербургский государственный
университет низкотемпературных
и пищевых технологий, 2006
В методические указания включено описание трех лабораторных работ, выполняемых студентами при изучении курсов «Электротехника и электроника», «Электротехника и электрооборудование транспортно-технологических машин», «Техническая диагностика электрооборудования транспортных и холодильных установок».
Лабораторная работа № 14 посвящена диагностике асинхронного двигателя. В процессе выполнения работы студенты получают навыки диагностики и подключения асинхронных двигателей.
В работах № 15а и 15б студенты изучают частотно-управля-емый асинхронный электропривод на базе асинхронного двигателя с короткозамкнутым ротором, исследуют способы определения и расчета его основных параметров и рабочих характеристик.
1. К работе на стенде допускаются лица, прошедшие инструктаж и получившие зачет по технике безопасности для электроустановок до 1000 В.
2. Инструктаж по технике безопасности перед каждой лабораторной работой проводит преподаватель, ведущий эти занятия в группе.
3. Напряжение, подводимое к стенду, не должно превышать 220 В. О включении стенда сигнализирует загорание лампы на распределительном щите и на самом стенде.
4. Сборка электрической схемы проводится только при выключенном напряжении питания и отключенном автоматическом выключателе.
5. Проверку электрической цепи на лабораторной установке перед включением стенда под напряжение проводит инженер. Разрешение на включение стенда под напряжение и проведение опытов дает преподаватель, ведущий занятия.
6. При проведении опытов не допускаются превышение номинальных режимов оборудования и отклонение от рекомендованных условий нагружения электрических машин.
7. Все переключения в схемах осуществляются при полной остановке двигателей и выключенном питании стенда.
8. После запуска двигателей необходимо соблюдать особую осторожность: не касаться руками или какими-либо предметами вращающихся частей.
9. При измерении частоты вращения тахометром ИТ5-Ч не касаться вращающихся частей корпусом тахометра.
10. Если обнаружена неисправность в электрической схеме, следует немедленно отключить ее от сети и доложить об этом преподавателю.
11. При случайном попадании человека под напряжение необходимо немедленно освободить его от воздействия электрического тока, отключив соответствующий выключатель. При потере сознания и остановке дыхания необходимо освободить пострадавшего от стесняющей одежды и делать искусственное дыхание до прибытия врача.
1. Ознакомиться с общими принципами диагностики асинхронного двигателя.
2. Приобрести практические навыки по проверке маркировки и схем соединения обмоток статора.
3. Научиться определять основные параметры и характеристики асинхронного двигателя.
4. Экспериментально подтвердить теоретические знания, полученные на лекциях и практических занятиях.
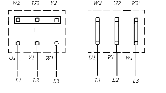
Основным элементом, определяющим характеристики и нормальную работу асинхронного двигателя, является обмотка статора. Статорная обмотка односкоростного асинхронного двигателя обычно имеет шесть выводов, соответствующих началам и концам фазных обмоток (рис. 1).

Рис. 1. Схема обмотки односкоростного двигателя
В табл. 1 приводятся обозначения этих выводов в соответствии с ГОСТ 26772–85.
Таблица 1
|
Наименование фазы |
Обозначение выводов |
|
|
Начало |
Конец |
|
|
Первая |
U1 |
U2 |
|
Вторая |
V1 |
V2 |
|
Третья |
W1 |
W2 |
Обычно выводы всех фаз статорной обмотки присоединяются к выводам клеммной коробки, как указано на рис. 2 а, б. Приведенная конструкция дает возможность получить соединение в звезду при горизонтальном расположении перемычек (высокое напряжение) и соединение в треугольник при их вертикальном расположении (низкое напряжение).
а б

Рис. 2. Схема для соединения обмоток статора на панели асинхронного двигателя:
а – в звезду; б – в треугольник.
Правильность соединения соответствующих выводов статорных обмоток определяет нормальный режим работы электродвигателя. Поэтому после всех профилактических работ с электродвигателем (или при отсутствии маркировки) требуется маркировать обмотки и проверять их взаимную согласованность. Согласованность обмоток у машин средней и большой мощности рекомендуется проверять даже при наличии заводской маркировки.
Предварительно находятся парные выводы каждой фазы.
Затем определяют начала и концы фазных обмоток. После этого, не включая двигатель, предварительно оценивают с точностью до 5 % (с учетом скольжения) номинальную частоту вращения. Для этого определяют число фиктивных пар полюсов р и частоту вращения магнитного поля статора n1, об/мин:
.
Тогда частота вращения ротора
n2 = n1 (1 – s),
где s – скольжение, величина которого может быть предварительно равна s = 0,05.
1. Для заданного асинхронного электродвигателя найти парные выводы каждой фазы.
2. Определить полярность выводов одним из двух способов – на постоянном и переменном токе.
3. Определить число фиктивных полюсов обмотки статора.
4. На основании пп.1 и 2 собрать схему включения двигателя, соответствующую напряжению на лабораторном стенде, и произвести пробный запуск. Оценить величину тока холостого хода.
5. Составить отчет о проделанной работе с соответствующими выводами о параметрах диагностируемого двигателя.
1. С помощью тестера определить парные выводы каждой обмотки и объединить их с помощью изоляционной ленты. Для этого следует установить центральный переключатель тестера в положение OHM 1K и подключить поочередно концы обмоток до получения на шкале нулевых показаний.
2. Произвести проверку маркировки выводов фазных обмоток.
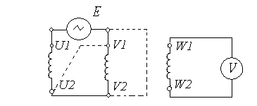
2.1. Использование дополнительного источника постоянного тока (рис. 3).

Рис. 3. Проверка маркировки выводов обмотки статора с помощью источника постоянного тока.
Одна из обмоток статора принимается за основную, маркируются ее выводы U1–U2 и собирается схема (рис. 3). Батарея Е включается импульсно выключателем S в цепи этой фазы, а к другим фазам поочередно подсоединяется тестер с положением центрального переключателя DC–V–10. Путем изменения присоединения выводов второй и третьей обмоток подбирается такое включение тестера, при котором в момент подачи напряжения от батареи стрелка прибора дает отклонение вправо. В этом положении схемы против плюса батареи и минуса тестера находятся начала фазных обмоток (U1, V1, W1). C помощью специальных бирок следует зафиксировать эти выводы. Тогда оставшиеся три вывода будут являться концами фаз (U2, V2, W2).
2.2. Проверка маркировки выводов с использованием источника переменного тока пониженного напряжения (рис. 4).

Рис. 4. Проверка маркировки выводов обмотки статора с помощью источника переменного тока
Для этого две произвольные фазы статорной обмотки соединяются последовательно и включаются на пониженное напряжение переменного тока. Пониженное напряжение используется для ограничения тока обмоток при неподвижном роторе. В лабораторных условиях это напряжение (30 – 50 В) получают с помощью автотрансформатора. Затем на третью свободную фазу подключают тестер с установленным центральным переключателем в положении AC–V–50.
Если первые две фазы соединены одноименными выводами (например, концами, как показано на рис. 4) сплошной линией, то тестер покажет отсутствие напряжения, поскольку результирующий магнитный поток встречно включенных обмоток равен 0.
При соединении двух фаз разноименными (конец–начало) зажимами (пунктирная линия на рис. 3) тестер покажет наличие напряжения.
Аналогично определению взаимного соответствия первых двух фаз производится маркировка выводов третьей фазы.
3. Определение числа полюсов обмотки статора.
Измерение числа полюсов обмотки статора необходимо для установления частоты вращения магнитного поля или синхронной скорости ротора n1.
Этот опыт производится с использованием тестера при положении центрального переключателя DC–mA–0,5. Тестер подключается к выводам одной или двух фаз. При проворачивании рукой ротора двигателя под действием остаточного магнетизма в обмотке статора возникнет ЭДС, вызывающая периодическое отклонение стрелки тестера. Число отклонений стрелки в одну сторону будет равно числу полюсов одной полярности, прошедших мимо данной фазы статора.
Во избежание ошибки рекомендуется выполнить 10 оборотов вала (N = 10) и посчитать соответствующее число m отклонений стрелки тестера в одну сторону. Например, пусть число отклонений m = 30. Тогда число пар полюсов двигателя
,