Материал: Автоматизированное проектирование информационно-измерительной системы на основе SCADA

Внимание! Если размещение файла нарушает Ваши авторские права, то обязательно сообщите нам

Автоматизированное проектирование информационно-измерительной системы на основе SCADA

МИНИСТЕРСТВО образованиЯ Российской Федерации

Нижегородский государственный технический университет им. Р.Е. Алексеева

Арзамасский Политехнический Институт (филиал)

Кафедра КИТ РЭС








Курсовой проект

Автоматизированное проектирование информационно-измерительной системы на основе SCADA

по дисциплине “Объектно-ориентированное проектирование ”

Руководитель Волков В.Л.

Студент Ромашкин А.Н.




г.


Содержание

Введение

1.      Анализ технического задания

.        Разработка информационной модели

.1 Представление ИУС в виде структурной схемы

.2 Создание графического экрана системы

.3 Создание программного обеспечения для отображения данных системы в среде программирования ST

.4 Создание программы имитации входного воздействия для объекта управления со случайными свойствами

.5 Создание программы для имитации объекта управления в среде программирования FTB

. Экспериментальные исследования

.1 Моделирование имитаторов ОУ в реальном времени

.2 Первичное моделирование объекта управления при скачкообразном входном сигнале

Заключение

Литература

Введение

Современное проектирование информационных алгоритмов и в целом информационно-управляющих систем немыслимо без автоматизации проектирования и исследования путем компьютерного моделирования. Одним из лучших инструментов для этих целей является SCADA система Trace Mode компании AdAstra.

SCADA система (Supervisory Control And Acquisition- Диспетчерское управление и сбор данных)- программный пакет для сбора, обработки, отображения и архивирования информации об объекте управления.

Инструментальная система Trace Mode устанавливается на рабочем месте инженера-разработчика информационно-управляющих систем и предназначена для создания системы автоматизации и отладки всех ее компонентов. Сохраняемое в файл с расширением *.prj описание создаваемой системы автоматизации является проектом Trace Mode.

Создание проекта автоматизированной системы управления осуществляется в единой интегрированной среде разработки Trace Mode, работающей под управлением операционной системы MS Windows. Операции по созданию компонентов проекта, их редактированию и установлению взаимосвязей между ними выполняются в Навигаторе проекта ИС. Разрабатываемый проект представляется в виде дерева компонентов. Создание дерева проекта облегчается применением различных технологий автопостроения.

В рамках узла создаются каналы- основные информационные единицы для ввода и первичной обработки данных. Каналы в рамках узла могут объединяться в группы, группы могут содержать подгруппы, образуя иерархическую информационную структуру произвольной вложенности. Каналы содержат атрибуты, которые могут быть вычисляемыми, т.е. отражающими специфику класса канала.

Цели и задачи

Целью курсового проекта является создание операторского интерфейса (человеко-машинного интерфейса) системы мониторинга и управления объекта, обладающего инерционными свойствами. Интерфейс должен содержать узел автоматизированного рабочего места, приборы индикации входных сигналов и управляющих воздействий. Система должна выполнять обработку по заданному алгоритму и выдавать управляющие воздействия на объект управления (объект управления имитируется внутри системы).

В проекте необходимо использовать механизмы автопостроения каналов Trace Mode методом «от шаблонов». В состав системы должны быть введены функции сбора данных, индикации и управления. В качестве объекта управления и источника сигналов необходимо использовать имитаторы, создаваемые с помощью программ. В программе необходимо использовать подключение аналогового сигнала от имитатора сигнала, имеющего случайные свойства.

1.      Анализ технического задания

Построение информационно-управляющей системы (ИУС) и методики исследования в среде Trace Mode. Для решения задач была представлена схема испытаний ИУС.

Для испытания ИУС проводится имитация процессов, воздействующих на объект управления (схема испытаний представлена на рисунке 1.)

Рисунок 1−Схема испытаний ИУС

где Г - генератор пилообразного сигнала; У − блок управления;

П - преобразователь;

ФС - формирователь сигнала со случайными свойствами;

ОУ - объект управления.

Согласно, представленной выше схемы испытаний ИУС, были поставлены следующие задачи для выполнения:

− представить ИУС в виде структурной схемы, отображающей потоки прохождения информации;

− создать графический экран системы с использованием библиотечных шаблонов (графических элементов);

− создать программное обеспечение для отображения данных системы в среде программирования ST;

− создать программу имитации объекта управления в среде программирования FTB;

− провести моделирование объекта управления при скачкообразном входном сигнале;

− исследовать время переходного процесса теоретическое и экспериментальное;

− создать имитатор входного воздействия для объекта управления со случайными свойствами;

− произвести моделирование имитаторов ОУ и входного воздействия в реальном времени;

−произвести анализ результатов и сделать вывод.

С целью имитации источника Параметр создается генератор пилообразного сигнала, который связывается с созданным каналом входного параметра. Далее формируется с помощью программы ST, которая производит расчет сигнала в соответствии с формулой обработки на основе составляющих Параметр и Управление.

2. Разработка информационной модели

.1      Представление ИУС в виде структурной схемы

Структурная схема ИУС с отображением потоков прохождения информации представлена на рисунке 2. В качестве файлового сервера применяется персональный компьютер под управлением ОС Windows.

Рисунок 2− Структурная схема ИУС с потоками прохождения информации

.2      Создание графического экрана системы

Для создания графического экрана системы необходимо выполнить ряд действий:

1.Создать экран проекта. Для этого необходимо в навигаторе проекта выбрать «Система», нажатием правой кнопки мыши (ПМК) вызвать контекстное меню «Создать узел» −> «RTM». Далее, выбрав узел «RTM_1» нажатием ПКМ, создадим компонент «Экран»;

. Добавить на экран проекта прибор−стрелочный прибор. Для этого необходимо на инструментальной панели выбрать элемент «Прибор» и по нажатию ПКМ выбрать «Стрелочный прибор». Затем установить курсор на экране и при нажатии левой кнопки мыши (ЛКМ) создать прибор необходимого размера.

. Добавить элементы «Кнопки» и «Текст». Для этого необходимо на панели графического редактора выделить «Текст» () или «Кнопки» () . На поле экрана установить прямоугольник, зафиксировать «точку привязки». Развернуть прямоугольник движением курсора и зафиксировать выбранный элемент. Для перехода в режим редактирования элемента необходимо: выделить на панели инструментов иконку «режим редактирования» (). Если введенный текст не умещается в прямоугольный графический элемент, выделите и растяните его до нужного размера с помощью ЛКМ. Далее необходимо выполнить привязку. Например, для вывода данных об «Интеграл» необходимо двойным щелчком ЛКМ по добавленному тексту (Текст) вызвать окно «Свойства объекта».

В выпадающем окне «Основный свойства» выбрать «Основная привязка» и в открывшемся окне создать аргумент «Размер» (тип−IN, тип данных− REAL) с привязкой на компонент «Размер»−> «Реальное значение», как показано на рисунке 3.

Рисунок 3−Привязка индицирующего прибора к аргументу

. Добавить элемент «Тренд». Для наглядного отображения изменений каналов узла во времени и отслеживании предыстории, необходимо на панели инструментов выбрать элемент «Тренд». Затем установить курсор на экране и принажатой ЛКМ создать тренд необходимого размера. Далее для отображения значения создадим кривую. Для этого в свойствах объекта перейдем на вкладку «Кривые», нажатием ПКМ по надписи «Кривые», выберем «Кривая», после чего в поле «Имя» введем значение «Интеграл». Добавим привязку, для этого в поле "Привязка" откроем поле «Свойства привязки» и выберем аргумент «Размер». Окно свойств тренда представлена на рисунке 4.

Рисунок 4−Свойства объекта тренд кривой «Параметр»

5.Создание генератора сигнала. Для этого необходимо в Навигаторе проекта выбрать «Источники/Приемники»−> «Генераторы», по нажатию ПКМ создадим компонент «Пила», как представлено на рисунке 5. Захватим созданный источник и, не отпуская, перетащим курсор на узел «RTM_1» в слое Система, а затем, в открывшемся окне компонентов на канал «Параметр».

Рисунок 5− Создание генератора «Пила»

После выполнения всех действий поле экрана имеет вид, представленный на рисунке 6. Исходные данные для выполнения работы, представлены в таблице 1.

Таблица 1. Исходные данные

Статистический текст

Прибор индикации

Источник сигнала

Управление

Формула обработки данных

Параметр

Стрелочный

Пила

10

С=У+0.3*П



Примечание: в формулах обозначено: У=управление; П=параметр; С=сигнал.

Рисунок 6 - Экран

.3 Создание программного обеспечения для отображения данных системы в среде программирования ST

программный интерфейс моделирование имитатор

В первую очередь необходимо создать графический элемент «Текст», позволяющий реализовать ввод числовых значений с клавиатуры. Создадим новый аргумент «Управление» и выполним привязку его к созданному графическому элементу, как представлено на рисунке 7.

Рисунок 7 - Привязка аргумента «Управление»

Создадим графический элемент «Кнопка» с названием «Управление». Откроем свойства объекта и перейдем во вкладку действия. Двойным нажатием ЛКМ по «События» откроем список событий, нажатием ПКМ по событию «mousePressed» выберем «Передать значение». Выберем тип передачи «Ввести и передать» и в поле результат выберем аргумент «Управление». Окно «Свойства объекта» представлено на рисунке 8.

Рисунок 8 - Свойства объекта «Управление»

С помощью нового компонента проекта - шаблона программы свяжем два канала согласно функции, указанной в таблице 1.

Реальные значения аргументов будут соединены через функцию и помещены во вновь созданный аргумент экрана «Сигнал» без создания дополнительного канала в узле проекта.

Необходимо произвести доработку графического экрана. Скопируем два первых графических элемента - «Параметр» и «текст», разместив их ниже кнопки «Управление». Изменим статический текст первого графического элемента на Сигнал. Динамику второго графического элемента привяжем к аргументу шаблона экрана типа IN с именем Сигнал.

Добавим еще одну кривую на тренд с привязкой к аргументу «Сумма».

В канале Экран№1 создадим программу, в которой значения аргументов «Параметр» и «Управление» через формулу 2.1 помещается в третий аргумент «Сигнал». В дальнейшем, воспользуемся возможностью связывания аргументов шаблонов для вывода на экран результат работы программы без создания дополнительного канала.

С = У+0.3*П (2.1)

Двойным щелчком по компоненту «Программа#1» перейдем в режим редактирования программы. Выделим в дереве шаблона «Программа№1» строку «Аргументы» и таким образом табличный редактор аргументов. Создадим в редакторе аргументов три аргументы «Параметр», «Управление» и «Сигнал» −рисунок 9.

Рисунок 9 - Создание аргументов привязки

Выделим в дереве шаблона строку «Программа#1» и в открывшемся диалоге, выберем язык ST, рисунок 10.

Рисунок 10 - Выбор программы языка ST

В открывшемся окне редактора программ с автоматически объявленными переменными наберем вручную формулу согласно варианту, рисунок 11.

Рисунок 11− Составление программы

С помощью иконки  на инструментальной панели редактора скомпилируем программу и убедимся в успешной компиляции в окне Выход, вызываемом инструментальной панели с помощью иконки  (должно быть сообщение: Программа#1.tms complited successfully), рисунок 12.

Рисунок 12 - Компиляция программы

.4 Создание программы имитации входного воздействия для объекта управления со случайными свойствами

Для привязки аргументов программы к атрибута каналов вызовем свойства компонента Программа#1 через контекстное меню, выберем вкладку Аргументы и двойным нажатием в поле Привязка свяжем аргументы программы с атрибутами каналов - аргумент Параметр к реальному значению канала Параметр, аргумент Управление к реальному значению канала Управление , рисунок 13.

Рисунок 13 - Привязка аргументов программы к атрибутам каналов

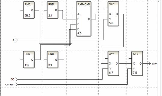
Создадим программу, воспользовавшись языком FDB, ка представлено на рисунке 14.

На вход имитатора подается Сигнал, полученный при обработке периодического сигнала с генератора и управления с помощью программы ST.

Исходные данные по вариантам задания (параметр k1) представлены в таблице 2.

Таблица 2−Исходные данные для имитатора входного воздействия.

Вариант

13

k1

80


Откомпилируем программу. В результате получим сообщение о правильности компиляции программы.

Рисунок 14− Программа имитации объекта управления со случайными числами

.5 Создание программы для имитации объекта управления в среде программирования FTB

Рассмотрим математическую модель объекта управления, основываясь на предположения, что его функционирование описывается классическим инерционным звеном первого порядка с запаздыванием. Передаточная функция находится по формуле 2.2:

W(s)=,2.2

Где k, l, s - соответственно коэффициент усиления, запаздывание и постоянная времени инерционного звена первого порядка.