Максимально допустимые параметры. Гарантируются при температуре
окружающей среды
.
- постоянный ток коллектора, мА…………………………….25
- постоянное напряжение коллектор-база, В…………….…….40
- постоянное напряжение база-эмиттер, В……………...………4
- постоянное напряжение коллектор-эмиттер, В……………......25
- постоянная рассеиваемая мощность коллектора, мВт
при
….………………………………………………260
при
………………………………………………………...60
- температура перехода,
…………….…………………...….175
Допустимая температура окружающей среды,
…..…...….. -60…150
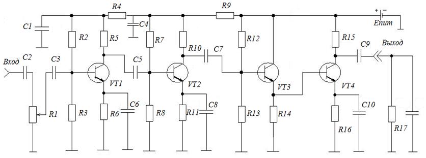
(обязательное)
Перечень радиодеталей
Таблица B.1
|
Поз. обозначение |
Наименование |
Кол. |
Примечание |
|
|
|
Конденсаторы |
|
|
|
|
C1 |
К73-17В 63 В 2,2мкф 10% ОЖО.464.181 ТУ |
2 |
|
|
|
C2, С3 |
К73-17 63 В 3.3 мкФ 10% ОЖО.464.181 ТУ |
5 |
|
|
|
C4 |
К73-16 63 В 6.8 мкф 10% ОЖО.464.181 ТУ |
|
|
|
|
C5 |
К73-17 63 В 3.3 мкФ 10% ОЖО.464.181 ТУ |
|
|
|
|
C6 |
Конденсаторы К53-1 ОСК53-1 15 В 68 мкФ 10% АДПК.673.641.001ТУ |
К73-17 63 В 3.3 мкФ 10% ОЖО.464.181 ТУ |
|
|
|
С8 |
Конденсаторы К53-1 ОСК53-1 15 В 68 мкФ 10% АДПК.673.641.001ТУ |
2 |
|
|
|
С9 |
К73-17 63 В 3.3 мкФ 10% ОЖО.464.181 ТУ |
|
|
|
|
С10 |
Конденсаторы К53-1 ОСК53-1 15 В 68 мкФ 10% АДПК.673.641.001ТУ |
1 |
|
|
|
|
Резисторы постоянные |
|
|
|
|
R2 |
МЛТ-0,125-22 кОм, 10% |
2 |
|
|
|
R3 |
МЛТ 0,125-5,6 кОм 10% |
1 |
|
|
|
R4 |
ПЭВ-150 330 Ом 10% |
1 |
|
|
|
R5 |
МЛТ 0,5-68 Ом 10% |
1 |
|
|
|
R6 |
МЛТ-0,5-180 Ом 10% |
1 |
|
|
|
R7 |
МЛТ-0,125-22 кОм, 10% |
|
|
|
|
R8 |
МЛТ-1-6,8 кОм 10% |
1 |
|
|
|
R9 |
МЛТ2-100 Ом 10% |
1 |
|
|
|
R10 |
МЛТ2-120 Ом 10% |
1 |
|
|
|
R11 |
МЛТ-0,5 270 Ом 10% |
2 |
|
|
|
R12 |
МЛТ-2-3,9 кОм 10% |
1 |
|
|
|
R13 |
МЛТ-0,5-1,8 кОм 10% |
1 |
|
|
|
R14 |
МЛТ-0,5 270 Ом 10% |
|
|
|
|
R15,R16 |
МЛТ-0,5-150 Ом 10% |
2 |
|
|
|
|
Резисторы переменные |
|
|
|
|
R1 |
СП5-2-1 Вт 330 Ом 10% |
1 |
|
|
|
|
Транзисторы |
|
|
|
|
V1, V2 |
КТ339А |
2 |
|
|
|
V3, V4 |
КТ607А-4 |
2 |
|