Материал: Аналоговые электронные устройства

Внимание! Если размещение файла нарушает Ваши авторские права, то обязательно сообщите нам

Измерительные усилители получили широкое распространение в различном радиотехническом оборудовании. Поэтому в зависимости от того, где они используются к  предъявляются различные требования:

если усилитель предназначен для работы от высокоомного датчика с  порядка сотен кОм, то необходимо обеспечить  в несколько МОм (за счет использования каскадов на полевых транзисторах);

в случае, когда усилитель работает от выхода приемника, выходное сопротивление детектора которого несколько кОм, требуются десятки кОм (следует учитывать также, что  должна быть значительно меньше  детектора);

необходимо использовать усилитель в качестве измерительного в телевизионной технике, тогда используется кабель с  и, соответственно, входное сопротивление должно быть примерно тем же.

Таким образом, основным показателем при выборе входного сопротивления усилителя является получение по возможности наиболее близкого к единице коэффициента передачи входной цепи. Однако для согласования с фидерной линией выбираются другие критерии (пример 3). То есть в этом случае (работа в согласованном тракте передачи) необходимо согласование волнового сопротивления коаксиального кабеля с входным сопротивлением усилителя (предполагается, что на передающем конце кабеля согласование обеспечено).

В виду того, что техническое задание не предусматривает работу схемы в согласованном тракте по входу (т.е. равенство входного сопротивления усилителя и внутреннего сопротивления источника сигнала), то требования к входному сопротивлению необходимо сформулировать самостоятельно. Сопротивление входного каскада сделаем таким, чтобы коэффициент передачи входной цепи был максимален, при допустимых искажениях в области малых времен.

3. Расчет усилителя

.1 Оконечный каскад

.1.1 Определение режима транзистора

Обычно расчет оконечного каскада начинается с выбора транзистора. Так как ранее уже был определен тип используемого прибора (в том числе и для выходного каскада), остается только проверить выполнение некоторых соотношений, связанных в первую очередь с потенциальными возможностями транзистора при работе его в тех или иных условиях, а также его частотные свойства.

Допустим, что выходной каскад вносит искажения, определяемые как: . В этом случае  и условие  выполняется.

При скважности сигнала  более 100 (одиночные импульсы), на выходе мы имеем . Значит и неравенство  справедливо для выбранного типа транзистора.

Величина максимального постоянного тока коллектора  также с довольно хорошим запасом подходит для заданной нагрузки [1].

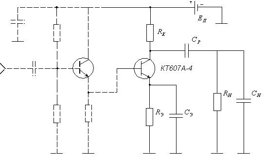
В качестве базовой схемы выбираем усилитель на сопротивлениях рисунок 3.1.

Рисунок 3.1 - Схема выходного каскада

Необходимость применения эмиттерного повторителя (изображен пунктиром) будет обоснована дальнейшим расчетом. На данном этапе следует рассчитать режим работы транзистора в схеме путем соответствующего выбора резисторов каскада и напряжения источника питания. Задающим в этом случае можно считать сопротивление в цепи коллектора. Выбор  можно проводить с использованием различных критериев. В нашем случае мы выбираем  исходя из необходимого усиления, возьмем.  равен  то есть, имеем дело с согласованным выходом. Эквивалентное сопротивление нагрузки при , равно:

          

Поскольку скважность большая ток покоя, возьмем из диапазона (3…10) мА [1].

Напряжение на коллекторе в рабочей точке определяем, исходя из известного значения  и запасом на термостабилизацию 1 В.

,      

По статическим характеристикам транзистора, приведенным в приложении А, определяем  и .

Напряжение источника питания:

    

Для того, чтобы подогнать напряжение источника питания к стандартной величине 12 В, установили падение напряжения на
эмиттере 1,5 В. Таким образом, напряжение источника питания не превышает значение предельно допустимого напряжения коллектор-эмиттер и нет причин, в силу которых следовало бы отказаться от использования транзистора КТ607А-4 в выходном каскаде. На рисунке 3.2 показан режим работы транзистора. Поставленную задачу можно решать графическим методом, но при этом нельзя забывать о наличии неточностей при построении нагрузочной прямой и характеристик транзистора.


Рисунок 3.2 - Режим выходного каскада

3.1.2 Расчет параметров транзистора

Определим необходимые для дальнейших расчетов параметры транзистора в рабочей точке. Воспользуемся эквивалентной схемой, приведенной на рисунке 3.3 [1].

Рисунок 3.3 - Эквивалентная модель биполярного транзистора

Основные расчетные соотношения:

       

 

  

      

       

Входное сопротивление транзистора переменному току можно определить по аналитическому выражению, определяемому эквивалентной схемой, но более точно и надежнее определить  по входной характеристике. По формуле (3.4) имеем:

.

Коэффициент передачи тока базы определяется как отношение приращения к  (по графическим характеристикам):

.

Крутизна характеристики в этом случае можно определить по следующей формуле (3.6):

.

Для расчета объемного омического сопротивления базы по формуле (3.7) нужно воспользоваться необходимыми значениями величин, указанных в справочнике [].

.

Пересчет емкости коллекторного перехода ведем по формуле (3.8). Значение необходимого напряжения берем в середине импульса, а не в рабочей точке, потому как по мере нарастания значение емкости существенно увеличивается.

.

Ввиду того, что для следующего каскада также выбран транзистор КТ607А-4, то некоторые из рассчитанных в этом пункте величин будут использованы в дальнейшем.

Граничную частоту усиления по току транзистора с ОЭ найдем по формуле (3.9):

.

3.1.3 Характеристики каскада

Коэффициент усиления каскада для сильного сигнала можно считать графически, либо по формуле:

.      

Частотные свойства каскада характеризуются постоянной времени на верхних частотах, которая в свою очередь связана со временем установления импульса:

.         

Входная динамическая ёмкость определяется по формуле:

.  

Подставляя численные значения получим:

.

;

;

.

3.1.4 Цепи питания и термостабилизация

Наиболее широкое распространение получила схема эмиттерной термостабилизации. При определении напряжения источника питания, было принято решения о том, что падение напряжения на сопротивлении в цепи эмиттера должно быть равным . Тогда номинал стабилизирующего резистора можно определить с помощью выражения:

.   

Сопротивлением  в данной схеме (рисунок 3.1) будет величина:

.        

В техническом задании задан диапазон температур, в котором усилитель должен обеспечивать стабильную работу. Определим степень ухода рабочей точки при изменении температуры в заданном диапазоне. Для этого будем руководствоваться [1] и используем следующие формулы:

,      

где  - мощность, рассеиваемая на коллекторе;

 - тепловое сопротивление «переход-среда».

,    

где  - постоянная рассеиваемая мощность в миллиамперах;

 - температура перехода;

 - температура окружающей среды.

Мощность, рассеиваемая на коллекторном переходе в статическом режиме:

.     

Разность между температурой коллекторного перехода  и справочным значением этой температуры:

.   

Приращение тока коллектора, вызванного тепловым смещением проходных характеристик:


где  - приращение напряжения за счет теплового смещения характеристик.

,  

где  - температурный коэффициент напряжения, равный .

Изменение обратного (неуправляемого) тока коллектора:


где  - коэффициент показателя, для кремниевых транзисторов равен 0,13.

Приращение тока коллектора вызванное :

.

Приращение коллекторного тока, вызванного изменением , определяется соотношением:

.     

где ,

Общий уход коллекторного тока транзистора с учетом схемы термостабилизации определяется следующим выражением:


При использовании эмиттерной схемы термостабилизации, коэффициенты и  соответственно равны:

,      

где  - крутизна транзистора для стабилизации режима по постоянному току.

.  

Приступаем к непосредственному расчету температурной стабильности рабочего режима выходного каскада усилителя. В соответствии с требованиями ТЗ усилитель должен работать в диапазоне температур . Мощность, рассеиваемая на коллекторе:

;

;

 .

.

Определяем приращение напряжения:

;

.

Зная элементы схемы, можно рассчитать коэффициенты термостабилизации по формулам (3.27) и (3.28):

;

.

Значение , приводимое в справочной литературе, представляет собой сумму тепловой составляющей и поверхностного тока утечки. Для данного транзистора в справочнике приведено 2 значения , поэтому расчет будем вести по следующим формулам [6].