Материал: Аналоговые электронные устройства

Внимание! Если размещение файла нарушает Ваши авторские права, то обязательно сообщите нам

Поскольку обратный ток коллектора указан в [3] лишь для одной температуры, вычисления производятся по формуле:

;

;

.

Окончательное значение получим по формуле (3.26):

.

На выходных характеристиках (рисунок 3.1.3) можно показать, что такой уход тока не приведет к нежелательным явлениям. Можно также оценить относительный уход стабилизированного тока коллектора:

.

Подводя итоги, можно сказать, что расчеты проводились по довольно грубым оценкам (без учета стабилизирующего влияния фильтра), но полученный результат вполне допустим.

3.4 Входной каскад

.4.1 Обоснование выбранного режима

Исходные данные для расчета: , .

.

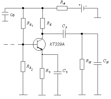
Схема каскада представлена на рисунке 3.8.

Рисунок 3.8 - Схема входного каскада

Как видно из схемы, данный каскад полностью повторяет предыдущий. Большинство характеристик, а также транзистор остались прежними. Назначение данного каскада - обеспечение нужной полярности напряжения на выходе, так как обеспечить требуемое усиление можно было ранее.

Рабочая точка:

, ;

, .

.4.2 Параметры эквивалентной схемы транзистора


;

;

;

;

;

.

3.3.3 Основные показатели каскада

Исходя из того что нам необходимо обеспечить усиление , определим эквивалентное сопротивление нагрузки:

.

Тогда  будет равно:

.  

Каскад будет питаться через фильтрующую цепь.

Установим напряжения на эмиттере равное 1 В.

.

Через цепь фильтра будут протекать два тока: ток, входного каскада и ток промежуточного. Обобщая вышеизложенное получаем:

;

;

.

С целью улучшения развязки по питанию цепь базового делителя включена после фильтрующей цепи:

;

.

Входное сопротивление каскада:

;

;

;

.

.4.4 Расчет термостабилизации

Как и в предыдущем каскаде здесь применена эмиттерная термостабилизация, поэтому при расчете будем пользоваться формулами (3.16)-(3.29) и некоторыми известными данными.

Мощность, рассеиваемая на коллекторе:

;

;

;

.

Расчет показывает положительные значения , значит при обеспечении необходимой стабильности режима при увеличении температуры окружающей среды, отпадает смысл расчета условий на понижение температуры, так как направление ухода тока коллектора будет тем же («вверх» на нагрузочной прямой по постоянному току), а величина меньше.

Определяем приращение напряжения:

.

Крутизна транзистора по постоянному току определена ранее:

.

Рассчитываем коэффициенты термостабилизации по формулам (3.27) и (3.28):

;

.

Обратный ток коллектора определен ранее:

;

;

;

.

Окончательное значение получим по формуле (3.26):

.

На выходных характеристиках (рисунок 3.1.3) можно показать, что такой уход тока не приведет к нежелательным явлениям. Можно также оценить относительный уход стабилизированного тока коллектора

.

3.5 Входная цепь


Исходные данные для расчета: , . Схема входной цепи приведена на рисунке 3.9.

Рисунок 3.9 - Схема входной цепи

Коэффициент передачи входной цепи:

.      

Искажения, создаваемые входной цепью на верхних частотах:

;    

.

4. Регулировка усиления


По условию ТЗ усилитель должен обеспечивать динамический диапазон входных сигналов 20 дБ. Т. е. амплитуда входных сигналов меняется от 5,5 мВ до 55 мВ. Схема регулировки усиления должна позволять изменять коэффициент усиления в зависимости от приходящего на вход сигнала. При этом накладывается требование не превышения заданного уровня линейных искажений сигнала. Проведём краткий сравнительный анализ двух основных схем регулировок усиления: регулировка обратной связью и потенциометрическую регулировку.

Схема регулировки обратной связью улучшает частотную характеристику усилителя, увеличивает входное сопротивление, даёт некоторые другие преимущества, свойственные обратной связи. Однако её использование требует, чтобы входной сигнал не перегружал каскад. В условиях ТЗ это означает, что максимальный сигнал (55мВ) должен помещаться на линейном участке входной статической характеристики (слева и справа от рабочей точки). В противном случае возникают недопустимые нелинейные искажения. Среди маломощных транзисторов отсутствуют примеры со столь широким линейным участком входной статической характеристики. Поэтому данный способ регулировки неприемлем.

Главное достоинство потенциометрической регулировки - ее простота. Она решает указанную проблему: входное напряжение делится таким образом, что на входе первого каскада всегда присутствует напряжение, соответствующее минимальному уровню входного сигнала (5,5 мВ). Однако данный способ регулировки ухудшает частотную характеристику усилителя. Поставим потенциометрическую регулировку, задав необходимый уровень искажений на верхних частотах допустимым временем нарастания сигнала. Схема потенциометрической регулировки приведена на рисунке 4.1.

Рисунок 4.1 - Схема регулировки усиления

Посчитаем время нарастания сигнала без учёта схемы регулировки усиления.


где  времена нарастания соответственно выходного, предоконечного, промежуточного, и входного каскадов. Отпустим на входную цепь время нарастания . Тогда итоговое время нарастания всего усилителя:

     

Видим, что итоговое время нарастания сигнала намного меньше максимально допустимого.

Значение постоянной времени входной цепи будет равно:

       

Определим значение регулировочного сопротивления по следующей формуле:

        

Коэффициент деления входного сигнала при отсутствии  (крайнее верхнее положение движка потенциометра):

   

 

Такой коэффициент деления будет, если подавать на вход 5,5 мВ. Общий коэффициент в данном случае равен произведению коэффициентов усиления всех каскадов:

.  

Сигнал усиливается с некоторым запасом (по условию ТЗ коэффициент усиления должен быть равен 1091). Для усиления импульсов с амплитудой
55 мВ необходимо уменьшить их с помощью схемы регулировки в 10 раз, т.е. коэффициент деления . Договоримся, что ту часть регулировочного сопротивления, которая находится сверху от бегунка, мы обозначим за , а ту часть, которая находится снизу обозначим за .

;   

.    

Зная требуемый коэффициент деления необходимо найти  - долю сопротивления ниже движка регулировочного потенциометра. Это можно сделать из следующего равенства:

   

Упуская большие математические выкладки, запишем результат:

.

Максимальная постоянная времени первого каскада с учётом схемы регулировки усиления получается, когда будет выполняться условие:

.        

Это возможно когда , а , тогда

.  

        

.

Теперь можем посчитать время нарастания выходного сигнала с учетом времени нарастания входного сигнала всего усилителя:

.

5. Результирующие характеристики

.1 Коэффициент усиления


Подведем итог. Рассмотрим усиление, которое обеспечивает усилитель Всего схема имеет пять цепей, приведем соответствующие значения коэффициентов передачи:

- входная цепь ;

- входной каскад ;

- предварительный каскад ;

- предоконечный каскад ;

- оконечный каскад ;

Таким образом, результирующий коэффициент усиления определится как произведение представленных величин, то есть равен

,

что на  больше необходимого. Однако на этот счет предусмотрено повышение глубины регулировки усиления.

5.2 Параметры усилителя в области малых времен


Систематизируем значения времени установления, полученные в результате расчета:

- входная цепь ;

- входной каскад ;

- предварительный каскад ;

- предоконечный каскад ;

- выходной каскад ;

На основании исходных данных известно, что входной сигнал не идеален и имеет , тогда время нарастания выходного сигнала можно найти следующим образом:

.

5.3 Расчет параметров в области больших времен. Низкочастотная коррекция


Искажения в области больших времен вносят блокировочные в цепях эмиттера и разделительные межкаскадные конденсаторы. Разделительные конденсаторы большой емкости брать не рекомендуется, к тому же в этом нет необходимости. Шунтирующие емкости в цепях эмиттера можно взять довольно большой величины, так как они имеют заземленную обкладку.

Спад плоской вершины создают цепи связи эмиттера. Фильтрующая цепочка  выполняет корректирующую функцию, обусловливая подъем плоской вершины импульса [7].

Спад, создаваемый разделительной емкостью [1]:

,     

где  и  - сопротивления слева и справа от рассматриваемой емкости, соответственно.

Для блокирующей емкости справедливо [1]: