После составления кодовых комбинаций для всех букв (таблица3.2), производим равномерное кодирование своей фамилии последовательностью кодовых комбинаций букв, входящих в нее.
К(01011), Р(10001), А(00001), С(10010), Н(01110), О(01111), Щ(11010), Е(00110), К(01011), О(01111), В(00011).
=11, ei=5
Без использования разделительного символа:
длина кодовой комбинации n=N*ei=55
Выигрыш определяется экономией времени,
требуемого для передачи сообщения статистическим кодом по сравнению с
равномерным кодом. Это есть соотношение кол-ва символов передаваемых тем и
другим кодом при передаче сообщения. Для равномерного кода средняя длина
кодового слова совпадет с длиной кодовых слов.
W=
р/
с=5*11/25=2,2
Следовательно, статистическое кодирование является менее оптимальным, чем равномерное кодирование.
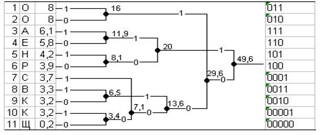
Закодируем свою фамилию кодом
Хаффмена, для этого запишем буквы сообщения в таблицу 3.3 в порядке убывания их
вероятностей (таблица3.1).
Таблица3.3-Процесс кодирования по Хаффмена.

Используя граф этого кода, определяем кодовые комбинации для каждой буквы фамилии.
Средняя длина кодового слова при кодировании методом Хаффмена
, где еi-длина кодовой комбинации
i-той буквы, Рi-вероятность передачи i-той буквы, N-число букв в фамилии.
Для расчета выигрыша, даваемого методом кодирования Хаффмена по сравнению с равномерным кодированием, необходимо определить количество символов передаваемых кодом Хаффмена при передаче сообщения.
Данный выигрыш составляет:
Следовательно, кодирование методом
Хаффмена является менее оптимальным, чем равномерное кодирование
Задание 3
Исходные данные:
Номер варианта - 33;
Вид модуляции и способ приема - ДЧМ, оптимальный когерентный;
Ширина спектра сигнала - ∆F = 600кГц
Число уровней квантования - M = 512
Шаг квантования -
= 2 мВ;
Число каналов в системе передачи N = 8
Структурная схема системы связи
В каналах различного типа есть ограничения на вид модуляции и способ приема. В каналах с быстрыми флуктуациями фазы и частоты неэффективно использовать ДФМ и ДЧМ, так как это приводит к значительному усложнению схемы приемника, что не окупается достигнутым при этом увеличением помехоустойчивости. Систему с ДФМ нельзя использовать при некогерентном приеме, т.к. при ДФМ информация заложена в фазу сигналов, а при неизвестной фазе сигналов они неразличимы друг от друга.
В каналах с неопределенной фазой сигнала на приеме приходится отказываться от применения когерентного метода приема даже в тех случаях, когда с помощью сложных устройств можно оценить начальную фазу принимаемого сигнала. При этом используют алгоритм приема построенный в предположении, что начальная фаза принимаемого сигнала неизвестна - т.е. некогерентный способ приема.
Однако, в каналах с медленными флуктуациями фазы, путем ее оценки, можно достаточно надежно предсказать ее на интервале анализа. При этом, можно реализовать оптимальный когерентный прием, так как фаза изменяется достаточно медленно и разности фаз между соседними единичными элементами практически сохраняются. Здесь вполне возможен когерентный прием с применением ДОФМ. То же и с ДЧМ в каналах с медленными флуктуациями частоты.
Оптимальный когерентный прием ДЧМ сигналов является оптимальным для каналов с медленным флуктуациями фазы при требовании высокой помехоустойчивости приема.
Структурная схема системы связи приведена на рисунке 12
ИС - источник непрерывных сообщений b.
Сообщ/сигн.- преобразователь
непрерывных сообщений b в аналоговый первичный сигнал Ua(t).
Рисунок 12-
Структурная схема системы связи
модулированное колебание кодирование связь
АЦП - аналого-цифровой преобразователь, преобразующий аналоговый первичный сигнал Ua(t) в цифровой сигнал Uц(t).
Кодер - для кодирования кодовых комбинаций простого кода цифрового сигнала помехоустойчивым кодом с проверкой на четность.
Модулятор - для преобразования первичного цифрового сигнала Uцк(t) во вторичный высокочастотный сигнал S(t), соответствующий параметрам линии связи. Это дискретный относительный фазовый модулятор, в котором информация, переносимая
первичным цифровым сигналом, вкладывается в разность фаз сигналов на соседних единичных интервалах, путем изменения ее по закону первичного информационного (модулирующего) цифрового сигнала.
Вых. устр. - выходное устройство, включающее в большинстве случаев усилитель, полосовой фильтр, ограничивающий спектр сигнала для уменьшения помех взаимного влияния в различных каналах, согласующее устройство передатчика с линией связи.
Л.С. - линия связи - физическая среда для передачи сигнала.
ИП- источник помех x(t), вызывающих отклонение принятых сигналов от переданных (включая искажение сигнала). S*¢(t) = S¢(t) +x(t).
Вх.устр. - входное устройство, производящее фильтрацию входного сигнала для уменьшения уровня помех на входе демодулятора, усиление сигнала и согласование приемника с линией связи.
Демодулят. - демодулятор, служащий для обратного преобразования вторичного ВЧ сигнала S*(t) в первичный цифровой НЧ сигнал U*цк(t), несущий информацию. Это дискретный относительный фазовый демодулятор, в котором информационный цифровой сигнал выделяется из изменения разности фаз сигналов на соседних единичных интервалах.
Декодер - декодирует кодовые комбинации помехоустойчивого кода, обнаруживая в ней ошибки. Код с проверкой на четность обнаруживает все ошибки нечетной кратности.
ЦАП - цифро-аналоговый преобразователь, преобразует цифровой сигнал U*ц(t) в первичный аналоговый сигнал U*a(t).
Сигн/сообщ. - преобразователь аналогового первичного сигнала U*a(t) в непрерывное сообщение b*.
ПС - получатель непрерывных сообщений.
Преобразование аналогового сигнала в цифровой
Для преобразования аналогового сигнала в цифровой
ИКМ сигнал, в АЦП осуществляются последовательно три операции. Структурная
схема АЦП приведена на рисунке 2.2
Описание преобразований аналогового сигнала в цифровой в АЦП нужно проиллюстрировать конкретным примером для двух заданных отсчетов сигнала со значениями, равными номеру варианта с положительным знаком и половине номера варианта с отрицательным знаком в условных единицах.
Определим значения дискретных отсчетов сигнала:
Д1 = 33 B и UД2 = - 16,5 B
Длина кодовой комбинации для симметричного
двоичного кода определяется исходя из числа уровней квантования М:
где первый дополнительный элемент служит для кодирования знака номера уровня (полярности кодируемого отсчета), обычно 0-для отрицательных и 1-для положительных значений.
Определим квантованные (разрешенные) значения отсчетов, следующие от нуля в положительную и отрицательную сторону через шаг квантования.
Составим нумерацию всех уровней квантования, начиная от нулевого в положительную и отрицательную стороны.
Заданные отсчеты квантуем, то есть их значения приравниваем к ближайшим квантованным (разрешенным) значениям.
Составляем кодовые комбинации, соответствующие номерам уровней для k=10.
На месте разрядов, которые участвовали
в сумме, ставится элемент «1», а на месте разрядов, не участвовавших в сумме -
элемент «0». Первый (знаковый) элемент для отрицательного числа - «0». Для
положительного - «1».
Таблица2.1
|
Кодовые комбинации номеров уровней |
Номера уровней |
Соответствующие значения напряжений |
|
1000100001 |
17 |
34 |
|
0000001000 |
-8 |
-16 |
Интервал дискретизации Тд сигнала определяется согласно теореме Котельникова, с учетом необходимого защитного частотного интервала в спектре дискретного (АИМ) сигнала (Fд >2∙∆F) и кратности частоты дискретизации частоте 8 кГц. Здесь Fд - частота дискретизации.
д > 2∙F,
F = 600 кГц
Fд >1200
кГц
Учитывая вышесказанные условия, частоту дискретизации берем Fд=1600 кГц.
Длительность интервала дискретизации
определяется по формуле:
мкс.
,
Временная диаграмма цифрового ИКМ
сигнала представлена на рисунке 14
Таблица2.2
|
Uд1= 33 у. е. |
Uкв= 34 |
Nур= 17 |
Код. ком. - Q1(0,1) = 1000100001 |
|
Uд1= -16.5 у. е. |
Uкв= -16 |
Nур= -8 |
Код. ком. - Q2(0,1) = 0000001000 |
Рисунок 14 - Временная диаграмма цифрового ИКМ
сигнала
Кодирование кодом с проверкой на честность
При кодировании помехоустойчивым
(корректирующим) кодом с проверкой на четность, который позволяет обнаружить
все ошибки нечетной кратности, к информационной кодовой комбинации длиной k
элементов добавляется один проверочный элемент - r, доводящий число единиц в
полной кодовой комбинации до четного числа. Проверочный элемент ставится в
конце кодовой комбинации после информационных элементов. Длина кодовой
комбинации кода с проверкой на четность равна:
=10+1=11
где k - длина кодовой комбинации простого кода.
Проверочный элемент определяется
суммой по модулю два всех информационных элементов кодовой комбинации простого
кода:
где Å - сумма по модулю два; , k2, … kк - элементы кодовой комбинации простого кода.
Параметры кода: (k, k+1).
Для кодовой комбинации Q1(0,1) =1000100001,
= 1Å0Å0Å0Å1Å0Å0Å0Å0Å1 = 1
Полная кодовая комбинация кода с проверкой на четность: 10001000011, k=10, n=11,
код(11,10).
Для кодовой комбинации Q2(0,1) =0000001000,
= 0Å0Å0Å0Å0Å0Å1Å0Å0Å0 = 1
Полная кодовая комбинация кода с проверкой на четность: 00000010001, код(11,10)
Структурная схема кодера кода с проверкой на четность показана на рисунке 15
Рисунок 15 - Структурная схема
кодера кода с проверкой на четность (9,8)
Временная диаграмма цифрового сигнала с учетом кодирования кодом
с
проверкой на четность приведена на рисунке 16
Рисунок 16 - Временная диаграмма цифрового
сигнала закодированного кодом с проверкой на четность
Определим длительность тактового интервала,
учитывая, что в канальном интервале передается n- элементная кодовая комбинация
отсчета
Полоса пропускания канала связи равна
Скорость передачи информации
цифрового сигнала равна количеству единичных элементов, передаваемых в единицу
времени (в секунду), без учета передаваемых элементов синхросигнала, не несущих
информации. За интервал дискретизации передается n-элементных кодовых
комбинаций отчетов канальных сигналов.
Таким образом, многоканальная система передачи имеет 10 каналов. Каждый канал содержит 10 информационных символов+1 символ с проверкой на четность.
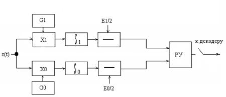
Структурная схема цифрового модулятора
Структурная схема ДЧ модулятора
представлена на рисунке 17
Рисунок 17 - структурная схема цифрового модулятора
G1 - генератор сигнала с частотой ω1, S1(t)=U∙cos(ω1t+φ).
G0 - генератор сигнала с частотой ω0, S0(t)=U∙cos(ω0t+φ).
X - перемножитель сигналов.
Σ - сумматор.
Алгоритм работы цифрового дискретного частотного модулятора приведен в таблице 2.3
При передаче символа "0"
несущий сигнал берется с генератора G0 с частотой ω0. При передаче
символа "1" несущий сигнал берется с генератора G1 на этом единичном
интервале, но с частотой ω1.
Таблица 2.3 - Алгоритм работы
модулятора ДЧМ сигналов
Символ
Первичный
сигнал Uцк(t) на входе модулятора
Вторичный
модулированный сигнал S(t) на выходе модулятора
0
U0(t)=0
U∙cos(ω0t+φ)
1
U1(t)=Uимп
U∙cos(ω1t+φ)
Ширина спектра ДЧМ сигнала определяется по
упрощенной формуле:
DFДЧМ = 4/Ттакт., Гц, или DFДЧМ
= 4×Fтакт.
, Гц.
DFДЧМ
= Спектральная диаграмма ДЧМ сигнала
изображена на рисунке 18
Рисунок 18 - Спектральная диаграмма
ДЧМ сигнала
Временные диаграммы сигналов в
различных точках схемы модулятора приведены в приложении Б.
Структурная схема цифрового
демодулятора
Структурная схема цифрового
демодулятора при оптимальном когерентном приеме ДЧМ сигналов приведена на
рисунке 19
Рисунок 19 - Структурная схема
демодулятора при оптимальном когерентном приеме ДЧМ сигналов
Принятый сигнал с помехой z(t)
следует умножить отдельно на копии передаваемых сигналов S1(t) и S0(t),
произведения проинтегрировать на интервале длительности сигнала t и далее
сравнить результаты интегрирования. По большему из них и выносится решение,
какой же первичный сигнал передавался.
Так если Алгоритм работы демодулятора
приводится в таблице 20
Таблица 20 - Алгоритм работы
демодулятора ДЧМ сигналов
Принимаемый
сигнал S*(t) на входе демодулятора
Первичный
информационный сигнал U*(t) на выходе демодулятора
S*i(t)=U∙cosω1t
U*i(t)=U*1(t)=Uимп т.к.
S*i(t)> S*I+1(t)
S*i(t)=0
U*i(t)=U*2(t)=Uимп т.к.
S*i(t)< S*I+1(t)
Временные диаграммы сигналов в различных точках
схемы демодулятора приведены в приложении Б.
Заключение
Двоичный цифровой сигнал на выходе АЦП ИКМ и
ДИКМ представляет собой последовательность однополярных импульсов длительностью
ТД, соответствующих передаче 1. Спектральная плотность мощности этой случайной
последовательности импульсов теоретически бесконечна, но ее основная часть
расположена в пределах от 0 до fД. Линии радиосвязи имеют примерно постоянную
АЧХ в некоторой полосе, симметричной около несущей частоты. В линиях радиосвязи
применяют те или иные виды вторичной частотной или фазовой манипуляции. При
некогерентном приеме манипулированного сигнала предпочтительно использовать
ЧМн, при когерентном - ОФМн.
В кабельных линиях широко распространена
передача сигналов двухуровневыми импульсами постоянного тока.
Исторически сложилось так, что описанные
аналого-цифровые преобразования называют модуляцией. По существу, это двоичное
кодирование непрерывного сигнала. Более точно считать преобразования,
осуществляемые в АЦП и ЦАП, кодированием и декодированием.
Список литературы
1.
Теория электрической связи. Задание и методические указания на курсовую
работу.- Алматы: АИЭС, 1998.- 11 с.
.
Панфилов И.П., Дырда В.Е. Теория электрической связи.- М.: Радио и связь, 1991
.
Емельянов Г.А., Шварцман В.О. Передача дискретной информации. - М.: Радио и
связь, 1982
.
Передача дискретных сообщений / В.П. Шувалов и др. Под ред. В.П. Шувалова - М.:
Радио и связь, 1990
.
Теория электрической связи. /А.Г. Зюко и др. Под ред. Д.Д. Кловского. - М.:
Радио и связь, 1998
.
Пенин П.И., Филиппов Л.И. Радиотехнические системы передачи информации. - М.: Радио
и связь, 1984.
.
ФС РК 10352-1910-У-е-001-2002 - Фирменный стандарт. Работы учебные. Общие
требования к построению, изложению, оформлению и содержанию. - Алматы: АИЭС,
2002. - 34 с.
=57.6 МГц.
то
передавался сигнал S1(t), которому соответствует первичный сигнал u1 , а при
обратном знаке неравенства - первичный сигнал u0 (при выполнении неравенства
регистрируется символ «1», в противном случае «0») . Это правило отмечено в
алгоритме тем, что возле знака неравенства стоит тот сигнал, в пользу которого
выносится решение.