Материал: Zapiska

Внимание! Если размещение файла нарушает Ваши авторские права, то обязательно сообщите нам

Одинарные главные передачи по виду зубчатых колес подразделяют на конические (с коническими зубчатыми колесами), гипоидные (с гипоидным зацеплением) , цилиндрические (с цилиндрическими зубчатыми колесами) и червячные (с червяком и червячным колесом).

Двойные главные передачи по расположению зубчатых колес подразделяют на центральные (обе пары зубчатых колес расположены в картере центрального редуктора) и разнесенные (одна пара зубчатых колес находится в центральном редукторе, а вторая – в приводе к каждому из ведущих колес).

По числу ступеней главные передачи бывают одноступенчатые (с одним передаточным числом) и двухступенчатые (с двумя переключаемыми передачами с разным передаточным числом).

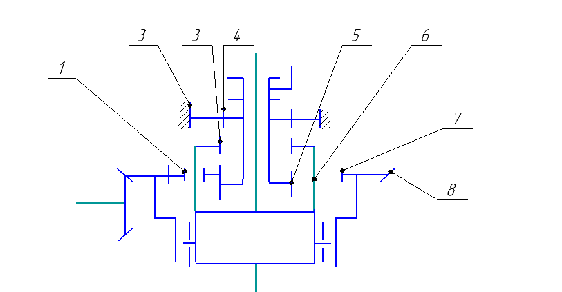
Двухступенчатая главная передача может быть получена за счет установки в ней блокируемого центрального ряда. Схема такой передачи представлена на рисунке 6.1. На указанном рисунке буквой Д обозначен механизм дифференциала.

Рисунок 6.1 – Схема главной передачи

Такая главная передача применяется для одинарных и двойных главных передач. При включении высшей передачи солнечная шестерня 5 входит в зацепление с зубчатым венцом внутреннего зацепления 3, выполненным заодно с водилом 6 (корпусом дифференциала), и вращается как одно целое со скоростью ведомой конической шестерни 8, т.е. планетарный ряд блокируется.

При включении высшей передачи солнечная шестерня зубчатым венцом 44 блокируется с картером 2 главной передачи, благодаря чему коронная шестерня (эпицикл) 7, составляющая одно целое с ведомой конической шестерней 8, вращает через сателлиты 1 водило 6 планетарного ряда, соответственно уменьшая его угловую скорость. Переключение передач осуществляется перемещением солнечной шестерни 5 в осевом направлении.

К недостаткам двухступенчатых главных передач следует отнести некоторую сложность конструкции и то, что без усложнения управления невозможно переключать ступени при движении автомобиля. Кроме того, на многоприводных автомобилях при необходимости синхронного переключения нескольких главных передач усложняется система управления и снижается ее надежность.

В главных передачах регулируют: предварительный натяг подшипников и зацепление конических (гипоидных) зубчатых колес.

Сущность регулировки предварительного натяга подшипников состоит в плотном поджатии, с небольшой деформацией, тел качение и колей подшипника в процессе сборки узла, что повышает жесткость опор и гарантирует отсутствие зазора под действием осевой нагрузки. Регулировке подлежат конические роликовые подшипника. Предварительный натяг контролируется измерением момента, необходимого для проворачивание вала ведущей шестерни главной передачи. Для подшипников конического редуктора главной передачи грузовых автомобилей натяг составляет 0,03…0,05 мм, при этом момент, необходимый для проворачивания шестерен главной передачи, должен быть равен 1…3 Нм.

При регулировке зацепления контролируется зона контакта зубьев и боковой зазор в паре. Регулировка осуществляется перемещением ведущей и ведомой конических шестерен вдоль осей вращения. Зацепление конических шестерен должно быть отрегулировано так, чтобы зубья сопрягаемых шестерен входили в зацепление по всей длине, и между зубьями был боковой зазор порядка 0,15…0,30мм. Этот зазор проверяют по угловому перемещению фланца и на валу ведущей шестерни главной передачи. При этом ведомая коническая шестерня должна быть закреплена.

Правильность зацепления конических шестерен проверяют по расположению пятна контакта на зубьях. Для этой цели на зубья шестерни наносят слой краски, затем шестерни проворачивают. При правильном зацеплении шестерен пятно контакта располагается по середине высоты зуба, с небольшим сдвигом к его узкому концу.

Чтобы ведущие колеса автомобиля могли вращаться с различной частотой, их крепят не на общем валу, а на двух раздельных валах, называемыми полуосями.

5 Функциональный и прочностной расчёт сцепления

5.1 Расчет конической передачи Выбор материала и определение допускаемых напряжений.

В качестве материала для изготовления зубчатого колеса принимаем сталь 40 с последующей термообработкой – улучшение, для которой твердость 220 НВ. Для шестерни принимаем сталь 40ХН с последующей термообработкой- нормализация, для которой твердость 250 НВ.

Допускаемые контактные напряжения

Для колеса:

Для шестерни:

Для дальнейшего расчета принимаем:

(4.1)

Допускаемые напряжения изгиба для шестерни и колес

Для колеса:

.

Для шестерни:

.

5.2 Проектный расчет конической передачи

По ГОСТ 9563-80 выбираем:

Передаточное число конической передачи:

Коэффициент ширины относительно внешнего конусного расстояния: .

Коэффициент концентрации нагрузки: .

Коэффициент, характеризующий понижение прочности зубьев конической передачи.: .

Модуль упругости: - для всех сталей.

Внешний делительный диаметр колеса:

(4.2)

Внешнее конусное расстояние:

, (4.3)

.

Ширина колеса:

, (4.4)

Внешний делительный диаметр шестерни:

, (4.5)

.

Расчет числа зубьев:

, (4.6)

, (4.7)

.

5.3 Проверочный расчёт конической передачи

Коэффициент динамической нагрузки: .

Коэффициент расчётной нагрузки:

, (4.8)

Угол профиля: .

Контактные напряжения:

, (4.9)

,

Недогрузка (перегрузка):

, (4.10)

.

Условие выполняется.

Коэффициент формы зуба:

Для колеса: .

Для шестерни: .

Определяем отношение, в дальнейшем расчёт ведём при том , для которого отношение получилось меньше:

и (4.11)

Для дальнейших расчетов принимаем .

Коэффициент, характеризующий понижение прочности зубьев конической передачи:

Коэффициент концентрации нагрузки:

(4.12)

.

Окружное усилие:

, (4.13)

Напряжения изгиба:

(4.14)

.

Условие выполняется.

6 Техническая характеристика автомобиля

Техническая характеристика рассчитываемого автомобиля приведена в таблице 6.1.

Таблица 6.1 – Техническая характеристика автомобиля

Параметр

Значение

Полная масса автомобиля, кг:

на переднюю ось

на заднюю ось

3600

1360

2240

Количество посадочных мест,

2

Длина автомобиля, см

550

Ширина автомобиля, м

2,3

Высота автомобиля, м

1,948

Колея передних колес, м

1,75

Номинальная мощность двигателя, кВт

110,32

Угловая скорость коленчатого вала при максимальной мощности, рад/с

246,09

Максимальный крутящий момент, Нм

280

Рабочий объем цилиндров двигателя, л

4

Колесная формула

4 2

Размер шин

205/65 R16

Передаточные числа коробки передач:

  1. я передача

  2. я передача

  3. я передача

  4. я передача

  5. я передача

  6. я передача

4,22

3,16

2,37

1,77

1,33

1

Передаточное число главной передачи

3,11

Максимальная скорость движения автомобиля, км/ч

151