МИНИСТЕРСТВО ОБРАЗОВАНИЯ И НАУКИ РОССИЙСКОЙ ФЕДЕРАЦИИ
ФЕДЕРАЛЬНОЕ ГОСУДАРСТВЕННОЕ БЮДЖЕТНОЕ ОБРАЗОВАТЕЛЬНОЕ УЧРЕЖДЕНИЕ
ВЫСШЕГО ОБРАЗОВАНИЯ
«МАГНИТОГОРСКИЙ ГОСУДАРСТВЕННЫЙ ТЕХНИЧЕСКИЙ УНИВЕРСИТЕТ ИМ. Г.И. НОСОВА»
Кафедра автоматизированного электропривода и мехатроники
Лабораторная работа № 1-3
Исследование электромагнитных реле времени, магнитных пускателей, контакторов переменного и постоянного тока
Выполнил:
Проверил:
Магнитогорск, 2019
Цель работы 3
1.Экспериментальная часть 3
2.Расчетная и графическая части 4
3.Порядок выполнения работы 4
Исследование реле РЭВ-811 5
Исследование реле РЭВ-814 14
Исследование магнитного пускателя ПАЕ-311 и контактора КТПВ-522 18
Исследование электромагнитных реле, магнитных пускателей и контакторов постоянного и переменного тока в установившихся и динамических режимах работы.
Изучение особенностей конструкций электромагнитных реле, магнитных пускателей и контакторов постоянного и переменного тока, схемы лабораторной установки и подготовки ее к работе.
Исследование свойств электромагнитного электромагнитных реле, магнитных пускателей и контакторов постоянного и переменного тока в установившихся и динамических режимах работы.
Снять характеристики срабатывания аппаратов. Определить значения напряжения и тока срабатывания (Uср, Iср). Для реле времени определить зависимости тока и напряжения срабатывания (Uср, Iср) от величины зазора (δ) и от натяжения противодействующей пружины (Рпр).
Снять характеристики отпускания аппаратов. Определить значения напряжения и тока отпускания (Uотп, Iотп). Для реле времени снять зависимости тока и напряжения отпускания (Uотп, Iотп), от величины зазора (δ) и от натяжения противодействующей пружины (Рпр).
Снять осциллограмму изменения тока в цепи катушки Iк, при включении и выключении аппаратов (контактора КТПВ-522, реле РЭВ-811, магнитного пускателя ПАЕ-311), замерив падение напряжения на Rд.

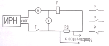
Рисунок 1-Схема лабораторной установки.
Для реле времени построить зависимость Uср, Iср от δ и от Pпр; Uср, Iср = ƒ(δ) ; Uср, Iср = ƒ(Pпр); Uотп, Iотп от δ и от Pпр; Uотп, Iотп = ƒ(δ) ; Uотп, Iотп = ƒ(Pпр); выдержки времени реле t от δ и от Pпр; t = ƒ(δ) ; t = ƒ(Pпр).
Обработать осциллограмму Iк = ƒ(t).
Провести анализ полученных зависимостей и сделать выводы.
До начала эксперимента осуществляется знакомство со схемой лабораторной установки и изучение особенностей конструкции аппаратов.
С помощью соединительных проводов собирается схема установки (Рисунок 1)
Изменяя величину напряжения источника регулируемого напряжения, снимаются значения Iср, Uср, Iотп, Uотп.
Для реле времени изменяя величину напряжения источника регулируемого напряжения, снимаются зависимости Iср, Uср, Iотп, Uотп от величины δ, Рпр.
Изменяя величины зазора δ фиксируется выдержка времени реле. Для этого к катушке реле подводится номинальное напряжение Uн и реле приводится в рабочее состояние, затем, с помощью тумблера Т, цепь катушки разрывается, а выдержка времени фиксируется с помощью секундомера.
Изменяя величину напряжения противодействующей, пружина (Рпр) снимается зависимость выдержки времени электромагнитного реле. Напряжение к катушке подводится номинальное, к реле приводится в рабочее состояние. С помощью тумблера Т цепь катушки разрывается, а выдержка времени фиксируется с помощью секундомера.
Подключить вход электронного осциллографа на добавочное сопротивление Кд подать и снять с помощью тумблера Т напряжение на катушку, равные номинальному. Зная показания амперметра, отградуировать показания осциллографа. Зарисовать кривую переходного процесса нарастания и спадания тока в катушке реле.
Таблица 1-Технические характеристики.
|
Тип реле |
Количество и тип контактов |
Выдержки времени, с (полученные отключением катушки) |
Выдержки времени, с (полученные закорачиванием катушки) |
Габариты, мм |
Масса, кг |
|
РЭВ-811 |
1 замыкающий 1 размыкающий |
0,25…1 |
0,4…1,5 |
150x200x135 |
3,5 |
Таблица 2-Результаты эксперимента, связанного с изменением зазора пружины.
|
Наименование параметра |
Положение резь. винта зазора / величина зазора |
||||
|
1 |
2 |
3 |
4 |
5 |
|
|
1.Напр. сраб. Uсраб, В |
80 |
75 |
72 |
67 |
55 |
|
2.Напр. возвр. Uвозвр, В |
1,15 |
1,1 |
1,05 |
0,95 |
0,8 |
|
3. Ток сраб. Iсраб, А |
46 |
44 |
42 |
39 |
31 |
|
4. Ток возвр. Iвозвр, А |
0,727273 |
0,666667 |
0,606061 |
0,545455 |
0,484848 |
|
5. Коэф. Возвр Kв, о.е. |
0,015 |
0,014667 |
0,013889 |
0,013433 |
0,014545 |

Рисунок 2-Зависимость напряжения срабатывания от величины зазора (табл. 2).

Рисунок 3-Зависимость тока срабатывания от величины зазора (табл. 2).

Рисунок 4-Зависимость напряжения возврата от величины зазора (табл. 2).

Рисунок 5-Зависимость тока возврата от величины зазора (табл. 2).

Рисунок 6-Зависимость коэффициента возврата от величины зазора (табл. 2).
Таблица 3-Результаты эксперимента, связанного с изменением натяжения пружины.
|
Наименование параметра |
Натяжение пружины |
||||
|
1 |
2 |
3 |
4 |
5 |
|
|
1.Напр. сраб. Uсраб, В |
35 |
40 |
42 |
45 |
50 |
|
2.Напр. возвр. Uвозвр, В |
1,1 |
0,7 |
0,6 |
0,5 |
0,4 |
|
3. Ток сраб. Iсраб, А |
20 |
22 |
23 |
25 |
28 |
|
4. Ток возвр. Iвозвр, А |
0,37931 |
0,241379 |
0,206897 |
0,172414 |
0,137931 |
|
5. Коэф. Возвр Kв, о.е. |
0,031429 |
0,0175 |
0,014286 |
0,011111 |
0,008 |

Рисунок 7-Зависимость напряжения срабатывания от натяжения пружины (табл. 3).

Рисунок 8-Зависимость тока срабатывания от натяжения пружины (табл. 3).

Рисунок 9-Зависимость напряжения возврата от натяжения пружины (табл. 3).

Рисунок 10-Зависимость тока возврата от натяжения пружины (табл. 3).

Рисунок 11-Зависимость коэффициента возврата от натяжения пружины (табл. 3).
Таблица 4- Результаты экспериментальных исследований реле РЭВ-811
|
РЭВ-811 |
||||
|
Изменяемый параметр |
tср,с |
tв, с |
||
|
δ |
1 |
0,032 |
1,76 |
|
|
2 |
0,039 |
1,753 |
||
|
3 |
0,046 |
1,75 |
||
|
4 |
0,06 |
1,742 |
||
|
5 |
0,08 |
1,74 |
||
|
Pпр |
1 |
0,03 |
1,26 |
|
|
2 |
0,035 |
1,15 |
||
|
3 |
0,045 |
1,1 |
||
|
4 |
0,04 |
0,95 |
||
|
5 |
0,06 |
0,34 |
||

Рисунок 12-Зависимость времени срабатывания от величины зазора пружины реле РЭВ- 811 (табл. 4).

Рисунок 13-Зависимость времени возврата от величины зазора пружины реле РЭВ- 811 (табл. 4).

![]()
Рисунок 14-Зависимость времени возврата от натяжения пружины реле РЭВ- 811 (табл. 4).

![]()
Рисунок 15-Зависимость времени срабатывания от натяжения пружины реле РЭВ- 811 (табл. 4).
Осциллограммы для реле РЭВ-811

Рисунок 16- Включение реле РЭВ-811

Рисунок 17- Отключение реле РЭВ-811
Вывод: можно сказать о том, что чем сильнее натяжение пружины и чем больше расстояние между якорем и сердечником, тем больший ток нужно пропустить через обмотку реле для создания электромагнитной силы, достаточной для преодоления увеличенной противодействующей силы пружины. При увеличении натяжения пружины и расстояния между якорем и сердечником ток срабатывания реле увеличивается, следовательно, чем больше зазор, тем больший ток возврата необходимо подать для притяжения якоря. Также при включении реле ток представляет собой возрастающую экспоненту, в случае начала движения якоря воздушный зазор уменьшается магнитный поток возрастает и в обмотке появляется противоЭДС, которая задерживает нарастание тока, это продолжается до момента остановки сердечника,а при отключении ток начинает убывать при этом воздушный зазор увеличивается, индуктивность в обмотки уменьшается, магнитный поток резко убывает и обмотке возникает противоЭДС, которая задерживает убывание тока, до момента остановки якоря. Далее ток убывает по экспоненте до нуля.