Материал: FvvJHp7pSQ

Внимание! Если размещение файла нарушает Ваши авторские права, то обязательно сообщите нам

11

Это значение соответствует коэффициенту шума

Kш =(Nem2–2m/12+σ2фл)/σ2фл,

который соответствует потере информации о параметре смещения 0,007 бит при m = 12, 0,1 бит при m = 10 и 0,9 бит при m = 8. Эта потеря информации существенно меньше потери информации о форме сигнала, которая при m = 12 составляет ¼ бит/пиксел, что для измерительной строки с 103 пикселов составит примерно 250 бит.

Можно показать, что для типового значения интервала корреляции сигнала 16 пикселов среднеквадратическое значение ошибки измерения смещения составляет ε 8×10–3 m = 2×10–3 . Указанное значение ошибки измерения смещения можно рассматривать как среднее по различным сюжетам: смещение изображения с очень плавными изменениями яркости будут измеряться с большими ошибками, смещения изображений со многими перепадами яркости – с меньшими ошибками. Оцененное значение ошибки совмещения должно обеспечить накопление в основном массиве фотоприёмных элементов без потери разрешающей способности, т. е. обеспечить смаз не более s ≤ /Ne½, что для типовых матричных фотоприёмников составляет 2…7×10–3 . Таким образом, рассмотренная структура и определённые параметры обеспечивают совпадение требуемой и достижимой точности измерения смещения.

Можно считать, что априорный интервал возможных сдвигов за время считывания измерительной строки составляет m/2. Тогда оптимальная с точки зрения минимума информационного риска разрядность кода оценки смещения составляет

m log2*(a/ ),

что для приведённого примера составляет 7 разрядов (* обозначает ближайшее большее целое число). Так как потеря полезной информации из-за квантования сигнала при mχ = 12 чрезвычайно мала, а при mχ = 8 ведёт к недопустимой потере информации (ошибка измерения смещения возрастает почти в два раза), то компромиссным значением является mχ = 10, при котором потеря информации о параметре сдвига составляет 0,1 бита из 7. С учётом вариации значения ошибки при вариации статистик изображения на практике рационально использование вычислителя с разрядностью оценки смещения mχ = 8.

Коррелятор является самой сложной частью синтезируемой системы измерения смещения сигнала. Будем считать, что априорное значение смещения изображения от измерения к измерению составляет а m, т. е. а пикселов. При этом количество значений вычисляемых коэффициентов корреляции составляет n = 2а* + 1. В прецизионной следящей системе стабилизации изображения частота измерения должна выбираться достаточно большой для того, чтобы смаз изображения не проявлялся. Для этого необходимо, чтобы выполнялось условие а < 1. Вычисления заметно упрощаются, если обеспечивается условие а < 0,5. Отметим, что значение

12

смещения изображения на пол пиксела за время кадра было зафиксировано как эмпирическая оценка без учёта обработки изображений и стабилизации растра. Малое значение сдвига сигнала за время считывания измерительной строки ведёт к необходимости и достаточности вычисления взаимной корреляции в трёх точках: с нулевым сдвигом и со сдвигом на пиксел влево и вправо.

Сложность вычисления взаимной корреляции соседних строк во многом связана с операцией умножения. Для облегчения аппаратной реализации коррелятора целесообразно перейти от прямого вычисления произведений разных сигналов к несколько более просто организуемой операции возведения в квадрат. Возможность такой реализации определяется всем известной формулой

M y(x) y(x ) 2 2K(0)

1

K( )

 

 

 

 

K(0)

 

 

 

Данная формула изменяет структуру вычислителя, который изменяет смысл формируемых трех статистик: теперь это значения дисперсий разностных сигналов, D–1, D0, D1, разрядность которых 2m + logJτ/Δ:

предыдущей строки и сдвинутой на пиксел влево текущей строки D–1,

предыдущей строки и текущей строки D0,

предыдущей строки и сдвинутой на пиксел вправо текущей строки D1.

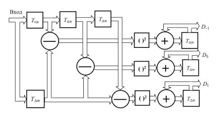
При любом из этих способов вычисления корреляции в схему коррелятора входит устройство задержки на строку и три устройства задержки на элемент (рис. 4) с совокупной сложностью (J+3)m.

Рис. 4. Функциональная схема коррелятора с вычислением дисперсий приращения сигналов

Сложность коррелятора при прямом методе вычислений определяется сложностью входящих в него умножителя и накапливающего сумматора

Wк ≈ (J + 3)m + 3(m2 + m) + 4(2m + logJτ/Δ).

В диссертационной работе была выявлена необходимость учета аппроксимации ВКФ при малых смещениях полиномом 4 степени. Учет

13

данной аппроксимации позволит существенно повысить точность оценки смещения.

В целом, аппроксимирующая кривая ВКФ может быть определена и полиномом более высокой степени. Рассмотрим эффективность аппроксимации ВКФ при малых смещениях в зависимости от степени полинома. В качестве критерия качества возьмем показатель эффективности использования вычислительных ресурсов RI(3), связывающий потерю полезной информации I (в данном случае – потерю точности измерения смещения) с вычислительной сложностью W:

RI(3) C0 I C1W .

Здесь потеря полезной информации I определяется как:

 

 

 

 

 

I log2

 

пр

,

 

 

 

 

 

 

 

 

 

 

 

 

 

т

 

 

 

 

 

 

 

 

 

 

 

 

 

 

 

 

 

 

 

 

 

 

 

 

 

 

 

 

 

 

 

 

 

 

где

εпр – практическая

ошибка

оценки

 

смещения,

εт – теоретически

достижимая минимальная ошибка оценки смещения.

 

 

 

 

 

Рис. 5 показывает, что оптимальным полиномом для аппроксимации

ВКФ

при субпиксельных смещениях

является

полином 4 степени.

 

 

 

 

 

 

 

 

 

 

 

W

 

 

 

 

 

 

I 6

 

 

 

 

 

 

 

 

 

 

 

 

 

 

 

 

 

 

 

 

 

16000

 

 

 

5

 

 

 

 

 

 

 

 

 

 

 

14000

 

 

 

 

 

 

 

 

 

 

 

 

 

 

 

 

 

 

 

 

 

 

 

 

 

 

 

 

 

 

12000

 

 

 

4

 

 

 

 

 

 

 

 

 

 

 

10000

 

 

 

 

 

 

 

 

 

 

 

 

 

 

 

 

 

 

3

 

 

 

 

 

 

 

 

 

 

 

8000

 

 

 

2

 

 

 

 

 

 

 

 

 

 

 

6000

 

 

 

 

 

 

 

 

 

 

 

 

 

 

 

 

 

 

 

 

 

 

 

 

 

 

 

 

 

 

4000

 

 

 

1

 

 

 

 

 

 

 

 

 

 

 

2000

 

 

 

 

 

 

 

 

 

 

 

 

 

 

 

 

 

 

0

1

2

4

 

 

 

6

 

N

 

0

 

 

 

 

 

 

 

 

 

 

 

 

 

 

 

 

 

 

 

Рис. 5. Зависимость потери полезной информации (ошибки оценки смещения) I (штриховая линия), сложности W (при m = 10, жирная линия) и показателя эффективности использования вычислительных ресурсов RI(3) (светлая линия) от степени аппроксимирующего полинома ВКФ (N) при субпиксельных смещениях

Аппроксимация полиномом 2 степени дает недостаточную точность, в то время как аппроксимация полиномом степени большей 4 при значительном увеличении вычислительной сложности приводит к незначительному уменьшению ошибки оценки смещения.

14

Рассмотрим алгоритм нахождения оценки смещения в случае интерполяции ВКФ полиномом 4 степени:

1. Положение минимума функций, построенной по значениям дисперсий, будет определять искомую оценку смещения. Для нахождения данного минимума, прежде всего, следует решить систему линейных уравнений:

y1 ax14 bx13 cx12 dx1 e

 

y2 ax 2 4 bx 2 3

cx 2 2

dx 2 e

 

 

y3

ax 3 4

bx 3 3 cx 3 2 dx 3 e

 

.

y4 ax

4

 

3

cx 4

2

dx 4

e

 

4

bx 4

 

 

 

y

5

ax

4

bx

5

3 cx

5

2 dx

5

e

 

 

 

5

 

 

 

 

 

 

 

В данном случае неизвестными являются коэффициенты a, b, c, d, e. Для нахождения данных неизвестных требуется знать 5 точек, описывающих полином 4 степени: {x1; y1}, {x2; y2}, {x3; y3}, {x4; y4} и {x5; y5}. В нашем случае {x1; y1} = {- m; D–1}, {x2; y2} = m; D1}, {x3; y3} = {0; D0}, {x4; y4} =

{-2Δm; D-2}, {x5; y5} = {2Δm; D2}. Здесь D–2 – дисперсия разности предыдущей строки и сдвинутой на два пиксела влево текущей, D–1 – дисперсия разности предыдущей строки и сдвинутой на пиксел влево текущей, D0 – дисперсия разности предыдущей строки и текущей строки, D1 – дисперсия разности предыдущей строки и сдвинутой на пиксел вправо текущей строки, D2 – дисперсия разности предыдущей строки и сдвинутой на два пиксела вправо текущей строки.

Таким образом, мы получили систему из 5 уравнений с 5 неизвестными. Можно решить данную систему различными методами, однако с точки зрения уменьшения количества математических операции в данном случае хороший результат даст метод Гаусса. Данное решение тривиально и его нет смысла приводить в тексте диссертации, отмечу лишь, что для решения данной системы по методу Гаусса требуется около 56 сложений, 64 умножения и 19 делений, что совсем немного по сравнению с другими методами.

2. После нахождения коэффициентов a, b, c, d, e, можем записать уравнение описывающее полином 4 степени:

y ax 4 bx3 cx2 dx e.

Далее по стандартному алгоритму находим точки экстремума данного уравнения, одна из которых будет являться искомым минимумом, а две других, точками перегиба.

Интерполяция полиномом 4 степени значений дисперсий D–2 , D–1, D0, D1, D2 обеспечивает потенциальную точность измерения смещения, и, в конечном счёте, стабилизацию изображений с маскированием шумом смаза изображения, не смотря на возмущения визирной оси телекамеры.

15

В диссертационной работе также был разработан алгоритм повышения частоты измерения смещения изображения, основанный на целесообразности реализации системы измерения смещения изображения в виде ВСнК с распараллеливанием считывания видеосигналов с линейных фотоприемников

(рис. 6).

Рис. 6. Структурная схема виброустойчивой системы формирования изображений с использованием СБИС ВСнК для стабилизации изображения с распараллеливанием считывания видеоинформации из вспомогательных фрагментов формирования оценок смещения изображений

Глава ΙV целиком посвящена апробации и внедрению разработанных методов. В ней представлены результаты, полученные в ходе проведения различных практических экспериментов и позволяющие оценить достоверность используемых подходов. Пример изображения, используемого в исследовании, и осциллограмма измерительной строки представлены на рис.7.

Рис. 7. Пример изображения, используемого в исследовании (слева), и осциллограмма измерительной строки (справа)

По результатам проведенных экспериментов получены практические данные о форме аппроксимирующей кривой АКФ изображений (рис. 8), а