3
)
строим люк перпендикулярно поверхности
крышки. Для этого необходимо включить
привязку
(нормаль к кривой), провести ось люка
длиной, равной высоте люка-лаза (190 мм)
из точки пересечения предыдущей прямой
и кривой эллипса, заданной длины (высоты
люка), не заканчивая линии, перпендикулярно,
провести линию, длиной, равной радиусу
люка (200 мм), и снова провести прямую
перпендикулярно, до пересечения с
крышкой аппарата и чуть дальше. Лишнее
необходимо убрать.
З
атем,
нажать
(или ‘Esc’
на клавиатуре), правой кнопкой мыши по
свободному месту и «Закончить эскиз»;
4) инструментом Вращение осуществить вращение контура стенки люка вокруг его оси (синий – контур стенки люка, желтый – ось вращения);

5)
затем пересечем поверхности люка и
корпуса (
)
и отсечем ненужные куски поверхностей
(
- удалить грань на поверхности).
Чтобы добраться до скрытых внутри поверхностей, некоторые поверхности можно скрыть, а ненужные удалить (все в режиме Выбора).

Чтобы
посмотреть под другим ракурсом, можно
нажать
(вращение вида) или клавишу Пробел
на клавиатуре и повертеть мышкой. Удалить
ненужные участки;

6) затем можно сшить люк с корпусом, сделав корпус видимым;

7
)
сделаем люку крышку. Для этого построим
Рабочую
плоскость,
в которой мы будем работать: нажимаем
кнопку
(рабочая плоскость) и выбираем ориентиры:
первый – точка, которая будет началом
координат новой плоскости, вторым –
может быть точка, прямая, другая плоскость,
причем по отношению к прямым может быть
как перпендикулярна, так и параллельна.
Затем, щелкая правой кнопкой мыши по
контуру Рабочей
плоскости,
начинаем «Новый эскиз».
Д
ля
того чтобы плоскость Нового эскиза
сделать параллельной плоскости экрана
перпендикулярно взгляд, необходимо
нажать кнопку
(показать плоскость).

В
данной плоскости нарисуем любой замкнутый
контур (окружность, многогранник…), по
размерам больший, чем находящийся ниже
лаз.
Затем,
выйдя из редактирования эскиза, с помощью
инструмента
(контурная плоскость) создаем на основе
данного замкнутого контура плоскость.

Пересекаем полученную плоскость с поверхностью люка и отсекаем ненужную часть. Сшиваем крышку и корпус.

Б. Построение люка с помощью выталкивания
1) как и в случае построения люка вращением, необходимо, построить ось люка-лаза длиной, равной высоте лаза (у нас 190 мм):

2) построить Рабочую плоскость в точке на конце оси:


3) в построенной Рабочей плоскости создать Новый эскиз, а в нем построить окружность с центром (0,0) и радиусом равным радиусу люка (например, 200 мм). Закончить эскиз.
4)
выбрать инструмент
(выталкивание), выбрать контур нашей
окружности, Дистанция
200,
направление – Назад,
Создать
нижнюю крышку,
ОК.


Для просмотра модели с различных углов просмотра можно нажать клавишу Пробел и повертеть мышкой с нажатой левой кнопкой. После отпускания клавиши Пробела восстанавливается выбор того же инструмента, который был последним;
5)
далее необходимо показать скрытую ранее
поверхность основного корпуса и пересечь
ее с поверхностью люка-лаза (
);
6) скрыть нужные и удалить ненужные поверхности:

7)
сшить поверхности корпуса и люка (
):

Построение рубашки аппарата
Если конструкция аппарата предусматривает наличие рубашки, то её тоже возможно изобразить в расчетной модели и рассчитать корпус аппарата с её учётом. Параметры рубашки аппарата представлены на рис. 8.3.

Рис. 8.3. Габаритные размеры корпуса аппарата с рубашкой
Для
добавления рубашки к аппарату необходимо
открыть на редактирование эскиз основного
корпуса и добавить контур образующей
рубашки. Выполнить скругления углов
соответствующими радиусами. Закрыть
эскиз.
Далее
вращением контура (
)
создать поверхность рубашки.
Поверхности
аппарата и рубашки пересечь инструментом
,
затем сшить (
)
только образовавшиеся части корпуса,
не сшивая с ним рубашки (для этого
предварительно скрыть рубашку). Несшитые
корпус и рубашка необходимы затем для
помещения их в отдельные слои при задании
нагрузок в программе Structure3D.
Построение опор-лап аппарата
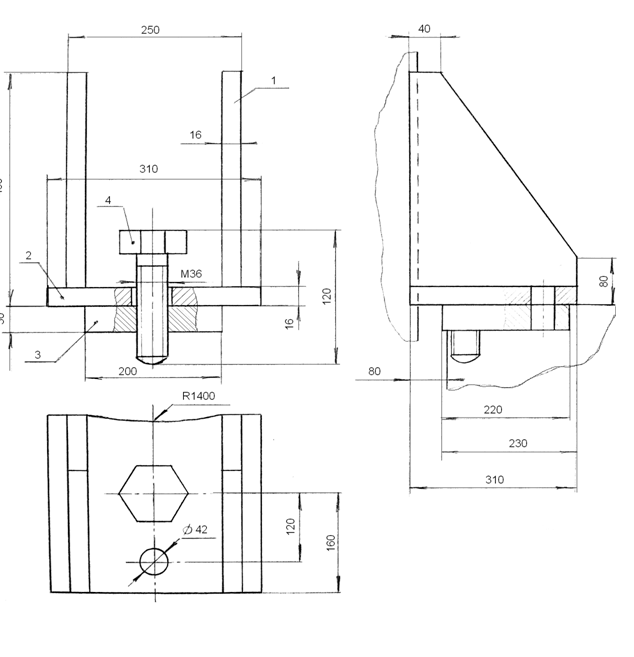
Опоры-лапы
рассчитываемого аппарата строим согласно
размерам на представленном ниже чертеже.
Для простоты построение будем выполнять
на аппарате без рубашки.
Рис.
8.4. Размеры опор-лап:
1 - косынка; 2 - основание; 3 – подкладной лист; 3– подкладной лист
1)
начинаем с построения Рабочей плоскости,
содержащей основания опор (например,
расстояние от верхней кромки обечайки
аппарата до плоскости опоры аппарата
равно 800 мм). Для этого на основном эскизе
нарисуем отрезок от верха цилиндрической
части вниз на 800 мм, затем от конца данной
линии проводим отрезок до оси аппарата;
2)
на пересечении построенной линии и оси
поставить точку
(рисовать узел) и закончить эскиз.
Если необходимо, скройте поверхности,
закрывающие обзор;
3)
построить Рабочую плоскость (
)
через точку пересечения (будет началом
координат) и параллельно координатной
плоскости, изображенной маленьким
квадратиком (перпендикулярная
нарисованному отрезку);
4) в построенной рабочей плоскости создадим новый эскиз и изобразим в нем контур опор – лап в виде прямоугольника по размерам согласно чертежу (рис. 8.4), выступы опорного листа пока не рисуем;
5)
инструментом
(выталкивание) выделить элементы,
составляющие основной контур опоры;
Дистанция
2620 (диаметр аппарата плюс удвоенная
длина выступа опор, 2000+2*310=2620); Оба
направления;
6)
делаем видимым основную поверхность
корпуса и пересекаем (
)
её с поверхностью опор. Скрываем
поверхность корпуса и удаляем лишнюю
часть. Сшить (
)
все поверхности, в том числе ограниченные
прямоугольным коробом:

Верхнюю
грань прямоугольного короба необходимо
удалить, для этого используем инструмент
(удалить грань на поверхности):

7)
добавим к опоре выступы опорного листа.
Для этого на эскизе контура опор дорисуем
отрезки (длиной 55 мм в нашем случае)
слева и справа. Затем выталкиванием (
)
построить
поверхности на то же расстояние, как и
остальная часть опор (2620 мм) в обе стороны.
Далее пересечь (
)
данные поверхности с корпусом аппарата,
удалить лишнее и сшить с корпусом:

8) срежем вертикальные листы опор лап под углом (согласно чертежу). Для этого:
а)
построим Рабочую плоскость (
)
с началом координат в точке наружного
нижнего угла вертикальной части опоры
параллельно данной части опоры;
б)
создадим новый эскиз в данной рабочей
плоскости и отметим точки, необходимые
для построения вертикальных плоскостей,
определяющих границы опор. Для этого
инструментом
(рисовать узел) отметим необходимые
точки по координатам и соединим их
отрезком (
).
Закончим редактирование эскиза:

в)
из нарисованного отрезка выталкиванием
(
,
на дистанцию более ширины опоры, например
350 мм) получаем плоскость, которой
пересечением (
)
с опорой отсекаем треугольные участки
от заготовки опоры-лапы, удаляем лишнее:
