Лабораторнаяработа№ 6
СОЗДАНИЕ РАСЧЕТНОЙ СХЕМЫ ПРОСТРАНСТВЕННОГО КАРКАСА
Цель работы
Получ ть навыки и умение моделирования пространственной схемы каркаса цеха, задан я упругого основания, использования вариантов конст-
руирован , подбора арматуры для пластинчатых элементов каркаса, выпол- |
|
задания |
|
нять подбор проверку стальных сечений стержневых элементов каркаса, |
|
Снагрузок |
сейсмического воздействия, составления таблиц РСУ и |
Р Н. |
|
б |
|
Задан е |
сходные данные |
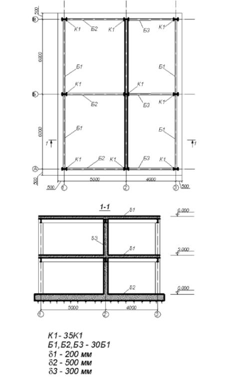
Пространственный каркас c фундаментной плитой на упругом основании с коэфф ц ентом постели С1 = 1000 т/м3.
|
А |
||
Материал рамы – сталь, материал плит и диафрагмы - железобетон В30. |
|||
Расчет производится для сетки 18 х 24. |
|||
Нагрузки: |
|
Д |
|
загружение 1 – собственный вес; |
|||
|
|||
загружение 2 – постоянная равномерно распределенная g1 = 1.5 т/м2, приложенная на перекрытия 1-го и 2-го этажа; постоянная равномерно распределенная g2 = 2 т/м2, приложенная на основание;
И
6
Си б А Д
загружение 3 – снеговая g3 = 0.08 т/м2. И
загружение 4 – сейсмическое воздействие. Сейсмичность площадки 7 балов, категория грунта 1.
Неблагоприятное направление сейсмического воздействия – вдоль меньшей стороны здания.
Сечения элементов рамы:
балки – двутавр с параллельными гранями полок типа Б (балочный), профиль 30Б1;
7
колонны – двутавр с параллельными гранями полок типа К (колонный), профиль 35К1;
плиты перекрытия толщиной 200 мм;
диафрагма толщиной 300 мм;
основание – фундаментная плита толщиной 500 мм. Данные ИГИ у преподавателя.
Порядок выполнения работы
Алгор тм решен я рам в ПК ЛИРА-САПР с учетом упругого основания, сейсмического воздейств я представлены в учебном пособии «Расчеты конст-
|
в ПК ЛИРА-САПР» |
|
рукций |
|
|
Сhttps://drive.google.com/open?id=1IORegmLkNXTERhSdF RjScjxzWfxzVXi |
||
https://drive.google.com/open?id=1hdENfpay418lj3LUZ fVD63KiSv7rzKb. |
||
|
Контрольные вопросы к лабораторным работам № 6 |
|
1. |
Создан е коорд нац онных осей. |
|
2. |
Модел рован е процесса возведения конструкции. |
|
3. |
Создан е конечно-элементной модели. |
|
4. |
ЛИРА |
|
Использование контекстной вкладки «Работа с пластинами». |
||
5. |
Выполнениебрасчёта конструкции. |
|
6. |
Импорт расчётной схемы в ПК |
-С ПР. |
7. |
Расположение на схеме участков дополнительного армирования. |
|
8. |
Панель инструментов «Выбор». |
|
9. |
Как выполняется просмотр результатов статического расчёта? |
|
10. Редактирование монтажной таблицы. |
|
|
|
Лабораторнаяработа№ 7 |
|
|
|
И |
|
РАСЧЕТ МАЧТЫДВ ГЕОМЕТРИЧЕСКИ |
|
|
НЕЛИНЕЙНОЙ ПОСТАНОВКЕ |
|
Цель работы
Получить навыки и умение моделировать работу конструкций с учетом геометрической нелинейности в ПК ЛИРА-САПР.
Задание и исходные данные
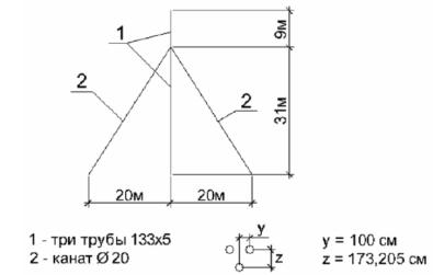
Схема мачты и ее закрепление показаны на рисунке. Металлическая мачта высотой 40м.
Сечения элементов мачты: стойка – три трубы 133x 5 растяжки – канат, профиль – 20.
8
Нагрузки:
Загружение 1 – собственный вес; сосредоточенная сила g1=0,15 тс/м2 , приложенная на два верхних узла;
Загружение 2 – ветровая нагрузка, II ветровой район, тип местности А
Си Порядокбвыполнения ра оты
Алгоритмы расчета строительных конструкций при динамических воздействиях с учетом геометрической нелинейности представлены в учебном по-
собии «Расчеты конструкций в ПК |
-С ПР» |
|||
|
|
|
Д |
|
https://drive.google.com/open?iЛИРАd=1IORegmLkNXTERhSdF RjScjxzWfxzVXi |
||||
https://drive.google.com/open?id=1hdENfpay418lj3LUZ fVD63KiSv7rzKb. |
||||
|
|
Контрольные вопросы к лабораторным работам № 7 |
||
1. |
|
|
|
И |
Задание параметров для расчёта рамы на устойчивость. |
||||
2. |
Использование вкладки «Расчёт». |
|
||
3. |
Задание жесткостных параметров. |
|
||
4. |
Как производится конструирование колонны железобетонной рамы? |
|||
5. |
Просмотр результатов динамического расчёта. |
|||
6. |
Использование вкладки «Анализ». |
|
||
7. |
Задание параметров материалов. |
|
||
8. |
Каким образом выполнить вызов чертежа железобетонной колонны? |
|||
9. |
Задание параметров упругого основания. |
|||
10. |
Анализ результатов динамического расчёта. |
|||
11. |
Использование вкладки «Расширенный анализ». |
|||
12. |
Задание нагрузок |
|
|
|
13. |
Что такое расчётные сочетания усилий? |
|||
9
|
|
Список литературы |
|
1. |
Чакурин, И.А. |
Статический расчет конструкций численными методами |
|
[Электронный ресурс] : учебное пособие / И.А. Чакурин, А.А. Комлев, С А. Макеев ; |
|||
– Омск : СибАДИ, 2017. – Режим доступа: http://bek.sibadi.org/fulltext/esd391.pdf. |
|||
2. |
Карасева, Р.Б. Численные методы [Электронный ресурс] : учебное по- |
||
собие |
/ Р.Б. Карасева. – Омск : СибАДИ, 2017. – Режим доступа: |
||
http://bek.sibadi.org/fulltext/Esd419.pdf. |
|||
С |
|
|
|
3. |
Маилян, Р.Л. Строительные конструкции : учебное пособие / Р.Л. Маи- |
||
лян, Д.Р. Маилян, Ю.А. Веселев. – 2-е изд., доп. и перераб. – Ростов-на-Дону : Фе- |
|||
никс, 2008. – 875 с. |
|
|
|
4. |
Плевков, В.С. Железобетонные и каменные конструкции сейсмостойких |
||
зданий |
сооружен й : учебное пособие / В.С. Плевков, А.И. Мальганов, И.В. Бал- |
||
готовки |
|
||
дин; ред. В. . Плевков. – М. : АСВ, 2012. – 290 с. |
|||
5. |
Волосух н, В.А. Строительные конструкции : допущено Министерством |
||
сельского хозяйства РФ в качестве уче ника для студентов вузов по направлению под- |
|||
|
"Пр родоо устройство и водопользование" / В.А. Волосухин, С.И. Евтушенко, |
||
Т. Н. Меркулова. – 4-е зд., |
|
. и доп. – Ростов н/Д : Феникс, 2013. – 554 с. |
|
6. |
СП 16.13330.2017. Стальные конструкции. Правила проектирования. |
||
7. |
СП 63.13330.2012. Железо етонные конструкции. |
||
8. |
СП 64.13330.2017. Деревянные конструкции. |
||
9. |
СП 20.13330.2016. Нагрузки и воздействия. |
||
|
А |
||
10. СП 14.13330.2014. Строительство в сейсмических районах СНиП II-7- |
|||
81* (актуализированного СНиП II-7-81* "Строительство в сейсмических районах" |
|||
(СП 14.13330.2011))перераб(с Изменением N 1). |
|||
|
|
|
Д |
|
|
|
И |
10