Материал: 5

Внимание! Если размещение файла нарушает Ваши авторские права, то обязательно сообщите нам

Использование резонансных цепей позволяет приблизиться к условию отсутствия тока на транзисторах при отключении, так как колебания в резонансных контурах обеспечивают эти условия в определенные моменты времени. Получение синусоидальных токов или напряжений может быть достигнуто установкой конденсаторов соответствующей емкости параллельно силовым транзисторам, обмоткам трансформатора, установкой цепочки из дросселя и конденсатора в различных участках цепей преобразователя ВИП (рис.5.16).

Резонансную частоту выбирают больше частоты преобразования, что позволяет выключать транзисторы при переходе колебаний тока через ноль до включения следующего транзистора. Уровень помех от преобразователя снижается на 7–12 дБ [2.3].

Для устранения выбросов напряжения кроме конденсаторов, RC-цепей используются также ограничительные диоды, стабилитроны, варисторы, устанавливаемые параллельно силовым транзисторам, катушкам индуктивности, обмоткам трансформаторов. Функционирование этих элементов в схемах аналогично работе, рассмотренной в параграфе 5.1.

а б

Рис.5.16. Схемы резонансных преобразователей

Для увеличения сопротивления цепи распространения помех устанавливаются фильтры на входе и выходе ВИП, высокочастотные дроссели в различных цепях.

Выбор элементной базы также существенно влияет на уровень создаваемых помех. Входные выпрямители должны выполняться на высокочастотных диодах (например, КД 230, КД206), что позволяет снизить уровень помех на 10–20 дБ по сравнению с выпрямителем на низкочастотных диодах. Силовая импульсная часть ВИП должна выполняться на полупроводниковых приборах с малым временем восстановления запирающих свойств. Сглаживающие фильтры должны содержать высокочастотные элементы, обеспечивающие не только сглаживание пульсаций напряжения, но и подавление помех.

5.3.2. Конструкторские средства снижения уровня кондуктивных помех

Установка специальных экранирующих элементов позволяет снизить помехи при работе активных элементов преобразователя ВИП. Установка шайбы-экрана между силовым транзистором и радиатором (рис.5.17) дает возможность локализовать помехи, обеспечив возврат тока помехи на транзистор, уменьшает емкость связи транзистора с радиатором и токи помех в корпусе и цепях заземления. Шайба-экран соединяется с эмиттером транзистора, что замыкает ток помехи, возникающий при выключении транзистора, между коллектором и эмиттером, уменьшая ток, наводимый в цепи заземления радиатора и корпуса [5.1].

а б

Рис.5.17. Снижение уровня создаваемых помех в цепи преобразователя: а – установка шайбы-экрана между транзистором и радиатором; б – соединение шайбы-экрана с эмиттером транзистора

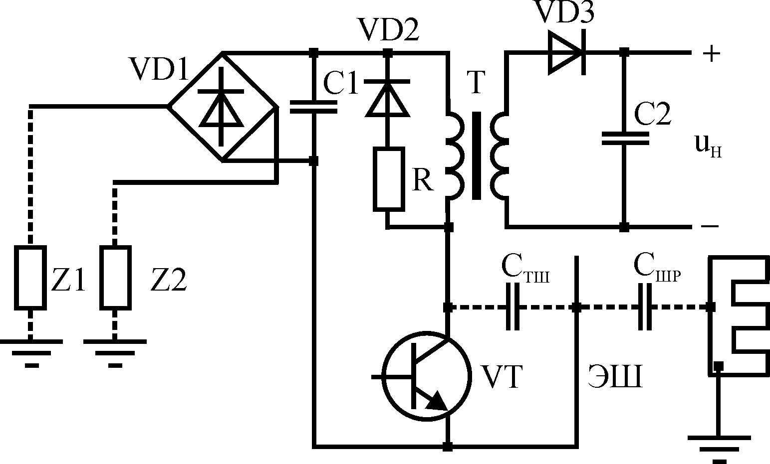
Установка межобмоточных экранов в трансформатор преобразователя значительно снижает передачу помех через трансформатор от одной части схемы к другой. Экран может представлять один незамкнутый слой фольги. Возможно применение двух экранов, каждый из которых может соединяться с разными цепями (трансформатор Т на рис.5.18). Установка экранов уменьшает емкость между обмотками, что приводит к уменьшению передаваемых помех. Экран Э1 локализует помехи, создаваемые транзистором VT, а экран Э2 –помехи от диода VD2. Расположение и соединение элементов также влияет на уровень создаваемых помех. Следует перевивать пары проводников, по которым импульсные токи протекают в противоположных направлениях, и уменьшать площадь контуров цепей с импульсными токами. Должно обеспечиваться максимальное разнесение входной, выходной цепи и помехонесущих элементов. Соединение магнитопровода трансформатора с положительной шиной питания, а радиатора транзистора с его эмиттером также позволяет снизить уровень создаваемых помех

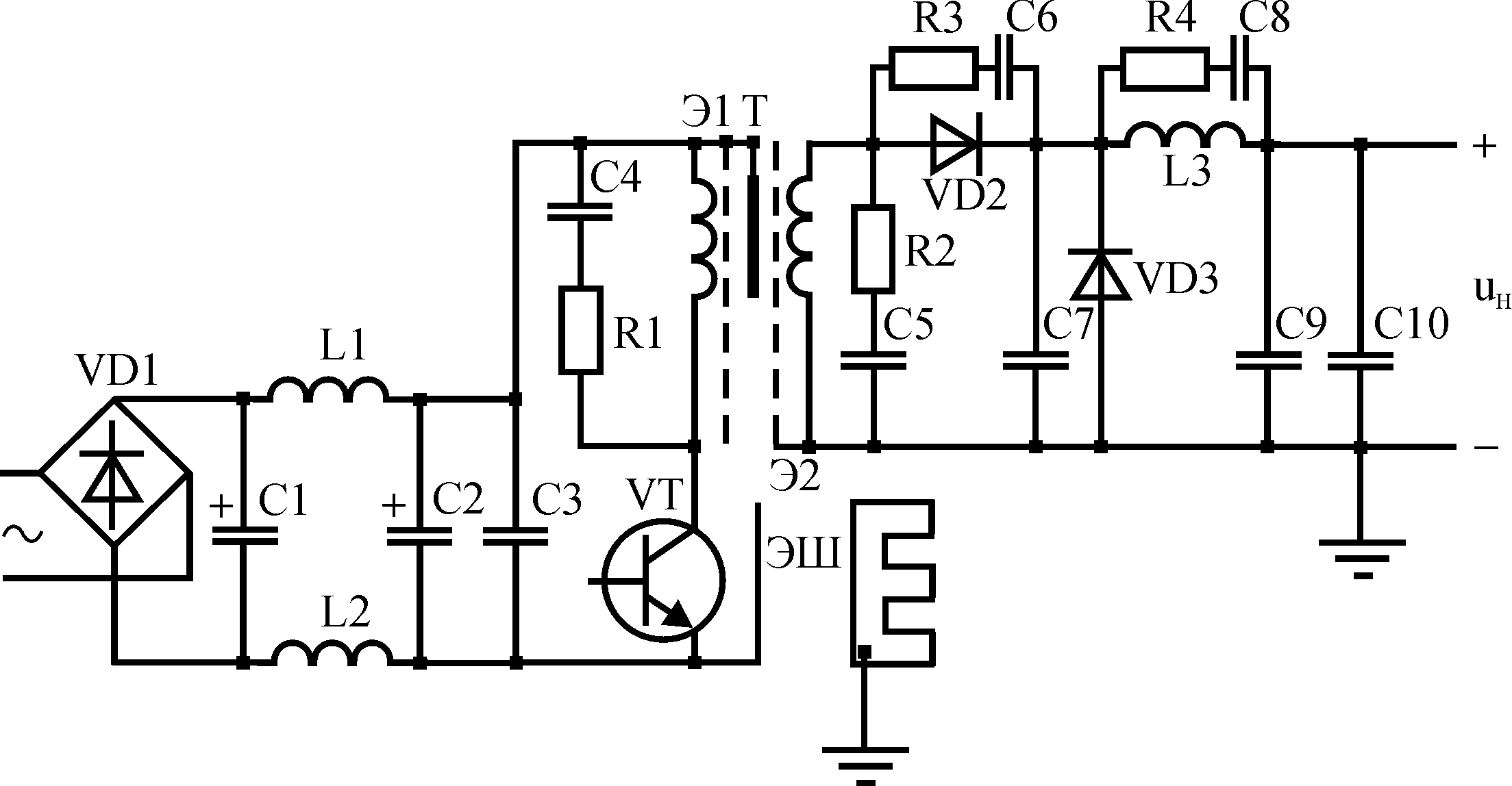
Комбинация перечисленных выше приемов позволяет получить приемлемый уровень помех даже от импульсных преобразователей, которые по своему принципу действия не могут не создавать помехи (рис.5.18). Дроссели L1, L2, конденсаторы С1–С3 образуют фильтр. Конденсаторы С3 и С10 – керамические конденсаторы малой емкости установлены параллельно электролитическим конденсаторам для подавления высокочастотных помех. RC-цепочки подключены параллельно обмоткам трансформатора, высокочастотному диоду VD2 и дросселю L3 выходного фильтра. Используется трансформатор с экранами, шайба-экран и описанные выше соединения.

Рис.5.18. Схема преобразователя

5.4. Снижение коммутационных импульсных помех в электрической сети

Основными путями снижения импульсных помех в электрической сети при коммутациях можно назвать следующие:

  • проектирование СЭЭС таким образом, чтобы в них отсутствовали источники коммутационных импульсных помех с амплитудой, большей удвоенного амплитудного значения фазного напряжения;

  • устранение условий коммутации нагрузки, приводящих к появлению наибольших амплитуд помех, снижение скорости изменения токов и напряжений при коммутации;

  • применение внешних помехоподавляющих устройств.

Наибольшие значения амплитуды импульсных напряжений достигаются при включении батареи заряженных конденсаторов при однофазных замыканиях на корпус и отключении индуктивной нагрузки.

Для снижения амплитуды импульсных помех при первом виде коммутации могут быть рекомендованы следующие меры:

  • устранение батарей конденсаторов с часто коммутируемых участков сети;

  • разряд конденсаторов после отключения через дополнительные резисторы, что позволяет снизить максимальную амплитуду импульсов приблизительно в два раза;

  • сетевые фильтры на входе часто включаемых потребителей должны содержать катушки индуктивности между конденсаторами и сетью, что дает возможность снизить амплитуду импульсных помех и скорость изменения напряжения при включении в сеть;

  • батареи конденсаторов большой переключаемой емкости должны включаться полупроводниковыми ключами в моменты времени равенства напряжения на конденсаторе и в сети.

Для снижения амплитуды импульсных помех при однофазных дуговых замыканиях на корпус рекомендуются:

  • снижение емкости сети относительно корпуса за счет отказа от применения конденсаторов между фазами и корпусом;

  • применение устройств автоматического заземления поврежденной фазы, а также компенсирующей LC-цепи между нейтралью синхронного генератора и корпусом.

Для снижения амплитуды импульсных помех при отключении индуктивной нагрузки рекомендуются следующие мероприятия, подробнее рассмотренные в параграфе 5.1:

  • в сети постоянного тока – установка обратного диода параллельно индуктивной нагрузке;

  • в сети переменного тока – установка параллельно индуктивной нагрузке цепи встречно-последовательных стабилитронов с напряжением стабилизации, большим амплитуды переменного напряжения, установка варисторов и других разрядников;

  • отключение индуктивной нагрузки полупроводниковыми ключами в момент перехода тока через ноль.

Применение помехоподавляющих устройств в сети менее эффективно, чем подавление помех непосредственно в источнике. Установка конденсаторов в какой-либо точке сети снижает напряжение помех в этой точке, однако увеличивает токи помех в кабеле, что может привести к увеличению напряжений, наведенных в соседних кабелях трассы. Включение самого участка сети с установленными конденсаторами может привести к появлению импульсных помех больших амплитуд. Увеличение емкости сети относительно корпуса приводит к увеличению амплитуды импульсных помех при однофазных замыканиях. Подавление коммутационных импульсных помех в сети возможно также с помощью нелинейных элементов, применяемых для защиты от грозовых перенапряжений (глава 6).

5.5. Снижение напряжений, вызванных разрядом молнии

Молния – естественное явление природы, устранение его не зависит от разработчика ТС и проектанта судна.

Наиболее вероятными путями тока разряда являются кабели, расположенные снаружи корпуса судна, и металлоконструкции малого сечения (трубы, оплетки кабелей), соединяющие верхнюю палубу с остальными.

К основным мероприятиям снижения напряжений от разряда молнии можно отнести следующие:

  • исключение наиболее опасных схем прокладки кабелей вдоль мачт, труб и т.п.;

  • расположение кабелей, проложенных вне корпуса судна, по возможности ближе к металлу корпуса, предпочтительна однорядная прокладка, при которой все кабели располагаются в плоскости, параллельной листу металлоконструкции;

  • прокладка кабелей во всех возможных случаях вне корпуса судна в металлических толстостенных трубах, как можно чаще соединенных с корпусом судна, при этом прокладка пучка кабелей в одной трубе большого диаметра предпочтительней прокладки пучка кабелей в отдельных трубах малого диаметра;

  • устранение прокладок силовых и информационных кабелей во внутренних помещениях судна по пиллерсам, вблизи трубопроводов, идущих от палубы к палубе, по подволоку, вблизи мест ввода в помещение кабелей с верхней палубы.

  • установка молниезащитных устройств в непосредственной близости от места ввода внешних кабелей в корпус судна.

5.6. Разделение питания источников и рецепторов помех

Радикальное уменьшение помех на питающих зажимах рецепторов может быть до-стигнуто, если они имеют собственные источники питания, электромагнитно не связанные с сетью, к которой подключены источники помех. Однако, учитывая большое число рецепторов (подавляющая часть оборудования), обеспечение каждого из них автономными источниками питания нереально, так как противоречит требованиям технико-экономи­ческой эффективности СЭЭС. Можно использовать относительно небольшое число автономных источников, питающих группы наиболее чувствительных к воздействию помех потребителей (ЧП), но в этом случае при выборе состава групп следует иметь в виду, что рецепторы могут одновременно являться и источниками помех. Поэтому в каждом конкретном случае необходима предварительная оценка параметров помех при питании группы ЧП от общего источника. Такая структура питания от электромеханического преобразователя (рис.5.19.) параметров электроэнергии (двигатель–генератор) полностью исключает проникновение помех к ЧП из судовой сети, так как двигатель и генератор электрически не связаны, но при условии, что их клеммные коробки находятся в раздельных экранированных объёмах. Для исключения взаимовлияния ЧП (если это необходимо) здесь должна использоваться индивидуальная защита от помех. Будучи эффективным средством электромагнитного разделения сетей, электромеханические преобразователи имеют ряд существенных недостатков (например, повышенные уровня шума и вибрации), что приводит к их массовой замене полупроводниковыми преобразователями (ПП) в структурах вторичного электропитания.

Рис.5.19. Применение электромеханического преобразователя

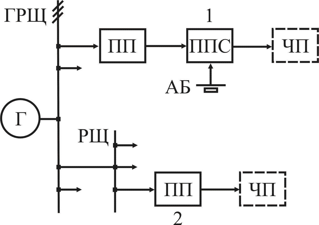
ПП не дает возможности электромагнитного разделения ЧП и судовой сети. Поэтому ПП, питающий ЧП, целесообразно подключать не к относительно маломощным РЩ, откуда также могут питаться источники помех (структура 2 рис.5.20), а непосредственно к ГРЩ (структура 1). Тогда, например, амплитуда коммутационных помех (возникающих при коммутациях потребителей) на его входе будет уменьшена более чем в (N+1)/2 раз, где N – число фидеров, подключенных к ГРЩ. Структура 1 питания ЧП (см. рис.5.20) обладает еще и тем преимуществом, что для обеспечения надежной работы наиболее ответственных ЧП при помехах они могут переводиться на режим питания (с помощью переключателя питающей сети – ППС) от автономной аккумуляторной батареи АБ. Это обеспечивает электромагнитную развязку ЧП и судовой сети.

Рис.5.20. Схема питания чувствительных потребителей при периодических помехах

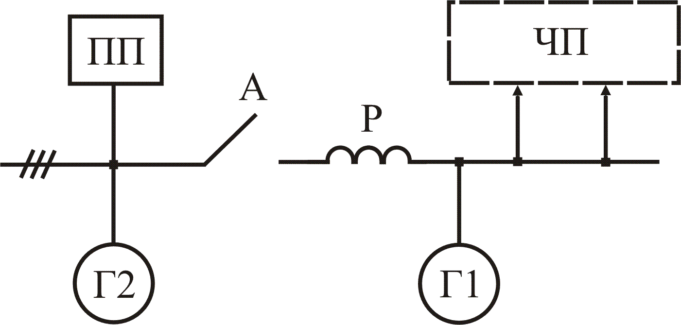
В дополнение к рассмотренным структурам питания ЧП при периодических помехах необходимо учитывать, что источников значительных периодических помех в СЭЭС, как правило, немного, это один или несколько ПП большой удельной мощности. Поэтому возможен вариант подключения ПП к отдельной секции шин ГРЩ (рис.5.21), питаемой автономным генератором Г2, а ЧП – к другой секции, питающейся от генератора Г1.

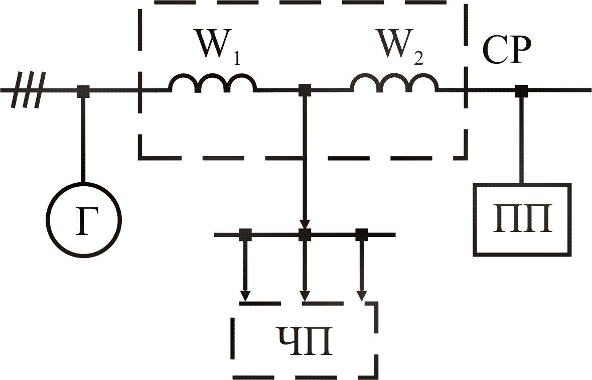
Отсутствие электрической связи между секциями ПП и ЧП при разомкнутом автоматическом выключателе А исключает прямое проникновение помех на ЧП. Недостатком такой структуры питания ЧП может явиться повышение удельных расходов энергоносителя первичных двигателей генераторов из-за их неоптимальной загрузки, что ведет к повышению эксплуатационных расходов. В этом случае более целесообразным является не полное исключение периодических помех в напряжении питания ЧП, а уменьшение их до допустимых значений при питании ЧП от Г1 через токоограни­чивающий реактор Р (автомат А на рис.5.21 замкнут, генератор Г2 отсутствует). Включение реактора приводит к ограничению протекающих через него высших гармоник тока (особенно заметному в высокочастотной области спектра), что обеспечивает снижение KНС питающего напряжения на зажимах ЧП. Эффективность снижения KНС может быть значительно увеличена, если вместо обычного реактора используется сдвоенный реактор (СР), а ЧП подключается к его средней точке (рис.5.22). Обмотки СР W1 и W2, расположенные на общем железном сердечнике, соединены встречно, причем число витков W2 вдвое больше, чем W1. Это дает следующее отношение индуктивностей и коэффициента взаимоиндукции обмоток: L2 = 4L1 и М = 2L1, а суммарная индуктивность обмотки W1 с учетом взаимоиндукции обмоток W1 и W2 равна L= L1 – М = – L1.

Рис.5.21. Схема питания от отдельного генератора

Тогда, если выполняется условие L1 = LГ (LГ – индуктивность генератора), напряжение в средней точке СР оказывается независимым от тока, так как все его изменения компенсируются ЭДС самоиндукции обмотки W1. Физически это соответствует включению в цепь отрицательных индуктивных сопротивлений, играющих роль емкостей, и напряжение питания ЧП будет практически синусоидальным. Применение СР в СЭЭС с ПП, однако, ограничивает то обстоятельство, что при подключении к генератору дополнительной нагрузки его ток становится больше тока СР (ток нагрузки не протекает через СР), что приводит к перекомпенсации периодических помех в средней точке и увеличению KНС питающего напряжения ЧП. Этого явления можно избежать, если сделать СР управляемым в функции тока дополнительной нагрузки генератора, но тогда значительно усложнится конструкция СР.

Рис.5.22. Схема питания ЧП через сдвоенный реактор СР

Выбор структуры питания ЧП на стадии проектирования СЭЭС определяется возможными параметрами помех и сравнением технико-экономической эффективности мероприятий по их подавлению до допустимых значений.

19