Материал: 5

Внимание! Если размещение файла нарушает Ваши авторские права, то обязательно сообщите нам

Установка конденсатора СД также позволяет снизить перенапряжение и устранить пробои между контактами, но вызывает колебания между катушкой и конденсатором с периодом Т (строка 2 табл.5.1). Для более быстрого затухания колебаний последовательно с конденсатором включают резистор RД. Такие RC-цепи широко используются в преобразовательной технике.

Стабилитроны и варисторы наиболее эффективно рассеивают энергию катушки и ограничивают перенапряжение на ней (строки 3, 4 табл.5.1). Вольт-амперные характеристики этих элементов (рис.5.9) имеют участок с малым током до напряжения стабилизации UCT (номинального напряжения для варистора UH). Элементы выбирают исходя из условия UCT > UПИТ.М (UН > UПИТ.М), где UПИТ.М – максимальное значение напряжения электропитания. При замкнутом ключе S ток через элементы близок к нулю и потери практически отсутствуют. После размыкания контактов выключателя S напряжение на катушке возрастает и при достижении им напряжения стабилизации (номинального напряжения) ток начинает протекать через дополнительный элемент, а напряжение ограничивается. Элементы должны быть рассчитаны на полный ток катушки IK и на рассеивание всей накопленной ею энергии W = 0,5LKIK2.

Варистор имеет более пологую вольт-амперную характеристику по сравнению со стабилитроном и дает некоторое повышение напряжения при большом токе (строка 4 табл.5.1). Однако варисторы выпускаются на существенно бóльшие токи и позволяют рассеивать большую энергию. При использовании элементов с более высоким номинальным напряжением мощность, рассеиваемая на них, возрастает и уменьшается время переходного процесса.

Рис.5.9. Вольт-амперные характеристики стабилитрона и варистора

Электромагнитное поле создается проводниками с током и проводниками, находя­щимися под напряжением (параграф 3.4). Любое электротехническое, радиотехническое и электронное оборудование, средства автоматизации принципиально работают с изменяю­щимися во времени токами и напряжениями и, следовательно, создают переменное электромагнитное поле. Печатные платы цифровых технических средств содержат большое количество элементов, постоянно переключающихся с тактовой частотой. На дорожках печатных плат действуют импульсные напряжения, по ним протекают импульсные токи. Проводник длиной l с несимметричным переменным током I на частоте f действует как излучающая антенна. Напряженность электрического поля Е на расстоянии r в дальней зоне может быть оценена по приближенной формуле [3.4]:

[В/м], (5.2)

где l и r следует выражать в метрах, ток I – в амперах, а частоту f – в мегагерцах.

Напряженность пропорциональна току, длине и частоте. Для полного устранение электромагнитного поля в дальней зоне необходимо, чтобы одна из этих составляющих равнялась нулю, что на практике невозможно.

Снижение электромагнитного излучения может быть достигнуто за счет уменьшения несимметричных токов и напряжений, действующих на проводниках. Прокладка параллельно токонесущему проводнику проводника с таким же по величине током, протекающим в обратном направлении, приводит к значительному уменьшению излучения. Магнитные поля токов направлены противоположно и происходит их вычитание. Этот подход в практике проектирования печатных плат именуется принципом минимизации магнитного потока [3.4]. Этот эффект можно рассматривать, как уменьшение суммарного несимметричного тока на паре проводников. Для передачи импульсных токов между платами наилучший результат дает применение витых пар проводников. Несимметричный ток может быть снижен путем пропускания пары проводников через ферритовые трубки или наматывания на ферритовое кольцо, что увеличивает сопротивление для несимметричных составляющих токов.

Уменьшение длины проводника, удаленного от корпуса и действующего как антенна, снижает излучение. Минимизация длин соединений, прокладка их с общими проводниками или близко от общей плоскости также реализует принцип минимизации магнитного потока. Установка развязывающих конденсаторов на шинах питания непосредственно у микросхем уменьшает длину проводников, по которым протекают импульсные токи. Импульсный ток, потребляемый микросхемой в момент переключения, будет поступать в основном от близко расположенного конденсатора, а не от удаленного источника питания.

Уменьшение частоты может быть достигнуто путем применения микросхем меньшего быстродействия, а также установки фильтров и дросселей на некоторых участках схемы. Правильное согласование нагрузок в схеме предотвращает возникновение колебаний на высокой частоте.

Дальнейшее снижение электромагнитного излучения выполняется экранированием цепей, создающих помехи, применением металлических корпусов с минимальным числом и размерами отверстий, использованием экранированных внешних кабелей. Корпуса технических средств и экраны кабелей должны быть обязательно заземлены (соединены с корпусом судна).

Полупроводниковые преобразователи электроэнергии создают помехи при включениях и выключениях электронных ключей. Принцип действия преобразователей предусматривает переключение цепей с частотой преобразования, поэтому полное устранение помех при их работе практически невозможно.

Параметры помех при работе управляемого трехфазного выпрямителя определяются выражениями (п.2.2.2):

;

;

.

Имеется возможность снижения уровня помех путем уменьшением угла управления α. Для случая неуправляемого выпрямителя (α = 0) уровень помех минимален, но амплитуда помех все же не равна нулю из-за наличия угла коммутации γ, который возрастает с уменьшением α. Снижение ХС путем увеличения мощности источников электроэнергии, увеличение индуктивного сопротивления ХП на входе преобразователя может лишь снизить, но не устранить помехи.

Устранение помех может быть достигнуто за счет применения преобразователей, основанных на другом физическом принципе, например, использующих приборы с фото- или термо-ЭДС. Пары лампа–фотоэлемент, нагреватель-термопара не создают помехи, но имеют низкий коэффициент полезного действия.

Радикальное снижение помех может дать применение специальных схем преобразования. Наименьший уровень помех имеют схемы, в которых включение полупроводниковых ключей происходит при равенстве напряжения на них нулю, а выключение – при отсутствии тока. Следует выбирать схемы, в которых скорости изменения токов и напряжений минимальны. Низкий уровень гармоник напряжения создают схемы, у которых потребляемый ток близок к синусоидальному.

В некоторых случаях изменение режима работы преобразователей также позволяет снизить уровень помех. Например, для выпрямителя может использоваться режим с малым углом управления.

Внешние фильтры обеспечивают затухание уже возникших помех при распространении и могут оказаться недостаточно эффективными для всех путей распространения помех. Часто эти средства дают возможность снижения гармонических составляющих напряжения только в определенной части спектра, не обеспечивая эффективного подавления во всем частотном диапазоне.

5.2. Снижение помех при работе силовых полупроводниковых преобразователей

Периодические помехи, генерируемые полупроводниковым преобразователем (ПП) в питающую сеть, представляют собой широкий спектр гармонических составляющих, что существенно осложняет задачу их минимизации во всем частотном диапазоне. Применяемые способы уменьшения периодических помех дают возможность компенсации их гармонических составляющих только в определенной части спектра, не снижая радикальным образом такой интегральный показатель качества напряжения сети при помехах, как KНС. Эти способы можно условно разделить на две группы: уменьшение гармоник в низкочастотной и высокочастотных областях спектра.

Снижения уровней высших гармоник в низкочастотной области спектра можно добиться, изменяя схемы ПП и применяя дополнительные фильтры.

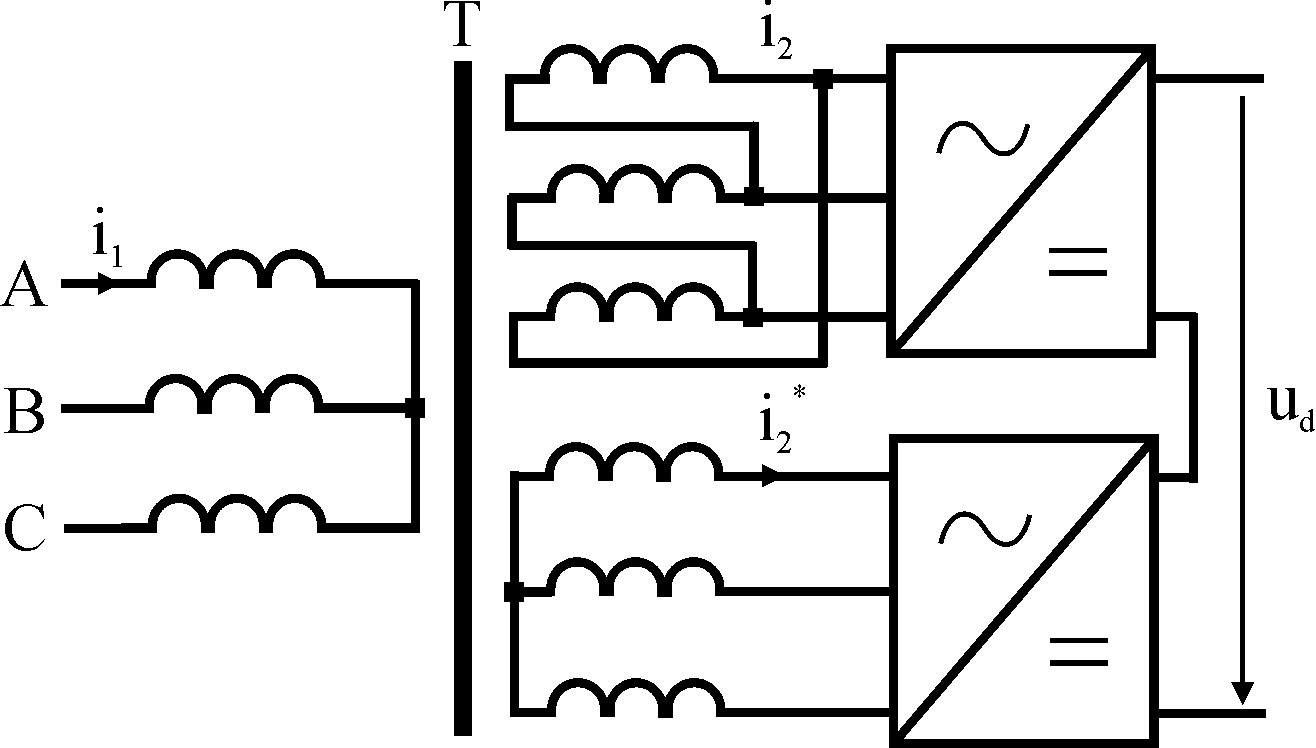
Если в СЭЭС необходимо использовать ПП, мощность которых соизмерима с мощностью СГ, то их целесообразно выполнять не по шестипульсной (трехфазной мостовой), а по двенадцатипульсной (двухмостовой) схеме. Входной трансформатор ПП в этом случае при первичной обмотке, соединенной звездой, имеет две вторичные обмотки, нагруженные на вентильные мосты, одна из которых соединена звездой, другая – треугольником (рис.5.10, а). Токи вторичных обмоток (рис.5.10, б) i2 и i2* имеют одинаковый гармонический состав, т.е. содержат гармоники порядка υ = 6k (где k = 0, 1, 2 …), однако при одинаковых амплитудах гармоники порядка υ = 6(2k-1)±1 находятся в этих токах в противофазах (на рис.5.10, б показаны пятые (υ = 5) и первые (υ = 1) гармоники тока) и взаимно компенсируются в главном потоке трансформатора. Поэтому форма тока i1 первичной обмотки (тока потребляемого ПП) более близка к синусоидальной и в нем присутствуют только гармоники порядка υ = 12k±1, т.е. 11-я, 13-я и т.д. Соответственно в выпрямленном напряжении ПП также будут присутствовать только гармоники порядка υ = 12k±1, что ведет к уменьшению пульсаций. Отсутствие в токе, потребляемом ПП, а следовательно, и в напряжении сети 5-й и 7-й гармоник, имеющих наибольшие амплитуды, приводит к уменьшению KНС в раз при прочих равных условиях и заметно улучшает условия работы оборудования в СЭЭС.

Если в СЭЭС используются ПП относительно небольшой мощности (единицы процентов от мощности СГ), выполненные по трехфазной мостовой схеме, то некоторой компенсации гармоник υ = 6(2k-1)±1 в напряжении сети можно достичь, создавая условный двенадцатипульсный режим. Для этого необходимо, чтобы имелось примерно равное число трансформаторов ПП, соединенных по схеме «звезда/звезда» и «звезда/треугольник». Тогда будет происходить частичная компенсация 5-й, 7-й и т.п. гармоник, степень которой будет зависеть от того, насколько близки нагрузки ПП и их углы регулирования. При полном совпадении этих факторов эффект будет таким же, как и при использовании двенадцатипульсных ПП.

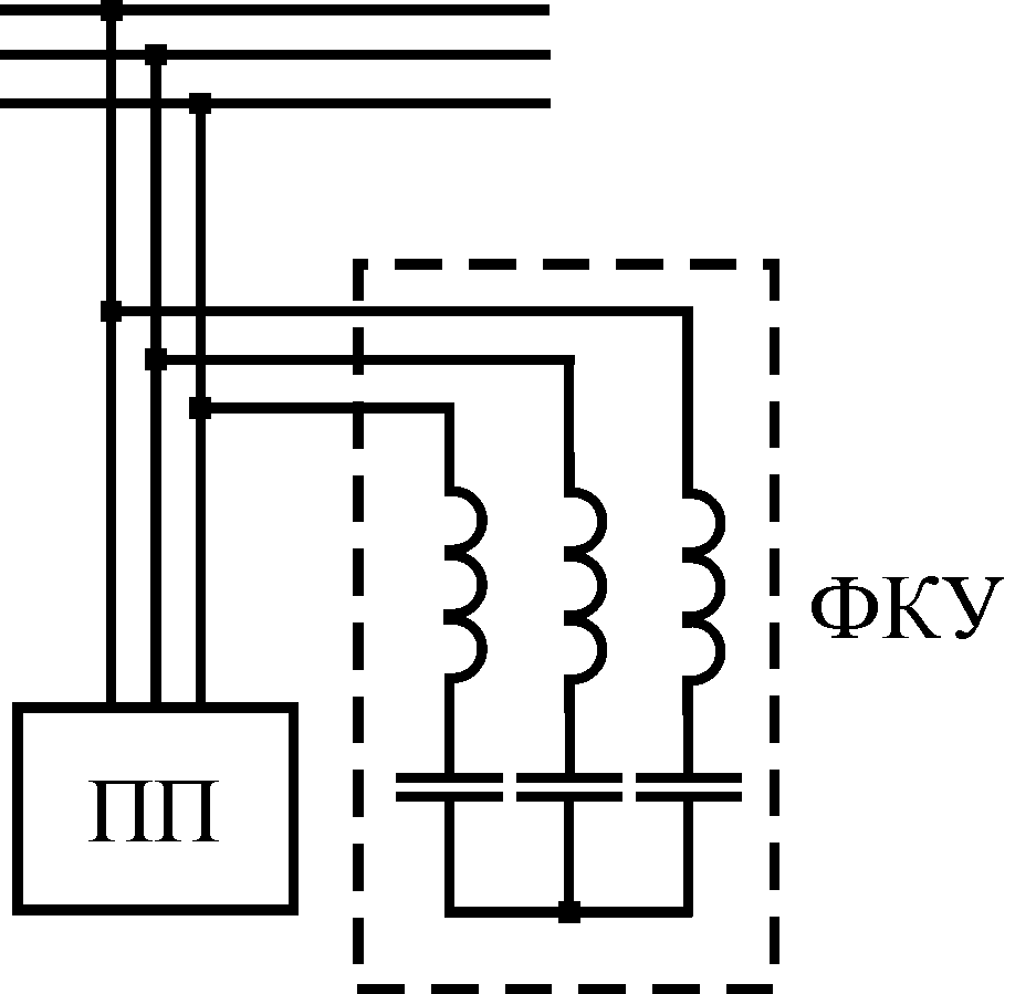
Уменьшение помех также возможно с помощью применения дополнительных фильтров. Например, параллельно входу ПП может включаться резонансный фильтр, конденсаторы которого соединены звездой (рис.5.11). Если пренебречь активными сопротивлениями элементов фильтра, то резонансная цепочка с параметрами L и C, для которых выполняется υωL = 1/υωC, представляет собой короткое замыкание для υ-й гармоники тока ПП, т.е. осуществляется ее шунтирование, и она будет отсутствовать в токе СГ.

а б

Рис.5.10. Снижение гармоник потребляемого тока в схеме двенадцатипульсного выпрямителя: а – схема выпрямителя, б – форма токов в обмотках трансформатора

Рис.5.11. Схема включения фильтра ФКУ

В результате, напряжение сети не будет содержать этой гармоники, что приведет к уменьшению его KНС. При необходимости компенсации нескольких гармоник в фильтр добавляется параллельная резонансная цепочка для каждой гармоники. Обычно ограничиваются двумя цепочками для 5-й и 7-й гармоник тока, имеющих наибольшую амплитуду.

С целью повышения технико-экономической эффективности использования оборудо­вания фильтров на них кроме шунтирования высших гармоник тока возлагается задача компенсации реактивной мощности ПП, т.е. они применяются в СЭЭС как фильтро-компенсирующие устройства (ФКУ) [5.1]. Недостатком фильтров является разброс параметров их элементов и чувствительность к изменению частоты СГ, следствием чего будет неполная компенсация гармоники тока ПП, на которую настроен фильтр, а также возможность возникновения резонансных явлений на других гармониках. Для исключения этого требуется тщательный подбор конденсаторов и реакторов фильтра, дополняемый анализом частотных характеристик судовой сети.

Импульсные помехи появляются при включении и отключении каждого вентиля ПП и могут распространяться как по проводам, так и излучением (при частотах свыше 10 кГц). Ограничение помех, передаваемых по проводам, до необходимого уровня обеспечивается с помощью RC-цепочек, осуществляющих демпфирование колебаний (рис.5.12) и рассеяние энергии, запасенной в индуктивных элементах ПП. Из двух способов включения демпфирующих RC-цепочек, показанных на рис.5.12, более рациональным является способ 1, когда они включаются параллельно вторичным обмоткам трансформатора ПП. При включении цепочек по способу 2, параллельно вентилям, они хуже используются, так как каждая цепочка примерно 1/3 периода оказывается закороченной. Поэтому суммарные мощности конденсаторов и резисторов здесь оказываются выше при том же демпфирующем эффекте.

Рис.5.12. Способы ограничения высокочастотных помех в силовом полупроводниковом преобразователе

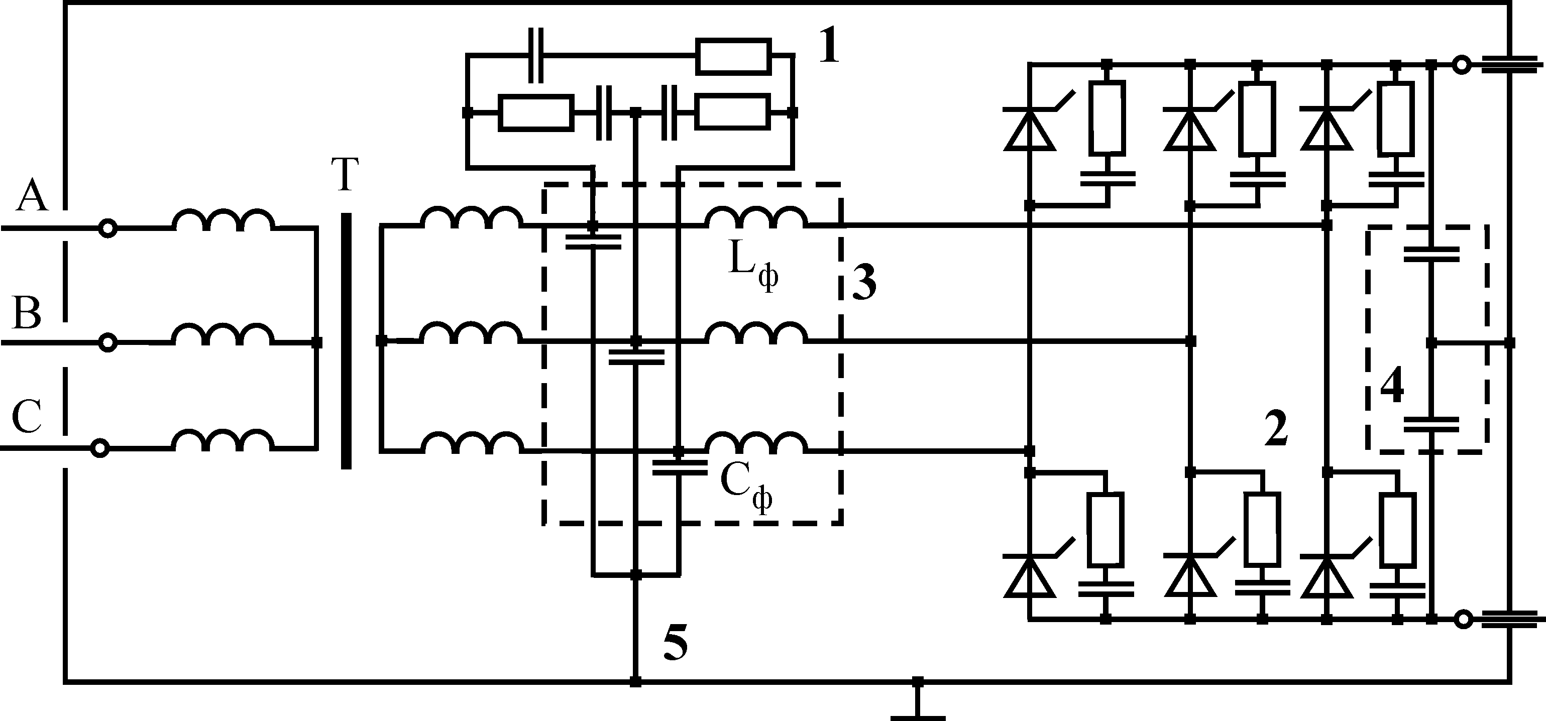
Ограничение излучения энергии электромагнитными полями при коммутациях вентилей ПП осуществляется с помощью высокочастотных фильтров и экранирования. Фильтр 3, включающий в себя индуктивности LФ и проходные конденсаторы CФ, соединенные с корпусом 5, устанавливается на вторичной стороне трансформатора и препятствует выходу токов высокочастотных колебаний из агрегата в сеть. Аналогичную функцию, но только по отношению к нагрузке выполняет емкостной фильтр 4, включенный в оба полюса на выходе ПП. Достаточная эффективность электромагнитного экранирования обеспечивается тем, что корпуса судовых ПП изготавливаются литыми и представляют собой сплошной экран.

5.3. Подавление кондуктивных помех от вторичных источников питания

5.3.1. Электрические средства подавления помех

Выбор электрической структурной схемы вторичного источника питания (ВИП) с низким уровнем помех является наиболее эффективным решением помехоподавления. Традиционная схема с низкочастотным трансформатором, выпрямителем и стабилизатором непрерывного типа создает значительно меньшие помехи по сравнению с бестрансформаторными схемами и импульсными стабилизаторами.

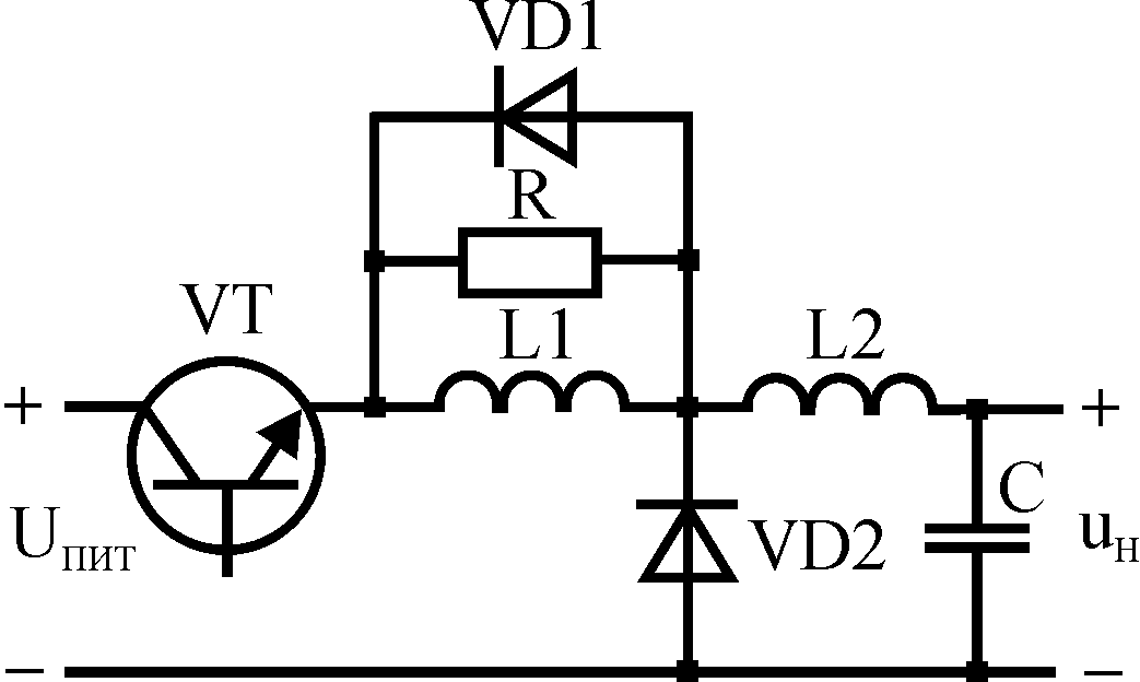
Правильный выбор электрической принципиальной схемы преобразователя и стабилизатора ВИП также является приоритетным для снижения помех. В ключевых импульсных преобразователях постоянного тока меньшие помехи создают схемы с дросселями, включенными последовательно с рецепторами помех. Например, схема на рис.5.13, а со-здает меньший уровень помех во входной цепи питания, а схема на рис.5.13, б – в выходной цепи.

а б

Рис.5.13. Схемы преобразователей постоянного тока: а – с входным дросселем; б – с выходным дросселем

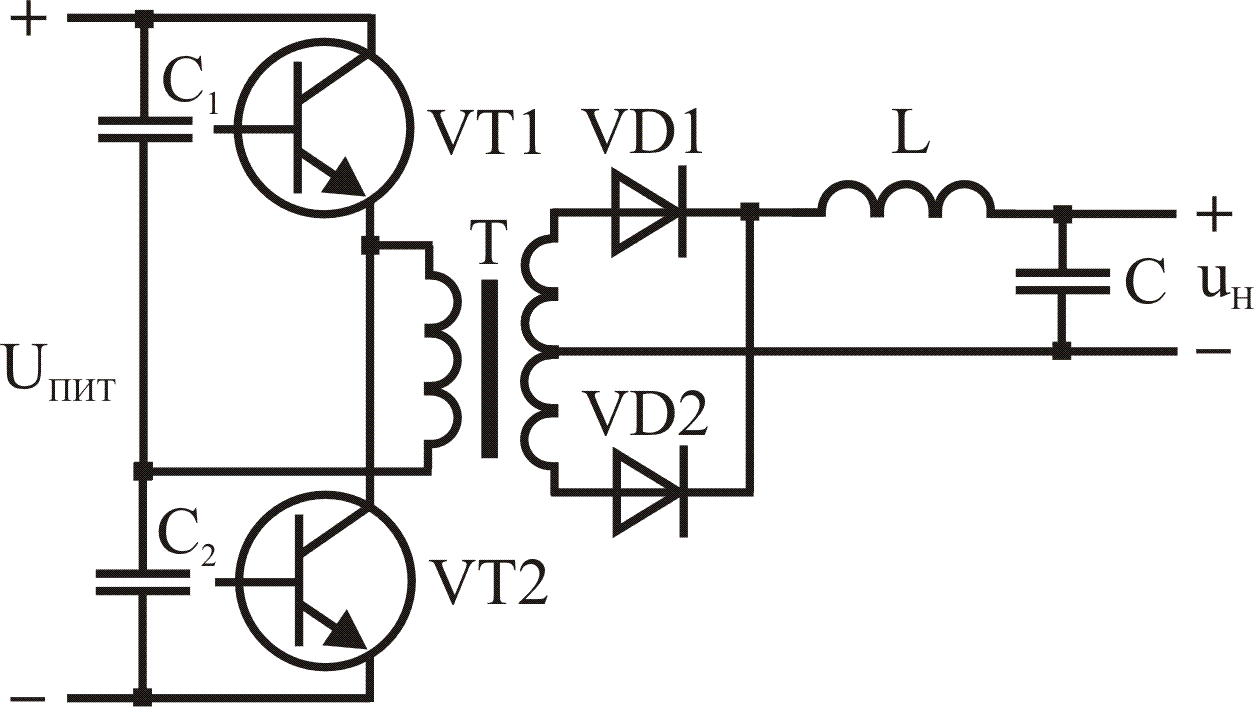
Преобразователь с магнитной связью между входным и выходным дросселем имеет пониженный уровень помех на входе и выходе (рис.5.14, а). Двухтактные полумостовые преобразователи (рис.5.14, б) генерируют меньшие помехи по сравнению с однотактными [5.1].

а б

Рис.5.14. Схемы преобразователей постоянного тока с трансформатором: а – с магнитной связью; б – двухтактная

Схема управления преобразователем должна обеспечить работу транзисторов без насыщения трансформатора и появления сквозных токов. Сигнал управления должен корректироваться при приближении к насыщению трансформатора для предотвращения появления выбросов коллекторного тока и резкого возрастания уровня помех, подаваться попеременно на транзисторы VT1, VT2 с временной задержкой, достаточной для полного закрытия транзисторов.

Установка дополнительных элементов (конденсаторов, дросселей, ограничительных диодов и т.п.) в различных узлах ВИП позволяет снизить уровень помех за счет увеличения длительности фронтов импульсов входного тока и напряжения на силовых транзисторах и трансформаторах, переключения транзисторов при нулевых токах и малых напряжениях на них, ограничения амплитуды выбросов напряжения на элементах, увеличения сопротивления на пути распространения помех. Возможны различные схемы подключения помехоподавляющих цепей. Конденсаторы и цепи на их основе устанавливают параллельно силовым транзисторам, высокочастотным выпрямительным диодам, обмоткам трансформаторов. Дроссели обычно устанавливают последовательно с силовыми транзисторами в цепях коллектора или эмиттера. При прерывании тока через элемент с индуктивностью должен быть обеспечен путь протекания тока после отключения. Для этих целей используют цепи с резисторами, диодами, конденсаторами (рис.5.15).

а б

Рис.5.15. Схемы преобразователей с помехоподавляющими цепями: а – установка резистора, диода и конденсатора параллельно трансформатору; б – установка резистора и диода параллельно дросселю