Материал: 5

Внимание! Если размещение файла нарушает Ваши авторские права, то обязательно сообщите нам

5. Снижение уровней помех в электроэнергетической системе

5.1. Общий подход к подавлению помех

Снижение уровня помех, создаваемых источником, является важным направлением обеспечения ЭМС. «Лучше не создавать помехи, чем потом с ними бороться» – этот принцип можно рекомендовать к использованию при проведении работ по помехоподавлению. Действительно, появившаяся в источнике помеха начинает распространяться по всем возможным путям: по цепям питания, заземления, линиям связи и в виде электромагнитного излучения (рис.5.1). Чтобы снизить уровень созданной помехи, для каждого пути распространения придется применять различные и достаточно дорогостоящие приемы помехоподавления. Более эффективно подавление генерации помех непосредственно в источнике.

Рис.5.1. Пути распространения помех, создаваемых техническим средством

Реализацией указанного принципа являются следующие приоритеты в работе по помехоподавлению:

а) полное исключение генерации помех в источнике;

б) снижение уровня помех внутренними средствами;

в) применение внешних средств подавления помех.

Полное устранение помех, которое может быть получено на основе использования ТС с другим принципом действия, изменения последовательности выполнения операций в ТС или условий работы его элементов, – самое радикальное решение проблемы, хотя в некоторых случаях может быть экономически не оправданным или не реализуемым. При невозможности или слишком высокой цене полного устранения помех следует рассмотреть вариант снижения уровней помех, используя более совершенные схемы ТС или изменяя режим их работы. Применение внешних дополнительных элементов помехоподавления, таких как фильтры, менее предпочтительно, так как кроме положительного эффекта имеются и негативные последствия. Например, фильтр, снижая помехи на одних частотах, может дать увеличение помех на частоте собственного резонанса. Обычно конденсатор, уменьшая напряжение помех в цепи, может увеличить их ток. Конденсатор между некоторой цепью ТС и корпусом приводит к появлению дополнительного тока помех в цепях заземления.

Рассмотрим возможность применения указанной системы приоритетов на ряде примеров подавления помех.

Импульсные помехи, возникающие в электрической сети при включении нагрузки с сопротивлением RH, описаны в п.2.3.2. Амплитуда импульсной помехи (максимальное отклонение напряжения от величины е) прямо пропорциональна мгновенному значению напряжения в сети е в момент коммутации (рис.5.2) и определяется следующей формулой:

.

Из формулы видно, что возможно полное устранение помехи при условии е = 0. Напряжение в сети меняется по синусоидальному закону е = ЕМsinωt и принимает нулевые значения дважды за период.

a б

Рис.5.2. Импульсные помехи при включении нагрузки с сопротивлением RH : а – схема замещения для расчета импульсных помех; б – напряжение в сети

Использование электронного ключа (рис.5.3, а) позволяет включать нагрузку в момент равенства нулю напряжения в сети и полностью устраняет появление импульсных помех из-за коммутации нагрузки. Блок управления (БУ) контролирует напряжение в сети и дает разрешение на включение симмистора VS в требуемый момент времени, например, в момент t2. В результате нагрузка будет включена при е = 0 и помеха будет отсутствовать, в отличие от включения в момент t1, при котором импульсная помеха имеет максимальную амплитуду (рис.5.2, б).

Из приведенной формулы также следует, что для уменьшения помехи можно увеличить сопротивление нагрузки RH в момент включения, используя, например, резистор RS (рис.5.3, б), включенный последовательно с нагрузкой.

a б

Рис.5.3. Схемы подавления импульсных помех: а – электронный ключ для полного устранения импульсных помех; б – регулируемое сопротивление для «плавного» включения нагрузки

При плавном уменьшении сопротивления RS от некоторого максимального значения до нуля могут обеспечиваться относительно медленное увеличение тока и практически отсутствие импульсных помех. В качестве резистора RS предлагается использовать транзисторы.

Максимальная амплитуда импульсных помех при включении RH без каких-либо средств помехоподавления не превышает амплитудного значения питающего напряжения ЕМ. В судовой сети коммутируется большое количество такого рода нагрузок. Экономически не оправдана установка электронных коммутаторов на каждую включаемую цепь. Обеспечение ЭМС более эффективно может быть выполнено путем регламентированных требований к электронному оборудованию по устойчивости к импульсным помехам с амплитудой до ЕМ.

Амплитуда помех снижается при уменьшении эквивалентного сопротивления R, которое зависит от мощности источника электроэнергии, волновых сопротивлений кабелей и включенных в сеть нагрузок. Повышение мощности источников, установка в сеть цепи с низким сопротивлением на высокой частоте, например, конденсатора, позволит снизить амплитуду импульсной помехи.

Импульсные помехи, возникающие в электрической сети при включении конденсатора СH, рассмотрены в п.2.3.3. Амплитуда импульсной помехи (максимальное отклонение напряжения от величины е) определяется разностью мгновенного значения напряжения в сети е и напряжения заряда конденсатора в момент коммутации (рис.5.4):

.

Для полного устранения помехи достаточно осуществить включение при , что может быть достигнуто выбором момента включения с помощью схемы на рис.5.5, а.

a б

Рис.5.4. Импульсные помехи при включении конденсатора СH, заряженного до напряжения UCH: а – схема замещения для расчета импульсных помех; б – изменение напряжения в сети

Блок управления БУ контролирует напряжения в сети, на конденсаторе и дает разрешение на включение симмистора VS в моменты равенства этих напряжений, например, в момент t2. При этом помеха отсутствует, в отличие от включения в момент t1, при котором амплитуда импульсной помехи близка к максимуму (рис.5.4, б). Теоретически максимальная амплитуда может достигать 2ЕМ, что возможно при е = UCH = ЕМ.

Уменьшения амплитуды помехи можно добиться, используя резистор RS, включенный последовательно с конденсатором, аналогично схеме на рис.5.3, б, предлагаемой для уменьшения помех при включении резистора. При плавном уменьшении сопротивления RS обеспечивается ограничение зарядного тока и значительное снижение амплитуды импульсных помех. В качестве резистора RS также могут использоваться транзисторы.

Установка электронных коммутаторов для включения батареи конденсаторов может быть экономически оправдана, если требуется частое переключение емкости, например, в фильтрокомпенсирующих устройствах. Включение конденсаторов без переходного процесса и бросков тока продлевает их срок службы. Установка электронных коммутаторов на всех цепях с конденсаторами экономически не оправдана.

Максимальная амплитуда помехи может быть снижена в два раза просто путем разряда конденсатора после отключения, что достигается установкой параллельно конденсатору дополнительного разрядного резистора RД (рис.5.5).

а б

Рис.5.5. Схемы подавления импульсных помех при включении конденсатора: а – электронный ключ для полного устранения импульсных помех; б – резистор RД для разряда конденсатора после отключения от сети

Установка дополнительного конденсатора в сеть также снизит амплитуду помех, но приведет к резкому увеличению импульсного тока, протекающего между включаемым и дополнительным конденсатором в момент включения.

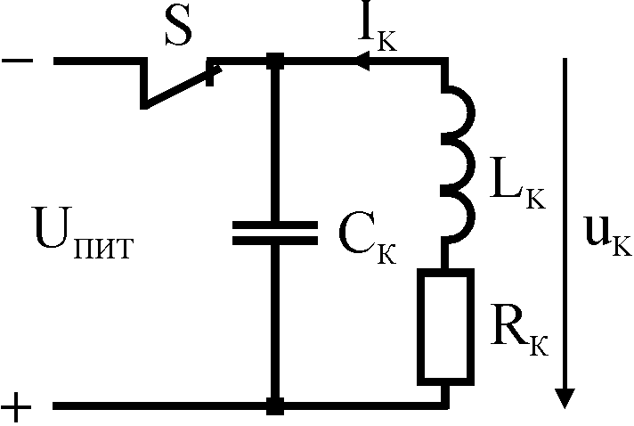
Отключение катушки индуктивности (рис.5.6) как источник импульсных помех рассмотрено в параграфе 2.4. Максимально возможная амплитуда напряжения на отключаемой катушке определяется формулой

. (5.1)

Амплитуда может во много раз превышать напряжение электропитания. Такое перенапряжение опасно для полупроводниковых приборов, подключенных к катушке, и даже для изоляции самой катушки. При отключении катушки воздушным выключателем возникают многократные пробои промежутка между контактами выключателя и создаются пачки импульсных помех в сети. Пробои сопровождаются также разрушением поверхности контактов, что снижает их срок службы. Необходимо снизить перенапряжение и устранить условия возникновения пробоев.

а) б)

Рис.5.6. Возникновение импульсных помех при отключении катушки индуктивности: а – схема для расчета напряжения на катушке; б – форма напряжения на катушке при отключении идеальным выключателем

Полное устранение перенапряжения и помех при отключении катушки индуктивности возможно только при равенстве нулю тока IK = 0 в момент отключения (5.1). В цепи переменного тока это условие может быть реализовано с помощью схемы на рис.5.7, а. Блок управления БУ включает симмистор каждый полупериод питающего напряжения, подавая напряжение на управляющий электрод относительно условного катода. Снятие управляющего напряжения приведет к выключению симмистора при ближайшем переходе тока через ноль. Для цепей постоянного тока такой момент отсутствует и использование этой схемы невозможно.

Снижение перенапряжения на катушке в цепи постоянного тока может быть осуществлено с помощью регулируемого резистора, включенного последовательно с катушкой. При плавном увеличении сопротивления резистора от нуля до бесконечности происходит относительно медленное уменьшение тока до нуля. Напряжение на катушке индуктивности, равное , может быть ограничено на заданном уровне при обеспечении соответствующей скорости изменения тока. Этот способ может быть реализован с помощью схемы на рис.5.7, б.

а б

Рис.5.7. Схемы подавления помех при отключении катушки индуктивности: а – электронный ключ для полного устранения импульсных помех в цепи переменного тока; б – регулируемое сопротивление на транзисторе для «плавного» выключения нагрузки в цепи постоянного тока

Блок управления БУ обеспечивает требуемое изменение сопротивления транзистора VT во времени, ограничивая скорость изменения тока в катушке индуктивности.

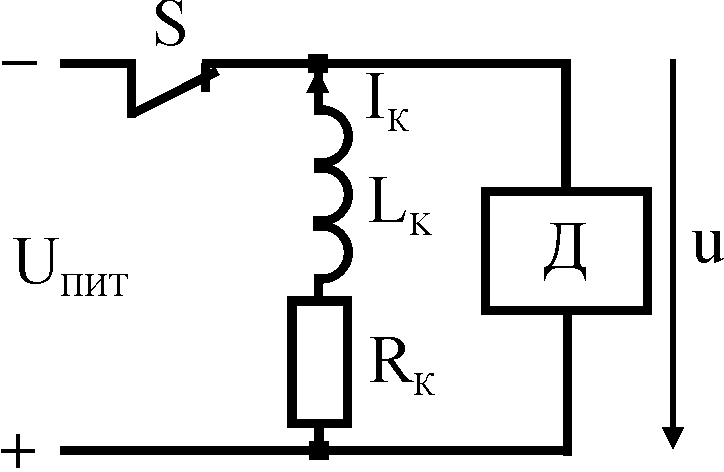
Дополнительные элементы, устанавливаемые параллельно катушке индуктивности, нашли наиболее широкое применение на практике (рис.5.8). Элемент Д обеспечивает протекание тока после отключения катушки, уменьшая скорость его изменения и соответственно перенапряжение. При правильно выбранном элементе напряжение не успевает достичь напряжения пробоя воздушного промежутка между контактами, контакты выключателя расходятся без пробоев и импульсных помех в сети не возникает.

Рис.5.8. Схема подавления помех путем установки дополнительного элемента Д параллельно катушке

В простейшем случае можно использовать в качестве дополнительного элемента резистор RД. После размыкания контактов выключателя S почти весь ток катушки будет замыкаться через этот резистор и напряжение не будет превышать . Напряжение изменяется по экспоненциальному закону с постоянной времени τ (строка 1 табл.5.1).

Резистор RД включен постоянно, и при замкнутом ключе S на нем будет выделяться мощность . Потери в резисторе снижают КПД ТС и могут быть не допустимы. Установка диода VD последовательно с резистором RД позволит устранить этот недостаток в цепи постоянного тока. Диод должен включаться в таком направлении, чтобы быть смещенным в обратном направлении напряжением источника питания. Ток через диод и потери при этом отсутствуют. После отключения катушки индуктивности весь ток замыкается через диод и резистор и схема работает аналогично схеме без диода. В цепях с малым током иногда используют диод без резистора (RД = 0). В этом случае напряжение на отключенной катушке не превышает падения напряжения на диоде в прямом направлении, т.е. одного вольта. Постоянная времени переходного процесса при этом увеличивается до τ = LK/RK, что не всегда допустимо. Например, медленное снижение тока в катушке реле может недопустимо увеличить время его срабатывания. В цепи переменного тока использование диода с резистором невозможно.

Таблица 5.1

Внешние средства подавления помех при отключении катушки индуктивности

№ п/п

Дополнительный элемент

График изменения напряжения на катушке индуктивности

Параметры напряжения

1

2

3

4