Материал: 499

Внимание! Если размещение файла нарушает Ваши авторские права, то обязательно сообщите нам

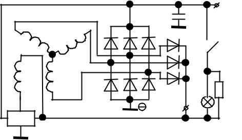
ряда; КРКЗ – контакты реле контроля заряда; Л – сигнальная лампа контроля заряда

При исправном, работающем генераторе в нулевой точке фаз образуется напряжение, равное половине напряжения бортовой сети. Через обмотку реле контроля заряда начинает проходить ток от вывода “+” генератора, обмотку, к средней точке фаз, затем возвращаться через один из верхних диодов выпрямительного моста к выводу “+” генератора. Сердечник реле намагничивается, контакты реле размыкаются и контрольная лампа гаснет.

Обмотка возбуждения ОВ генератора имеет оба изолированных вывода. Один вывод подключается к клемме “+” генератора в бортовую сеть, а второй к регулятору напряжения.

Контакты ВЗ в выключателе зажигания уже не коммутируют весь ток обмотки возбуждения, а только ток управления регулятора напряжения и работают намного надежнее, чем по предыдущей схеме.

1.13.Электрическая схема и работа генератора

сдополнительным выпрямителем

Схема подключения генератора с дополнительным выпрямителем широко применяется на автомобилях ВАЗ. При применении такой схемы на автомобиль не приходится устанавливать под капотом дополнительное реле и соединительные провода.

Промышленность выпускает генераторы 37.3701, внутрь которых устанавливаются дополнительные выпрямители (рис.5). Получается меньше деталей, дешевле и надежнее.

 

 

+14 В

 

 

С

(30)

 

СТ

ВЗ

 

 

 

 

 

ОВ

Д79 ЛКЗ

RД

 

 

 

Д16

(67)

 

Б

РН

 

 

В

 

 

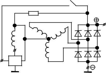
Рис. 5. Электрическая схема подключения генератора 37.3701 на ав-

томобиле ВАЗ: СТ – обмотки статора; ОВ – обмотка возбуждения;

18

РН – регулятор напряжения 17.3702; Д1…Д6 - диоды выпрямительного узла; Д7 …Д9 - диоды дополнительного выпрямителя; С – фильтрующий конденсатор; ВЗ – выключатель в замке зажигания; ЛКЗ – сигнальная лампа контроля заряда; RД – дополнительный резистор

Дополнительный выпрямитель состоит из диодов Д7…Д9. Эти диоды подключены к фазам статора генератора, вывод нулевой точки фаз не используется. Контроль работы генератора осуществляется также с помощью лампы контроля заряда.

На задней крышке генератора установлен фильтрующий металлобумажный конденсатор С. Он снижает помехи в бортовой сети, создаваемые генератором при работе регулятора напряжения. Эти помехи отражаются на качестве работы радиоприемника и магнитофона.

При неработающем генераторе на обмотку возбуждения ОВ подается небольшой ток возбуждения величиной 0,4 А. Он обеспечивает намагничивание полюсных половин ротора и последующее самовозбуждение генератора. Ток проходит через лампу контроля заряда ЛКЗ и она горит красным светом. Через контакты выключателя зажигания ВЗ проходит только небольшой ток для самовозбуждения генератора.

Когда генератор вступает в работу, тогда на выходе дополнительного выпрямителя образуется напряжение, равное напряжению в бортовой сети. Разность потенциалов на выводах контрольной лампы становится равной нулю и она гаснет. На обмотку возбуждения подается полный рабочий ток от дополнительного выпрямителя.

По такой схеме обмотка возбуждения питается от дополнительного выпрямителя и при неработающем двигателе разряд аккумуляторной батареи снижается.

В генератор устанавливается интегральный регулятор напряжения 17.3702, который коммутирует ток возбуждения между массой и выводом обмотки.

Для обеспечения работы генератора в случае перегорания контрольной лампы параллельно ей установлен дополнительный резистор RД. Через этот резистор подается небольшой ток, достаточный для самовозбуждения генератора, мимо контрольной лампы. При сгоревшей лампе, без дополнительного резистора генератор не будет работать, так как начальное магнитное поле в роторе отсутствует.

1.14. Электрическая схема и работа генератора Г272 автомобиля КамАЗ

Первые модели автомобилей КамАЗ оснащались генератором Г272. Этот генератор напряжением 28 В имел в обмотках статора в два раза больше витков более тонкого провода, чем Г250. Обмотка возбуждения наматывалась тоже более тонким проводом и рассчитывалась на напряжение 28 В.

19

Вэлектрической схеме отсутствовали дополнительные элементы контроля заряда (рис. 6), а работа генератора контролировалась с помощью амперметра.

Вщеточном узле генератора обе щетки выполнялись изолированными от массы и имели надписи Ш1 и Ш2.

Для регулирования напряжения применялся регулятор модели РР356, изготовленный на базе кремниевых транзисторов. Один вывод обмотки возбуждения подключался в бортовую сеть, а второй к регулятору напряжения.

 

ВЗ

 

Ш1

Д13

28 В

Ф2

 

ОВ

Ф1

 

СТ

 

Ш2

 

Ф3

 

РН

 

Д46

 

 

 

Рис. 6. Электрическая схема подключения генератора Г272 на автомобиле КамАЗ: СТ – обмотки статора; ОВ – обмотка возбуждения; РН – регулятор напряжения РР356; Д1…Д6 - диоды; ВЗ – выключатель в замке зажигания

1.15. Электрическая схема и работа генератора Г273 автомобиля КамАЗ

В настоящее время для автомобилей КамАЗ применяются более совершенные генераторы Г273.

Для унификации генератора Г273 с наиболее распространенным генератором Г250 этот генератор изготовлен на базе его деталей.

Чтобы получить напряжение 28 В вместо 14 В перемотаны обмотки статора. На задней крышке генератора установлен резистор подпитки и интегральный регулятор напряжения Я120М.

Для согласования числа оборотов двигателя и ротора генератора заменен шкив. Остальные детали остались без изменений.

За счет унификации сократилось количество запасных частей и упростилась технология производства.

Электрическая схема генератора показана на рис. 7.

20

Так как обмотка возбуждения осталась без изменений и рассчитана на питание 14 В, то она подключена к нулевой точке фаз. При работе генератора в этой точке напряжение равно 14 В.

Для самовозбуждения генератора на обмотку возбуждения подается ток 0,3 А через дополнительный проволочный керамический резистор подпитки. Этот ток обеспечивает создание начального магнитного поля в полюсных половинах ротора. При пуске двигателя генератор вступает в работу и напряжение в нулевой точке постепенно достигает 14 В.

 

ВЗ

 

RП

 

 

 

Д13

28 В

Ф1

Ф2

 

 

 

ОВ

+14В

 

СТ

 

Ш

Ф3

 

РН

 

 

В

Д46

 

Рис. 7. Электрическая схема подключения генератора Г273 на автомобиле КамАЗ: СТ – обмотки статора; ОВ – обмотка возбуждения; РН – регулятор напряжения Я120М; Д1…Д6 - диоды; ВЗ – выключатель в замке зажигания; RП -резистор подпитки

Если убрать резистор подпитки, то при пуске двигателя генератор не сможет возбудиться и его ротор будет вращаться вхолостую.

Контакты в замке зажигания коммутируют небольшой ток управления интегрального регулятора.

1.16. Особенности генераторов для автобусов

На автомобилях – автобусах требуется большой ток для питания ламп, освещающих пассажирский салон. Поэтому для них применяются специальные генераторы большой мощности.

Мощность генератора Г250 составляет 500 Вт, а генераторов Г266 (автобусы ПАЗ) 840 Вт и Г289 (автобусы ЛиАЗ и ЛАЗ) 2200 Вт.

Эти генераторы обладают большими размерами, их шкивы содержат по два ручья.

Для повышения нагрузочной способности обмотки статора генераторов для автобусов соединяют по схеме треугольник.

21

На задней крышке генераторов имеются выводы фаз генератора с надписями С1, С2 и С3. К этим выводам подключаются лампы освещения салона автобуса. Нити ламп питаются переменным током. Снижается нагрузка на выпрямительные диоды генератора. Уменьшается нагрев диодов и всего генератора, повышается надежность его работы.

1.17. Характеристики генераторов

Завод - изготовитель гарантирует соответствие технических параметров генератора паспортным данным. Основной технической характеристикой генератора является его токоскоростная характеристика.

Токоскоростная характеристика представляет собой зависимость тока генератора от частоты вращения ротора (рис. 8). Она снимается при постоянном напряжении на выходных клеммах генератора, равном номинальному.

На основе токоскоростной характеристики определяются перечисленные ниже технические параметры генератора.

Начальная частота вращения ротора без нагрузки N0, при которой достигается номинальное напряжение и генератор вступает в работу. Чем меньше начальная частота, тем лучше генератор, так как он лучше обеспечивает питание потребителей на холостом ходу двигателя.

Наибольшая сила тока IМАХ, отдаваемая генератором в нагрузку. Для генераторов переменного тока IМАХ определяется при заданной максимальной частоте вращения ротора NМАХ.

Номинальная мощность генератора РГ рассчитывается как произведение номинального напряжения на наибольшую силу тока.

 

IМАХ

 

I,A

 

 

 

 

IN

 

 

 

I

MK,H м

 

 

 

MKМАХ

 

 

 

MK

0

N0

NN N, мин-1

Рис.8. Токоскоростная характеристика генератора: I - ток нагрузки; N – частота вращения ротора; МК - крутящий момент, требуемый

22