|
|
11 |
|
|
|
|
|
|
S*уд |
Va (Bп у ly ) |
(17) |
||||||
|
|
|
|
|||||
|
|
Vп cos |
|
|||||
|
S уд |
|
|
S |
п |
, |
|
|
|
Va |
|
|
Vп |
|
|||
и |
|
|
|
|
|
|
|
|
или |
|
|
|
|
|
|
|
|
Sп |
Vп |
S уд . |
(18) |
|||||
|
||||||||
|
|
Vа |
|
|
|
|||
Для нахождения удаления необходимо подставить численные значения в |
||||||||
уравнения (16), (17) и (18). Совместное их решение даст искомое значение удаления автомобиля.
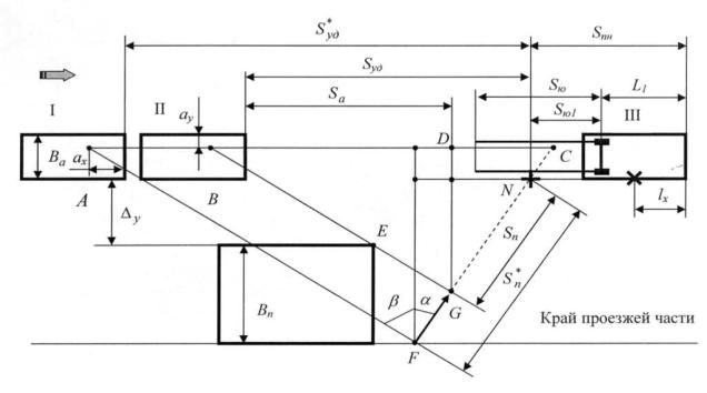
На рисунке 6 представлена схема бокового наезда.
Рис. 6. Схема наезда при равномерном движении автомобиля и боковом ударе пешехода
При наезде боковой поверхностью автомобиля, уравнения (16), (17) и (18) для данного варианта будут иметь вид
S*уд ах Sп* sin |
|
Sуд ах Sп sin |
, |
(19) |
||||||||||
B |
у |
В |
а |
у |
S |
п |
cos В |
а |
у |
|||||
п |
а |
|
|
|
|
|
а |
|
|
|
||||
|
|
S*уд |
|
Va (Bп у ) |
lx , |
|
|
|
(20) |
|||||
|
|
|
|
|
|
|||||||||
|
|
|
|
|
Vп cos |
|
|
|
|
|
||||
12
Sп |
Vп |
S уд lх . |
(21) |
|
|||
Vа |
|
||
Как видно из последовательности вычисления, величина |
х не участвует |
||
в расчетах. Однако она косвенно оказывает непосредственное влияние на значения основных рассчитываемых параметров, а с увеличением х появляется возможность рассмотрения наезда автомобиля на пешехода, двигающегося под углом во встречном движению автомобиля направлении.
Дальнейшая последовательность исследования как и в известных методи-
ках.
Рассмотрим далее наезд при замедленном движении автомобиля и попутном диагональном движении пешехода. Схема наезда на пешехода при замедленном движении автомобиля представлена на рис. 7.
Рис. 7. Схема наезда при замедленном движении автомобиля и торцевом ударе пешехода
В соответствии со схемой расчет удаления автомобиля от места наезда произведем следующим образом.
Геометрическое условие определим соотношением (16)
S*уд ах Sп* sin |
|
|
Sуд ах Sп sin |
|
. |
||||||||
B |
у |
В |
а |
у |
S |
п |
cos В |
а |
у |
l |
|
||
п |
а |
|
|
|
а |
|
|
у |
|||||
Найдем основные величины по формулам (11), (12), (13) и (14).
13
Удаление автомобиля от места наезда
|
V S |
п |
|
(V V )2 |
|
|
Sуд |
a |
|
a н |
. |
(22) |
|
Vп |
|
|
||||
|
|
|
2 j |
|
||
Подставим числовые значения в уравнения (14), (16) и (22). Из уравнения (22) выразим S п и подставим в (16).
Совместное решение уравнений (14), (16) и (22) даст искомое удаление автомобиля от места наезда.
В случае, если удар пешеходу нанесен боковой поверхностью автомобиля (рис. 8), формула (22) примет вид
|
V S |
п |
|
(V V )2 |
|
|
Sуд |
a |
|
a н |
lx . |
(23) |
|
Vп |
|
2 j |
||||
|
|
|
|
|
Тогда удаление автомобиля можно определить, решив совместно уравне-
ния (15), (19) и (23).
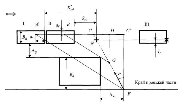
Рис. 8. Схема наезда при замедленном движении автомобиля и боковом ударе пешехода
Если So < S уд, исследование заканчивают.
Рассмотрим теперь случай наезда на пешехода торцевой частью автомобиля, когда пешеход вышел на проезжую часть на некотором расстоянии х из-за неподвижного препятствия под произвольным углом во встречном движению автомобиля направлении (рис. 9). Дополнительным построением покажем предполагаемое положение автомобиля в момент появления пешехода на проезжей час-
14
ти (позиция I), в момент появления пешехода в зоне видимости водителя автомобиля (позиция II), и после наезда (позиция III).
Начертим треугольники обзорности.
Рис. 9. Схема наезда при равномерном движении автомобиля и торцевом ударе пешехода
Найдем удаление автомобиля от места наезда следующим образом. Из треугольников обзорности АС F и BDG
|
|
|
|
|
АС |
|
|
|
BD |
, |
|
|
|
|
|
|
|||
|
|
|
|
|
С F |
DG |
|
|
|
|
|
|
|||||||
|
|
|
|
|
|
|
|
|
|
|
|
|
|
||||||
или |
|
|
|
|
|
|
|
|
|
|
|
|
|
|
|
|
|
|
|
|
S*уд ах Sп* sin |
|
|
|
|
Sуд ах Sп sin |
|
. |
(24) |
||||||||||
|
B |
|
у |
В |
а |
у |
|
|
S |
п |
cos В |
а |
у |
l |
|
||||
|
п |
|
а |
|
|
|
|
|
|
а |
|
|
у |
|
|||||
Из кинематического условия движения автомобиля и пешехода, аналогично предыдущему случаю наезда
|
S*уд |
|
Sп* |
, |
или S*уд |
Va (Bп у ly ) |
||||||||
|
|
|
|
|
||||||||||
|
|
Vп |
|
|
|
|||||||||
|
Va |
|
|
|
|
|
|
Vп cos |
||||||
и |
|
|
|
|
|
|
|
|
|
|
|
|||
|
|
|
S уд |
|
|
S |
п |
|
|
V |
||||
|
|
|
|
|
|
|
|
|
, или Sп |
|
п |
S уд . |
||
|
|
|
Va |
|
|
|
|
|
||||||
|
|
|
|
|
Vп |
Vа |
||||||||
15
Таким образом, для нахождения удаления автомобиля от места наезда, необходимо подставить численные значения и решить относительно S уд уравнения
(24), (17) и (18).
При боковом ударе пешехода автомобилем геометрическое условие
S*уд ах Sп* sin |
|
Sуд ах Sп sin |
. |
(25) |
||||||||
B |
у |
В |
а |
у |
S |
п |
cos В |
а |
у |
|||
п |
а |
|
|
|
а |
|
|
|
||||
Совместно с уравнением (25), необходимо решить уравнения (20) и (21), предварительно подставив численные значения исходных параметров.
Схема бокового наезда представлена на рис. 10.
Рис. 10. Схема бокового наезда автомобиля на пешехода, двигавшегося под углом к направлению движения автомобиля
На рис.11 представлена схема дорожно-транспортного происшествия при замедленном движении автомобиля и торцевом наезде на пешехода.
При данном наезде из треугольников обзорности АС F и BDG , аналогично предыдущему случаю запишем геометрическое условие (24)
S*уд ах Sп* sin |
|
|
Sуд ах Sп sin |
|
. |
||||
Bп у Ва ау |
S |
|
cos В |
а |
|
l |
|
||
|
п |
у |
у |
||||||
|
|
|
а |
|
|
||||
Согласно формул (14) и (22)