Материал: 4270

Внимание! Если размещение файла нарушает Ваши авторские права, то обязательно сообщите нам

6

2, 3]. Если остановочный путь больше удаления, продолжают исследование в установленном порядке.

В случае если удар пешеходу нанесен боковой поверхностью автомобиля, при той же последовательности расчета, необходимо учесть расстояние от передней части автомобиля до места контакта его с пешеходом на боковой поверхности. Схема наезда при боковом ударе автомобилем пешехода показана ни рис. 2.

Рис. 2. Схема наезда при боковом ударе пешехода Для данного случая наезда формулы расчета (1), (3), (4) и (6) корректи-

руют согласно схемы дорожно-транспортного происшествия, и они соответственно примут вид

 

 

 

 

 

S

 

S

В

 

tg lх ,

 

 

 

 

 

 

(7)

 

 

 

 

 

 

уд

S* a В п у tg а

 

 

 

 

 

 

 

 

 

 

 

 

 

 

tg

уд

 

п

у

 

 

 

 

х

,

 

 

 

 

 

 

(8)

 

 

 

 

 

Вп у Ва а у

 

 

 

 

 

 

 

 

 

 

 

 

 

 

 

 

 

 

 

 

 

 

 

S

 

 

S*уд Вп у tg ах

В

 

 

а

 

 

В

 

 

tg а

 

l

 

, (9)

уд

 

у

у

у

х

x

 

 

Вп

у

Ва а у

 

а

 

 

 

 

п

 

 

 

 

 

 

 

 

 

 

 

 

 

 

 

 

 

 

 

 

 

 

 

7

S

*

 

Va Вп у l

x

.

(10)

уд

 

 

Vп cos

 

 

 

 

 

 

 

 

Рассмотрим теперь схему наезда на пешехода, движущегося под произвольным углом от края проезжей части, при замедленном движении автомобиля, так же в условиях видимости, ограниченной неподвижным препятствием

(рис. 3).

Рис. 3. Схема наезда при замедленном движении автомобиля и торцевом ударе пешехода

При исследовании данной разновидности наезда эксперту-автотехнику необходимо дополнительно знать полную длину тормозного следа Sю , длину

тормозного следа после наезда Sю1 и перемещение автомобиля до полной оста-

новки после наезда Sпн .

Удаление, как и в случае наезда при постоянной скорости автомобиля, определим по формуле (4).

Для нахождения S *уд найдем скорость движения автомобиля до торможения и во время наезда.

Предварительно определим перемещение автомобиля в заторможенном

состоянии после наезда

 

Sпн Sю1 L1

(11)

8

(при наезде боковой частью автомобиля Sпн Sю1

L1 lх ).

 

 

Скорость автомобиля в момент наезда

 

 

 

 

 

 

 

 

 

 

 

 

 

 

 

 

 

 

 

 

 

 

 

Vн 2Sпн j .

 

 

 

 

 

 

(12)

Скорость автомобиля перед торможением

 

 

 

 

 

 

 

 

 

 

 

 

 

 

 

 

 

 

 

Va 0,5t3 j 2Sю j .

 

 

 

(13)

Удаление автомобиля от места наезда в момент появления пешехода на

проезжей части будет равно

 

Va Вп у l у

 

 

 

 

 

 

 

S*

 

 

(Va Vн )2

 

,

(14)

 

 

 

уд

 

Vп cos

 

 

 

2 j

 

 

 

 

 

 

 

 

 

Совместное решение уравнений (4) и (14) даст искомое удаление автомобиля от места наезда.

В случае, если удар пешеходу нанесен боковой поверхностью автомобиля при замедленном его движении (рис. 4), формула (14) примет вид

Рис. 4. Схема наезда при замедленном движении автомобиля и боковом

ударе пешехода

 

 

Va Вп у

 

 

 

 

 

S

*

 

(Va Vн )2

l

х

.

(15)

уд

 

 

 

Vп cos

2 j

 

 

 

 

 

 

 

 

 

 

При этом удаление рассчитаем по уравнению (9)

 

 

 

 

 

9

 

 

 

 

 

 

 

 

 

 

S

 

 

S*уд Вп у tg ах

В

 

а

 

В

 

tg а

 

l

 

.

уд

 

у

у

у

х

x

 

 

Вп

у Ва а

 

а

 

п

 

 

 

 

 

 

у

 

 

 

 

 

 

 

 

 

 

Рассмотрим пример расчета удаления автомобиля при анализе ДТП с использованием представленных схем наезда.

Рассчитаем удаление автомобиля от места наезда на пешехода, идущего от края проезжей части под углом, например 45 град, в попутном движению автомобиля направлении. Пусть эксперту-автотехнику заданы следующие данные.

Автомобиль – «Жигули» ВАЗ – 2105: Ва - 1,68 м; ах - 1,8; ау - 0,5.

Наезд совершен передней частью автомобиля: ly - 1,0 м. Скорость движения автомобиля – 50 км/ч.

Пешеход: ребенок 8 лет; темп движения - быстрый бег (11,5 км/ч).

Угол движения 450: sin 0,7 ; cos 0,7 ;

tg 1 .

 

 

 

 

 

 

Ширина препятствия - 2,5 м.

 

 

 

 

 

 

 

 

 

 

 

Расстояние от препятствия до автомобиля у

-1,5 м.

 

 

 

 

Удаление автомобиля от места наезда определим, используя формулы (4)

и (6)

 

 

 

S*уд Вп у lу tg ах

 

 

 

 

 

 

 

 

 

 

 

 

S

 

 

В

 

а

 

В

 

l

 

tg а

 

;

уд

 

 

 

у

у

у

у

х

 

 

 

Вп у

 

а

 

 

п

 

 

 

 

 

 

 

Ва ау

 

 

 

 

 

 

 

 

 

 

 

S*

 

Va Вп у lу

.

 

 

 

 

 

 

 

 

 

 

 

 

 

 

 

 

 

 

 

 

 

 

 

 

 

уд

 

 

Vп cos

 

 

 

 

 

 

 

 

 

 

 

 

 

 

 

 

 

 

 

 

 

 

 

 

 

 

 

 

 

 

Подставим значения параметров в уравнения.

 

 

 

 

 

 

 

S*уд

 

50(2,5 1,5 1)

31,1 м.

 

 

 

 

 

 

 

 

 

 

 

 

 

 

 

 

 

 

 

 

 

 

 

 

 

 

 

11,5 0,7

 

 

 

 

 

 

 

 

 

 

 

 

 

Sуд 31,1 (2,5 1,5 1) 1 1,8 (1,68 1,5 0,5) (2,5 1,5 1) 1 1,8 17,6 м. 2,5 1,5 1,68 0,5

Sуд 17,6 м.

Анализируя схему и расчеты можно заключить, что полученные уравнения пригодны для отыскания удаления автомобиля от места наезда на пешехода при проведении автотехнической экспертизы.

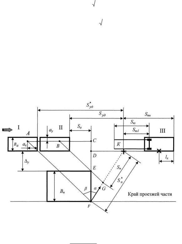
Рассмотрим теперь случай наезда на пешехода торцевой частью автомобиля, когда пешеход вышел на проезжую часть на некотором расстоянии х из-за

AC'F

10

неподвижного препятствия под произвольным углом в попутном движению автомобиля направлении (рис. 5).

Рис. 5. Схема наезда при равномерном движении автомобиля и торцевом ударе пешехода

Дополнительным построением так же покажем предполагаемое положение автомобиля в момент появления пешехода на проезжей части (позиция I), в момент появления пешехода в зоне видимости водителя автомобиля (позиция II), и после наезда (позиция III).

Начертим треугольники обзорности и BDG .

Для случая наезда при движении автомобиля с постоянной скоростью, согласно рисунку запишем геометрическое условие

 

 

АС

 

 

 

 

BD

,

 

 

 

 

 

 

 

 

С F

 

 

 

 

 

 

 

 

 

 

 

 

 

 

 

DG

 

 

 

 

 

 

или

 

 

 

 

 

 

 

 

 

 

 

 

 

 

S*уд ах Sп* sin

 

 

 

Sуд ах Sп sin

 

.

(16)

 

Bп у Ва ау

 

S

 

 

cos В

а

 

l

 

 

 

 

п

у

y

 

 

 

 

 

 

 

 

а

 

 

 

Кинематические условия запишем следующим образом

S*уд Sп* ,

Va Vп

или