Материал: 4183

Внимание! Если размещение файла нарушает Ваши авторские права, то обязательно сообщите нам

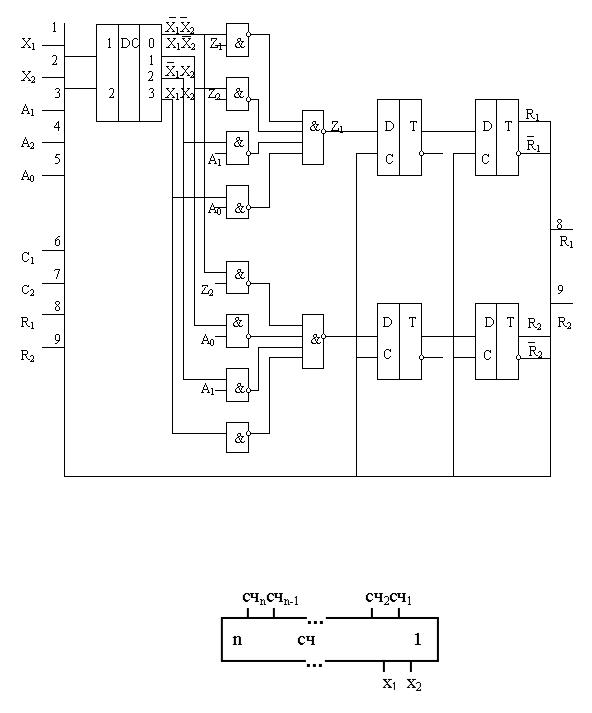
Рисунок 10 - Схема регистра.

Описания счетчиков совершенно аналогичны. Схема счетчика на структурных схемах представляется следующей:

Рисунок 11 -Счетчик, выполняющий четыре микрооперации.

Набор выполняемых счетчиками микроопераций обычно содержит некоторое подмножество из следующих преобразований хранящегося в нем кода:

n сброс счетчика в 00...0 или установка счетчика в ноль (Счi(t+1)=0, i=1,2,...,n.

n хранение (Счi(t+1)= Счi(t) , i=1,2,...,n;

n прямой счет (Счi(t+1)= Счi(t)+1) , i=1,2,...,n:

n обратный счет (Счi(t+1)= Счi(t) -1) , i=1,2,...,n.

Например, представим счетчик, реализующий следующий набор микро операций.

16

X1

Х2

Наименование микро операцииОписание микрооперации

0

0

Хранение кода

счi(t+1):= счi(t),i=1,2,…,к

0

1

сброс кода

ri(t+1):=0,i=1,2,…,к

1

0

+1(прямой счет)

 

1

1

-1(обратный счет)

 

Необходимы дополнительные комментарии к операциям прямого (+1) и обратного (-1) счета. Счетчики могут реализовывать разные последовательности наборов (счет в различных системах) - счет в позиционной двоичной системе счисления, счет в коде Грея и т. д. Можно представить счетчик, реализующий произвольную последовательность n- разрядных наборов(не обязательно содержащую все возможные 2n возможных, но не повторяющихся, т. е. после некоторого очередного набора следует только один возможный.

Пусть наш трехразрядный(к=3) счетчик считает в коде Грея.

ч3 ч2 ч1

Тогда наш счетчик должен реализовывать следующую систему трех булевых функций пяти переменных:

Рисунок 12 - Логическое описание работы счетчика.

17

Система булевых функций счетчика такова. cч1(t+1)=⌐x1⌐x2cч1(t)Vx1⌐x2

(⌐сч2(t)⌐сч3(t)Vcч2(t)сч3(t))Vx1x2(сч2(t)⌐сч3(t)V ⌐cч2(t)сч3(t))

cч2(t+1)=⌐x1⌐x2cч2(t)Vx1⌐x2 (сч1(t)⌐сч3(t)V⌐cч1

(t)сч2(t))Vx1x2(⌐сч1(t)сч2 (t)V cч1(t)сч3(t))

cч3(t+1)=⌐x1⌐x2cч3(t)Vx1⌐x2 (⌐сч1(t)сч2(t)Vcч1 (t)сч3(t))Vx1x2(⌐сч1 (t)⌐сч2(t)V

cч1(t)сч3(t))

Рисунок 13 - Схема счетчика.

Практическое задание. Выполнить задание.

1. Построить схему трех разрядного регистра на D-триггерах по следующей таблице микроопераций.

1

2

Микро операция

 

 

 

Прием кода

18

 

 

 

 

Хранение кода

 

 

 

 

 

 

 

 

сдвиг

циклический

 

 

 

 

 

 

 

 

влево.

 

 

 

 

 

 

 

 

 

 

сдвиг

циклический

 

 

 

 

 

 

 

 

вправо.

 

 

 

 

 

 

 

 

2. Построить схему трех разрядного счетчика в позиционной системе

на D-триггерах по следующей таблице микро операций.

 

 

 

 

Микро

 

 

 

 

 

 

 

1

 

2

операция

 

 

 

 

 

 

 

 

 

 

Сброс кода

 

 

 

 

 

 

 

 

Хранение

 

 

 

 

 

 

 

 

кода

 

 

 

 

 

 

 

 

 

 

+1(прямой

 

 

 

 

 

 

 

 

счет)

 

 

 

 

 

 

 

 

 

 

-

 

 

 

 

 

 

 

 

 

 

1(обратный счет)

 

 

 

 

 

 

3. Построить схему трехразрядного регистра на D-триггерах по

следующей таблице микроопераций.

 

1

 

2

Микро операция

 

 

 

 

 

 

 

 

 

 

 

 

 

 

 

Прием кода

 

 

 

 

 

 

Хранение кода

 

 

 

 

 

 

Сдвиг циклический в право.

 

 

 

 

 

 

Преобразование в обратный код, r3(t)- знак

 

 

 

 

 

 

числа.

 

 

 

 

 

 

 

 

4. Построить схему трех разрядного счетчика на D-триггерах по

следующей таблице микроопераций.

 

1

 

2

Микрооперация

 

 

 

 

 

 

 

 

 

 

 

 

 

 

 

Сброс кода

 

 

 

 

 

 

Хранение кода

 

 

 

 

 

 

 

+1(прямой счет в позиционной

 

 

 

 

 

 

 

системе)

 

 

 

 

 

 

 

 

 

 

-1(обратный счет в коде Грея)

 

 

 

 

 

5. Построить схему трехразрядного регистра на D-триггерах по

следующей таблице микроопераций.

 

1

 

2

Микрооперация

 

 

 

 

 

 

 

 

 

 

 

 

 

 

Преобразование в обратный код, r3 (t)- знак

 

 

 

 

 

числа.

 

 

 

 

 

 

 

 

 

 

Хранение кода

 

 

 

 

 

Прием кода

 

 

 

 

 

Сдвиг циклический влево

 

19

6. Построить схему трехразрядного счетчика в позиционной системе на D-триггерах по следующей таблице микро операций.

Микро 1 2 операция

Сброс кода

-

1(обратный счет)

+1(прямой

счет)

Хранение

кода

7. Построить схему трехразрядного регистра на D-триггерах по следующей таблице микроопераций.

1

2

Микро операция

 

Прием кода

сдвиг циклический влево

Сдвиг вправо с заполнением освобождающегося разряда а0.

Хранение кода

8. Построить схему четырехразрядного счетчика на D-триггерах по следующей таблице микро операций.

1Микро операция Запись кода а4a3a2a1

+1(прямой счет – 0000-0001-0011-0111-1111-1101-1100-1110- 0110-0101-0100-0010-1010-1011-1001-1000

9. Построить схему трехразрядного регистра на D-триггерах по следующей таблице микроопераций.

 

1

 

2

Микро операция

 

 

 

 

 

 

 

 

 

 

Прием кода

 

 

 

 

 

сдвиг циклический вправо

 

 

 

 

 

Сдвиг влево с заполнением освобождающегося

 

 

 

 

 

разряда а0.

 

 

 

 

 

Хранение кода

 

 

 

10. Построить схему трехразрядного счетчика в коде Грея на D-

триггерах по следующей таблице микроопераций.

 

 

 

 

Микро

 

 

1

 

2

операция

 

 

 

 

 

Занесение кода

 

 

 

 

 

 

а3а2а1

 

 

 

 

 

-1(обратный

 

 

 

 

 

 

счет)

 

20