Материал: 4183

Внимание! Если размещение файла нарушает Ваши авторские права, то обязательно сообщите нам

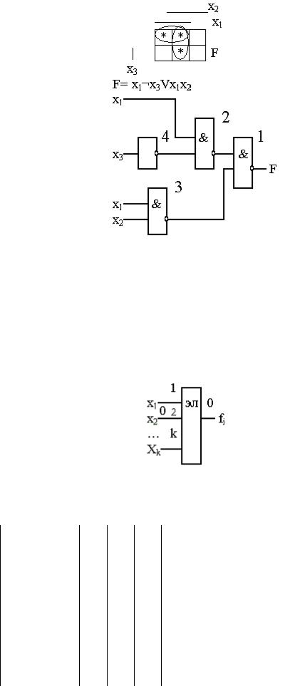
Рисунок 41. Простая функция и схема для построения проверяющего теста.

Элементы, начиная от головного, пронумерованы – 1.2.3.4. Таблицу функций неисправностей начинаем строить с головного элемента, перебираем неисправности. Варианты перебора обозначаем так: i, j, σ, где i – номер рассматриваемого элемента, j –номер его входа-выхода, σ – тип неисправности( σ { 0, 1}. Выход элемента получает номер 0. входы – номера 1,2,…,к, где к – число входов.

Рисунок 42. Неисправность i,2,0.

 

 

1

2

3

4

5

6

 

 

 

X1x2x3F1,0,01,0,11,1,11,2,12,1,12,2,13,1,1

 

 

A0 0 0

0

0

▀1

0

0

▀1

0

0

B 0 0 1

0

0

▀1

0

0

0

0

0

C 0 1 1

0

0

▀1

0

0

0

0

▀1

D0 1 0

0

0

▀1

0

0

▀1

0

▀1

E 1 1 0

1

▀0

1

1

1

1

1

1

F 1 1 1

1

▀0

1

1

▀0

1

1

1

G1 0 1

0

0

▀1

0

0

0

▀1

0

H1 0 0

1

▀0

1

▀0

1

0

1

1

 

 

 

 

 

 

41

 

 

1,1,02,0,1

1,2,02,1,03,0,1 3,2,1

2,0,02,2,03,1,0 4,0,1

3,0,04,0,04,1,13,2,0 4,1,0

Сначала заполняем столбец F, в нем три 1, наборы!00, 110 и 111. Затем

– перебор одиночных неисправностей, начиная с головного элемента. 1,0,0 – выход схемы, неисправность 0. Заполняем столбец 2. 1,0,1 – снова выход схемы неисправность 1. Отмечаем значком ▀ наборы, на которых значения выхода схемы отличаются от исправных. Неисправности тождественные 0 на входах головного элемента(1,1,0 и 1,2,0) приводят к тождественной 1 на выходе схемы, т. Е. не отличаются от уже перечисленной неисправности 1,0,1. Остаются неисправности 1,1,1 и 1,2,1. Как уже отмечалось, эти неисправности приводят к исчезновению интервалов, поданных на соответствующие входы. 1,1,1 – исчезает интервал х1х3. Это приводит к исчезновению одного набора – 100. Второй набор интервала по-прежнему покрывается остающимся интервалом. 1,2,1 – исчезает набор 111, второй набор интервала покрывается оставшимся интервалом. Все 6 неисправностей головного элемента просмотрены. Неисправности 0 и 1 на выходе элемента 2 аналогичны неисправностям 0 и 1 на входном полюсе головного элемента 1. Неисправности 0 на входах элемента 2 приводят к появлению 1 на выходе элемента 2. Для этого элемента остались только неисправности (2,1,1)и (2,2,1). Как уже отмечалось, появление неисправности 1 на входе элемента второго уровня вызывает расширение интервала по переменной, поданной на этот вход. Неисправность (2,1,1) означает расширение интервала х1х3, реализованного элементом 2, по переменной х1 до интервала х3. Последний покрывает наборы 000 и 010, на которых вместо 0 появляется 1. Неисправность (2,2,1) означает расширение того же интервала по переменной х3 до интервала х1, что означает покрытие элемента 101. Вместо 0 появляется лишняя 1. Аналогично, неисправности (3,0,0) и (3,0,1) вызывают уже рассмотренные функции неисправности (1,2,0) и (1,2,1) соответственно. Неисправности 0 на входах элемента 3 приводят к уже рассмотренной функции неисправности (3,0,1). Неисправность 1 на входе 3,1 приводит к расширению интервала х1х2 до х2 что вызывает покрытие наборов 010 и 011, на которых вместо 0 реализуется 1. неисправность 1 на входе 3,2 приводит к реализации уже рассмотренной функции неисправности (2,2,1). Остался элемент 4, это инвертор. Его неисправности приводят к уже полученным функциям (2,2,0) и (2,2,1).Все возможные функции неисправностей построены, их оказалось 7. Нумеруем столбцы цифрами 1,2,…,7, строки латинскими буквами A, B,…,H и строим новую таблицу из 7 столбцов и 8 строк, заполняя ее элементы: FΘFнеиспр, т. Е. 1 отмечаются элементы, где исправная функция отличается от неисправной.

42

 

12

34

 

56

 

7

A

1

 

 

1

 

 

B

 

1

 

 

 

 

 

C

 

1

 

 

 

 

1

D

 

1

 

 

1

 

1

E

1

 

 

 

 

 

 

F

1

 

 

1

 

 

 

G

1

 

 

 

1

 

H1

 

1

 

 

 

 

 

 

 

 

 

 

 

 

По этой таблице мы строим кратчайшее покрытие – множество наборов, проверяющих наличие в схеме хотя бы одной неисправности – минимальный проверяющий тест – D, F,G, H.

Практическое задание. Построить минимальный проверяющий тест

СПИСОК ЛИТЕРАТУРЫ 1. Сербулов, Ю. С. Цифровые автоматы [Текст]: учебное пособие / Ю. С.

Сербулов, Е. А. Аникеев; ВГЛТУ. - Воронеж, 2017. - 124 с.

2. Рафиков, Р.А. Электронные сигналы и цепи. Цифровые сигналы и устройства [Электронный ресурс]: учебное пособие / Р.А. Рафиков. - Электрон. дан. - Санкт-Петербург: Лань, 2016. - 320 с. - ЭБС "Лань".

3.Браммер Ю.А. Импульсные и цифровые устройства / Ю.А. Браммер, И.Н.. Пащук– М.: Высшая школа, 2003. – 218 с.

4.Брауэр В. Введение в теорию конечных автоматов. Перевод с английского под редакцией Ю.И. Журавлева / В. Брауэр -М. Радио и связь, 1987,

-392с.

43