11
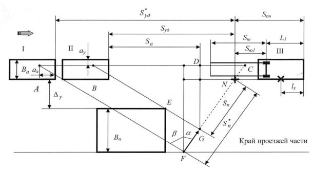
Рассмотрим теперь случай наезда на пешехода торцевой частью автомобиля, когда пешеход вышел на проезжую часть на некотором расстоянии х из-за неподвижного препятствия под произвольным углом в попутном движению автомобиля направлении (рис. 5).
Рис. 5. Схема наезда при равномерном движении автомобиля и торцевом ударе пешехода
Дополнительным построением так же покажем предполагаемое положение автомобиля в момент появления пешехода на проезжей части (позиция I), в момент появления пешехода в зоне видимости водителя автомобиля (позиция II), и после наезда (позиция III).
Начертим треугольники обзорности AC'F и BDG .
Для случая наезда при движении автомобиля с постоянной скоростью, согласно рисунку запишем геометрическое условие
САС′F′ = DGBD ,
или
S* |
+а |
х |
−S* sinα |
|
|
S |
уд |
+а |
х |
−S |
п |
sinα |
|
. |
(16) |
||||
уд |
|
п |
|
= |
|
|
|
|
|
|
|
|
|
||||||
B |
+ |
у |
+ В −а |
у |
S |
|
cosα + В −а |
|
−l |
|
|||||||||
|
п |
у |
y |
|
|||||||||||||||
п |
|
а |
|
|
|
|
|
|
а |
|
|
|
|
||||||
Кинематические условия запишем следующим образом
|
|
|
|
|
12 |
|
|
|
|
|
|
|
|
|
S*уд |
|
|
S |
* |
, |
|
|
|||
|
|
|
|
|
= |
|
|
п |
|
|
||
|
|
V |
V |
|
|
|||||||
|
|
|
|
|
|
|
||||||
|
|
|
|
a |
|
|
|
|
п |
|
|
|
или |
|
|
|
|
|
|
|
|
|
|
||
S уд* = |
Va (Bп + |
|
|
у +ly ) |
(17) |
|||||||
|
|
|
|
|
|
|
||||||
|
|
|
|
V cosα |
|
|
||||||
|
|
|
|
|
п |
|
|
|
|
|
|
|
и |
|
|
|
|
|
|
|
|
|
|
||
|
|
Sуд |
= |
S |
п |
, |
|
|
||||
|
|
V |
V |
|
|
|||||||
|
|
|
|
|
|
|
||||||
|
|
|
|
a |
|
|
|
|
п |
|
|
|
или |
|
|
|
|
|
|
|
|
|
|
||
|
S |
п |
= |
Vп |
S |
уд |
. |
(18) |
||||
|
|
|||||||||||
|
|
|
|
V |
|
|
|
|
|
|||
|
|
|
|
|
|
а |
|
|
|
|
||
Для нахождения удаления необходимо подставить численные значения в уравнения (16), (17) и (18). Совместное их решение даст искомое значение удаления автомобиля.
На рис. 6 представлена схема бокового наезда.
Рис. 6. Схема наезда при равномерном движении автомобиля и боковом ударе пешехода
При наезде боковой поверхностью автомобиля, уравнения (16), (17) и (18) для данного варианта будут иметь вид
13
|
S*уд +ах −Sп* sinα |
= |
Sуд +ах −Sп sinα |
, |
(19) |
||||||||||||||||
|
B + |
|
+ В |
−а |
|
|
|
|
|
||||||||||||
|
у |
у |
|
|
S |
п |
cosα + В |
−а |
у |
|
|
||||||||||
|
п |
а |
|
|
|
|
|
|
|
|
|
|
а |
|
|
|
|||||
|
|
|
S*уд |
= |
Va (Bп + |
|
у) |
−lx , |
|
|
|
(20) |
|||||||||
|
|
|
|
|
|
|
|
|
|
|
|||||||||||
|
|
|
|
|
|
Vп cosα |
|
|
|
|
|
|
|
|
|||||||
|
|
|
|
S |
п |
= |
|
Vп |
S |
уд |
−l |
х |
. |
|
|
|
(21) |
||||
|
|
|
|
|
|
|
|
|
|||||||||||||
|
|
|
|
|
|
|
V |
|
|
|
|
|
|
|
|
||||||
|
|
|
|
|
|
|
|
|
а |
|
|
|
|
|
|
|
|
|
|
||
Как видно из последовательности вычисления, величина |
х не участвует |
||||||||||||||||||||
в расчетах. Однако она косвенно оказывает непосредственное влияние на значения основных рассчитываемых параметров, а с увеличением х появляется возможность рассмотрения наезда автомобиля на пешехода, двигающегося под углом во встречном движению автомобиля направлении.
Дальнейшая последовательность исследования как и в известных методиках.
Рассмотрим далее наезд при замедленном движении автомобиля и попутном диагональном движении пешехода. Схема наезда на пешехода при замедленном движении автомобиля представлена на рис. 7.
Рис. 7. Схема наезда при замедленном движении автомобиля и торцевом ударе пешехода
В соответствии со схемой расчет удаления автомобиля от места наезда произведем следующим образом.
14
Геометрическое условие определим соотношением (16)
S* |
+а |
х |
−S* sinα |
|
|
S |
уд |
+а |
х |
−S |
п |
sinα |
|
. |
||||
уд |
|
п |
|
= |
|
|
|
|
|
|
|
|
|
|||||
B |
+ |
|
+В −а |
|
S |
|
cosα +В −а |
|
−l |
|
||||||||
у |
у |
|
п |
у |
у |
|||||||||||||
п |
|
а |
|
|
|
|
|
|
а |
|
|
|
||||||
Найдем основные величины по формулам (11), (12), (13) и (14).
Удаление автомобиля от места наезда
S уд = |
V S |
п |
− |
(V |
a |
−V |
)2 |
. |
(22) |
a |
|
н |
|
||||||
Vп |
|
|
|
2 j |
|
||||
|
|
|
|
|
|
|
|
Подставим числовые значения в уравнения (14), (16) и (22). Из уравнения (22) выразим Sï и подставим в (16).
Совместное решение уравнений (14), (16) и (22) даст искомое удаление автомобиля от места наезда.
В случае, если удар пешеходу нанесен боковой поверхностью автомобиля (рис. 8), формула (22) примет вид
|
V S |
п |
|
(V −V |
)2 |
|
|
Sуд = |
a |
− |
a н |
|
−lx |
|
|
Vп |
|
2 j |
|
(23) |
|||
|
|
|
. |
||||
Тогда удаление автомобиля можно определить, решив совместно уравнения (15), (19) и (23).
Рис. 8. Схема наезда при замедленном движении автомобиля и боковом ударе пешехода
15
Если So<Sуд, исследование заканчивают.
Рассмотрим теперь случай наезда на пешехода торцевой частью автомобиля, когда пешеход вышел на проезжую часть на некотором расстоянии õ из-за неподвижного препятствия под произвольным углом во встречном движению автомобиля направлении (рис. 9). Дополнительным построением покажем предполагаемое положение автомобиля в момент появления пешехода на проезжей части (позиция I), в момент появления пешехода в зоне видимости водителя автомобиля (позиция II), и после наезда (позиция III).
Начертим треугольники обзорности.
Рис. 9. Схема наезда при равномерном движении автомобиля и торцевом ударе пешехода
Найдем удаление автомобиля от места наезда следующим образом. Из треугольников обзорности АС′F и BDG
|
|
|
|
|
АС |
′ |
= |
BD |
, |
|
|
|
|
|
|
|
|
|
|
||||
|
|
|
|
|
′ |
|
|
DG |
|
|
|
|
|
|
|
|
|
|
|||||
|
|
|
|
|
С F |
|
|
|
|
|
|
|
|
|
|
|
|
||||||
или |
|
|
|
|
|
|
|
|
|
|
|
|
|
|
|
|
|
|
|
|
|
|
|
|
S* |
+а |
х |
+S* sinα |
|
|
S |
уд |
+а |
х |
+S |
п |
sinα |
|
. |
(24) |
|||||||
|
уд |
|
п |
|
|
= |
|
|
|
|
|
|
|
|
|
||||||||
|
B |
+ |
|
+В −а |
|
|
S |
|
cosα +В −а |
|
−l |
|
|||||||||||
|
у |
у |
|
|
п |
у |
у |
|
|||||||||||||||
|
п |
|
а |
|
|
|
|
|
|
|
|
а |
|
|
|
|
|||||||
Из кинематического условия движения автомобиля и пешехода, аналогично предыдущему случаю наезда