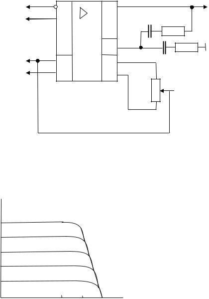
рующий вход, 3 – неинвертирующий вход, 4 – питание (-UИ.П.2), 5 – частотная коррекция, 6 – выход, 7 – питание (+UИ.П.1).
7(8)
12(14)
10(11)


2 9(10) 
3(4)
4(5)
5(7)
1
ас)-
9(10)
UВХ1
10(11)
UВХ2
|
5(7) |
UВЫХ |
|
|
|
||
|
12(14) |
С 1500 R 39 |
|
FC |
|
||
7(8) |
|
||
+U |
+UИ.П.1 |
||
1 |
|||
-U |
4(6) |
-UИ.П.2 |
|
|
|
б)
34
Кy,U *10-3 |
|
|
|
|
|
|
|
|
|
Uвых , В |
|
|
|
|
|
|
|
|
|
|
||||||||
|
|
|
|
|
|
|
|
|
|
|
|
|
|
|
|
|
||||||||||||
|
|
|
|
|
|
|
|
|
|
|
|
|
|
|
К140УД1А |
|
|
|
|
|
||||||||
|
|
|
|
|
|
|
|
6 |
|
|
|
|
|
|
|
|
|
|
||||||||||
|
|
|
|
|
|
|
|
|
|
|
|
|
|
|
|
|
|
|
|
|
|
|
||||||
|
|
|
|
|
|
|
|
|
|
|
|
|
|
|
|
|
|
|
|
|
|
|
|
|
|
|
||
|
|
|
|
|
|
|
|
|
|
|
|
|
|
|
|
|
|
|
|
|
|
|
|
|
|
|
||
|
|
|
К140УД1Б, К140УД1В |
|
|
|
|
|
|
|
|
|
|
|
1 |
|
|
|
|
|||||||||
|
|
|
|
|
|
|
|
|
|
|
|
|
|
|
|
|
|
|
|
|||||||||
|
|
|
|
|
4 |
|
|
|
|
|
|
|
|
|
|
|
|
|
|
|||||||||
6 |
|
|
|
|
|
|
|
|
|
|
|
|
|
|
|
|
|
|
|
|
2 |
|
|
|
|
|||
|
|
|
|
|
|
|
|
|
|
|
|
|
|
|
|
|
|
|
|
|
|
|
|
|||||
|
|
|
|
|
|
|
|
|
|
|
|
2 |
|
|
|
|
|
|
|
|
|
|
|
|
||||
|
|
|
|
|
|
|
|
|
|
|
|
|
|
|
|
|
|
|
|
|
|
|
|
|
|
|
||
|
|
|
|
|
|
|
|
|
|
|
|
|
0 |
|
|
|
|
|
|
|
|
|
|
|
|
|
|
|
4 |
|
|
|
|
|
|
|
|
|
|
-2 |
|
|
|
|
|
|
|
|
|
|
|
|
|
|
|||
|
|
|
К140УД1А |
|
|
|
|
|
|
|
|
|
|
|
|
|
|
|
|
|
|
|
|
|||||
|
|
|
|
|
|
|
|
|
|
|
|
|
-4 |
|
|
|
|
|
|
|
|
|
|
|
|
|
|
|
|
|
|
|
|
|
|
|
|
|
|
|
|
|
|
|
|
|
|
|
|
|
|
|
|
|
|
||
|
|
|
|
|
|
|
|
|
|
|
|
|
|
|
|
|
|
|
|
|
|
|
|
|
|
|
||
2 |
|
|
|
|
|
|
|
|
|
|
|
|
-6 |
|
|
|
|
|
|
|
|
|
|
|
|
|
|
|
|
|
|
|
|
|
|
|
|
|
|
|
|
|
1-вывод 4 заземлен; |
|
|
|
|
||||||||||
|
|
|
|
|
|
|
|
|
|
|
|
|
|
|
|
|
||||||||||||
|
|
|
|
|
|
|
|
|
|
|
|
|
|
|
|
|
2-вывод 4 свободен |
|
||||||||||
|
|
|
|
|
|
|
|
|
|
|
|
|
|
|
|
|
|
|
|
|
|
|||||||
|
|
|
|
|
|
|
|
|
|
|
|
|
|
|
|
|
|
|
|
|
|
|
|
|
|
|
|
|
|
|
|
0,1 |
1 |
|
10 |
|
100 f, кГц |
-6 -4 -2 |
0 2 4 Uвх, В |
||||||||||||||||||
|
|
|
|
|
в) |
|
|
|
|
|
|
|
|
|
|
|
|
|
|
|
г) |
|||||||
|
|
|
|
|
|
|
|
|
|
|
Рис. 3.4 |
|
|
|
|
|
|
|
|
|
||||||||
|
|
|
|
|
|
|
|
|
|
|
|
|
|
|
|
|
|
|
|
|
|
|
Таблица 3.1 |
|||||
|
|
|
|
|
|
|
|
|
|
|
|
|
|
|
|
|
|
|
|
|
|
|
|
|
||||
|
|
|
|
|
Параметры 140 УД1 А |
|
|
Параметры 140 УД1 А |
|
|||||||||||||||||||
|
|
|
|
UИ.П.1, В |
|
|
+6,3 ±0,6 |
|
RВЫХ, Ом |
|
|
|
≤700 |
|
||||||||||||||
|
|
|
|
UИ.П.2, В |
|
|
─6,3±0,6 |
|
VUвых, В/мкс |
|
0,2 |
|
|
|
|
|||||||||||||
|
|
|
|
IПОТ , мА |
|
|
|
≤4,2 |
|
|
tУСТ, мкс |
|
|
0,8 |
|
|
|
|
||||||||||
|
|
|
|
IВХ, мкА |
|
|
|
≤5 |
|
|
f1, МГц |
|
|
³5 |
|
|
|
|
||||||||||
|
|
|
|
∆IВХ, мкА |
|
|
±1,5 |
|
|
UИ.П.1.MAX, В |
|
7 |
|
|
|
|
|
|||||||||||
|
|
|
|
UСМ, мВ |
|
|
±7 |
|
|
UИ.П.1.MIN, В |
|
|
|
− |
|
|||||||||||||
|
|
|
|
U+ВЫХ, В |
|
|
3,5 |
|
|
UИ.П.2.MAX, В |
|
|
− |
|
||||||||||||||
|
|
|
|
U─ВЫХ, В |
|
|
-3 |
|
|
UИ.П.2.MIN, В |
|
|
|
− |
|
|||||||||||||
|
|
|
|
|
Кy,U |
|
|
900 ¼ 4000 |
|
UВХ.MAX, В |
|
|
±1,5 |
|
|
|
|
|||||||||||
|
|
|
|
Кос.сф, дБ |
|
|
³60 |
|
|
UСФ.ВХ.MAX, В |
|
±3 |
|
|
|
|
|
|||||||||||
|
|
|
∆Uсм/∆T,мкВ/К |
|
|
±20 |
|
|
IВХ.MAX, мА |
|
|
1 |
|
|
|
|
|
|||||||||||
|
|
|
∆IВХ/∆T,нА/К |
|
|
±30 |
|
|
IВЫХ.MAX, мА |
|
32 |
|
|
|
|
|||||||||||||
|
|
|
|
RН, кОм |
|
|
³5,05 |
|
RНMIN, кОм |
|
|
5 |
|
|
|
|
|
|||||||||||
35
UВХ1 2
UВХ2 3
+UИ.П.1 7
-UИ.П.2 4
дБ
Кy,U
80
40
0
-20 
10 102
|
|
6 |
UВЫХ |
|
|
|
|
||
|
|
|
С1 R2 |
|
|
FC 5 |
|
||
+U |
NC |
1 |
С1 R3 |
|
8 |
||||
-U |
|
|||
NC |
|
R1 |
||
|
|
|
||
|
|
|
10 к |
|
а)
5
4
3
2
1
f
103 104 Гц
б)
1-R210 Ом, R3=3900 Ом; С1=0,05 мкФ, С2=0,02 мкФ;
2- R2=270 Ом, R3=270 Ом; С1=0,05 мкФ, С2=1500 пФ;
3- R2=470 Ом, С1=0,01 мкФ; 4- R2=470 Ом, С1=1000 пФ; 5- R2=10 кОм, С1=50 пФ.
Рис. 3.5
36
|
|
Таблица 3.2 |
|
|
|
Параметры |
Режим измерения |
153 УД5 А |
UИ.П.1, В |
− |
+15±1,5 |
UИ.П.2, В |
− |
─15±1,5 |
IПОТ , мА |
RН³10 кОм |
≤3,5 |
IВХ.СР, мА |
RН ³10 кОм |
≤0,1 |
∆IВХ, нА |
RН ³10 кОм |
≤20 |
UСМ, мВ |
RН³10 кОм, |
≤1 |
|
RГ≤ 10 кОм |
|
∆Uсм / ∆T,мкВ/К |
RН ³10 кОм, |
≤5 |
|
RГ≤ 50 Ом |
|
U+ВЫХ.MAX, В |
RН=2 кОм, |
10 |
|
UВХ=0,1 В |
|
U─ВЫХ.МАХ, В |
RН=2 кОм, |
-10 |
|
UВХ=0,1 В |
|
Кy,U |
RН=2 кОм, |
³1000000 |
|
UВЫХ=10 В |
|
Кос.сф, ∂Б |
RН ³10 кОм, |
³100 |
|
Uсф.вх=13,5 В |
|
3.3. Краткая характеристика пакета Micro-Cap
Лабораторная работа выполняется на компьютере в пакете Mi- cro-Cap.
Перечень используемых в лабораторной работе компонентов и их местонахождение (путь) указаны в таблице 3.3.
|
|
|
Таблица 3.3 |
|
|
|
|
Обозначение |
Компоненты: |
Путь (рис. 3.6) |
Параметры |
1 |
2 |
3 |
4 |
|
Резистор |
Component/Analog |
Value – значение, |
|
|
Primitives/Passive |
k – кило |
|
|
Components/Resistor |
(рис. 3.7, окно 1) |
|
Операционный |
Component/Analog |
Модель – задается |
|
усилитель |
Primitives/Active De- |
преподавателем |
|
|
vices/Opamp |
(рис. 3.7, окно 2), бу- |
|
|
|
квы VC, VE убрать |
|
Конденсатор |
Component/Analog |
Value – значение, |
|
|
Primitives/Passive |
u– микро |
|
|
Components/Capacitor |
(рис. 3.7, окно 1) |
37
|
|
|
Продолжение табл. 3.3 |
|
|
|
|
|
|
1 |
2 |
3 |
|
4 |
|
Источник си- |
Component/Analog |
|
Модель: 60Hz, |
|
нусоидального |
Primitives/Waveform |
амплитуда (А): 5 |
|
|
напряжения |
Sources/Sine Source |
|
|
|
Источник по- |
Component/Analog |
|
Value: 15 |
|
стоянного на- |
Primitives/Waveform |
|
|
|
пряжения |
Sources/Battery |
|
|
|
Земля |
Component/Analog |
|
|
|
|
Primtives/Connectors/ |
|
|
|
|
Ground |
|
|
Номиналы резисторов и конденсаторов указаны на приводимых схемах (недостающие номиналы резисторов определяются по условиям п.п.5, 6 расчетного задания).
Рис. 3.6
Рис. 3.7
38