Комплексным
коэффициентом передачи
линейной
дискретной системы называется отношение
комплексной амплитуды выходного
синусоидального сигнала
к комплексной амплитуде входного
синусоидального сигнала
Где
–
амплитуды выходного и входного сигналов
соответственно
начальные фазы выходного и входного
сигналов соответственно
(1)
(Лаб26-1). Как называется отклик ЦФ на воздействие в виде единичной
функции включения (скачка) i
1,
0,
i 0
i 0
привести график этого
воздействия и его математическое описание?
А. Называется функция Хэвисайда, так как функция это единичный скачек. Функция единичного скача a(t), она же функция Хэвисайда, она же функция включения, равна 0 для отрицательных значений аргумента и единице для положительных
П
ри
отрицательных значения х, у=0
При
положительных значениях х, у=1
Переходной
характеристикой (ПХ) (или переходной
функцией ) линейной непрерывной системы
является ее отклик на входное воздействие
в виде единичного скачка
(функции
Хевисайда)
На
практике переходная характеристика
позволяет оценить поведение л.н.с. при
действии на ее входе резко меняющихся
сигналов. В частности, если
- делаем
вывод, что линейная система неустойчива.
Если ПХ ограничена
,
но имеет пульсации, то по их амплитуде
и длительности можно оценить близость
системы к возбуждению.
(Лаб26-1). Запишите разностное уравнение для нерекурсивного ЦФ n-го порядка и выражение для его комплексного коэффициента передачи.
А.
Пусть на вход ЦФ подается входной сигнал
=
в виде последовательности числовых
значений, следующих с интервалом
дискретизации Т. Тогда выходной сигнал
ЦФ
=
записывают в виде линейного разностного
уравнения:
Где a, b – постоянные вещественные коэффициенты
Б.
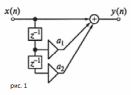
Уравнениям 1 и 2 соответствует структурная
схема фильтра, показанная на рис. 1.
Выражение для комплексного коэффициента
передачи фильтра получим из уравнения
1, принимая
получим уравнение 3. А представив
уравнение 3 в тригонометрической форме
получим уравнение 4
(1)
(2)
(3)
(4)
P.s.
на рисунке показано только 2 фильтра
(z-1) поэтому и
бралось a1z
и a2z
для n-ого количества
фильтров нужно делать большую сумму
уравнений
примерно
(1)
(Лаб26-1). Что такое дискретная свертка двух сигналов и чему равно ее Z- преобразование (ответ пояснить соответствующими формулами)?
Дискретной сверткой двух сигналов
называется следующая операция:
где [∗] - символ дискретно-непрерывной свертки.
Спектр свертки равен произведению спектров.
(Лаб26-1). Нарисовать структурную схему нерекурсивного ЦФ 4-го порядка и c записать его разностное уравнение (все коэффициенты b0,..,b4 не нулевые).
Разностное
уравнение:
_
(Лаб26-1). Вывести выражение для АЧХ нерекурсивного ЦФ 1-го порядка с произвольными коэффициентами b0, b1 (ответ преобразовать к максимально простому виду).
T-интервал
дискретизации
(Лаб26-1). При каких ограничениях на коэффициенты b0, b1 получается ЦФ-1 верхних частот (ответ обосновать анализом соответствующего выражения для АЧХ ЦФ-1)
Если b1-отрицательное значение,то ФВЧ.
(Лаб26-1). При каких ограничениях на коэффициенты b0, b1 получается ЦФ-1 нижних частот (ответ обосновать анализом соответствующего выражения для АЧХ ЦФ-1)
Если b1-положительное значение,то ФНЧ.
(Лаб26-1). Вывести выражение для ИХ нерекурсивного ЦФ 1-го порядка с произвольными коэффициентами b0, b1 (непосредственно воспользоваться определением ИХ, разностным уравнением и ответ преобразовать к максимально простому виду).
Импульсной реакцией называется отклик
ЦФ на входной единичный импульс
Для получения импульсной реакции для
данного ЦФ нужно в разностное уравнение
цифрового фильтра вместо переменной
подставить дискретную дельту-функцию
(единичный импульс ):
(Лаб26-1). Вывести выражение для ИХ нерекурсивного ЦФ 2-го порядка с произвольными коэффициентами b0, b1, b2 (непосредственно воспользоваться определением ИХ, разностным уравнением и ответ преобразовать к максимально простому виду).
Импульсной реакцией называется отклик ЦФ на входной единичный импульс Для получения импульсной реакции для данного ЦФ нужно в разностное уравнение цифрового фильтра вместо переменной подставить дискретную дельту-функцию (единичный импульс ):
_
(Лаб26-1). Нарисовать структурную схему нерекурсивного ЦФ 3-го порядка и c записать его разностное уравнение, если коэффициенты b0 =b2=0, b1≠0, b3≠0.
Разностное уравнение:
(Лаб26-1). Нарисовать структурную схему нерекурсивного ЦФ 3-го порядка и c записать его разностное уравнение, если коэффициенты b0≠0, b1=0, b2≠0, b3≠0.
Разностное уравнение:
(Лаб26-1). Нарисовать структурную схему нерекурсивного ЦФ 3-го порядка и c записать его разностное уравнение, если коэффициенты b0= b1 =b2=0, b3 ≠0
Разностное уравнение: