Материал: 2518

Внимание! Если размещение файла нарушает Ваши авторские права, то обязательно сообщите нам

После установки направления и проведения ряда других работ (контрольный осмотр оборудования, монтаж и наладка приборов, оснастка полиспастной системы, бурение шурфа под ведущую трубу) составляют акт о готовности смонтированной буровой и приступают

к бурению скважины.

И

Пробурив неустойчивые, мягкие, трещиноватые и кавернозные

породы, осложняющие процесс бурения (обычно 50 – 400 м), перекрывают и изолируют эти горизонты, для чего в скважину спускают первую обсадную колонну – кондуктор, состоящую из свинченных стальных труб, а её затрубное пространство цементируют.

горизонты, подлежащие изоляции. ТогдаДспускают и изолируют третью обсадную колонну, называемую второй промежуточной колонной. В этомбслучае ранее спущенная обсадная колонна будет называться первой промежуточной. В осложненных условиях бурения таких промежуточных колонн может быть три и даже четыре.

После спуска кондуктора не всегда удается пробурить скважину до проектной глубины из-за прохождения новых осложняющих горизонтов или из-за необходимости перекрытия продуктивных пластов, не подлежащих эксплуатации данной скважиной. В таких случаях

 

А

возникает потребность в спуске и последующем цементировании

промежуточной колонны.

 

При дальнейшем углублении скважины вновь могут встретиться

Пробурив скважину до проектной глубины, спускают и цементируютиэксплуатационную колонну, предназначенную для подъема нефти или газа от забоя к устью скважины или для нагнетания воды (газа) в продуктивный пласт в целях поддержания давления.

Если в скважину кроме направления и кондуктора спускают Столько эксплуатационную колонну, то конструкцию называют одноколонной. Если в скважину, кроме направления и кондуктора, спускают промежуточные и эксплуатационные колонны, то конструкцию называют двухколонной (при одной промежуточной колонне) или

трехколонной (при двух промежуточных колоннах).

Во время бурения происходит непрерывный спуск (подача) бурильного инструмента таким образом, чтобы часть веса его нижней части передавалась на долото для обеспечения эффективного разрушения породы. Применение вращательного способа бурения скважин привело к необходимости непрерывной промывки или продувки их в процессе бурения. Данные операции применяют для очистки забоя и ствола скважины от частиц выбуренной породы.

46

Основные функции бурового промывочного раствора:

1)

вынос разбуренных частиц породы на поверхность;

 

2)

удерживание частиц выбуренной породы во взвешенном со-

стоянии при прекращении циркуляции;

 

 

 

3)

создание противодавления на стенки скважины и укрепление

стенок скважины;

 

 

 

4)

глинизация стенок скважины;

 

 

 

5)

охлаждение долота, турбобура и бурильной колонны;

 

6)

смазка трущихся деталей долота, турбобура;

 

7)

передача энергии турбобуру;

 

 

 

8)

защита бурового оборудования от коррозии.

 

 

на водной основе, представителями которой являются вода и

глинистые растворы;

 

 

 

 

на углеводородной основе (нефтяные растворы);

 

 

аэрированные жидкости.

 

И

 

 

 

 

 

Д

-

 

бА

 

 

 

,

 

 

по

 

 

 

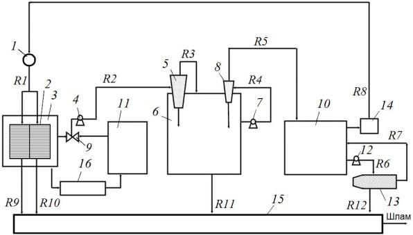
линиииR2 подается для очистки на пескоотделитель 5. По линии R3 очищенный раствор поступает в емкость 6, из которой по линии R4 Снасосом 7 подается для дальнейшей очистки на илоотделитель 8. После очистки на илоотделителе раствор по линии R5 поступает в емкость 10. Для тонкой очистки раствор из емкости 10 насосом 12 подается на центрифугу 13 по линии R6, после чего раствор по линии R7 возвращается в емкость 10. В скважину очищенный буровой раствор подается насосом 14 по линии R8 из емкости 10. Шлам с вибросит и

шнек с центрифуги по линиям R9 – R12 удаляются в амбар.

Для дегазации бурового раствора при бурении интервалов с газопроявлениями в систему очистки бурового раствора включается дегазатор 16, в этом случае дегазированный раствор подается насосом 4 на пескоотделитель 5 из емкости 11 через заслонку 9 и далее очищается по приведенной выше схеме.

47

После завершения работ по сообщениюДэксплуатационной колонны с пластом приступают к вызову притока нефти или газа из пласта. Существует несколько методов вызова притока нефти из пласта [метод замещения жидкости, метод воздушной подушки, метод поршневания (свабирования), метод аэрации, использование пуско-

вых клапанови, струйныхбаппаратовА, двухфазных пен], суть которых сводится к снижению противодавления на пласт, т. е. к проведению определенных мероприятий, в результате которых гидростатическое давление в скважине становится меньше пластового.

Рис. 2.16. Функциональная схема системы очистки бурового раствора

Разработка скважины в зависимости от конкретных условий Сможет занимать от нескольких часов до нескольких месяцев. После появления нефти и газа скважину принимают эксплуатационники, а бурильную установку передвигают на несколько метров для бурения

очередной скважины.

2.4. Управление технологическим процессом бурения

Технологии и технике сооружения скважин уделяется большое внимание, разрабатываются новейшее буровое оборудование и инструмент, совершенствуется технология бурения, форсируются все виды работ.

48

Прогресс и высокие показатели при бурении скважин во многом зависят от оперативного контроля и организации, применения кон- трольно-измерительной аппаратуры, внедрения средств автоматики. Применение аппаратуры и средств автоматики обеспечивает безаварийность работ, улучшает технико-экономические показатели, требует повышения технической грамотности обслуживающего персонала,

Регулирование – это действия, направленные наИприведение отдельных параметров процесса в заданные пределы или их изменение в соответствии с регламентом процесса. Успешное управление возможно только при условии соответствующего информационного

влечет за собой повышение культуры производства.

Управление технологическим процессом бурения включает кон-

троль, регулирование и управляющие воздействия, обеспечивающие

Информационное обеспечение Дтехнологического процесса включает получение информации, ее передачу и анализ для выработки управляющих решений в изменяющихся условиях и обеспечение обратной связи для реализации решений. Чем выше уровень инфор-

эффективное функционирование управляемого объекта в изменяющихся условиях. Контроль дает информацию о технологических параметрах процесса в данный момент времени, возможность проследить за их изменением и получить отклик на управляющее воздействие.

мационного обеспеченияб, темАв большей степени эти функции перекладываются на автоматические системы управления.

обеспечения.

Счает возможностьикруглосуточно следить за работой буровых и при необходимости незамедлительно вносить нужные коррективы в процесс проводки скважины.

В настоящее время повсеместно внедряется дистанционное информационное обеспечение. Это позволяет на диспетчерских пунктах (участках) оборудовать специальные пульты, на которых монтируют показывающие и регистрирующие приборы технологических параметров бурения каждой буровой. Диспетчер (инженер участка) полу-

Отечественной разработкой является станция контроля и управления процессом бурения «Леуза-1», разработанная ПНФ «Геофизика» и АНК «Башнефть». За рубежом подобные станции серийно выпускаются фирмами «Индастрис», «Бароид» и «Мартин Деккер» (США), «Жеосервис» и «Матра» (Франция).

49

2.5. Технологические параметры и режимы бурения

Под режимом бурения понимается определенное сочетание технологических параметров, влияющих на показатели бурения:

1) осевая нагрузка на долото;

И

2)

частота вращения долота;

3)

расход промывочного бурового раствора;

 

4)

давление промывочного бурового раствора;

 

5)

качество промывочного бурового раствора (плотность, вяз-

кость, водоотдача, статическое напряжение сдвига).

Правильное назначение и контроль над расходом и давлением бурового раствора в процессе бурения являются важным фактором успешного проведения скважин. Одновременное наблюдение за показаниями расходомера и измерителя давления позволяет получать важную информацию о процессе бурения и работе насоса.

Например, внезапный рост расхода при одновременном падении давления может служить сигналом обрыва бурильных труб или, в обратном случае, – прихвата инструмента. Также необходимо контролировать дифференциальный расход бурового раствора, который оп-

ределяется разностью между расходом жидкости на входе в скважину

 

б

и на выходе из нее, что очень важно для своевременного обнаружения

поглощения бурового раствора или притокаДв скважину пластового

флюида.

 

Эффективность работы долота оценивается параметрами:

и

1) механической скоростью бурения Vмеx, м/ч;

2) проходкой на долото h, м.

При выборе режима буренияАследует учитывать, что с измене-

нием одного из параметров не всегда увеличиваются механическая

скорость проходки Vмеx и проходка на долото h. Для каждой породы и С способа бурения существует оптимальное сочетание нагрузки на до-

лото, частоты вращения долота и расхода бурового раствора. Сочетание технологических параметров, позволяющее получать

наиболее высокие качественные и количественные показатели бурения при данной технической вооруженности буровой, называется

оптимальным режимом бурения.

При турбинном способе бурения в случае увеличения расхода промывочной жидкости при неизменной нагрузке на долото частота вращения вала турбобура (долота) nд растет прямо пропорционально. Если же нагрузка на долото будет увеличена, а расход промывочной жидкости останется постоянным, то частота вращения вала турбобура (долота) уменьшится.

50