поток при этом определяется магнитной индукцией В и площадью поперечного сечения магнитопровода S, т.е. Ф=В·S, а магнитное напряжение Uм – напряженностью магнитного поля Н и длиной участков цепи ℓ:
Uм=Н·ℓ. |
(5.17) |
Аналогию с первым законом Кирхгофа для электрических и магнитных цепей получаем на основании известной из курса физики теоремы Гаусса, согласно которой поток вектора магнитной индукции В через любую замкнутую поверхность равен нулю. Рассмотрим магнитную цепь (рис. 5.8).
|
Ф2 |
|
Ф |
+ |
А |
|
|
|
Ф1 |
– |
|
|
Рис. 5.8. Схема магнитной цепи |
За счет тока, протекающего через катушку, возникает магнитное поле и в магнитопроводе создается магнитный поток Ф. Этот поток в точке А разветвляется на потоки Ф1 и Ф2. Так как силовые линии магнитного поля непрерывные и замкнуты, должно выполняться соотношение
Ф=Ф1+Ф2 |
(5.18) |
или
Ф–Ф1–Ф2=0. (5.19)
Следовательно, алгебраическая сумма магнитных потоков для любого узла магнитной цепи равна нулю. Это уравнение выражает первый закон Кирхгофа для магнитной цепи.
На основании приведенных уравнений и сопоставления соответствующих магнитных и электрических величин можно составить следующую таблицу сравнений (табл. 5.1).
125
Таблица 5.1
Сопоставление величин в магнитных и электрических цепях
|
Магнитная цепь |
Электрическая цепь |
|
F=I·w – МДС |
Е – ЭДС |
|
Ф – магнитный поток |
I – электрический ток |
Rм – магнитное сопротивление |
R – электрическое сопротивление |
|
Uм=Н·ℓ=Rм·Ф – магнитное напряжение |
U=R·I – электрическое напряжение |
|
∑Фi |
= 0 – первый закон Кирхгофа |
∑Ii = 0 – первый закон Кирхгофа |
∑U мi |
= ∑Fk – второй закон Кирхгофа |
∑U = ∑Ek – второй закон Кирхгофа |
Продолжая аналогию между магнитной и электрической цепями, можно получить также выражение закона Ома для магнитной цепи. Так, для ферромагнитного участка цепи (рис. 5.7,б)
Ф = В S |
фм |
= Н |
фм |
µ |
0 |
µ |
r |
S |
фм |
= |
( Iw )фм µ0 µr Sфм |
= |
|
|||||
|
|
|
||||||||||||||||
фм |
|
|
|
|
|
|
|
|
|
lфм |
|
|||||||
|
|
|
|
|
|
|
|
|
|
|
|
|
|
|
(5.20) |
|||
|
|
|
|
( Iw )фм |
|
|
|
|
|
Fфм |
|
|
||||||
|
= |
|
|
|
|
|
= |
, |
|
|||||||||
|
|
lфм /( µ0 µr Sфм ) |
|
|
||||||||||||||
|
|
|
|
|
Rмфм |
|
||||||||||||
где Fфм, Rм фм=ℓфм/(µ0·µr·Sфм) – соответственно МДС и магнитное сопротивление ферромагнитного участка цепи.
Аналогично для воздушного зазора
Ф = |
Fв |
, |
(5.21) |
|
|||
|
Rмв |
|
|
где Fв – МДС немагнитного участка цепи (зазора); Rмв=ℓв/(µ0·Sв) – магнитное сопротивление воздушного зазора.
Между расчетами нелинейных электрических цепей постоянного тока и магнитных цепей с постоянными МДС нетрудно установить аналогию. Действительно, магнитное напряжение на участке магнитной цепи равно произведению магнитного сопротивления участка на магнитный поток
Uм=Rм·Ф. |
(5.22) |
Эта зависимость аналогична закону Ома для резистивного элемента электрической цепи постоянного тока U=R·I. Сумма магнитных напряжений в контуре магнитной цепи равна сумме МДС этого контура
∑U м = ∑F . |
(5.23) |
126 |
|
Продолжая дальше аналогию между |
|
|
Uм1 |
|||||
электрическими цепями постоянного тока |
|
|
|
|
|
|
|
|
и магнитными цепями с постоянными |
|
|
|
|
|
|
|
|
|
|
|
|
|
|
|
|
|
|
|
Rм1 |
||||||
МДС, представим неразветвленную маг- |
|
|
||||||
|
|
|
|
|
|
|
|
|
нитную цепь (см. рис. 5.7,б) схемой за- |
|
|
|
|
|
|
|
|
мещения (рис. 5.9). Эта схема замещения |
|
|
|
|
Rм2 |
|
|
Uм2 |
и схема замещения нелинейной электри- |
|
F=I·w |
|
|
||||
|
|
|
|
|||||
ческой цепи с последовательным соеди- |
|
|
Ф |
|||||
нением элементов полностью аналогичны |
|
|
||||||
|
|
|
|
|
|
|
|
|
(с точностью до обозначения параметров |
Рис. 5.9. Схема замещения |
|||||||
элементов). Следовательно, для анализа |
|
неразветвленной |
||||||
неразветвленных магнитных цепей (а |
|
магнитной цепи |
||||||
также и разветвленных магнитных цепей) |
|
|
|
|
|
|
|
|
с постоянной МДС можно пользоваться всеми графическими и аналитическими методами расчета нелинейных электрических цепей постоянного тока.
В качестве иллюстрации ограничимся применением для анализа неразветвленной магнитной цепи на рис. 5.9 графических методов: метода сложения вебер-амперных характеристик (рис. 5.10,а) и метода нагрузочной характеристики (рис. 5.10,б).
Ф
Ф
0
Ф(Uм2) Ф(Uм1) |
Ф |
Ф(Uм1) |
F |
||
|
Rм2 |
|
|
Ф |
А |
Ф(Uм1+Uм2) |
|
|
|
Ф = |
|
|
|
|
|
Uм=Н·ℓ |
|
|
|
|
Uм2 |
Uм1 |
F |
|
Uм1 |
|
Uм2 |
|
|
|||||
|
||||||
|
а |
|
|
|
|
б |
Рис. 5.10. Анализ неразветвленной магнитной цепи методом сложения вебер-амперных характеристик (а)
и методом нагрузочной характеристики (б)
F −U м1
Rм2
Uм=H·ℓ
Согласно первому методу построим вебер-амперную характеристику всей неразветвленной магнитной цепи Ф(Uм1+Uм2), графически
127
складывая по напряжению вебер-амперные характеристики ее двух участков. При известной МДС F=Iw по вебер-амперной характеристике всей магнитной цепи определим рабочую точку А, т.е. магнитный поток Ф, а по вебер-амперным характеристикам участков магнитопровода – магнитные напряжения на каждом из них.
Согласно второму методу для второго (линейного) участка построим нагрузочную характеристику
Ф = |
U м2 |
= |
F −U м1 |
, |
(5.24) |
|||
r |
r |
|||||||
|
|
|
|
|
|
|||
|
м2 |
|
м2 |
|
|
F |
|
|
т.е. прямую, проходящую через точку F на оси абсцисс и точку |
||||||||
r |
||||||||
|
|
|
|
|
|
|||
|
|
|
|
|
|
м2 |
||
на оси ординат. Точка пересечения А нагрузочной характеристики с вебер-амперной характеристикой ферромагнитного участка цепи Ф(Uм1) определяет магнитный поток Ф в цепи и магнитные напряжения на ферромагнитном участке Uм1 и воздушном зазоре Uм2. Значение индукции в воздушном зазоре
В2 = |
Ф |
. |
(5.25) |
|
|||
|
S2 |
|
|
При расчете магнитных цепей встречаются две задачи: прямая и обратная. Если задан магнитный поток и требуется определить МДС, т.е. намагничивающую силу, то задача является прямой. Если задана МДС (намагничивающая сила) и требуется определить магнитный поток, задача является обратной.
5.5. Пример расчета магнитной цепи
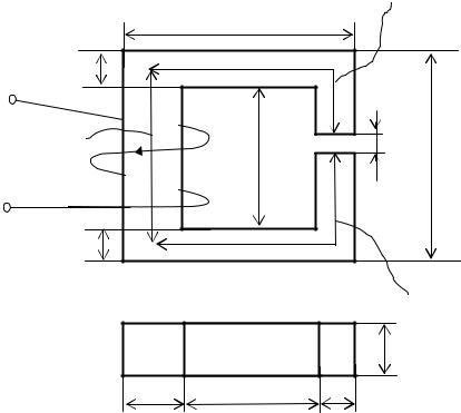
На рис. 5.11 даны в миллиметрах геометрические размеры сердечника магнитной цепи, выполненного из электротехнической стали марки Э11.
Требуется определить намагничивающую силу F=Iw, которая необходима для создания магнитного потока Ф=2·10–3 Вб, величину тока I в катушке, содержащей w=1000 витков, и индуктивность катушки L.
Решение.
Магнитную цепь делим на участки так, чтобы в пределах каждого участка материал и сечение сердечника оставались неизменными.
В нашем случае таких участков три: l1, l2 и l0. Контур, по которому составляем уравнение, пользуясь законом полного тока, проходит по средней магнитной линии
128
|
l1=150–25=125 мм, |
|
l2 = l2′ +l2′′ =125 +2 107,5 −2 = 338 мм. |
||
|
|
l′2 |
|
140 |
|
25 |
|
=2 |
|
|
0 |
|
|
ℓ |
ℓ1 |
100 |
150 |
|
||
25 |
|
|
|
|
l′2′ |
|
|
50 |
40 |
75 |
25 |
Рис. 5.11. Сердечник магнитной цепи |
||
Далее определяем магнитную индукцию в каждом участке цепи, для чего находим сечения сердечника S1 и S2:
S1=40·50=2000 мм2=2·10–3 м2,
S2=50·25=1250 мм2=1,25·10–3 м2.
Магнитная индукция
B |
= |
Ф |
|
= |
2 10−3 |
|
=1,0 Тл, |
||||||
S |
|
2 |
10−3 |
||||||||||
1 |
|
|
|
|
|
|
|
|
|||||
|
|
|
1 |
|
|
|
2 10−3 |
|
|
||||
B = |
Ф |
= |
|
|
|
=1,6 Тл. |
|||||||
|
|
|
|
|
|
|
|
|
|||||
2 |
|
S2 |
|
|
1,25 10−3 |
|
|||||||
|
|
|
|
|
|||||||||
Напряженность магнитного поля для ферромагнитных материалов определяем по кривым намагничивания B=f(H), которые приводятся в справочной и учебной литературе.
В нашем случае для электротехнической стали марки Э11 имеем Н1=502 А/м и Н2=4370 А/м. Для воздушного зазора l0 напряженность магнитного поля определяется из равенства
Н0=8·105, В0=8·105·1,6=1280000 А/м.
129