Окончание табл. 4
1 |
2 |
3 |
,
при
0,58 
−момент сопротивления, см3;
,где − момент инерции, см4, − прогиб, см;
− допустимая нагрузка, кгс;
− допустимая равномерно-распределенная нагрузка, кгс/см;
− расстояние между опорами (стяжками опалубки), см
2.2. Испытания щитов опалубки, которые, как правило, испы-
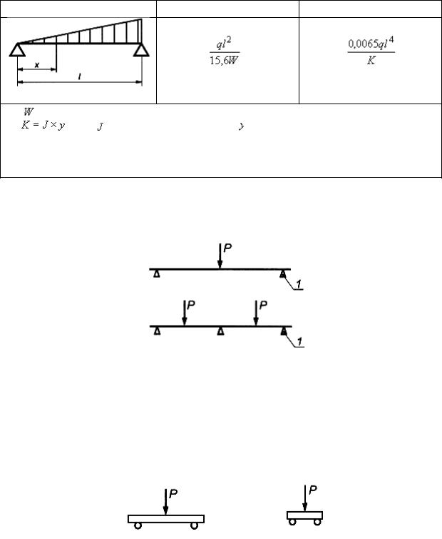
тывают сосредоточенной нагрузкой Р приведены на рис. 2.
а)
б)
Рис. 2. Схемы приложения сосредоточенных нагрузок: а – однопролётная балка; б – двухпролётная балка;
1 − место установки опор (стяжек опалубки)
Испытания модульных щитов осуществляются по длинной и короткой стороне щита, приведены на рис. 3.
б)
а)
Рис. 3. Схема испытания модульного щита:
а– вдоль наибольшей стороны щита;
б– вдоль наименьшей стороны щита
11
Результаты испытаний также оформляются актом, в котором указываются данные, отражённые в пункте 2.1 настоящего раздела.
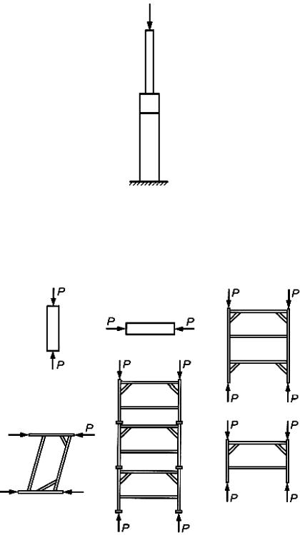
2.3. Испытания вертикальных несущих элементов перекрытий.
Телескопические и другие стойки опалубки перекрытий испытываются в рабочем вертикальном положении, как указано на рис. 4.
Рис. 4. Схема испытания стоек
При этом отдельные элементы стоек (верхняя выдвижная и нижняя опора, элементы несущих рам) испытываются как в вертикальном, так и в горизонтальном положении, что приведено на рис. 5.
Рис. 5. Схемы испытания рам
12
В случае если проектом предусмотрено крепление вертикальных несущих элементов опалубки по высоте несущими связями, испытания выполняются с учётом этих связей, что приведено на рис. 6.
Рис. 6. Схемы закрепления стоек при испытании
Результаты испытаний также оформляются актом, в котором указываются данные, отражённые в пункте 2.1 настоящего раздела.
При испытаниях опалубки из клееных деревянных конструкций, в том числе клееных щитов, деревянных балок опалубки перекрытий осуществляется проверка их на стойкость клеевых соединений в условиях переменной влажности, и на стойкость к циклическим темпе- ратурно-влажностным воздействиям по [14].
Проводятся также соответствующие испытания данных конструкций, их элементов и материалов по следующим показателям:
−испытания элементов опалубки из деревянных конструкций на прочность по [8-11];
−испытания опалубки из клееных деревянных конструкций на прочность и жесткость по [12, 13];
−испытания элементов опалубки, которые выполнены из пило-
материалов, на прочность по [15, 16]; − испытания деревянных балок опалубки перекрытий, а также
деревянных конструкций палубы и фанерной палубы на изгиб по [7, 8], а также при определении расчётных показателей учитывают влияние влажности на данные деревянные элементы (конструкции) опалубки согласно ГОСТ 16483.7-71.
При этом измерения геометрических параметров элементов и монолитных бетонных и железобетонных конструкций выполняются в соответствии с требованиями [24], ГОСТ 26433.1-89, ГОСТ
26433.2-94.
13
Оценка точности измерений осуществляется по ГОСТ 8.736-2011 путём сравнения действительных значений геометрических параметров с предельными значениями, установленными в стандартах, технических условиях, проектной документации, ППР, ТК и другой нормативно-технологической документации на опалубку и монолитные бетонные и железобетонные конструкции.
Работы по организации входного контроля выполняются с учётом требований и рекомендаций следующей нормативно-технологи-
ческой документации: [1-11], [19-35], [48-50], [53, 54], [61-63], [66-71].
ЛАБОРАТОРНАЯ РАБОТА № 2 ОРГАНИЗАЦИЯ ОПЕРАЦИОННОГО КОНТРОЛЯ
Опалубочные работы выполняются строительными организациями, получившие в установленном порядке лицензию на выполнение данных работ, в том числе имеющие квалифицированный персонал, который прошёл специальную подготовку и имеет надлежащий навык для выполнения опалубочных работ. При производстве опалубочных работ обеспечивается соблюдение требований проектной документации, ППР, ТК и нормативно-технологической документации.
Основным работам по монтажу опалубки предшествуют подготовительные работы, в том числе приёмка предшествующих работ, которые оформляются актом.
Перед монтажом опалубки на монтажном горизонте производится детальная разбивка осей и разметка мест установки опалубки. Качество опалубочных работ обеспечивается на основе выполнения решений, которые содержатся в организационно-технологической документации, в том числе ПОС, ППР, ТК и т.д.
Соответствие проектной документации и нормативнотехнологическим документам выполненных опалубочных работ определяется в процессе технического осмотра (освидетельствование работ) и рассмотрения приёмо-сдаточной документации.
Опалубочные работы подвергаются промежуточной приёмке по мере их готовности, с оформлением акта на скрытый вид работы.
Основными документами операционного контроля качества опалубочных работ являются карты (схемы) операционного контроля,
14
в которых указываются обязанности должностных лиц при осуществлении операционного контроля качества опалубочных работ.
Карты (схемы) операционного контроля качества опалубочных работ определяют указания по производству работ, составу операций, средствам контроля и др., которые приведены в прил. 8.
Технические требования по [62]. Прогиб собранной опалубки:
− вертикальных поверхностей |
|
1/400 пролёта; |
− перекрытий |
|
1/500 пролёта. |
Минимальная прочность бетона незагруженных монолитных |
||
конструкций при распалубке поверхностей: |
|
|
− вертикальных из условия сохранения формы |
0,20,3 МПа; |
|
− горизонтальных и наклонных при пролёте: |
|
|
до 6 м |
70% проектной; |
|
св. 6 м |
80% проектной. |
|
Минимальная прочность бетона при распалубке загруженных конструкций, в том числе от вышележащего бетона определяется ППР и согласовывается с проектной организацией. На устройство опалубки сборно-монолитных конструкций составляется акт освидетельствования скрытых работ с инструментальной проверкой отметок и осей.
Перепады поверхности, в т.ч. стыковых, для конструкций, готовых под окраску без шпаклёвки, не должны превышать 2 мм.
Установка и приёмка опалубки, распалубливание монолитных конструкций, очистка и смазка производятся по проекту производства работ.
Такие же указания даны и в картах (схемах) операционного контроля качества при устройстве опалубки конкретных монолитных конструкций, в том числе:
3.1. При устройстве опалубки для монолитного ростверка, кото-
рые приведены в прил. 9.
Предельные отклонения при устройстве опалубки для монолитного ростверка в соответствии с требованиями [62] не должны пре-
вышать: |
|
− смещение нижней грани опалубки от продольной оси |
± 15 мм; |
− смещение нижней грани опалубки от поперечной оси |
± 15 мм; |
− отклонение от вертикали или от проектного наклона |
|
плоскостей опалубки и линий их пересечения |
± 5 мм; |
− отклонение от горизонтали |
± 5 мм; |
− отметка верха опалубки должна быть на 50-70 мм |
|
15