Материал: 2254

Внимание! Если размещение файла нарушает Ваши авторские права, то обязательно сообщите нам

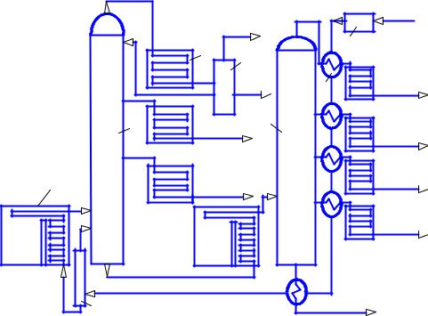
В колонне есть разделительные тарелки с отверстиями в виде цилиндров. На цилиндры установлены колпачки с прорезями для прохода паров топлив. Самые легкие фракции – пары бензинов достигают верхних тарелок, там конденсируются и отводятся в отдельные емкости, более тяжёлые оседают на нижних тарелках (рис. 2.1, 2.2).

 

 

 

Нефть

 

Газ

7

 

 

3

4

Дистилляты

 

 

 

 

Бензин

6

Соляровый

 

 

 

 

2

Керосин

5

 

Веретенный

1

Газойль

 

 

Машинный

 

 

 

 

 

 

 

Цилиндровый

Мазут

 

 

 

 

Нефть

 

 

Гудрон

8

 

 

 

 

 

 

Рис. 2.1. Комплексная атмосферно-вакуумная установка переработки нефти: 1 – трубчатая печь; 2 и 5 – ректификационные колонны; 3 – холодильник; 4 – отделитель газа; 6 – теплообменник; 7 – насос;

8 – испарительная колонна

Самая тяжелая фракция (мазут) снова нагревается и направляется в другую колонну, работающую под разрежением. Давление в колонне снижают до 0,01 МПа для того, чтобы мазут кипел и испарялся при меньшей температуре и разделялся на легкие, средние и тяжелые масла (веретённый, машинный, цилиндровый). Диапазоны выкипания (испа-

рения) нефтепродуктов: бензин 35 – 200 оС, лигроин 110 – 230 оС, керо-

син 140 – 300 оС, газойль 236 – 330 оС, соляр 286 – 380 оС, масла 320 – 500 оС. При смешении фракций получают топлива для различных видов техники.

Смесь лигроина и керосина – это реактивное топливо для самолётов. Керосин и газойль – это лёгкое дизельное топливо для автомобилей. Газойль и соляр – это дизельное топливо для тракторов. Соляр – это топливо для тепловозов и судовых двигателей.

~11 ~

4

 

 

3

 

7

 

 

5

 

 

5

6

8

 

2

 

 

1

 

 

Рис. 2.2. Схема ректификационной колонны и её принцип действия:

1 – приспособление для ввода водяного пара; 2 – труба (ввод паров нефти и её неиспарившейся части); 3 – приспособление для ввода орошения; 4 – труба для отвода легкокипящих фракций с испарившимся оросителем; 5 – металлические тарелки; 6 – отверстия в тарелках; 7 – колпачки с прорезями; 8 – сливная труба

Контрольные вопросы и задания

1.Что называют нефтью, ее состав?

2.Что называют испаряемостью топлива?

3.В чем заключается принцип прямой перегонки нефти?

4.Укажите диапазон выкипания бензиновых фракций.

5.Что называют фракцией?

6.Какие виды топлив получают в результате прямой перегонки нефти?

7.С какой целью смешивают различные фракции топлив?

8.С какой целью мазут разделяют на фракции при давлении меньше атмосферного?

~12 ~

3. РАСЧЕТНОЕ И ЭКСПЕРИМЕНТАЛЬНОЕ ОПРЕДЕЛЕНИЕ ТЕПЛОТЫ СГОРАНИЯ ТОПЛИВА

Теплотой сгорания называется количество теплоты, выделяющейся

при полном сгорании единицы массы топлива, а для газообразного топлива – единицы объёма. Обозначается теплота сгорания символом Q.

Различают высшую Qо и низшую Qи теплоту сгорания топлива (теплотворную способность). Под высшей теплотой сгорания понимают то количество теплоты, которое выделяется при полном сгорании топлива, включая теплоту конденсации водяных паров при охлаждении продуктов сгорания.

Под низшей теплотой сгорания (или полезной) понимается количество теплоты, которое выделяется при полном сгорании топлива, но без учета теплоты конденсации водяного пара. Величина Qи меньше Qо на величину скрытой теплоты парообразования воды.

Теплота, затраченная на превращение воды в пар, является потерянной, так как температура отработавших газов значительно выше 100 оС и часто достигает 400 – 600 оС. Пар вместе с продуктами сгорания выбрасывается из выхлопной трубы в атмосферу. Можно принять, что на превращение 1 кг воды в пар затрачивается 2,5 МДж (2,5·106 Дж).

При сгорании 1 кг углерода (С) выделяется 33, 91 МДж теплоты, а при сгорании 1 кг водорода (Н) выделяется 125,6 МДж теплоты.

3.1. Процесс сгорания топлива

Сгорание топлива – это быстрая реакция окисления углеводородов

кислородом. При этом образуется вспышка, молекулярные связи разрываются, накопившаяся ранее энергия выделяется в виде теплоты. При сгорании 1 кг топлива выделяется следующее количество теплоты, Дж : бензин – 44·106, дизельное топливо – 42·106, метан – 49,7·106.

Стехиометрия (греч. stoicheion – основа, элемент и метрия – измеряю) часть химии, включающая законы количественных соотношений между реагирующими веществами, вывод формул и уравнений химических реакций. В основе стехиометрии лежат законы Авогадро, Гей– Люссака и сохранения массы.

~13 ~

Балансовые уравнения, показывающие исходные и конечные состояния участвующих в реакциях веществ, называют стехиометрическими. Напомним, что атомные и молекулярные массы в граммах химических элементов, участвующих в процессе сгорания топлива, следую-

щие [1]: Н=1, (Н2=2); О=16, (О2=32); С=12, (С2=24); N=14, (N2=28); S = 32, (S2 = 64).

Конечная реакция сгорания водорода и углерода в результате окисления кислородом протекает так:

2 + О2 = 2Н2О; С + О2 = СО2.

(3.1)

Чтобы сжечь 4 кг водорода (2 кмоля) необходимо затратить 32 кг (1 кмоль) кислорода. При этом выделяется 36 кг водяного пара. Для сгорания 1 кг водорода требуется 8 кг кислорода. Выделяется 125,6 МДж теплоты и 9 кг воды (4Н + 32О = 36Н2О, или сокращая левую и правую части уравнения на 4, получим 1Н + 8О = 9 Н2О). У работающего двигателя вода в виде пара выбрасывается в атмосферу.

Чтобы сжечь 12 кг углерода, необходимо затратить 32 кг кислорода. При этом выделяется 44 кг двуокиси углерода. Для сгорания 1 кг углерода С требуется 8/3 кислорода (2,66). Выделяется 34 МДж теплоты и 3,6 кг двуокиси углерода СО2 (12С + 32О = 44 СО 2 или, сокращая левую и правую части уравнения на 12, получим выражение 1С + 8/3О = 44/12СО 2). Один кг углерода и водорода сгорая, выделяют 34 и 125,6 МДж теплоты. Зная процентное содержание углерода и водорода в топливе, подсчитывают его теплотворную способность.

Горение – это сложный процесс. Факел горящих углеводородов напоминает своеобразный организм, живущий до тех пор, пока в его огненной оболочке, в которую поступает газифицированное топливо и кислород воздуха, происходит правильный обмен веществ. Даже простейшие газообразные метан, этилен, пары бензина сами по себе не горят, пока не будут преобразованы до простейших составляющих в виде молекул СО и Н2. При окислении (горении) углеводородная молекула «опускается» на более низкие энергетические уровни и достигает нулевого уровня, когда полностью «разваливается» на углекислый газ СО2 и воду Н2О.

Окисление – это реакция взаимодействия молекул углеводородного топлива с молекулами кислорода. Если температура воздуха достигает требуемого значения, то окисление переходит в процесс горения.

Теплота сгорания может быть определена сжиганием топлива в специальных приборах, которые называют калориметрами (1 кал = 4,187 Дж), а

~14 ~

также подсчитана по формулам, если известен элементарный состав топлива.

В табл. 3.1 представлены удельные значения теплоты сгорания раз-

личных газовых топлив для 1 м3 и 1 кг при атмосферных условиях

(Р = 736 мм рт. ст. = 0,98 ∙ 105 Н/м2 и Т = 293 К).

3.2. Расчетное определение теплоты сгорания топлив

Врасчетных формулах наиболее распространенной является форму-

ла Д.И. Менделеева, основанная на том, что общая теплота сгорания равна сумме теплоты, полученной от сгорания отдельных элементов, входящих в состав топлива. Эта формула для жидких топлив имеет вид [1, 5]:

Qи = [34 С + 125,6 Н – 10,9 (О – S) – 2,5 (9Н + W)] 106 Дж/кг, (3.2)

где С, Н, О, S, W – содержание в рабочей массе топлива углерода, водорода, кислорода, серы, влаги в процентах (по массе). При изучении топлив и их состава различают рабочую и сухую (без влаги) массу. Общая масса всех составляющих топлива должна быть равна 100%.

Например, для бензина марки Аи-98 и наличии С = 0,85 (85%), Н = 0,15 (15%), но без присутствия кислорода, серы, влаги величина низшей теплотворности равна

Qи = [34∙ 0,85 + 125,6∙ 0,15

– 2,5∙ (9∙ 0,15) ] ∙ 106 =

(3.3)

= (28,9 + 18,84 - 3,37) ∙10 6 = 44,37 ∙106

Дж/кг = 44,37 МДж/кг.

Для природного газа, содержащего 95% метана СН4 и 5% пропана С3 Н8, низшая теплотворность равна

Qи = [35,8∙ 0,95 + 85,5∙ 0,05 ] ∙ 106 =38,28 106 Дж / м3.

(3.4)

Для газа произвольного состава теплоту сгорания расчетным путем можно определить по формуле, используя данные табл. 3.1 [5]:

Qи = [35,8∙ СН4 + 10,8 Н2 + 12,6 СО +63,8 С2 Н6 +111,6 С3

Н8

+

+146 С5 Н12 +23,4 Н2 S] ∙ 106 Дж/м3.

 

(3.5)

~15 ~