Материал: 2254

Внимание! Если размещение файла нарушает Ваши авторские права, то обязательно сообщите нам

проведения специальных мероприятий по интенсификации его воспламенения и сгорания (повышение степени сжатия у дизеля).

В настоящее время в автомобилях стали использовать топливные элементы, которые позволяют получить электрическую энергию непосредственно из химической энергии без преобразования теплоты.

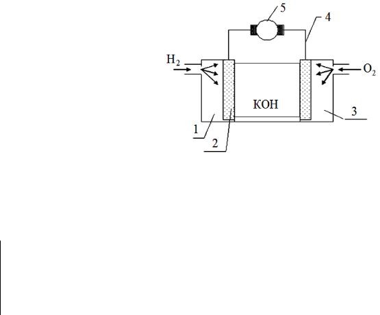
Если принять в качестве топлива водород, а окислителя – кислород (воздух), то топливный элемент условно можно представить в виде, как показано на рис. 13.1. Вместо водорода можно подавать газ с большим содержанием водорода, например метан, а вместо кислорода – воздух.

Рис. 13.1. Принципиальная схема топливного элемента

В полость 1 подается водород, который контактирует с пористым анодом 2 (сплав платины с иридием). В полость 3 подается кислород, который контактирует с пористым катодом 4, выполненным из такого же материала, что и анод 2. Между катодом и анодом находится электролит. Водород проходит через поры анода 2 и, соприкасаясь с электролитом, ионизируется. Ионизация в газах – отрыв от атома или молекулы газа одного или нескольких электронов. При этом электроны будут уходить во внешнюю цепь, а ионы водорода поступят в электролит. Затем электроны, пройдя внешнюю цепь (электродвигатель 5), соединяются на катоде 4 с кислородом, образуя ионы кислорода. Далее, ионы кислорода соединяются с водой электролита и образуют гидроксильные ионы, которые после соединения с ионами водорода вновь образуют воду. В результате получим

О2 + 2Н2 = 2Н2О + электроэнергия.

Электроэнергия подается на электродвигатель 5, который может приводить в движение, например, колеса автомобиля.

~111~

13.2. Применение спиртов

Спирты обладают высоким октановым числом, благодаря чему их це-

лесообразно использовать в двигателях с принудительным воспламенением. Октановое число по моторному методу у метанола равняется 90, у этанола – 88; по исследовательскому методу у метанола – 110, у этанола – 106. Стехиометрическое количество воздуха для сгорания 1 кг спирта (кг воздуха / кг топлива) у метанола – 6,5, у этанола – 9,0.

Теплота сгорания спиртов приблизительно в 2 раза меньше, чем у нефтяных топлив (у метанола – 22 000 кДж/кг, у этанола – 26 000 кДж/кг), поэтому при практически равных энергетических затратах двигатели, работающие на спирте, имеют по сравнению с бензином большие массовые расходы топлива. Спирты по сравнению с нефтяным топливом характеризуются более устойчивым сгоранием. Благодаря этому расширяется диапазон устойчивого горения на бедных смесях до зна-

чения = 1,5 – 1,6.

Сгорание спиртов по сравнению с бензинами характеризуется меньшими задержками воспламенения и большими скоростями горения, более низкими температурами и большей полнотой сгорания. Всё это обеспечивает меньший отвод теплоты из зоны реакции, пониженную тепловую напряжённость деталей цилиндропоршневой группы, уменьшение нагарообразования, повышенный индикаторный КПД, меньшую токсичность отработавших газов по СО и СnHm и оксидам азота.

При работе на спиртах токсичность отработавших газов при= 0,98 – 1,0 по концентрации СО соответствует бензиновым двигателям. С увеличением коэффициента избытка воздуха свыше 1,0 концентрация СО резко снижается. По мере дальнейшего обеднения смеси оксид углерода в отработавших газах практически отсутствует. Концентрация углеводородов в 10–20 раз меньше, чем в бензиновых двигателях, а оксида азота в 1,5–2,0 раза.

Препятствием для использования метанола является его высокая токсичность, так как он яд, действующий на нервно-сосудистую систему. Отравление возможно при попадании его в пищеварительный тракт, при вдыхании или попадании жидкости на кожу. Предельно допустимая концентрация паров метанола в воздухе 5 мг/м3 (для сравнения у бензина 100 мг/м3). Попадание в организм свыше 10 мл метанола может окончиться тяжёлым отравлением. Смертельная доза 30 мл. При длительном контакте с метанолом возможно хроническое отравление, сопровождаю-

~112~

щееся нервным расстройством. Поэтому необходима надёжная герметизация топливных баков и топливоподающей системы.

Спирты можно использовать в качестве добавки (15%) к бензинам. В этом случае достигаются такие положительные результаты:

не нужно вносить изменения в конструкцию двигателя и регулировать его топливную аппаратуру;

можно работать на бензине с меньшим октановым числом;

снижается токсичность отработавших газов и расход бензина. Основные характеристики спиртов приведены в табл. 13.1.

Основные характеристики спиртов

Таблица 13.1

 

 

 

 

Показатель

Метанол

Этанол

Плотность, кг/м3, 20 °C

791

789

Теплота сгорания, МДж/кг

22

26

Октановое число по моторному методу

90

88

Этиловый и метиловый спирты токсичны и ядовиты, 30 г метилового спирта может вызвать смерть (метиловый спирт СН3ОН – древесный спирт). Этиловый спирт (С2Н5ОН) оказывает наркотическое воздействие.

На рис. 13.2 представлено строение молекул метилового и этилового спиртов.

Рис. 13.2. Строение молекул метилового и этилового спирта

~113~

Этиловый спирт (этанол) можно получить из сахарной свеклы, пшеницы, картофеля, сахарного тростника. Из одной тонны указанных продуктов можно получить спирта в литрах соответственно 90, 340, 167, 90.

Урожайность в тоннах с одного га составляет в среднем сахарной свеклы 15–50, пшеницы 1,5–2,5, картофеля 8–50, сахарного тростника

50–90.

Первоначально этанол применялся в смеси с бензином, а затем специальные автомобили стали работать на чистом этаноле. Основными производителями этанола является Бразилия и США. Бразилия производит в год 12 млрд л этанола, или 60% мирового объема производства, а США – 8 млрд.

Как отличить метиловый спирт (яд) от этилового (винный спирт)? Это вопрос жизни и смерти. Плотность (см. табл. 13.1) у них одинакова. А вот кинематическая вязкость отличается в два раза. При 20 оС кинематическая вязкость у метанола 0,73 сСт, этанола 1,52 сСт (у воды 1 сСт). Температура кипения у метанола 65оС, а у этанола 78 оС.

13.3. Применение рапсового масла

В последнее время в качестве топлив стали применять рапсовое

масло или его добавки в дизельное топливо. Рапс – это маслянистое растение из семейства крестоцветных. Рапс – однолетнее растение с тонким корнем, с прямым, а к вверху ветвистым стеблем. Высота стебля достигает 50 –150 см. Цветки золотисто-желтые, собранные в негустые кисти. Стручки растут от стебля, почти горизонтально, семена бурые. Стручки имеют длину 5 – 10 см, ширину 3 – 4 мм. В семенах содержится до 40– 50% масла. Урожай семян рапса с одного гектара составляет 10 – 20 ц.

По данным производственной и сельскохозяйственной организации ООН, в 2004 г. было собрано 36 млн т семян рапса. Рапс возделывают в Мексике, США, Канаде, Индии, Китае, Украине.

Основной недостаток рапсового топлива – его большая вязкость (76 сСт при 20 оС), плохое распыливание и дымность при сгорании. Для снижения вязкости его разбавляют дизельным топливом.

В табл. 13.2 приведены сравнительные физико-химические показатели рапсового масла и зимнего дизельного топлива.

~114~

 

 

Таблица 13.2

Основные характеристики рапсового масла

 

 

 

 

Показатель

Рапсовое масло

З-0,1 минус 35

 

 

 

 

 

Плотность, кг/м3, 20 °C

917

840

 

Теплота сгорания, МДж/кг

37

42

 

Цетановое число, не менее

40

45

 

Кинематическая вязкость, мм2/с,

76

1,8 – 5,0

 

при 20 оС

 

Температура вспышки в закрытом

100

+ 35

 

тигле, оС, не ниже

 

Температура застывания, оС, не

– 23

– 35

 

выше

 

 

 

 

13.4. Основные пути снижения расхода топлива

Совершенство конструкции двигателя и автомобиля оценивается ве-

личиной расхода топлива. Расход топлива зависит от следующих факторов:

1.Усовершенствования конструкции двигателя, методики его ремонта, регулировки, диагностики и эксплуатации.

2.Повышения качества топлив и смазочных материалов.

3.Обучения водителей экономному управлению автомобилем.

4.Уменьшения массы автомобиля (за последние 50 лет масса некоторых легковых автомобилей снижена в 2 раза).

5.Совершенствования обтекаемости автомобиля.

6.Применения специальных шин с высоким давлением.

7.Применения автоматических коробок передач или использования механических коробок передач с широким диапазоном передаточных чисел (5–10 ступеней). Применение многоступенчатых коробок позволяет автомобилю двигаться с большой скоростью, например 150 км/ч, а двигатель будет работать на средних частотах с минимальным расходом топлива.

8.Применения электронного впрыска бензина и впрыска дизельного топлива при давлении более 100 МПа. Применения электронного управления работой двигателя и автомобиля.

~115~