Проверяем выполнение условия: R.
|
|
|
N1 |
|
6Мy0 |
||||
|
|
|
|
|
фd |
|
|
|
1,2 1 1,2 2b; |
|
bl2 |
|
|||||||
|
|
|
al |
|
|
|
|||
|
1670 |
20 2.25 |
6 148,0 |
|
1,2 33032 1,2 6,65 2,1; |
||||
|
|
2,1 2,72 |
|||||||
|
2,7 2,1 |
|
|
|
|
||||
С |
|
|
|
|
|
|
|
||
|
|
294,53+45+58,01 396,38+16,76 кПа; |
|||||||
|
|
|
|
397,54 413,14 кПа. |
|||||
|
|
|
Условие выполняется. |
||||||
и |
|
|
|||||||
ЗАДАНИЕ 3. Запроект ровать ленточный фундамент |
|||||||||
|
под внутреннюю продольную стену здания с подвалом. |
||||||||
|
Ш р на здания >20 м |
|
|
||||||
Требуется: определить нео ходимую расчетную ширину фундамента подобрать с орную конструкцию фундаментной плиты; определить полную высоту подвальной стены, из условия размещения целого числа
стеновых ; рассч тать расстояние между фундаментными плитами для прерыв стого ленточного фундамента.
блоков грунты не пучинистыеА. Физико-механические характеристики грунта даны
Исходные данные к выполнению задания. Основание трехслойное,
в табл.14. На рис. 5 указаны высотные отметки конструкций подвала и уровней слоев грунтового основания; в табл. 2 – их численные значения. В табл. 15, также приведена величина погонной вертикальной нагрузки, дей-
ствующей на обрез фундамента. |
Д |
|
|
|
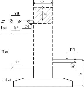
И |
Рис.5. Грунтовая колонка и схема фундамента. Отметки: УП – уровня планировки; ОФ – обреза фундамента;
ПП – пола подвала; К2 – кровли второго слоя; К3 – кровли третьего слоя.
21
|
|
|
|
|
|
|
|
|
|
|
|
|
|
|
|
|
|
|
|
Таблица 14 |
|||
|
|
|
Разновидность грунта и физико-механических характеристики |
||||||||||||||||||||
|
|
№ |
№ |
|
|
Разновидность грунта |
|
|
II |
, |
|
cII , кПа |
|
0 |
|
IL |
|
||||||
|
|
вар |
слоя |
|
|
|
3 |
|
|
|
|
||||||||||||
|
|
|
|
|
|
|
|
|
Т/М |
|
|
|
|
II |
|
|
|
|
|||||
|
|
1 |
1 |
|
|
почв.-раст. слой |
|
|
1,60 |
|
- |
|
- |
|
- |
|
|
||||||
|
|
2 |
|
|
супесь пластичная |
|
|
1,87 |
|
8 |
|
24 |
|
|
|
|
|||||||
С |
|
|
|
|
|
1,97 |
|
20 |
|
21 |
|
0,2 |
|
|
|||||||||
|
|
|
3 |
|
|
суглинок полутвердый |
|
|
|
|
|
|
|
||||||||||
2 |
1 |
|
|
почв.-раст. слой |
|
|
1,65 |
|
- |
|
- |
|
- |
|
|
||||||||
2 |
|
|
песок мелкий |
|
|
1,84 |
|
- |
|
30 |
|
- |
|
|
|||||||||
|
|
|
3 |
|
|
песок сред. крупности |
|
|
1,90 |
|
- |
|
36 |
|
- |
|
|
||||||
3 |
1 |
|
|
почв.-раст. слой |
|
|
1,70 |
|
- |
|
- |
|
- |
|
|
||||||||
2 |
|
|
сугл нок |
. |
|
1,82 |
|
17 |
|
20 |
|
- |
|
|
|||||||||
|
|
|
мягкопластич |
|
1,92 |
|
15 |
|
24 |
|
0,26 |
|
|
||||||||||
|
|
|
3 |
|
|
сугл нок тугопластич. |
|
|
|
|
|
|
|
||||||||||
4 |
1 |
|
|
почв.-раст. слой |
|
|
1,68 |
|
- |
|
- |
|
- |
|
|
||||||||
2 |
|
|
песок мелк й |
|
|
1,76 |
|
- |
|
28 |
|
- |
|
|
|||||||||
|
|
|
3 |
|
|
гл на полутвердая |
|
|
1,95 |
|
45 |
|
10 |
|
0,15 |
|
|
||||||
|
|
|
1 |
бА |
|
|
|
- |
|
- |
|
|
|||||||||||
5 |
2 |
|
|
супесь пласт чная |
|
|
1,73 |
|
10 |
|
25 |
|
- |
|
|
||||||||
|
|
|
3 |
|
|
гл на полутвердая |
|
|
1,96 |
|
38 |
|
12 |
|
0,10 |
|
|
||||||
6 |
1 |
|
|
почв.-раст. слой |
|
|
1,64 |
|
- |
|
- |
|
- |
|
|
||||||||
2 |
|
|
сугл нок тугопластич. |
|
|
1,80 |
|
22 |
|
25 |
|
- |
|
|
|||||||||
|
|
|
3 |
|
|
гл на тугопластичная |
|
|
2,00 |
|
40 |
|
15 |
|
0,30 |
|
|
||||||
7 |
1 |
|
|
почв.-раст. слой |
|
|
1,60 |
|
- |
|
- |
|
- |
|
|
||||||||
2 |
|
|
глина тугопластичная |
|
|
1,89 |
|
30 |
|
14 |
|
- |
|
|
|||||||||
|
|
|
3 |
|
|
суглинок полутвердый |
|
|
1,93 |
|
24 |
|
22 |
|
0,22 |
|
|
||||||
8 |
1 |
|
|
почв.-раст. слой |
|
|
1,63 |
|
- |
|
- |
|
- |
|
|
||||||||
2 |
|
|
песок сред. крупности |
|
|
1,77 |
|
- |
|
35 |
|
- |
|
|
|||||||||
|
|
|
3 |
|
|
суглинок тугопластич. |
|
|
1,88 |
|
28 |
|
18 |
|
0,28 |
|
|
||||||
9 |
1 |
|
|
почв.-раст. слой |
|
|
1,58 |
|
- |
|
- |
|
- |
|
|
||||||||
2 |
|
|
супесь пластичная |
|
|
1,74 |
|
13 |
|
28 |
|
- |
|
|
|||||||||
|
|
|
3 |
|
|
суглинок тугопластич. |
|
|
1,92 |
|
19 |
|
26 |
|
0,35 |
|
|
||||||
10 |
1 |
|
|
почв.-раст. слой |
|
|
1,69 |
|
- |
|
- |
|
- |
|
|
||||||||
2 |
|
|
суглинок мягкопластич. |
|
1,85 |
|
15 |
|
21 |
|
- |
|
|
||||||||||
|
|
|
3 |
|
|
суглинок полутвердый |
|
|
1,95 |
|
25 |
|
29 |
|
0,16 |
|
|
||||||
|
|
|
|
|
|
|
|
|
|
Д |
|
|
|
||||||||||
|
|
|
|
|
|
|
|
|
|
|
|
|
|
|
|
Таблица 15 |
|||||||
|
|
Погонная вертикальная нагрузка, действующая на обрез фундамента. |
|||||||||||||||||||||
|
|
№ вар. |
|
УП |
|
ОФ |
|
ПП |
|
|
|
К2 |
|
|
К3 |
|
P0' , кН/м |
|
|||||
|
|
1 |
|
-0,2 |
|
-0,4 |
|
-3,0 |
|
|
|
-0,8 |
|
|
|
-3,7 |
500 |
|
|
||||
|
|
2 |
|
-0,4 |
|
-0,55 |
|
-2,8 |
|
|
|
-1,0 |
|
|
|
-4,0 |
400 |
|
|
||||
|
|
|
|
|
|
|
|
|
|
|
|
|
И |
|
|||||||||
|
3 |
|
0,0 |
|
-0,15 |
|
-2,4 |
|
|
|
-0,6 |
-3,8 350 |
|||||||||||
|
|
4 |
|
0,0 |
|
-0,20 |
|
-2,6 |
|
|
|
-0,5 |
|
|
|
-3,5 |
450 |
|
|
||||
|
|
5 |
|
-0,3 |
|
-0,5 |
|
-3,2 |
|
|
|
-0,7 |
|
|
|
-2,9 |
470 |
|
|
||||
|
|
6 |
|
-0,1 |
|
-0,25 |
|
-3,0 |
|
|
-0,55 |
|
|
-3,4 |
380 |
|
|
||||||
|
|
7 |
|
-0,2 |
|
-0,4 |
|
-2,7 |
|
|
|
-0,6 |
|
|
|
-3,6 |
520 |
|
|
||||
|
|
8 |
|
-0,4 |
|
-0,6 |
|
-2,6 |
|
|
|
-0,9 |
|
|
|
-2,8 |
550 |
|
|
||||
|
|
9 |
|
-0,3 |
|
-0,45 |
|
-2,4 |
|
|
|
-1,0 |
|
|
|
-3,2 |
400 |
|
|
||||
|
|
10 |
|
-0,1 |
|
-0,30 |
|
-3,0 |
|
|
|
-0,7 |
|
|
|
-3,0 |
420 |
|
|
||||
22
Методические указания к выполнению задания
Из инженерногеологических условий подошва фундамента заглубляется не менее 0,5 м в несущий слой. Глубина заложения фундамента определяется от уровня пола подвала, т.к. ширина здания в ≥20м.
Расчетную ширину фундамента определяют по формуле:
|
|
|
|
|
|
|
1 |
|
ф |
h' |
p |
' |
|
|
|
h' |
|
|
||||||||||
|
|
|
|
|
b |
|
|
|
|
|
|
|
|
|
|
1 |
ф |
|
|
, |
(15) |
|
||||||
|
|
|
|
|
|
|
2 |
|
|
|
|
|
|
|
|
2 |
|
|
|
|||||||||
|
|
|
|
|
|
|
|
2 |
|
|
|
2 |
|
|
2 |
|
|
|
|
|||||||||
|
|
|
|
|
|
|
|
|
|
|
|
|
|
|
|
|
|
|
|
|
|
|||||||
|
где |
ф– средн й удельный вес материала фундамента и грунта на уступах |
||||||||||||||||||||||||||
|
( ф |
=20 кН/м3); h’ – глуб на заложения фундамента; |
|
p’– расчетная нагрузка |
||||||||||||||||||||||||
|
части |
|
|
|
|
|
|
|
|
|
|
|
|
|
|
|
|
|
|
|
|
|
||||||
|
на уровне пола подвала. |
|
|
|
|
|
|
|
|
|
|
|
|
|
|
|
|
|
|
|
|
|
|
|
|
|||
С p' |
p' |
Gв ; |
|
|
|
|
|
|
|
|
|
|
|
|
(16) |
|
||||||||||||
|
|
|
|
|
|
|
|
|
0 |
|
|
|
ф |
|
|
|
|
|
|
|
|
|
|
|
|
|
|
|
|
|
Gфв – вес |
|
подвальной стены из блоков выбранных по табл.16. |
||||||||||||||||||||||||
|
|
ФБС 24.4.6блока400 |
|
|
|
|
|
|
|
|
|
|
0,54 |
1,30 |
|
|||||||||||||
|
|
|
Стеновые локи для ленточных фундаментов |
Таблица 16 |
||||||||||||||||||||||||
|
|
Марка |
|
|
Размеры лока, мм |
|
|
|
|
|
|
Объем бе- |
Масса |
|
||||||||||||||
|
|
|
|
|
|
|
|
тона, м3 |
блока, т |
|
||||||||||||||||||
|
|
|
дл на l |
ширина b |
|
высота h |
||||||||||||||||||||||
|
|
ФБС 24.3.6 |
|
|
|
|
|
300 |
|
|
|
|
|
|
|
|
|
|
|
|
|
|
|
0,41 |
0,97 |
|
||
|
|
ФБС 24.5.6 |
|
2380 |
|
|
500 |
|
|
|
|
|
|
|
|
|
|
|
|
|
|
|
0,70 |
1,63 |
|
|||
|
|
|
|
|
|
|
|
|
|
|
|
|
|
|
|
|
|
|
|
|
|
|
||||||
|
|
ФБС 24.6.6 |
|
|
|
|
|
600 |
|
|
|
|
|
580 |
|
|
|
|
|
|
0.81 |
1,96 |
|
|||||
|
|
|
|
|
|
|
|
|
|
|
|
|
|
|
|
|
|
|
|
|
|
|
|
|
|
|
||
|
|
ФБС 12.4.6 |
|
|
|
|
|
400 |
|
|
|
|
|
|
|
|
|
|
|
|
|
|
|
0,26 |
0,64 |
|
||
|
|
ФБС 12.5.6 |
|
1180 |
|
|
500 |
|
|
|
|
|
|
|
|
|
|
|
|
|
|
|
0,33 |
0,79 |
|
|||
|
|
ФБС 12.6.6 |
|
А |
|
0,40 |
0,96 |
|
||||||||||||||||||||
|
|
|
|
|
|
|
600 |
|
|
|
|
|
|
|
|
|
|
|
|
|
|
|
|
|||||
|
|
ФБС 12.4.3 |
|
|
|
|
|
400 |
|
|
|
|
|
|
|
|
|
|
|
|
|
|
|
0,13 |
0,31 |
|
||
|
|
ФБС 12.5.3 |
|
|
|
|
|
500 |
|
|
|
|
|
280 |
|
|
|
|
|
|
0,16 |
0,38 |
|
|||||
|
|
ФБС 12.6.3 |
|
|
|
|
|
600 |
|
|
|
|
|
|
|
|
|
|
|
|
|
|
|
0,19 |
0,46 |
|
||
|
|
ФБС 9.3.6 |
|
|
|
|
|
300 |
|
|
|
|
|
|
|
|
|
|
И |
|
||||||||
|
|
|
|
|
|
|
|
|
|
|
|
|
|
|
|
|
|
|
|
|
|
0,15 |
0,35 |
|
||||
|
|
ФБС 9.4.6 |
|
|
|
|
|
400Д0,20 0,47 |
|
|||||||||||||||||||
|
|
ФБС 9.5.6 |
|
|
|
|
|
500 |
|
|
|
|
|
|
|
|
|
|
|
|
|
|
|
0,24 |
0,59 |
|
||
|
|
ФБС 9.6.6 |
|
880 |
|
|
600 |
|
|
|
|
|
|
|
|
|
|
|
|
|
|
|
0,29 |
0,70 |
|
|||
|
|
ФБВ 9.4.6 |
|
|
|
|
|
400 |
|
|
|
|
|
580 |
|
|
|
|
|
|
0,18 |
0,39 |
|
|||||
|
|
ФБВ 9.5.6 |
|
|
|
|
|
500 |
|
|
|
|
|
|
|
|
|
|
|
0,20 |
0,49 |
|
||||||
|
|
|
|
|
|
|
|
|
|
|
|
|
|
|
|
|
|
|
|
|
|
|
||||||
|
|
ФБВ 9.6.6 |
|
|
|
|
|
600 |
|
|
|
|
|
|
|
|
|
|
|
|
|
|
|
0,24 |
0,58 |
|
||
|
|
|
|
|
|
|
|
|
|
|
|
|
|
|
|
|
|
|
|
|
|
|
|
|
|
|
||
|
|
ФБП 24.4.6 |
|
|
|
|
|
400 |
|
|
|
|
|
|
|
|
|
|
|
|
|
|
|
0,44 |
1,05 |
|
||
|
|
ФБП 24.5.6 |
|
2380 |
|
|
500 |
|
|
|
|
|
|
|
|
|
|
|
|
|
|
|
0,53 |
1,26 |
|
|||
|
|
ФБП 24.6.6 |
|
|
|
|
|
600 |
|
|
|
|
|
|
|
|
|
|
|
|
|
|
|
0,58 |
1,40 |
|
||
Примечания: 1. Масса блока приведена для тяжелого бетона. 2. Марка блоков: ФБС – фундаментный блок сплошной, ФБВ – фундаментный блок сплошной с вырезом для укладки перемычек, плит перекрытий и пропуска коммуникаций под потолком в подполье; ФБП – пустотелый (с открытыми внизу пустотами).
23
1 и 2 – коэффициенты расчетного сопротивления (R 1 2b); |
||||||||||
|
1 |
c1 c2 |
Mgd1 II' Mg 1db II' McCII ; |
(17) |
||||||
|
|
|||||||||
|
|
k |
|
|
|
|
|
|
|
|
т.к. db=0 для зданий с шириной подвала >20 м, то Mg 1 db 'II |
0 |
|||||||||
|
|
|
|
2 |
|
c1 c2 |
M kz II , |
(18) |
||
|
|
|
|
|
||||||
|
|
|
|
|
|
k |
|
|
|
|
где c1 и c2 – соответственно коэффициент условий работы грунтового ос- |
||||||||||
нования |
коэфф ц ент условий работы здания или сооружения во взаимо- |
|||||||||
действ |
с основан ем (по табл. 7); |
|
|
|
|
|||||
k – коэфф ц ент надежности; k=1 |
|
|
|
|||||||
Мg, |
Мс, М – безразмерные коэффициенты, принимаемые в зависимо- |
|||||||||
С |
|
|
|
|
|
|
|
|||
сти от расчетного значен я угла внутреннего трения II (по табл. 8) |
||||||||||
ина |
|
|
|
|
|
|
||||
II' – осредненное (по слоям) расчетное значение удельного веса в пре- |
||||||||||
делах высоты h'; |
|
|
|
|
|
|
|
|||
d1 |
– пр веденная глу |
|
заложения наружных и внутренних фунда- |
|||||||
ментов от пола подвала, определяемая по формуле |
|
|||||||||
|
|
|
d |
h h |
|
cf |
/ ' , |
(19) |
||
|
1 |
|
|
cf |
|
II |
|
|||
где hs – толщина слоя грунта выше подошвы фундамента со стороны подвала;
hcf – толщина конструкции пола подвала;
cf – расчетное значение удельного веса конструкции пола подвала;
|
kz – коэффициент, принимаемый при b<10м kz=1 при b≥10м |
||||||
|
kz=z0/b+0,2 |
|
|
|
|
||
|
бА |
|
|
||||
|
II – осредненное расчетное значение удельного веса грунтов, залегаю- |
||||||
щих ниже подошвы фундамента |
|
|
|
|
|||
|
сII – расчетное значение удельного сцепления грунта, залегающего не- |
||||||
посредственно под подошвой фундамента. |
|
|
|
||||
|
По полученному расчетномуДзначению b принимают марку фунда- |
||||||
ментной плиты (по табл. 17). Затем уточняют глубину заложения фундамен- |
|||||||
та. |
Если глубина заложения фундамента изменилась, необходимо произ- |
||||||
|
|||||||
вести повторный расчет величины b. |
|
|
R |
||||
|
Правильность вычислений проверяется по условию |
||||||
|
|
p' |
|
ф h' |
И |
||
где |
b 1 |
|
(20) |
|
|||
|
|
|
|
|
|
||
|
R 1 |
2 b |
|
(21) |
|
||
|
После того, как приняты проектные размеры фундаментной плиты, |
||||||
определяют размеры прерывистого фундамента. |
|
|
|
||||
|
|
|
|
|
|
|
|
24
|
|
|
|
Фундаментные плиты |
|
|
Таблица 17 |
||||||
|
|
|
|
|
|
|
|
|
|||||
|
|
|
|
Марка |
Размеры, |
мм |
Объем |
|
Вес |
|
|||
|
|
|
|
плиты |
|
|
|
|
бетона, |
|
|
|
|
|
|
|
|
|
|
|
|
|
|
|
|
||
|
Эскиз |
b |
l |
|
h |
м3 |
плиты, |
|
петель, Н |
|
|||
|
|
|
|
|
|
|
|
|
|||||
|
|
|
|
|
|
|
|
|
|
кН |
|
|
|
|
|
|
|
|
|
|
|
|
|
|
|
|
|
С |
|
ФЛ32,12 |
3200 |
1180 |
|
|
1,6 |
40,00 |
|
65 |
|
||
|
ФЛ 32,8 |
780 |
|
|
1,047 |
26,20 |
|
46 |
|
||||
|
ФЛ28,12 |
2800 |
1180 |
|
|
1,369 |
34,20 |
|
65 |
|
|||
|
|
|
|
ФЛ 28,8 |
|
780 |
|
|
0,896 |
22,40 |
|
46 |
|
|
|
|
|
ФЛ24,12 |
2400 |
1180 |
|
500 |
1,138 |
28,45 |
|
46 |
|
|
|
|
|
ФЛ24,8 |
780 |
|
0,715 |
18,65 |
|
32 |
|
||
|
|
|
|
ФЛ20,12 |
2000 |
1180 |
|
|
0,975 |
24,40 |
|
46 |
|
|
|
|
|
ФЛ20,8 |
|
780 |
|
|
0,638 |
15,95 |
|
32 |
|
|
|
|
|
ФЛ16,24 |
|
2380 |
|
|
0,987 |
24,70 |
|
32 |
|
|
|
|
|
ФЛ 16.12 |
1600 |
1180 |
|
|
0,486 |
12,15 |
|
22 |
|
|
бА |
|
0,320 |
8,00 |
|
14 |
|
||||||
|
|
|
|
ФЛ16,8 |
|
780 |
|
|
|
|
|||
|
|
|
|
ФЛ14,24 |
|
2380 |
|
|
0,845 |
21,10 |
|
22 |
|
|
иФЛ14,12 |
1400 |
1180 |
|
|
0,416 |
10,40 |
|
22 |
|
|||
|
|
|
|
ФЛ14,8 |
|
780 |
|
300 |
0,274 |
6,85 |
|
14 |
|
|
|
|
|
ФЛ12,24 |
|
2380 |
|
0,703 |
17,60 |
|
22 |
|
|
|
|
|
|
ФЛ12,12 |
1200 |
1180 |
|
|
0,347 |
8,70 |
|
14 |
|
|
|
|
|
ФЛ12.8 |
|
780 |
|
|
0,228 |
5,70 |
|
14 |
|
|
|
|
|
ФЛ10,21 |
|
2380 |
|
|
0,608 |
15,20 |
|
22 |
|
|
|
|
|
ФЛ10,12 |
1000 |
1180 |
|
|
0,3 |
7,50 |
|
14 |
|
|
|
|
|
ФЛ10,8 |
|
780 |
|
|
0,197 |
4,95 |
|
14 |
|
|
|
|
|
ФЛ8,24 |
800 |
2380 |
|
|
0,557 |
13,95 |
|
11 |
|
|
|
|
|
|
|
|
|
||||||
|
|
|
|
|
|
|
|
||||||
|
|
|
|
ФЛ8,12 |
|
1180 |
|
|
0,274 |
6,85 |
|
11 |
|
|
|
|
|
ФЛ6,24 |
600 |
2380 |
|
|
0,415 |
10,40 |
|
11 |
|
|
|
|
|
ФЛ6,12 |
|
1180 |
|
|
0,205 |
5,15 |
|
7 |
|
|
|
|
|
|
|
|
|
|
|
|
|
|
|
|
|
|
|
|
|
|
|
|
И |
||||
|
Примечания: 1. Марки плит в таблицеДуказаны условно, без обозначения |
||||||||||||
|
их группы и относятся к изделиям всех групп. 2. Пример расшифровки марки |
||||||||||||
|
плиты ФЛ20.12-3 – плита шириной 2000 мм, длиной 1180 мм при третьей группе |
||||||||||||
|
по номенклатуре для среднего давления по подошве 0,35 МПа. |
|
|
|
|||||||||
|
Расстояние между фундаментными плитами СП определяют по фор- |
||||||||||||
|
муле: |
CП kd bП /b 1 lП , |
|
(22) |
|||||||||
|
|
|
|
|
|||||||||
где b – ширина ленточного непрерывного фундамента, полученная расчетом;
bП – принятая стандартная ширина плиты прерывистого фундамента;
25