Материал: 2. ЗАДАНИЯ проекционное черчение

Внимание! Если размещение файла нарушает Ваши авторские права, то обязательно сообщите нам

AUTODESK

 

 

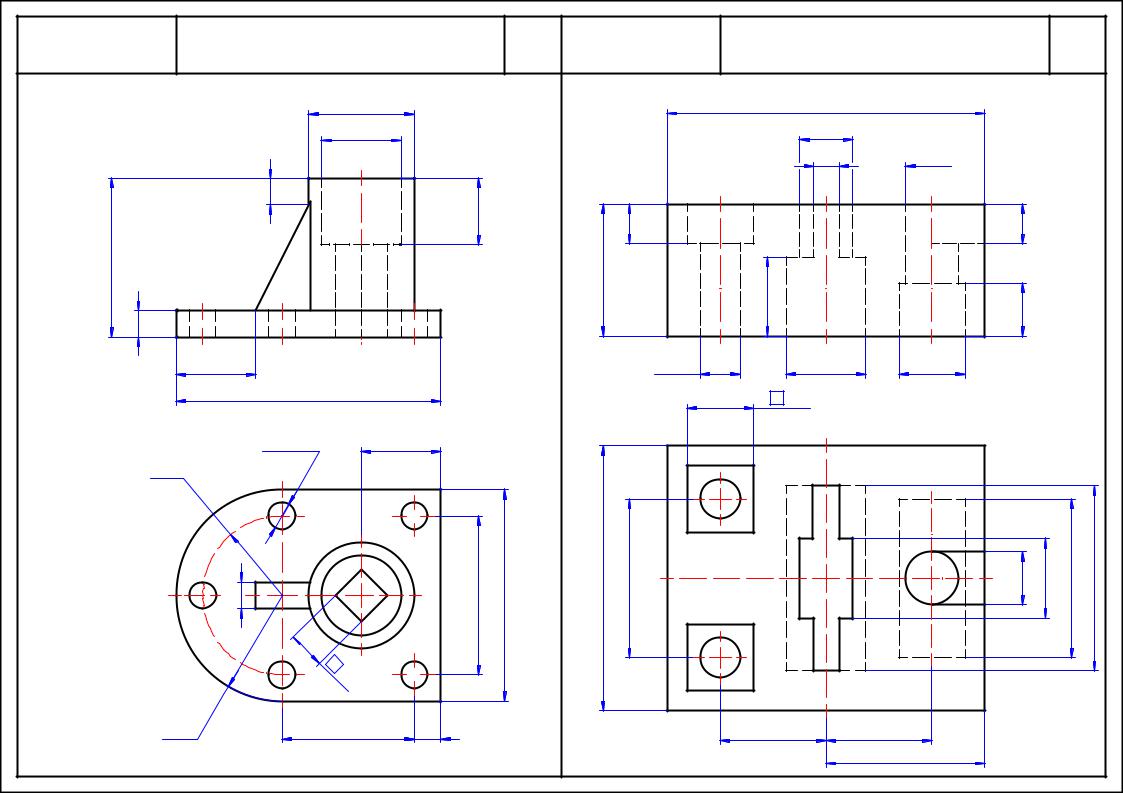
11

 

11

. . 2010 .

. . 2010 .

 

 

24

 

 

50

 

 

 

 

 

 

 

22

 

 

 

 

 

20

 

 

 

 

 

 

 

 

 

 

 

 

 

 

 

 

 

 

10

 

 

 

 

25

8

 

 

 

 

 

 

50

 

60

 

 

 

 

 

3

 

 

 

 

 

 

 

14

 

30

15

 

18

15

 

 

 

36

 

 

30

 

25

 

 

 

70

 

 

 

 

 

 

 

 

120

 

 

 

 

 

104

 

 

 

 

 

 

 

 

 

18

R7

 

 

 

 

 

 

 

 

 

 

 

 

 

 

25

72

10

42

52

50

90

 

 

 

 

 

14

 

 

 

 

 

90

AUTODESK

AUTODESK

 

 

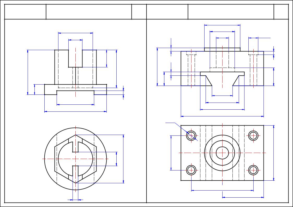
12

 

12

 

. . 2010 .

. . 2010 .

 

 

 

40

 

 

 

120

 

 

 

 

 

30

 

 

 

20

 

 

 

 

 

 

 

 

 

10

20

 

 

60

10

 

25

50

15

30

15

 

 

10

 

 

 

 

 

20

 

 

 

30

 

 

 

15

30

25

 

 

 

100*

 

 

 

2

25

 

 

 

 

 

 

 

 

 

 

 

 

 

 

 

 

 

 

 

 

 

 

 

 

 

 

 

 

10

 

30

100

60

 

20 30

60 70

AUTODESK

 

10

 

60 80

 

R30

5

 

 

 

 

 

 

 

 

 

 

1

 

 

 

 

 

 

 

 

 

4

 

 

 

 

 

 

 

R40

 

50

10

 

 

40

40

 

 

 

 

 

 

 

 

 

60

 

 

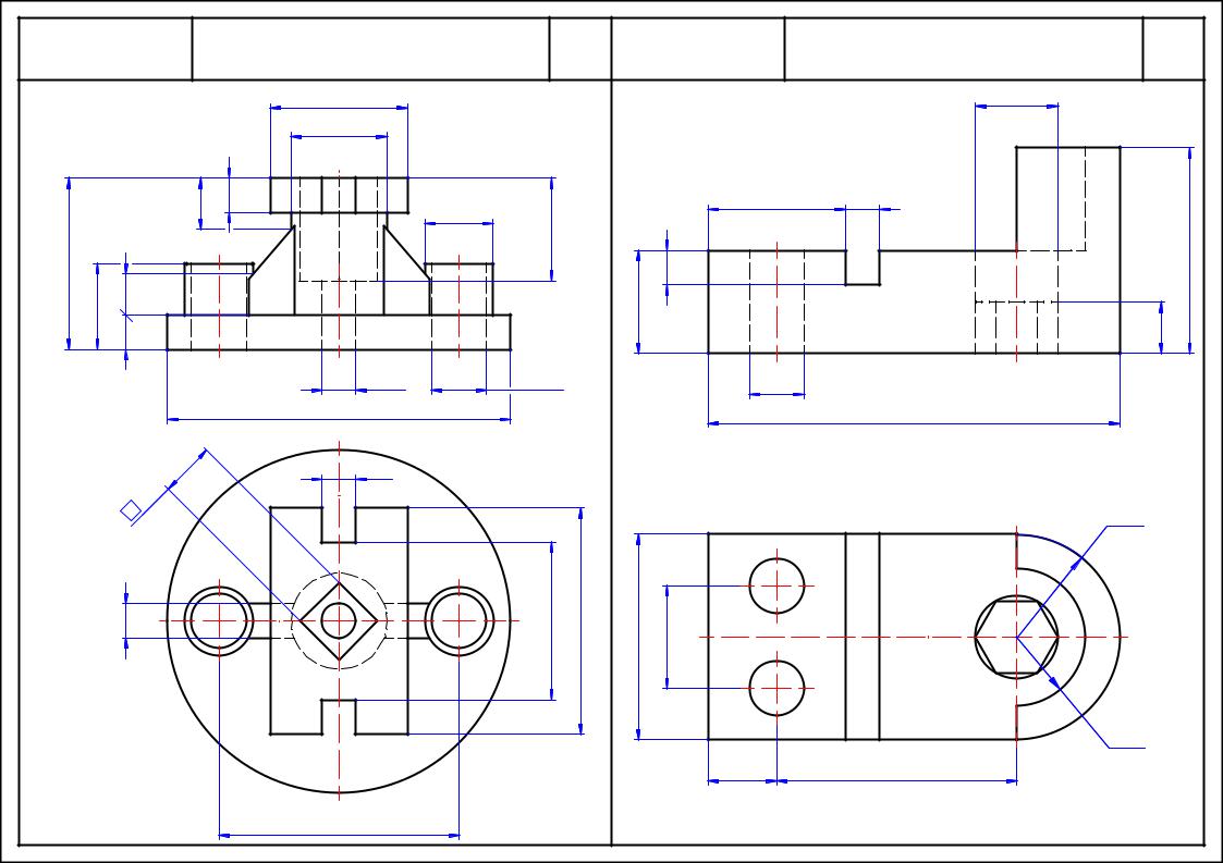
AUTODESK

 

 

13

 

13

. . 2010 .

. . 2010 .

 

 

 

 

 

52

 

 

 

50

 

 

 

36

 

 

 

 

 

 

18

14

 

 

20

 

 

 

 

 

 

 

5

 

4

 

 

 

 

 

 

 

 

 

 

 

 

 

 

 

25

 

 

 

 

5

 

 

 

 

 

 

 

 

65

55

55

20

5

 

26

 

15

6

 

 

 

30

 

 

 

 

 

 

 

 

 

 

54

 

 

 

48

 

 

 

 

 

 

64

 

 

 

90

 

 

 

 

 

 

 

 

 

120

 

 

 

 

 

 

 

 

 

 

 

 

 

10

 

 

 

 

 

 

 

4

 

 

 

20

70

50

80

 

90

8

60

 

AUTODESK

AUTODESK

 

 

14

 

14

. . 2010 .

. . 2010 .

 

 

 

 

 

25

 

75

 

 

 

 

 

 

 

 

 

20

30

 

 

 

 

 

70

 

 

 

 

 

 

 

 

 

 

10

 

 

25

 

 

20

 

 

 

 

2

 

 

 

 

 

 

 

 

 

 

 

 

 

 

 

 

 

 

 

15

65

 

 

 

 

 

 

50

 

 

40

 

 

 

 

 

 

 

15

 

 

 

 

12

 

 

15

 

 

 

 

 

10

 

 

 

22

12

 

 

 

 

 

 

 

120

2

 

 

 

120*

2

 

 

 

 

 

 

 

 

 

 

 

 

 

 

 

 

 

 

 

 

 

 

10

6

 

 

 

 

 

 

 

 

10

 

 

6

 

 

 

 

 

 

 

 

 

 

60

64

34

 

 

36

52

 

R15

 

 

 

 

 

 

 

 

 

 

 

6

32

16

 

50

 

30

10

 

 

 

 

90

 

 

 

 

 

 

 

 

 

 

 

 

 

 

 

AUTODESK

AUTODESK

 

 

 

15

 

15

 

 

. . 2010 .

. . 2010 .

 

 

 

40

 

 

 

 

24

 

 

 

 

28

 

 

 

 

 

 

 

50 25 1012

15

10

30

 

30

40

10

15 60

 

 

10

 

 

 

 

20

 

 

 

 

 

 

 

 

10

16

 

16

 

 

 

 

 

100

2

 

2

120

 

 

 

 

 

 

 

 

 

 

10

 

 

 

 

 

 

10

 

46

66

60

30

 

 

AUTODESK

 

 

 

 

6

 

 

 

 

 

 

 

 

 

1

 

 

 

 

 

 

R30

 

 

 

 

 

 

 

 

 

R20

20

70

70