Материал: 2. ЗАДАНИЯ проекционное черчение

Внимание! Если размещение файла нарушает Ваши авторские права, то обязательно сообщите нам

AUTODESK

 

 

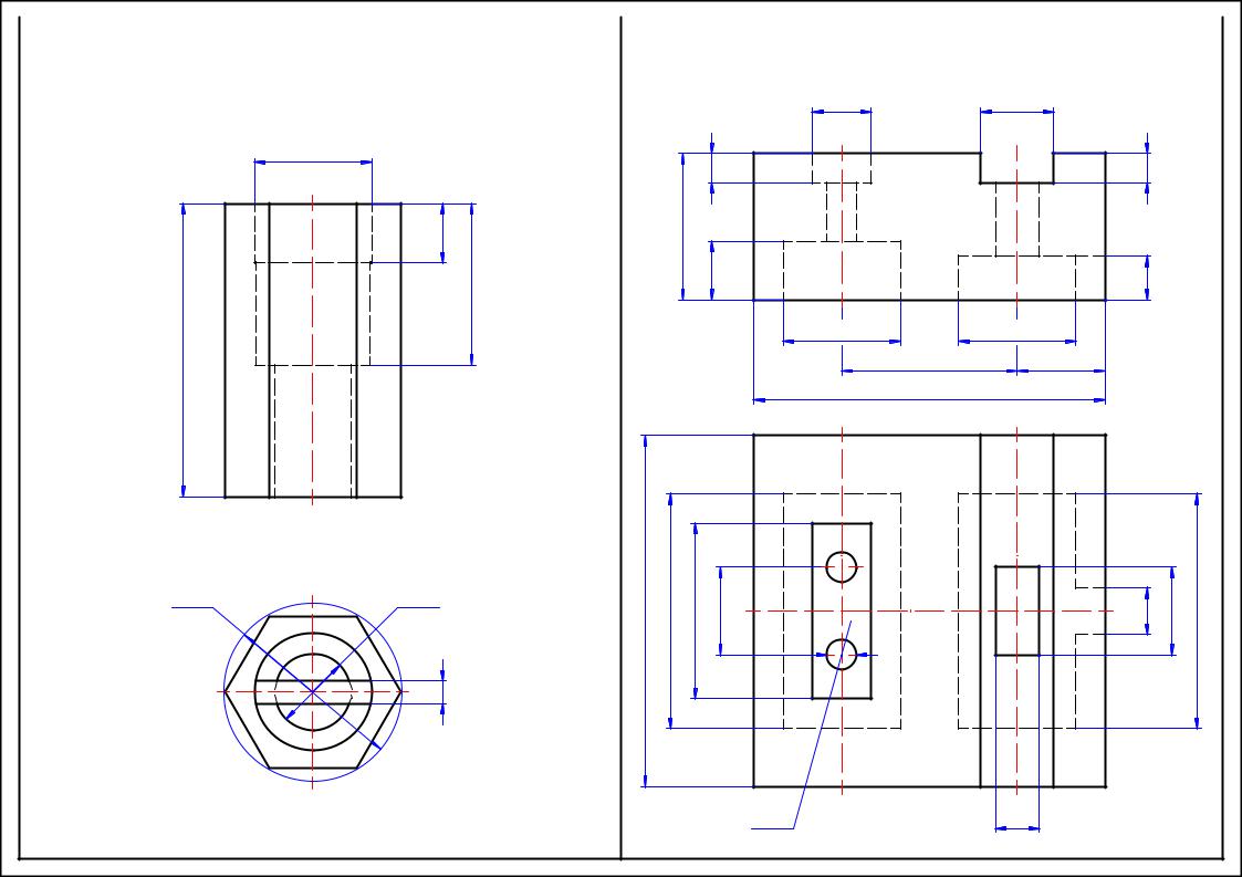
26

 

26

. . 2010 .

. . 2010 .

 

 

40

 

 

 

 

40

 

 

 

 

 

 

 

 

20

 

 

 

 

30

 

 

 

 

 

 

 

20

 

 

 

 

 

12

 

 

 

 

 

 

 

 

 

 

 

 

 

 

 

 

 

 

 

12

10

 

 

 

 

28

12

 

 

4

 

 

 

 

 

 

 

 

 

 

 

 

 

 

20

 

15

38

45

 

 

 

10

 

15

68

R10

 

3

 

 

 

 

 

 

 

 

 

R4

10

 

 

 

 

 

25

 

 

 

 

 

20

 

 

 

 

14

 

 

 

110

 

 

 

 

100

10

 

 

 

 

 

 

 

 

 

 

 

 

 

 

 

 

120

 

 

 

10

 

 

 

 

 

 

 

 

 

4

 

 

 

 

 

 

 

 

 

 

 

 

 

 

 

 

R5

 

 

84

 

 

 

 

 

 

 

 

 

 

10

 

 

 

 

 

 

 

 

 

60

 

60

48

18

 

20

38

70 25

60

90

R12

AUTODESK

AUTODESK

 

 

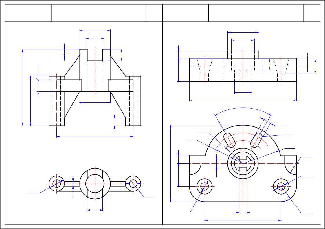
27

 

27

 

. . 2010 .

 

. . 2010 .

 

 

 

 

 

72

 

 

 

 

 

 

 

 

 

 

 

 

 

60

 

 

15

 

45

15

10 10

 

 

 

 

 

 

30

 

 

12

 

 

R14

 

 

 

 

 

 

 

 

 

 

 

 

 

 

 

 

 

 

 

10 2215

 

10

 

 

 

 

24 50

 

65

30

20

15

65

40

 

 

 

10

 

 

 

 

 

 

 

 

 

 

 

 

 

 

 

 

8

 

 

 

 

 

 

 

 

 

 

 

10

 

 

 

 

 

10

 

70

 

 

 

 

 

 

 

45

 

 

 

 

 

 

 

 

 

 

 

 

2

120

 

 

 

 

 

 

 

 

 

 

 

 

 

 

 

120

 

 

 

 

 

 

 

 

 

 

 

 

 

 

 

 

 

 

 

 

 

 

 

 

 

12

 

 

 

 

 

 

12

 

AUTODESK

24

12

 

 

60

90

65

36

 

 

 

45

 

 

 

 

 

26

 

 

 

 

4

 

 

 

 

 

 

 

 

 

 

 

 

50

 

 

 

 

 

 

 

 

 

68 22

 

8

90

3

 

 

 

AUTODESK

 

 

28

 

28

. . 2010 .

. . 2010 .

 

 

 

40

 

 

40

 

 

 

 

 

24

 

 

 

 

 

 

 

 

 

30

 

 

 

 

 

 

 

 

 

 

 

 

8

15

 

10

 

10

 

 

5

 

 

 

30

15

20

100

15

 

 

 

 

22

 

 

 

65

 

40

 

 

140

 

 

 

 

 

 

60

 

 

 

 

 

 

 

 

 

 

 

 

 

 

 

 

 

 

 

 

10

 

 

10

 

 

 

 

 

 

 

 

 

 

 

 

 

100

 

R30

R5

 

 

 

 

 

 

R40

 

 

 

 

 

 

 

 

 

 

 

 

 

 

 

 

 

 

 

 

 

 

 

R50

 

 

 

 

 

 

 

10

 

R15

 

 

 

 

 

100

 

10

 

 

 

 

 

30

10

 

 

 

 

 

2

 

 

 

 

 

 

 

 

20

 

6

10

 

 

 

 

 

 

 

 

 

 

 

 

 

 

 

2

 

 

 

 

 

 

 

20

 

20

10

R20

 

 

 

 

 

 

 

 

 

 

 

100

 

 

AUTODESK

AUTODESK

 

 

29

 

29

. . 2010 .

. . 2010 .

 

40

 

 

 

 

40

 

 

 

 

 

 

 

 

 

 

 

 

 

 

 

 

 

 

40

 

 

 

100

20

45

40

22

 

10

60

 

 

 

 

 

 

 

 

12

 

 

 

 

 

 

 

 

160

 

 

 

 

 

 

 

 

 

 

 

 

 

 

 

 

R50

20

55

 

 

 

 

 

 

 

 

 

 

20

 

 

 

 

 

100

 

AUTODESK

 

 

 

 

R55

 

60

110

 

 

 

 

 

 

 

 

 

 

 

 

30

 

 

 

 

 

 

 

 

 

 

14

 

 

 

 

 

 

10

 

 

 

 

 

 

 

 

 

60

 

 

 

30

20

 

 

 

 

 

 

 

 

 

 

 

AUTODESK

 

 

30

 

30

. . 2010 .

. . 2010 .

 

 

 

 

 

20

 

25

 

 

 

 

40

 

 

 

10

 

10

 

 

 

 

 

 

 

 

 

 

 

 

 

20

55

50

20

 

15

 

 

 

100

 

 

 

 

40

60

30

 

 

 

 

 

 

 

 

 

 

 

 

 

 

 

 

40

 

 

 

 

 

 

 

 

 

120

 

 

 

 

60

26

120

80

60

30

 

16

30

80

 

AUTODESK

 

 

 

 

 

 

 

 

 

 

8

 

 

 

 

 

 

 

 

 

 

 

 

 

 

10

 

15

 

 

 

 

 

 

 

 

2