Материал: 2. ЗАДАНИЯ проекционное черчение

Внимание! Если размещение файла нарушает Ваши авторские права, то обязательно сообщите нам

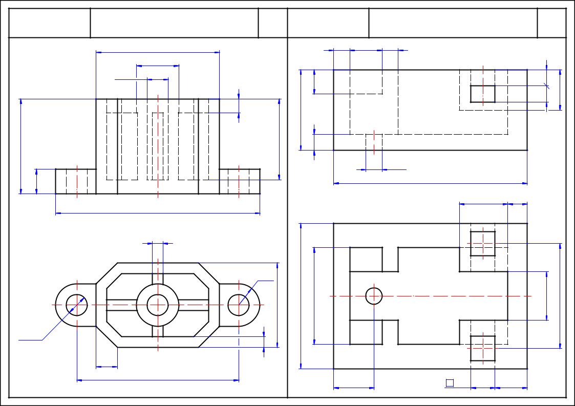
AUTODESK

 

 

1

 

 

1

 

. . 2010 .

. . 2010 .

 

 

70

 

 

10

20

10

 

 

 

 

 

24

 

 

 

 

 

 

 

 

 

 

12

 

 

15 10

 

 

 

1010

 

 

54

8

46

50

 

10

 

25

 

 

 

 

 

 

 

 

 

 

 

14

 

 

 

 

 

120

 

 

 

 

 

 

 

 

 

 

 

 

 

 

116

 

 

 

 

30

12

 

 

 

 

 

 

 

 

 

 

 

 

 

 

 

 

 

 

 

 

 

 

6

 

 

 

 

 

 

 

 

 

 

 

 

 

 

 

 

 

 

 

 

R12

 

 

 

 

 

 

 

AUTODESK

 

 

48

90

60

 

 

 

30

65

12

 

6

 

 

 

 

 

 

 

 

2

 

 

 

 

 

 

 

 

 

 

 

 

 

 

 

 

 

 

 

 

12

 

 

 

 

 

 

 

 

 

 

92

 

 

 

25

15

20

 

 

 

 

 

 

 

 

 

 

 

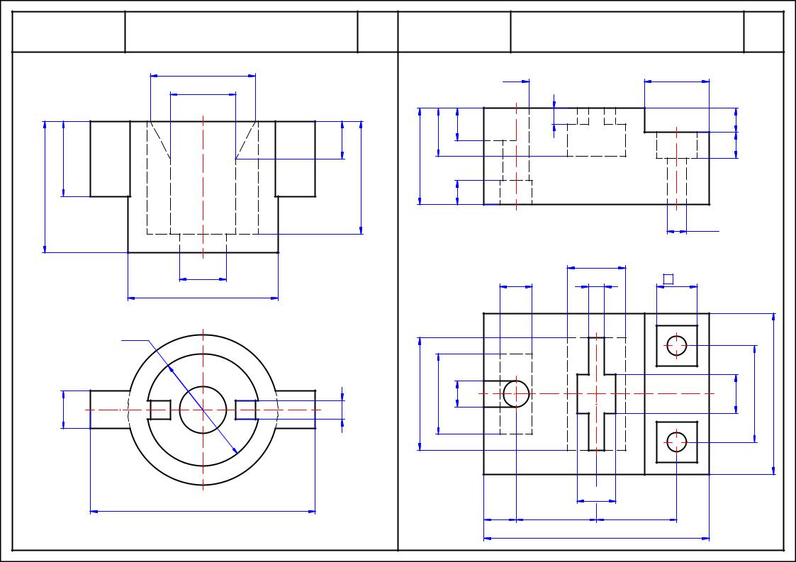
AUTODESK

 

 

2

 

2

 

. . 2010 .

. . 2010 .

 

 

 

 

 

30

 

 

10

 

 

 

 

 

 

 

 

20

 

 

 

 

 

5

 

 

 

 

 

 

15

40

40

35

 

 

 

150

 

 

 

 

80

 

 

 

 

 

 

 

 

 

 

 

 

 

 

 

 

 

 

 

 

 

45

 

 

 

 

 

 

 

 

 

 

 

 

 

 

 

 

 

 

 

 

 

 

0

 

 

 

 

 

 

 

 

 

 

 

 

 

1

 

 

 

 

 

 

 

 

 

 

 

 

 

15

 

 

 

 

R10

 

 

 

 

 

 

 

 

 

 

 

 

 

15

 

 

 

 

 

 

 

 

5

 

 

 

60* 10

 

 

 

90

40

10

 

2

 

 

 

AUTODESK

 

 

 

 

20

 

 

 

 

 

 

 

 

 

 

 

 

 

 

 

R30

 

 

 

 

 

 

 

 

5

 

30

130

 

 

 

 

 

 

 

 

 

2

 

 

 

 

 

 

 

 

 

 

 

 

 

 

 

 

 

R5

 

 

R5

 

R10

 

 

 

 

 

 

 

 

 

 

 

2

 

 

 

 

 

 

 

 

 

 

 

R

7

 

 

10

 

 

 

 

 

 

 

 

 

 

 

 

 

 

 

 

 

 

 

 

 

 

 

 

 

 

 

 

 

 

 

 

 

2

 

 

4

8

 

 

 

 

 

 

 

 

 

 

 

 

 

 

 

 

 

 

 

 

 

 

 

 

 

 

 

 

 

18

 

 

 

 

 

 

 

 

20

 

 

35

 

 

 

 

 

20

 

 

 

 

 

 

 

 

60

 

 

60

 

 

 

 

 

 

 

110

 

 

 

 

 

 

 

 

 

 

 

 

 

 

 

 

 

 

 

 

 

AUTODESK

 

 

3

 

3

 

. . 2010 .

. . 2010 .

 

 

60

 

 

 

6

 

 

 

 

40

 

 

9

80

 

 

 

 

 

 

 

 

 

 

 

 

 

 

 

 

15

35

20

15

 

 

10 4

 

80

 

 

 

 

2

150

5

 

 

 

 

 

 

 

 

 

 

 

12

 

 

 

20

 

6 25

 

R10

 

20

 

 

 

 

 

 

 

 

 

 

 

 

 

 

 

 

 

10

 

 

R13

 

 

70

AUTODESK

 

 

 

34

 

 

R30

2 15

 

 

 

 

 

 

 

 

 

 

 

 

 

 

 

 

 

 

10

 

 

 

 

 

 

 

 

4

 

40

 

 

 

 

 

 

 

 

 

 

 

 

 

 

 

 

60

 

 

 

50

 

 

 

 

120

 

 

 

90

 

 

 

 

 

 

 

 

 

 

 

 

 

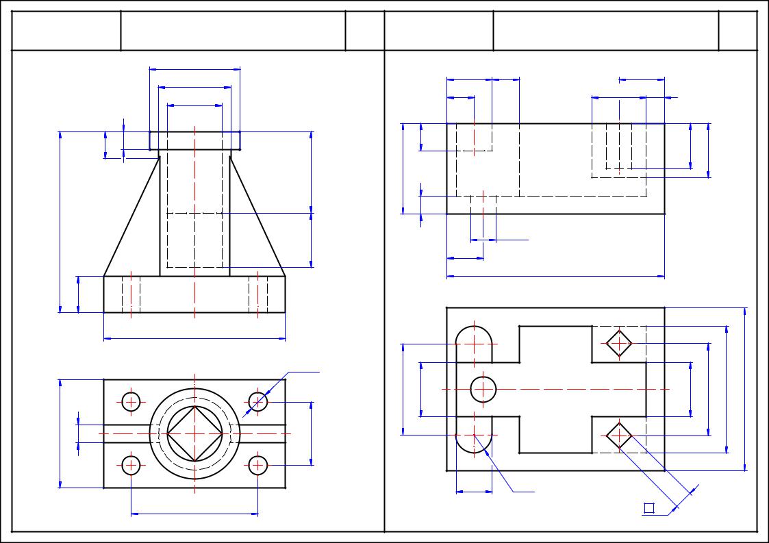
AUTODESK

 

 

4

 

4

. . 2010 .

 

. . 2010 .

 

56

 

 

16

 

40

 

 

35

 

 

 

 

 

 

 

 

 

 

 

 

40

20

60

30

20

 

10

1517

 

70

 

60

 

15

 

 

 

 

 

 

 

 

 

 

 

12

 

 

 

 

 

 

 

 

2

 

 

25

 

 

 

 

36

 

 

 

 

 

 

20

10

25

 

 

80

 

 

 

 

 

 

 

 

 

 

 

 

 

60

 

 

 

 

 

 

 

20

10

70

50

16

24

60

100

120

 

 

24

20

50

50

 

 

 

 

140

AUTODESK

AUTODESK

 

 

5

 

5

. . 2010 .

. . 2010 .

 

 

50

25

15

25

 

 

 

 

40

 

 

 

 

15

30

10

 

 

 

 

30

 

 

 

 

 

 

 

 

 

15

10

 

15

 

25

30

 

 

 

45

50

 

 

 

 

100

 

 

10

 

 

 

 

 

30

 

14

 

 

 

 

 

 

 

 

 

 

 

20

 

 

 

 

 

 

 

 

 

 

 

 

 

 

 

120

 

 

 

20

 

 

 

 

 

 

 

100

10

 

 

 

 

 

4

30

30

50

70

90

50

60

10

35

20 R10

70

10

AUTODESK