Материал: 2. Проекционное черчение - Методические указания

Внимание! Если размещение файла нарушает Ваши авторские права, то обязательно сообщите нам

2.Порядок выполнения листа со сложными разрезами.

1.На горизонтальный формат А3 в тонких линиях и в масштабе 1:1 перечертить главный вид и вид сверху (с линиями невидимого контура). Размерную цепь не переносить, но предусмотреть для нее места.

2.Соблюдая проекционную связь, по двум заданным видам в тонких линиях построить вид слева (с линиями невидимого контура).

3.На виде сверху задать и обозначить сложные разрезы фронтального и профильного положения, максимально выявляющие внутренние элементы детали.

4.На месте главного вида и вида слева разместить изображения, получающиеся соответственно, для фронтального и профильного разрезов. Убрать линии невидимого контура (на виде сверху их следует оставить там, где они помогают «прочесть» чертеж). Обозначить полученные разрезы.

5.Проставить размеры, используя известные рекомендации. Обвести чертеж после проверки преподавателем.

Рекомендации по выполнению сложных разрезов.

В вариантах сложных разрезов следует обратить внимание на то, что зачастую секущие плоскости задаются таким образом, что при изображении самого разреза штриховка прерывается не на контурной линии какого-либо отверстия, а на осевой штрих пунктирной линии. Простейший пример:

Рис.8

11

Вторая секущая плоскость трехступенчатого разреза А-А вынужденно захватывает лишь половину сквозного цилиндрического отверстия. Поскольку оба изображения читаются вкупе, то затруднений в понимании форм данного изделия не возникает.

Известно, что при изображении сложных разрезов переход от одной секущей плоскости к другой никак не показывается. Однако бывают и исключения. Встречаются варианты, где с целью облегчения чтения чертежа этот переход приходится уточнять с помощью линии обрыва (см. Рис.9).

Рис.9

Вданном случае этот прием позволяет уточнить, что толстая сплошная основная линия, совпадающая на разрезе с осью, - это ребро шестигранника и относится она к зоне второй секущей плоскости сложного разреза. То есть это правило аналогично правилу, которое использовалось в простых разрезах при совмещении вида с разрезом. И здесь мы тоже увеличили зону разреза от второй секущей плоскости с целью пояснения чертежа.

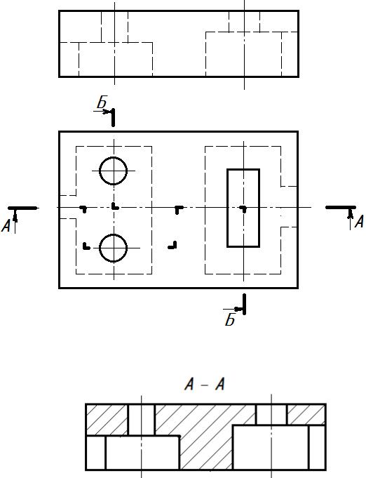
Вряде вариантов в основном массиве деталей снизу сделаны прямоугольные полости с арочным проходом наружу через боковую стенку (Рис.10). В таких случаях необходимо учесть, что, попадая во фронтальный разрез А-А, стенки этих арок резаться не будут и изобразятся «белком» (см. Рис.11).

Если длина обоих поднутрений одинакова, то на профильном разрезе Б-Б нельзя эту длину образмеривать одной размерной линией. Это некорректно. Необходимо для

12

каждого из поднутрений нанести отдельный размер полной длины, дважды использовав оборванную размерную линию (Рис.12).

На этом же ступенчатом разрезе Б-Б, при переходе во вторую секущую плоскость, становится виден выход из правого поднутрения через широкую арку. Появляется возможность нанести размер ее полной ширины с помощью все той же оборванной размерной линии. При этом следует учесть, что у подножия арки нет элемента детали, и горизонтальная линия основания в пределах арки прервется.

Рис.10

Рис.11

13

Рис.12

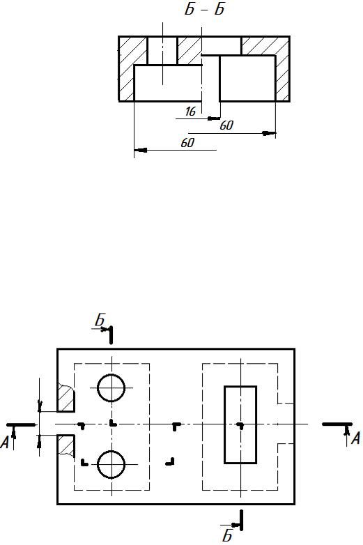
Что касается арки левой полости, то ее ширина, учитывая направление взгляда, не проявится ни на разрезе А-А, ни, тем более, на Б-Б. А, не зная размер этой ширины, выполнить такой арочный проход будет проблематично. Можно конечно для нанесения этого размера использовать изображение местного вида слева на эту арку. Однако, проще обратиться к виду сверху для этой детали, где этот проход изображен линией невидимого контура. Но от штриховых линий размеры не проставляют! Обойдем это запрещение, прибегнув к местному разрезу, как на рисунке 13.

Рис.13

14