dfn d0 
Mt , здесь Mt – безразмерный коэффициент, численно рав-
ный сумме абсолютных значений среднемесячных отрицательных температур за год в районе строительства, принимаемый в соответствии с требованиями [3]; d0 – величина, принимаемая равной, м, для суглинков и глин – 0,23; супесей, песков мелких и пылеватых – 0,28; песков гравелистых, крупных и средней крупности – 0,3.
3. Влиянием конструктивных особенностей здания.
В данном конкретном случае минимальная глубина заложения подошвы фундамента d1 будет определяться глубиной подвала db: d1 db 0,5, где db – глубина подвала, т.е. расстояние от уровня планировки до пола подвала; 0,5 – минимальная глубина заложения фундамента от уровня пола подвала, м.
Окончательно выбранная глубина заложения фундаментов принимается максимальной, как отвечающая всем вышеперечисленным факторам.
3.2. Расчет фундаментов по деформациям
Целью расчета оснований по деформациям является ограничение абсолютных и относительных перемещений фундаментов и надфундаментных конструкций такими пределами, при которых гарантируется нормальная эксплуатация здания и не снижается его долговечность.
Расчет оснований по деформациям производится исходя из условия S Su [1]. Здесь S – совместная деформация основания и сооружения; Su – предельное значение деформации здания и сооружения, определяемое по [1, прил. 4].
Данный расчет включает в себя:
определение конечной осадки фундамента;
проверку относительной разности осадок фундаментов. Расчет основания по деформациям можно производить только
при соблюдении следующего условия: |
|
р R, |
(7) |
где р – удельное давление под подошвой фундамента.
Из условия (7) определяется ширина ленточного фундамента.
3.2.1. Определение ширины подошвы ленточного фундамента
Размеры ширины подошвы фундамента b определяются из условия (7)
р |
N' G'ф Gгр' |
R, |
(8) |
|
A |
||||
|
|
|
где N′ – нормативная погонная нагрузка по обрезу фундамента; А= b х х 1 – площадь фундамента шириной b и длиной 1,0 м; (Gф' Gгр' ) – собственный вес фундамента и грунта на его уступах.
Размеры подошвы фундаментов в плане можно рассчитать из условия р = R:
N' G'ф G' |
(9) |
гр R. |
A
При этом расчетное сопротивление грунта основания определяют по формуле с учетом наличия подвала:
R |
c1 c2 |
M |
|
k |
b |
II |
M |
q |
d ' |
(M |
q |
1)d |
' |
M |
c |
c |
II |
, (10) |
|
||||||||||||||||||
|
k |
z |
|
|
1 II |
|
b |
II |
|
|
|
|||||||
|
|
|
|
|
|
|
|
|
|
|
|
|
|
|
|
|
||
где b – ширина подошвы фундамента, которую для предварительных расчетов рекомендуется принять равной 1,0 м; d1 – глубина заложения фундамента, принимаемая для здания с подвалом в соответствии с требованиями [1, пп. 2.25...2.33]; db – глубина подвала – расстояние от уровня планировки до пола подвала, м (при ширине подвала В 20 м и глубине свыше 2 м принимается db = 2 м, при ширине подвала В >
20 м db = 0).
Для предварительного определения ширины подошвы величину веса фундамента и грунта на уступах можно принять равной
Gф' Gгр' А d1 ср, (11)
при этом ср – осредненный вес бетона и грунта на уступах фундамента (прил. 3).
Преобразовав формулу (9), получим выражение для определения ширины фундамента:
b |
N' |
. |
(12) |
|
R d1 ср |
||||
|
|
|
По табл. П.3.1 подбирается железобетонная плита с фактической шириной bп, ближайшей к ширине b, с округлением в большую сторону. Таким образом, принятая фундаментная плита будет иметь фактическую ширину bп, большую или равную ширине b, полученной по
расчету. Далее выполняется проверка условия (7): р R. Расчетное сопротивление грунта R вычисляют с учетом полученной ширины подошвы b. Проверку условия (7) рекомендуется выполнить также и в программе «Foundation». Пример расчета приведен в разделе 5 методических указаний.
После определения габаритов фундамента рассчитывают коэффициент использования прочности грунтового основания k (%), рав-
ный k = p 100/R.
Перегрузка грунтового основания не должна превышать 5%, а запас рекомендуется не более 10…15%. Если значение коэффициента находится в данных пределах, то ширина фундамента подобрана рационально.
Подбор ширины фундамента осуществляют последовательно для всех несущих стен.
Для случаев, когда коэффициент запаса не укладывается в указанные величины, можно уменьшить расход бетона, проектируя прерывистый ленточный фундамент. Более подробно вопрос проектирования ленточных прерывистых фундаментов рассмотрен в прил. 4. Пример расчета прерывистого фундамента приведен в методических указаниях [10].
3.2.2. Проверка давлений на кровле слабого подстилающего слоя
В случае наличия слабого слоя в пределах сжимаемой толщи грунта следует производить проверку прочности на кровле слабого слоя.
Проверка давлений на кровле слабого подстилающего слоя выполняется из условия
zp zg Rz , |
(13) |
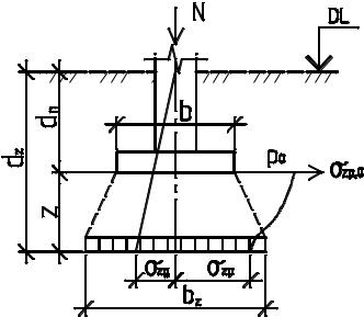
где σzp – дополнительные вертикальные напряжения в грунте на кровле слабого слоя от нагрузки на фундамент; σzg – вертикальные напряжения в грунте на кровле слабого слоя от собственного веса грунта (рис. 3); Rz – расчетное сопротивление на кровле слабого подстилающего слоя.
Дополнительные вертикальные напряжения σzp рассчитываются по формуле
zp p0, |
(14) |
где α – коэффициент, принимаемый для ленточных фундаментов в соответствии с [1, прил. 2]; р0 – дополнительное вертикальное давление на основание,
p0 p zg0 , |
(15) |
где р – давление непосредственно под подошвой фундамента; σzg0 – напряжения на уровне подошвы фундамента от собственного веса грунта.
Расчетное сопротивление на кровле слабого слоя Rz определяется по формуле (10) с учетом ширины условного фундамента, равной bz = = N / σzp.
Рис. 3. Схема к проверке давлений на кровле слабого подстилающего слоя
В случае если проверка прочности на кровле слабого слоя не выполняется, следует увеличить ширину фундамента и обеспечить соблюдение условия прочности на кровле слабого слоя грунта. Для снижения трудоемкости при повторных расчётах можно воспользоваться ЭВМ. Пример проверки давлений на кровле слабого слоя приведен в разделе 5 методических указаний.
3.2.3. Расчет конечной осадки ленточного фундамента
После проверки условия прочности грунтового основания необходимо определить конечную осадку фундаментов. Расчет осадки выполняют методом послойного суммирования по формуле [1]
n |
zp,i |
h |
|
||
S |
|
i |
, |
(16) |
|
|
Ei |
|
|||
i 1 |
|
|
|
||
где – безразмерный коэффициент, равный 0,8; zp,i – среднее значение дополнительного вертикального нормального напряжения в i-м слое грунта, равное полусумме указанных напряжений на верхней zi-1 и нижней zi границах слоя по вертикали, проходящей через центр подошвы фундамента (рис. 4); hi и Ei – соответственно толщина и модуль деформации i-го слоя грунта; n – число слоев, на которые разбита сжимаемая толща основания.
Рис. 4. Схема распределения напряжений в основании фундамента |
На рис. 4 ВС – нижняя граница сжимаемой толщи; d и dn – глубина заложения фундамента соответственно от уровня планировки и поверхности природного рельефа; р – среднее давление под подошвой фундамента; р0 – дополнительное давление на основание; zg и zg,0 – вертикальное напряжение от собственного веса грунта на глубине z от подошвы фундамента и на уровне подошвы; zp и zр,0 – дополнительное вертикальное напряжение от внешней нагрузки на глубине z от подошвы фундамента и на уровне подошвы; Нс – глубина сжимаемой толщи.