Си
б А Рис . 1 Поперечный изгибДстатически определимые системы
И
6
С |
|
и |
|
|
б |
|
А |
|
Д |
|
И |
|
Рис . 2 Поперечный изгиб статически неопределимые системы |
|
Контрольные вопросы к практическому занятию № 4, 5, 6 |
1. |
Что такое частота собственных колебаний? |
2. |
Единицы измерения частоты круговой, линейной? |
3. |
Что такое период собственных колебаний? |
4. |
Формулы для определения частоты собственных колебаний одномассо- |
|
вой системы при линейных колебаниях, угловых колебаниях. |
5. |
Система единиц измерения при расчете динамики систем? |
6. |
Чем задается силовое гармоническое воздействие? |
7. |
Что такое система с кинематическим возбуждением? |
8. |
Чем может задаваться в технике кинематическое возмущение? |
|
7 |
9. Что такое система с силовым возбуждением?
10.Как влияет демпфирование на амплитуду колебаний?
11.Как определяется коэффициент демпфирования в реальных конструкциях?
12.Природа демпфирования.
13.Влияние демпфирования на амплитуду колебаний.
14.Что такое податливость системы. Единицы измерений. С15.Что такое жесткость системы. Единицы измерений.
Практ ческиезанятия№ 7, 8, 9, 10, 11, 12.
цийРА ЧЕТ С УЧЕТОМ ПУЛЬСАЦИИ ВЕТРА ПО НОРМАМ РФ
Цель работы – получить навыки и умение выполнять расчеты конструк- с учетом пульсац ветра в ручном режиме по СП 20 и в среде ПК ЛИРА-
АПР. |
б |
|
|
Исходные данные |
|
Ручной расчет конструкций на прочность и жесткость с учетом пульса- |
|
|
А |
ции ветра по СП 20.13330.2016 «Нагрузки и воздействия» (рекламный щит на одной опоре, на двух опорах, рекламный щит на здании, высотная мачта, дымовая труба). Решение этих задач. Исходные данные согласовать с преподавателем.
|
Порядок выполнения |
Д |
|
|
|
|
|
|
Алгоритм решения конструкций с учетом пульсации ветра изложен в СП |
||
20.13330.2016 «Нагрузки и воздействия». |
И |
||
|
|
|
|
|
Контрольные вопросы к практическим занятиям № 7, 8, 9, 10, 11, 12 |
||
1. |
Что такое частота собственных колебаний? |
|
|
2. |
Единицы измерения частоты круговой, линейной? |
||
3. |
Что такое период собственных колебаний? |
|
|
4. |
Формулы для определения частоты собственных колебаний одномассовой |
||
|
системы при линейных колебаниях, угловых колебаниях. |
||
5. |
Система единиц измерения при расчете динамики систем? |
||
6. |
Чем задается силовое гармоническое воздействие? |
||
7. |
Что такое система с кинематическим возбуждением? |
||
8. |
Чем может задаваться в технике кинематическое возмущение? |
||
9. |
Что такое система с силовым возбуждением? |
|
|
10. Как влияет демпфирование на амплитуду колебаний?
11. Как определяется коэффициент демпфирования в реальных конструкциях?
12. Природа демпфирования.
8
13.Природа пульсации ветра.
14.Техника ручного счета конструкций на ветровое воздействие с учетом пульсации.
15.Природа сейсмического загружения.
16.Техника ручного расчета конструкций на сейсмическое воздействие.
С |
Практическиезанятия№ 13, 14, 15. |
|||||||
|
|
|
|
|
||||
РЕШЕНИЕ ЗАДАЧ УСТОЙЧИВОСТИ ПРЯМЫХ СТЕРЖНЕЙ. ПОДБОР |
||||||||
|
|
|
ЕЧЕНИЙ. ВЛИЯНИЕ ТИПА ОПОР. УПРУГИЕ ОПОРЫ |
|||||
задачи |
||||||||
|
|
Цель работы – получить навыки и умение моделировать задачи про- |
||||||
дольной устойч вости строительных конструкций с подбором сечения по СП |
||||||||
16.13330.2017. |
|
|
|
|
|
|||
|
|
Исходные данные |
|
|
|
|||
|
|
|
б |
|||||
|
|
Вар ант схемы |
(рис. 3) |
|||||
|
|
|
|
|
А |
|||
|
|
|
|
|
|
|
Д |
|
|
|
|
|
|
|
|
И |
|
|
|
|
|
|
|
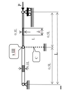
Рис . 3 Вариант схемы стойки |
||
|
№ |
|
L, м |
|
с, тс/мм |
|
Сечение нижнего/верхнего |
|
|
1 |
|
3,0 |
|
5 |
|
Двутавр № 14/10 |
|
|
2 |
|
4,0 |
|
150 |
|
Коробка из 2х швеллеров № 20/20 |
|
|
3 |
|
6,0 |
|
1 |
|
Двутавр № 20/16 |
|
|
4 |
|
4,0 |
|
10 |
|
Коробка из швеллеров № 10/10 |
|
|
5 |
|
8,0 |
|
2 |
|
Двутавр № 16/16 |
|
|
6 |
|
10,0 |
|
200 |
|
Двутавр № 18/14 |
|
|
7 |
|
12,0 |
|
5 |
|
Коробка из швеллеров № 24/20 |
|
|
8 |
|
8,0 |
|
3 |
|
Двутавр № 18/10 |
|
|
9 |
|
6,0 |
|
10 |
|
Коробка из швеллеров № 10/10 |
|
|
10 |
|
14,0 |
|
40 |
|
Два двутавра № 18/18 |
|
|
|
|
|
|
|
9 |
|
|
Порядок выполнения
Алгоритм решения задач продольной устойчивости строительных конструкций с подбором сечения по СП 16.13330.2017. Аналитические решения задачи устойчивости представлены в учебниках «Динамика и устойчивость.
пецкурс»
https://drive.google.com/open?id=1M6K1IT_cAB_5ityi4nnFhquyDgD0tULU https://drive.google.com/open?id=1m3tce0Td-1Moa99UUzap-5JMM3_AdMbC
|
Контрольные вопросы к практическим занятиям № 13, 14, 15 |
|
устойчивость6. Устойч вость плоскости и из плоскости. |
||
С1. Кр т ческая с ла по Эйлеру. |
||
2. |
Коэфф ц енты приведения длины. Физический смысл. |
|
3. |
Расчет на |
по СНИП и СП, различия. |
4. |
Расчет по предельной ги кости. |
|
5. |
Конструкт вные решения по увеличению критической силы колонн. |
|
7.Что такое местная потеря устойчивости, редуцированные геометрическ е характер стики сечения.
8.Как ПК представляет результаты расчета на общую продольную устойчивость, местную устойчивость.б
ДВУХОПОРНАЯ БАЛКА ПРЯМОУГОЛЬНОГО СЕЧЕН Я ПОД ДЕЙСТВИЕМ РАСПРЕДЕЛЕННОЙ ПОПЕРЕЧНОЙ НАГРУЗКИ
( ВАРИАНТЫ ЗАКРЕПЛЕНИЙ, ВАРИАНТЫ СЕЧЕН Й, ВАР АНТЫ ПРИЛОЖЕНИЯ НАГРУЗКИ)
А ПрактическиеДзанятия №16, 17, 18.
Цель работы – получить навыки и умение моделировать критические силы и формы потери устойчивости балок из плоскости в ручном режиме (ана-
литически). |
И |
Исходные данные |
Двутавровая однопролетная балка по сортаменту проката пролетом 3, 6, 9 м с различными типами опор загруженная равномерно распределенной нагрузкой. Найти первые 3 критические нагрузки и соответствующие формы равновесия.
10