|
|
|
|
|
|
|
|
|
|
Технические характеристики паровых котлов |
Таблица 2.4 |
|||||||
|
|
|
|
|
|
|
|
|
|
|
|
|||||||
|
|
|
|
|
|
|
|
|
|
|
|
|
|
|
|
|
|
|
|
|
|
|
|
|
|
|
|
|
|
|
Температура, 0С |
|
Ном. паропро- |
|
КПД при |
||
|
|
|
|
|
Обозначения |
|
Поверх- |
изводитель- |
|
номиналь- |
||||||||
|
|
|
|
|
|
|
|
|
|
|
|
|
|
ность |
ность, т/ч |
|
ной паро- |
|
по |
заводские |
пита- |
пара |
нагрева, |
на твер- |
на газе |
|
производи- |
||||||||||
ГОСТ |
|
|
тель- |
|
м2 |
дом то- |
и мазу- |
|
тельности, |
|||||||||
3619- |
|
|
ной |
|
|
пливе |
те |
|
% |
|||||||||
59 |
|
|
|
|
|
|
воды |
|
|
|
|
|
|
|||||
E |
2,5 |
|
|
ДКВР-2,5- |
50 |
Насы- |
91,3-96 |
2,5 |
3,5 |
|
- |
|||||||
|
|
|
|
|
|
13 |
|
|
щенный |
|
|
|
|
|
||||
14 |
|
|
|
|
|
|
|
|
|
|
||||||||
E |
4 |
|
|
|
|
ДКВР |
4- |
50 |
Насы- |
138,3- |
4,0 |
6,0 |
|
- |
||||
14 |
|
|
|
|
13 |
|
|
щенный |
142,5 |
|
|
|
|
|||||
E |
4 |
|
|
|
|
ДКВР |
4- |
50 |
250 |
129- |
4,0 |
6,0 |
|
76-89 |
||||
14 |
|
|
|
|
13-25 |
|
|
|
133,1 |
|
|
|
|
|||||
E |
6,5 |
|
ДКВР 6,5- |
50 |
Насы- |
225,3- |
6,5 |
9,0 |
|
- |
||||||||
14 |
|
|
13 |
|
|
щенный |
235 |
|
|
|
|
|||||||
E |
6,5 |
|
ДКВР 6,5- |
50 |
250 |
206,6- |
6,5 |
9,0 |
|
- |
||||||||
14 |
|
|
13-250 |
|
|
|
216,3 |
|
|
|
|
|||||||
E |
10 |
|
|
|
ДКВР |
10- |
50-77 |
Насы- |
277- |
10 |
15 |
|
- |
|||||
14 |
|
|
|
|
13 |
|
|
щенный |
288,3 |
|
|
|
|
|||||
E |
10 |
|
|
|
ДКВР |
10- |
55-77 |
250 |
255,4- |
10 |
15 |
|
83,5-92,7 |
|||||
14 |
|
|
|
|
13-250 |
|
|
|
266,7 |
|
|
|
|
|||||
E |
20 |
|
ДКВР |
20- |
100- |
Насы- |
408,7 |
20 |
27,6 |
|
80,2-90,6 |
|||||||
14 |
|
|
|
13 |
|
104 |
щенный |
|
|
|
|
|
||||||
E |
20 |
|
ДКВР |
20- |
100- |
250 |
385,5- |
20 |
26 |
|
77,2-91,1 |
|||||||
14 |
|
|
|
13-250 |
|
104 |
|
388 |
|
|
|
|
||||||
E |
25 |
|
|
Б-25-15 |
|
100- |
250 |
451 |
- |
25 |
|
88,6-92,1 |
||||||
14 |
|
|
|
ГМ |
|
104 |
|
|
|
|
|
|
||||||
E |
35 |
|
|
ДКВР |
35- |
100- |
Насы- |
- |
35 |
50 |
|
85,3-89,6 |
||||||
14 |
|
|
|
13 |
|
104 |
щенный |
|
|
|
|
|
||||||
E |
35 |
|
|
ДКВР |
35- |
100- |
250 |
- |
35 |
- |
|
84,7 |
||||||
14 |
|
|
|
14-250 |
|
104 |
|
|
|
|
|
|
||||||
E |
50 |
|
Б-50-14 |
|
100- |
Насы- |
1081 |
50 |
- |
|
89,4-90,3 |
|||||||
14 |
|
|
|
К-50-14 |
104 |
щенный |
|
|
|
|
|
|||||||
E |
50 |
|
Б-50-14- |
|
250 |
1000- |
50 |
50 |
|
87,1-91,1 |
||||||||
14 |
|
|
|
250 |
|
100- |
|
1417 |
|
|
|
|
||||||
|
|
|
К-50-14- |
104 |
|
|
|
|
|
|
||||||||
|
|
|
|
|
|
|
|
|
|
|
|
|
|
|
|
|||
|
|
|
|
|
|
|
|
|
|
250 |
|
|
|
|
|
|
|
|
|
|
|
|
|
|
|
|
|
|
ГМ-50-14- |
|
|
|
|
|
|
|
|
|
|
|
|
|
|
|
|
|
|
250 |
|
|
|
|
|
|
|
|
31
Во избежание этих пределов часть котловой воды должна периодически или непрерывно удаляться из котла. Это обеспечивается системой продувки. Продувка приводит к потерям питательной воды и тепла, а поэтому ее максимальная величина ограничивается нормами [10] в размере 10% паропроизводительности котельной. При наличии продувки более 2% она должна выполняться как непрерывная. При величине продувки более 1 т/ч рекомендуется использование тепла продувочной воды посредством установки сепаратора пара из этой воды и теплообменника для ее охлаждения, в котором нагреваемой средой обычно служит сырая вода.
Кроме того, при подаче тепла от котельной в виде горячей воды в закрытые системы тепловых сетей допускается использование воды непрерывной продувки котлов для подпитки этих сетей, но с тем, чтобы общая жесткостьподпиточнойводынепревышала 0,05 мг-экв/кг.
Максимально допустимое содержание кислорода в питательной воде паровых котлов с давлением пара до 3,2 МПа должно составлять 0,03 мг/кг при стальных и 0,10 мг/кг при чугунных водяных экономайзерах. Соблюдение этой нормы требует термической деаэрации всей питательной воды. В качестве греющей среды в деаэраторах, как правило, используется пар от котлов, редуцированный до давления в деаэраторе.
Наиболее простой получается принципиальная тепловая схема паровой котельной при отпуске от нее тепла только в виде пара без возврата конденсата. В этом случае пар от котлов подается в паровые сети обычно без предварительного снижения его давления, что позволяет использовать весь перепад давления от рабочего в котле до требуемого потребителями. Под таким же давлением пар подается в систему подогрева мазута.
Схема покрытия собственных нужд котельной аналогична для водогрейных котельных с той разницей, что для подогрева сырой и химочищенной воды применяются не водоводяные, а поверхностные пароводяные подогреватели. При этом подача пара от котлов для подогрева питательной воды в деаэраторе, а также для систем отопления, вентиляции и горячего водоснабжения самой котельной обычно производится через редукционные клапаны.
Конденсат греющего пара от поверхностных пароводяных подогревателей выдавливается через конденсатные горшки под давлением греющего пара и подается непосредственно в головки деаэраторов. Если имеется опасность загрязнения конденсата, например маслом
32
или мазутом, то такой конденсат сливается в конденсатные баки, оттуда он после проверки его качества откачивается специальными насосами в головки деаэраторов.
Схемы с однотрубными паровыми сетями наиболее просты, но они требуют максимальной производительности химводоочистки. Поэтому чаще паровые сети выполняются двухтрубными с частичным возвратом конденсата греющего пара обратно в котельную. Такой возврат обычно осуществляется под давлением конденсатных насосов, установленных у потребителей. Попадая в котельную, этот конденсат сливается в конденсатные баки, которых должно быть не менее двух, а их суммарная емкость должна соответствовать макси- мально-часовому количеству конденсата, поступающему в эти баки.
При наличии возврата конденсата расчетная часовая производительность химводоочистки, а также подогревателей химочищенной воды может приниматься равной максимально-часовому расходу питательной воды за вычетом гарантированной величины возврата конденсата как от потребителей, так и образующегося в самой котельной.
Схема подготовки подпиточной воды в паровых котельных, как и в водогрейных, определяется не только качеством исходной воды, но и системой тепловых сетей закрытой или открытой. При закрытой системе, как было отмечено в подр. 2.4, расчетный расход воды невелик даже для крупных систем. Незначительны при этом также потери пара и конденсата в котельной, которые должны быть восполнены за счет химводоочистки. Для таких котельных наиболее простой и экономичной получается схема, при которой в качестве подпиточной для тепловых сетей используется та же деаэрированная вода, что и для питания котлов. При этом не требуется отдельных деаэраторов для подготовки подпиточной воды, а заданная расчетная производительность общих деаэраторов должна соответствовать сумме расходов подпиточной воды для тепловых сетей и питательной воды для паровых котлов. Такое совмещение рекомендуется также нормами [10].
При открытой системе водяных тепловых сетей совмещение водоподготовки для питательной воды котлов и для подпиточной воды тепловых сетей становится нецелесообразным, поскольку требования к качеству питательной воды значительно более жестки, чем соответствующие требования к качеству подпиточной воды.
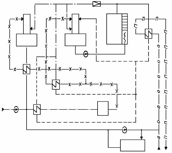
Поэтому при открытой системе водяных, тепловых сетей водоподготовка в паровых котельных осуществляется следующим образом (рис. 2.7). Насос сырой воды 8 подает расход воды, необходимый для
33
покрытия водоразбора и утечек воды из теплосетей, а также для покрытия потерь пара и конденсата в котельной, через пароводяной подогреватель 9 в фильтры химводоочистки 10. После этих фильтров основной расход химочищенной воды поступает через подогреватель химочищенной воды 6, который одновременно выполняет функции охладителя деаэрированной воды, в деаэратор подпиточной воды 1.
12
4 |
3 |
1 |
2
5
6
7
8
9 |
10 |
|
11
13
Рис. 2.7. Принципиальная тепловая схема паровой котельной при открытых двухтрубных водяных тепловых сетях
Деаэрированная вода от этого деаэратора поступает через охладитель на всасывание подпиточных насосов 11, которые подают ее либо непосредственно во всасывающий коллектор сетевых насосов, либо предварительно в баки-аккумуляторы деаэрированной воды 13. Небольшое количество химически очищенной воды, необходимое для восполнения потерь пара и конденсата в котельной, поступает из химводоочистки через пароводяной подогреватель химочищенной
34
воды 7 в специальный деаэратор питательной воды 3. Деаэрированная в ней вода поступает самотеком на всасывание питательных насосов 7, которые подают ее через водяной экономайзер в котел 1.
На рис. 2.7 показано такое распределение вырабатываемого в котле 1 насыщенного пара. Основной поток его поступает в пароводяной подогреватель сетевой воды (бойлер) 2. Образующийся в нем конденсат под давлением греющего пара подается в деаэратор питательной воды 3. В этот деаэратор поступают также конденсат от пароводяных подогревателей сырой воды 9 и химочищенной воды 7 и добавка химочищенной воды. Небольшой расход пара, необходимый для подогрева смеси этих потоков до 102 104 °С, подается в деаэратор из котлов через редукционную установку 12, в которой его давление снижается с 1,37 до 0,118 MПа. От нее подается также греющий пар в деаэратор подпиточной воды.
Очень часто отпуск тепла от котельной должен осуществляться как в виде пара, так и в виде горячей воды. При этом соотношение между расчетными расходами тепла в паре и в горячей воде может колебаться в широких пределах. В тех случаях, когда преобладает отпуск пара, котельные, как правило, оборудуются только паровыми котлами. При этом может быть обеспечена однотипность и взаимное резервирование всех установленных котлов, а также получается наиболее простая схема отпуска тепла. Эта схема объединяет основные черты описанных выше схем с отпуском тепла только в паре или в виде горячей воды, а для случая закрытой системы тепловых сетей представлена на рис. 2.8.
Как следует из рис. 2.8, пар из парового котла 1 с давлением 1,37 МПа в количестве Dтехн потребуется на технологические нужды. Конденсат от потребителей возвращается частично тремя потоками. Два потока его в количестве m1=0,4 Дтехн и m2=0,3 Дтехн соответственно с температурами tк=70 С и tк=40 С направляются в конденсатный бак 13, третий поток в количестве m3 =0,2 Дтехн с температурой tк=80 °С в атмосферный деаэратор 9.
Поскольку при закрытой системе водяных тепловых сетей расход воды на подпитку сетей незначителен, то в схеме нет смысла выделять отдельные деаэраторы для подпиточной воды сетей и питательной воды для котлов. В схеме деаэрация воды для обеих целей осуществляется в общем атмосферном деаэраторе.
35