Материал: 1070

Внимание! Если размещение файла нарушает Ваши авторские права, то обязательно сообщите нам

 

 

7

3

Механическая подсистема

35

Базовое шасси

Грунт

 

8

 

 

 

 

 

4

Поворотнаяплатформа 36 29 30

Механи-

ческая

 

передача

21

22

 

 

 

 

 

 

Стрела

 

 

 

Телескопи-

37

 

 

 

 

 

ческое звено

 

 

 

 

31 32

 

 

Механи-

23

24

ческая

 

 

 

передача

 

 

25

26

38

Груз

 

 

33

34

Механи-

ческая

 

передача

27

28

Гидро-

 

 

 

Гидро-

 

Гидро-

 

 

Гидро-

 

мотор1

 

 

 

цилиндр1

 

цилиндр2

 

мотор2

 

 

 

 

 

 

 

 

 

 

 

 

 

 

 

 

 

 

 

 

14

 

15

16

 

17

18

 

19

20

 

 

 

13

 

 

 

 

 

 

 

 

 

 

 

 

 

 

 

 

 

 

 

 

 

 

 

 

 

 

 

Гидравлические распределители

 

 

 

2

 

 

 

 

 

 

 

 

 

 

 

 

 

 

 

 

 

 

11

12

 

 

 

 

Насос

10

Механи-

6

ДВС

1

9

ческая

5

 

 

 

передача

 

 

 

Подсистема гидропривод

 

Подсистема ДВС

 

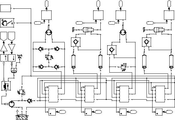
Рисунок 1 – Блок-схема сложной динамической системы стрелового грузоподъемного крана

Блоки соединены между собой связями, отражающими влияние одних блоков на другие. Объемные стрелки обозначают многопараметрические связи. Рассмотрение СГК как сложной динамической системы позволило выделить основные этапы автоматизированного построения модели. Теоретические исследования выполнены методами математического и имитационного моделирования. При построении регрессионной модели энергетических затрат использовались методы регрессионного анализа. При разработке методики

оптимизации технологических параметров рабочего процесса СГК применена теория алгоритмов.

Математическое описание механической подсистемы СГК основывалось на следующих допущениях: СГК представляет собой шарнирно-сочлененный пространственный многозвенник, с наложенными на него упруго-вязкими связями; элементы металлоконструкций представляются абсолютно жесткими; инерционные свойства элементов металлоконструкций характеризуются массами, координатами центров масс, осевыми моментами инерции, центробежными моментами инерции; люфты в шарнирах отсутствуют; связи, наложенные на динамическую систему СГК, являются голономными и стационарными; внешние силы, действующие на звенья механической подсистемы СГК, являются сосредоточенными.

При моделировании гидропривода СГК были приняты следующие допущения: влияние волновых процессов на динамику гидропривода не учитывается; инерционные свойства жидкости в элементах гидропривода не учитываются; плотность, кинематическая вязкость, модуль упругости жидкости и коэффициент расхода элементов гидропривода принимают постоянные значения на протяжении моделирования; переход между ламинарным и турбулентными режимами происходит мгновенно; силы инерции и трения в элементах конструкции гидравлических устройств не учитываются.

6

Обоснована методика экспериментальных исследований, предусматривающая проведение пассивного натурного эксперимента и активного вычислительного эксперимента на имитационной модели СГК. В соответствии с целью и задачами работы и принятой методикой исследований определена структура работы.

В третьей главе представлены математические модели подсистем сложной динамической системы СГК. На рисунке 2 изображена обобщенная расчетная схема механической подсистемы СГК, представляющая собой систему с пятью массами, звеньями которой являются: базовое шасси массой m1, включающее в себя массу ходовой рамы; поворотная платформа массой m2, включающая в себя массы кабины, противовеса и лебедки; стрела массой m3; телескопическое звено массой m4; груз массой m5, включающий в себя массу крюковой обоймы, траверсы. Расчетная схема СГК рассматривается в правой инерциальной системе координат O0X0Y0Z0.

 

 

 

 

 

 

 

 

 

c13,b13

Y5

 

c14,b14

 

 

 

 

 

 

 

 

 

 

 

 

 

 

 

 

 

 

 

 

 

 

 

X4

 

 

 

 

 

 

 

 

 

m4

 

O5

X5

 

 

 

 

 

 

 

 

c19,b19

 

c15,b15

 

 

 

 

 

 

 

 

 

 

 

 

 

 

 

 

 

 

 

Z5

 

 

 

 

 

 

 

 

 

Y4

Fm4

 

 

 

 

 

 

 

 

 

 

m3

X3

 

 

 

 

 

 

 

 

 

 

 

Z4

O4

 

c16,b16

 

 

 

 

Y3

 

 

 

 

 

 

 

 

 

 

 

 

Fm3

 

 

 

 

 

 

 

 

 

 

 

 

 

 

 

 

 

 

 

Y , Y

Z3

O3

 

 

 

 

 

 

 

 

 

1

2

 

 

c18,b18

 

 

 

 

 

c10,b10

 

 

 

 

 

 

 

m5

 

 

 

R6 m2

 

O2

 

 

X2 c11,b11

 

 

 

 

c6,bF6

 

 

 

c7,b7 FR7

 

 

 

 

 

 

O1

 

 

Fm5

 

 

c2,b2

 

Fm2Z2

 

 

X1

c3,b3

 

 

 

FR10

m1

 

 

 

 

 

 

 

 

 

 

 

c17,b17

FR11

FR3

 

 

 

 

FR2

 

 

Z1

 

Y0

 

 

 

 

Fm1

 

 

 

 

 

 

c9,b9

 

 

c12,b12

 

 

 

 

 

 

 

 

c5,b5 FR5

 

 

 

 

 

 

c8,b8FR8

 

 

 

 

FR9

c1,b1

 

 

 

FR12

 

c4,b4

 

O0

 

X0

FR1

 

 

 

FR4

 

Z0

 

 

 

 

 

 

 

 

 

 

 

Рисунок 2 – Обобщенная расчетная схема стрелового грузоподъемного крана

7

8

 

 

Поворотная платформа

1

B

CS2

2

 

F

Port1

CS1

Port2

 

 

CS3

 

Revolute

Body

3

 

 

(Поворотная платформа )

Port3

 

 

q7

 

 

1

 

 

To Workspace

 

 

In1

 

 

 

 

 

-K-

1

 

 

Out1

 

 

 

m

 

Gain

 

Joint Sensor

-K-

 

 

 

 

 

 

Gain1

 

Joint Actuator

 

 

 

2

 

 

 

 

 

 

 

 

 

 

 

 

 

 

 

 

 

 

 

 

 

 

 

 

 

 

 

 

 

 

 

 

 

 

 

 

 

Стрела

 

 

B

 

 

 

 

 

 

 

 

 

 

 

 

 

 

 

 

 

 

 

 

 

 

 

 

 

 

 

 

 

 

 

 

 

 

Port2

 

F

 

 

 

 

 

 

 

 

 

 

 

 

 

 

 

 

 

 

 

 

 

 

 

CS1

CS2

 

 

 

 

 

 

3

 

 

 

 

 

 

 

 

 

 

 

 

 

 

 

 

 

 

 

 

 

 

 

 

 

 

CS3

 

 

 

 

 

 

Port3

 

 

 

 

 

 

 

 

 

 

 

 

 

 

 

 

 

 

 

 

 

 

 

 

 

 

 

 

 

 

 

 

 

 

 

 

 

 

 

 

 

 

 

 

 

 

 

 

 

 

 

 

 

 

 

 

 

 

 

 

 

 

 

 

 

 

 

 

 

Revolute

 

 

 

 

 

 

 

 

 

 

 

 

 

 

 

 

 

 

 

 

 

 

 

Body

 

 

 

 

 

 

 

 

 

 

 

 

 

 

 

 

 

 

 

 

 

 

 

 

 

 

 

To

 

q8

 

(Основание

стрелы )

 

 

 

 

 

 

 

 

 

 

 

 

 

 

 

 

 

 

 

 

 

 

Workspace1

 

 

 

 

 

 

 

 

 

 

 

 

 

 

 

 

 

 

 

 

 

 

Joint Sensor

 

 

 

 

 

 

 

 

 

 

 

 

 

 

 

 

 

 

 

 

 

 

 

 

 

1

 

 

B

F

 

 

 

 

 

CS1

CS2

 

 

 

B

 

F

 

 

 

 

CS1

CS2

 

 

 

 

 

F

B

 

 

 

 

 

 

 

 

 

 

 

 

 

 

 

 

 

 

 

 

 

 

 

Port1

 

 

 

 

 

 

 

 

 

 

 

 

 

 

 

 

 

 

 

 

 

 

 

 

 

 

 

 

 

 

 

 

 

 

 

 

 

 

 

 

 

 

 

 

 

 

 

 

 

 

 

Body

 

 

 

 

 

 

 

 

 

 

 

 

Body

 

 

 

 

 

 

 

 

 

 

 

 

Revolute1

 

 

 

 

 

 

 

Revolute2

 

 

 

 

 

 

 

 

(Корпус

ГЦ)

 

 

 

 

 

 

 

 

 

 

 

(Шток ГЦ)

 

 

 

 

 

 

 

 

 

 

 

 

 

 

 

 

 

 

 

 

 

 

 

 

 

 

 

 

 

 

 

 

 

 

Prismatic

 

1

 

 

 

 

 

 

 

 

 

 

 

 

 

 

 

 

 

 

 

 

 

 

 

 

 

 

 

 

 

 

 

 

 

 

 

 

 

 

 

 

 

 

 

 

 

 

 

 

 

 

 

 

 

 

 

 

 

 

 

 

 

 

 

 

 

 

 

 

 

 

 

 

 

 

 

 

 

 

 

 

 

 

 

 

 

 

 

 

 

 

 

 

 

 

 

 

 

 

 

 

 

 

 

 

 

 

 

 

 

 

 

 

 

 

 

In1

IC

 

-K-

1

 

 

Out1

 

 

 

m

 

Gain

 

Joint Sensor1

-K-

 

 

 

 

 

 

Gain1

 

Joint Actuator

 

 

 

1

B

Телескопическое звено

 

 

Port1

F

CS1 CS2

2

 

 

 

Port2

 

Prismatic1

Body

 

 

 

(Телескопическое

звено)

 

 

q9

1

 

 

To Workspace

In1

 

 

-K-

1

 

 

Out1

 

 

 

m

 

Gain

Joint Sensor

-K-

 

 

 

 

Gain1

Joint Actuator

 

 

 

 

 

 

 

 

 

 

 

Базовое шасси

 

 

 

 

 

 

Port1

 

 

 

 

 

 

 

 

 

 

CS1

Port1

F

 

 

 

 

 

 

 

 

 

 

Env

 

B

y

 

 

 

Базовое шасси

 

 

 

 

 

 

 

 

 

 

 

 

 

 

Subsystem Force1

 

 

 

 

1

 

Machine

 

F

CG

 

 

 

 

 

 

 

 

 

Ground

 

 

 

 

In1

 

 

 

 

 

Angle

 

Environment

 

 

 

F

 

 

Port1

 

 

 

 

 

 

 

 

 

 

CS2

Port1

 

 

 

 

 

 

Out1

1

 

 

 

 

y

 

 

Port2

 

 

 

 

 

 

 

 

 

 

 

 

 

 

 

 

 

 

 

Bushing

 

Subsystem Force2

 

 

 

 

 

 

 

Torque

 

 

 

 

FRi

 

Port3

 

 

 

 

 

 

 

 

 

 

 

 

 

 

 

 

 

 

 

 

 

 

 

 

 

Поворотная

платформа

2

 

 

 

 

CS3

Port1

F

Scope

 

 

 

 

 

 

 

 

Joint Sensor

 

y

 

 

In1

 

 

 

 

 

Position

 

 

 

 

 

 

 

 

 

 

 

 

 

 

 

 

Subsystem Force3

 

 

Port1

 

 

 

 

Out1

2

 

 

 

 

 

 

 

 

 

 

 

 

 

 

1

CS5

 

 

 

 

Port2

 

 

 

 

 

 

Joint Sensor1

 

 

 

 

 

 

 

 

 

Force

 

 

Port1

 

 

F

 

 

Port3

 

 

 

 

 

 

 

 

CS4

Port1

 

 

Стрела

 

 

 

 

 

 

 

y

 

 

 

 

 

 

 

 

 

 

 

 

 

 

 

 

 

3

 

Joint Sensor2

 

 

Subsystem Force4

 

 

 

 

 

 

 

 

 

q1..q6

 

 

 

 

 

 

 

 

 

 

 

 

 

 

 

In1

 

 

 

 

 

Position1

 

 

 

Body

 

 

 

 

 

 

 

 

 

 

 

 

 

 

 

 

 

Port1

 

 

 

 

Out1

3

 

 

Joint Sensor3

Scope1 (Базовое шасси )

 

 

 

Port2

 

 

 

 

 

Force1

 

 

 

q1_6

 

 

 

Scope4

 

 

 

 

 

 

 

 

Joint Sensor4

 

 

 

 

 

Телескопическое звено

 

 

 

 

 

 

 

 

4

 

 

 

To Workspace

 

 

 

 

 

 

 

 

 

 

 

 

 

 

 

 

 

 

 

 

 

 

 

 

 

 

 

 

 

 

 

 

In1

 

 

 

 

 

Position2

 

 

Joint Sensor5

 

 

 

 

 

 

 

 

 

 

 

 

 

 

 

 

 

 

 

 

 

Port

 

 

 

 

Out1

4

 

 

 

 

 

 

 

 

 

 

 

 

 

 

Force2

 

Joint Initial

 

 

 

 

 

 

 

 

 

Груз

 

 

 

 

Condition

 

 

 

 

 

 

1

B

 

 

 

 

 

 

Груз

 

 

 

Определение сил реакции на опорныйэлемент

 

 

 

 

 

 

 

 

 

 

x_0

 

 

 

Port

F

CS1

CG

 

 

 

 

 

 

 

 

Constant3

 

 

 

 

 

 

 

 

 

 

 

 

 

 

x

-K-

 

1

 

 

Body ( Груз)

 

Body Sensor

X,Y,Z

 

 

 

 

 

 

 

 

 

 

 

 

 

 

 

Bearing

 

 

 

 

 

 

 

Gain6

 

F

 

 

 

q10

 

1

 

 

 

2

y_0

 

Joint Initial

 

To Workspace4

 

In1

 

 

 

y

Constant1

-K-

 

 

 

 

 

 

 

 

 

 

 

y

 

 

 

 

 

 

 

1

 

 

 

 

 

 

Condition

 

 

-K-

 

 

 

 

 

 

 

 

 

 

 

 

 

Out1

 

 

 

 

z_0

Gain2

 

 

 

 

 

 

 

 

 

 

 

 

 

Body Actuator2

 

 

m

 

Gain3

 

 

 

 

 

 

 

 

 

 

 

 

 

 

 

Constant4

 

 

 

 

 

-K-

 

 

 

 

 

 

 

 

z

-K-

 

 

 

Joint Sensor

 

 

 

 

 

 

 

 

 

 

 

 

 

 

 

 

 

 

 

 

 

 

 

 

 

 

 

 

 

 

 

 

 

 

 

Gain7

 

 

 

 

Gain5

 

 

Joint Actuator

 

 

 

m

 

 

 

 

 

 

 

 

 

 

 

 

 

 

 

 

 

 

 

 

 

 

 

 

 

 

 

 

 

 

 

 

 

 

 

 

 

1

Body Sensor1

 

 

-K-

 

 

 

 

 

 

 

 

 

 

 

Port1

x'

 

 

 

 

 

 

 

 

 

 

 

 

 

 

 

 

Mechanical

 

q11

 

 

 

 

 

 

Mechanical

 

 

 

Gain4

 

 

 

 

 

 

 

 

 

Branching

 

 

 

 

 

 

Branching

To Workspace

 

 

 

 

 

 

 

 

 

 

-K-

 

 

 

Bar1

 

 

 

-K-

 

 

Bar3

 

 

 

 

 

 

 

 

y'

 

 

 

Joint SensorR1

 

 

 

 

 

 

 

 

 

 

 

 

 

 

 

 

Gain

 

Joint Actuator R1

 

 

 

Gain1

 

 

 

 

 

 

 

 

 

 

 

 

 

 

 

 

 

 

 

 

 

 

 

 

 

 

 

 

 

q13

 

 

 

 

 

 

 

 

 

 

 

 

 

 

To Workspace1

-K-

 

 

 

 

 

z'

 

-K-

 

 

 

Joint SensorR2

 

 

 

 

 

 

 

 

 

 

 

 

 

 

 

 

Gain2

 

Joint Actuator R2

 

 

 

 

Gain3

 

 

 

 

 

 

 

-K-

 

 

 

 

 

 

 

 

 

 

 

 

 

 

 

 

 

 

 

 

 

 

q12

 

 

 

 

 

 

 

 

 

 

 

 

 

 

 

 

 

Gain1

 

 

 

 

 

 

 

 

 

To Workspace2

 

 

 

 

 

 

 

 

 

 

Joint SensorR3

0

 

 

 

-K-

Joint Actuator R3

 

 

 

 

 

 

 

 

Mechanical

Constant1

 

 

 

 

 

 

 

 

 

 

 

 

 

 

Mechanical

 

 

 

 

 

 

 

 

Branching

 

 

Gain4

 

 

 

 

 

 

 

 

Bar1

 

 

 

 

Branching

 

 

 

 

 

 

 

 

 

 

 

 

 

 

 

 

 

 

 

 

 

 

 

 

 

 

 

 

 

Bar2

 

 

 

 

 

 

 

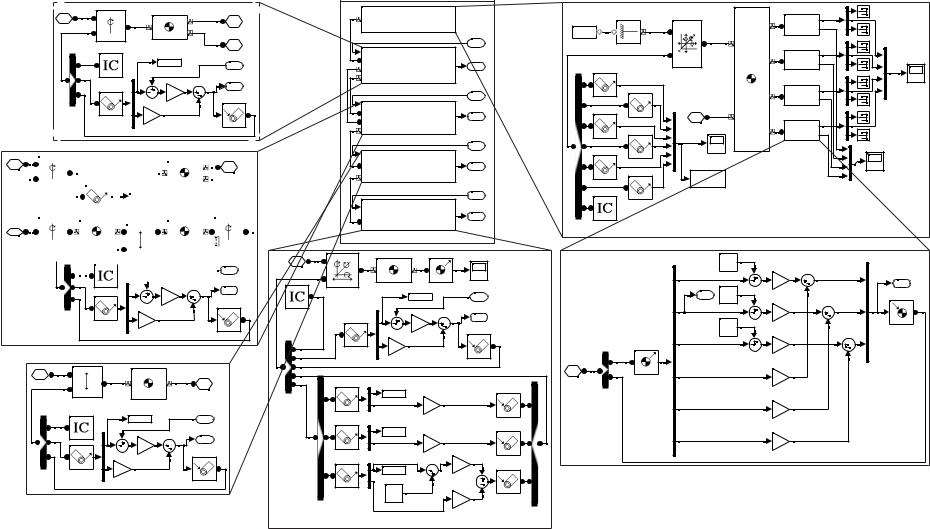
Рисунок 3 – Структурная схема механической подсистемы стрелового грузоподъемного крана в Simulink (пунктирными линиями обозначены блоки звеньев)

Каждому звену поставлена соответствующая локальная система координат. Массы звеньев в поле тяготения формируют силы веса, представленные на расчетной схеме векторами Fm1Fm5. Со стороны грунта на опорные элементы действуют силы реакции, представленные на расчетной схеме векторами FR1FR12. Упруго-вязкие свойства связей, наложенных на звенья системы, представлены на расчетной схеме упруговязкими телами Фохта, характеризуемыми коэффициентами жесткости c1c19 и коэффициентами вязкости b1b19. Для расчетной схемы СГК приняты 13 обобщенных координат q1q13 (таблица 1). Структурная схема механической подсистемы СГК в Simulink представлена на рисунке 3.

Таблица 1 – Обобщенные координаты q1q13

Характеристика координаты в локальной СК

Обозначение

 

 

 

1

Перемещение центра масс базового шасси вдоль оси X0

q1

2

Перемещение центра масс базового шасси вдоль оси Y0

q2

3

Перемещение центра масс базового шасси вдоль оси Z0

q3

4

Поворот базового шасси вокруг оси X1

q4

5

Поворот базового шасси вокруг оси Y1

q5

6

Поворот базового шасси вокруг оси Z1

q6

7

Поворот платформы вокруг оси Y2

q7

8

Поворот стрелы вокруг оси Z3

q8

9

Выдвижение телескопического звена вдоль оси X4

q9

10

Перемещение центра масс груза вдоль оси Y5

q10

11

Поворот системы координат O5X5Y5Z5

вокруг оси X5

q11

12

Поворот системы координат O5X5Y5Z5

вокруг оси Y5

q12

13

Поворот системы координат O5X5Y5Z5

вокруг оси Z5

q13

Гидропривод является важной подсистемой сложной динамической системы СГК. Подсистема гидропривод рассматривается как совокупность соединенных между собой элементов: трубопровод; гидравлический мотор; гидравлический насос; местное сопротивление (дроссель); гидроцилиндр; клапаны (предохранительный, обратный). Для каждого из элементов, входящих в гидропривод, составлена своя математическая модель, представляющая собой дифференциальные уравнения. Уравнения, описывающие гидравлические элементы, реализуются в среде Simulink при помощи блоков из библиотек SimHydraulics, Simscape. Структурная схема подсистемы гидропривод СГК, включающая в себя модели гидроэлементов, представлена на рисунке 4.

9

 

 

 

 

 

Angle

1

 

 

 

 

Position1

 

2

 

3

Position2

 

Position

4

f(x)=0

 

 

 

 

 

 

 

 

 

 

 

 

 

 

 

 

 

 

 

 

 

 

 

 

 

 

 

 

 

Out1

Механическая

 

Механическая

 

 

Out2

 

Out2

 

Механическая

 

 

 

Out2

 

 

 

 

 

 

 

передача 1

 

передача

2

 

 

 

передача 3

 

 

 

 

 

 

 

 

 

In1

 

 

In2

B1

 

In2

B

 

 

In2

B1

 

 

 

 

 

 

 

B

 

 

 

 

 

 

 

 

 

 

 

 

 

 

5

 

 

 

 

 

 

6

 

 

 

 

7

 

 

8

Ц3

 

 

 

 

 

 

 

Torque

 

 

S

 

 

Force1

 

 

 

Force2

S

 

Force

 

 

 

 

 

 

 

 

 

 

 

 

 

 

 

 

 

 

 

 

 

 

 

 

 

 

 

М1

 

 

C

 

R

 

 

 

 

М2

C

 

R

 

 

 

 

 

 

 

 

 

 

 

 

A

 

B

 

 

 

 

A

 

B

 

Mc

w

 

 

 

 

 

 

 

 

 

 

 

 

 

 

 

 

 

 

 

 

 

 

A

B

 

 

 

 

 

 

 

 

A

B

 

 

 

 

 

 

 

 

 

 

 

 

B

Ц1

 

 

 

 

B

 

 

 

 

 

 

 

 

 

 

 

 

 

 

 

 

 

 

 

 

 

 

 

 

 

 

 

 

 

 

 

 

 

 

 

 

КОУ1

 

 

 

 

 

 

 

КОУ3

 

 

 

-K-

 

 

 

 

 

 

 

 

A

 

X

 

 

 

 

B

 

A

X

 

 

 

-K-

 

 

 

A

B

 

B

A

 

 

 

 

 

 

 

 

 

 

 

 

 

 

 

 

 

 

 

 

 

 

 

 

 

КОУ2

 

 

 

 

 

 

 

 

 

 

 

 

 

 

 

 

 

 

 

 

 

 

 

 

 

 

 

 

 

 

 

 

КО3

 

 

A

КО4

B

 

 

 

 

B

A

X

 

B

 

 

 

B

 

 

 

 

 

 

 

 

 

 

 

 

 

 

 

 

 

S

S

 

 

 

 

 

 

 

 

 

 

 

 

 

 

 

 

 

 

 

 

 

 

 

 

 

КП2

 

 

 

 

 

 

 

 

 

 

 

 

 

 

PS

PS

 

 

 

 

 

 

 

 

 

 

 

 

 

КП3

 

 

 

 

 

 

 

 

КО2

 

 

B

КО5

 

 

 

 

 

 

 

 

 

 

 

 

 

 

 

 

 

 

 

 

 

 

 

 

 

 

 

 

 

 

 

 

 

 

 

 

 

 

 

 

 

 

 

 

 

 

 

 

 

 

 

 

 

 

S

C

 

 

B

A

 

A

B

A

 

 

 

 

A

 

B

A

 

 

 

A

 

 

 

 

 

 

 

 

 

 

 

 

 

 

 

 

 

A

 

 

 

 

R

 

 

 

 

 

 

 

 

 

 

 

 

 

 

 

 

 

 

 

 

 

 

T

C

 

 

 

 

 

 

 

 

 

 

 

 

 

 

 

 

 

 

 

 

 

 

R

 

 

B

 

 

 

 

S

A

 

 

S

A

 

 

 

S

 

A

 

S

A

 

 

 

 

 

 

 

T1

 

 

T1

 

 

 

T1

 

T1

 

 

 

 

 

КП1

 

 

 

 

 

 

 

 

 

 

 

 

 

 

 

 

 

 

 

 

 

P1

B

 

 

P1

B

 

 

 

P1

B

 

P1

B

 

 

Н

 

A

 

 

 

 

 

 

 

 

 

 

 

 

 

 

 

 

 

 

T2

 

 

 

T2

 

 

 

 

T2

 

 

T2

 

 

 

 

 

 

 

 

 

 

T

 

 

T

 

 

 

T

 

T

 

 

 

P

 

A

B

 

 

P

 

 

P

 

 

 

P

 

 

P

 

 

 

 

 

 

 

 

 

 

 

 

 

 

 

 

 

 

S

 

 

 

КО1

 

 

 

II

 

 

 

III

 

 

 

 

 

V

 

 

VI

 

 

 

 

T

 

 

 

 

 

 

 

 

 

 

 

 

 

 

 

 

 

 

 

 

 

 

 

 

 

 

 

 

 

 

 

 

 

 

 

 

 

 

 

 

 

 

 

 

 

V

P

R

 

 

 

PS S

1

 

PS S

 

 

2

 

PS S

3

 

PS S

 

4

 

 

 

 

 

 

 

In1

 

 

 

In2

 

 

 

In3

 

 

In4

 

 

 

 

Б

 

 

 

 

 

 

 

 

 

 

 

 

 

 

 

 

 

 

 

 

 

 

 

 

 

 

 

 

 

 

 

 

 

 

 

 

 

 

Рисунок 4 – Структурная схема подсистемы гидропривод стрелового

 

 

 

 

 

 

 

 

 

 

грузоподъемного крана в Simulink

 

 

 

 

 

Двигатель внутреннего сгорания, оснащенный всережимным регулятором угловой скорости, описан известной системой уравнений:

 

J

d

д

= M д ( д

, z) M c ;

 

 

 

 

dt

 

 

 

 

 

 

 

 

M д ( д, z) = M д ( д ) M z kдz;

 

 

 

 

dz = (a bz) д2 iр2 cпрz F;

(1)

 

 

 

 

 

 

 

 

 

dt

 

 

 

 

 

0 z zmax ,

 

 

 

 

 

где J – приведенный к валу ДВС момент инерции вращающихся частей; ωд

– угловая скорость коленчатого вала; Mд – крутящий момент на валу; Mс – момент сил сопротивления; M’д(ωд) – характеристика ДВС, аппроксимируемая конечным набором точек; z – перемещение муфты регулятора; kд, a, b – постоянные настройки регулятора; cпр и F – жесткость и сила предварительного сжатия пружины; ν – коэффициент вязкого трения в регуляторе.

Часовой расход топлива (единица измерения: литр/час), определялся по формуле:

G=

 

Nд ge

,

(2)

 

 

 

1000 T

 

10