Материал: Записка по Курсовому

Внимание! Если размещение файла нарушает Ваши авторские права, то обязательно сообщите нам

d

 

 

М

пр

 

 

3

78680

вр

3

 

 

 

 

0.1 56.44

 

 

 

0,1

1

и

 

 

 

 

 

 

 

 

 

 

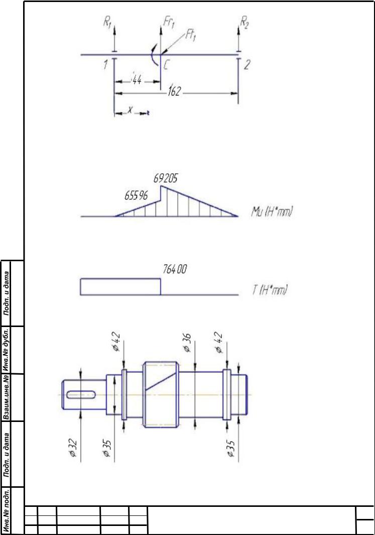
4.7 Спроектируем вал:

= 24,1 мм.

dш= 36 мм - диаметр вала под шестерней, dп= 35 мм – диаметр вала под подшипником, dвх= 32 мм – диаметр вала на входе.

4.8 Расчет вала на жесткость 4.8.1 Определим угол поворота сечения вала в опорах в вертикальной

плоскости, проинтегрировав уравнение изогнутой оси вала:

 

 

в,,

R

в

 

 

 

 

F

* ( x l

 

 

 

 

 

 

 

 

 

 

EJy

 

I

 

* х

 

 

)

 

 

 

 

 

 

 

 

 

 

 

 

 

 

 

 

 

 

 

 

 

 

 

 

t

 

 

 

 

 

 

1

 

 

 

 

 

 

 

 

 

 

 

 

 

 

 

 

 

 

 

 

 

 

 

 

 

 

1

 

 

 

 

 

 

 

 

 

 

 

 

 

 

 

 

 

 

 

 

 

 

 

 

 

в

 

 

 

2

 

 

 

 

* ( x l

 

 

2

 

 

 

 

 

 

 

 

 

 

 

 

 

 

 

 

 

 

 

 

 

 

F

 

)

 

 

 

 

 

 

 

 

 

 

 

 

 

 

 

 

R

 

* х

 

 

 

 

 

 

 

 

 

 

 

 

 

 

в,

 

 

 

I

 

 

 

t

 

 

 

 

1

 

 

 

 

 

 

 

 

в

 

 

 

EJy

 

 

 

 

 

 

 

 

 

 

 

 

1

 

 

 

 

 

 

 

 

 

EJ

 

*

 

 

 

 

 

 

 

 

 

 

 

 

 

 

 

 

 

 

 

 

 

 

 

 

 

п

 

 

 

 

 

 

 

 

 

 

 

 

 

 

 

 

 

 

 

 

 

 

 

 

 

 

 

 

 

 

 

 

 

 

0

 

 

 

 

 

 

 

 

 

 

 

 

2

 

 

 

 

 

 

 

 

6

 

 

 

 

 

 

 

 

 

 

 

 

 

 

 

 

 

 

 

 

 

 

 

 

 

 

 

 

 

 

 

 

 

 

 

 

 

 

 

 

 

 

 

 

 

 

 

 

 

 

 

в

 

 

3

 

 

 

 

* ( x l

 

 

3

 

 

 

 

 

 

 

 

 

 

 

 

 

 

 

 

 

 

 

F

 

 

)

 

 

 

 

 

 

 

 

 

 

 

 

 

 

 

 

R

 

 

* х

 

 

 

 

 

 

 

 

 

 

 

 

 

 

 

 

в

 

 

I

 

 

 

t

 

 

 

 

1

 

 

 

 

 

 

 

в

 

 

 

в

 

EJy

 

 

 

 

 

 

 

 

 

1

 

 

 

 

 

 

 

 

 

EJ

x

 

 

 

 

 

 

 

 

 

 

 

 

 

 

 

 

 

 

 

 

 

 

 

 

EJy

 

 

 

 

 

 

 

 

 

6

 

 

 

 

 

 

 

 

6

 

 

 

 

 

 

 

 

 

 

0

 

 

 

0

 

 

 

 

 

 

 

 

 

 

 

 

 

 

 

 

 

 

 

 

 

 

 

 

 

 

 

 

 

 

 

 

 

 

 

 

 

F

 

 

 

*

 

 

 

l

 

 

 

3

 

 

 

в

 

 

 

3

 

 

 

 

 

 

 

 

 

 

 

 

 

 

 

 

 

(l

2

 

 

)

R

I

*

 

l

2

 

 

 

 

 

 

 

 

 

 

 

в

 

 

t

 

 

 

 

 

1

 

 

 

 

 

 

 

 

 

 

 

 

 

 

 

 

 

 

 

 

 

 

1

 

 

 

 

 

 

 

 

 

 

 

 

 

 

 

 

 

 

 

 

-8,61*10

-5

[ ] = 0.01 рад

I

 

 

 

 

 

 

 

 

 

 

 

 

 

 

 

 

 

 

 

 

 

 

 

 

 

 

 

 

 

 

 

 

 

 

 

 

 

 

 

 

 

 

 

 

 

 

 

 

 

 

 

 

 

 

 

 

 

 

 

 

 

 

 

 

 

 

 

 

 

 

 

 

 

 

 

 

 

 

 

 

 

 

 

 

 

 

 

 

6 E * J

п

* l

2

 

 

 

 

 

 

 

 

 

 

 

 

 

 

 

 

 

 

 

 

 

 

 

 

 

 

 

 

 

 

 

 

 

 

 

 

 

 

 

 

 

 

 

 

 

 

 

 

 

 

 

Rв

 

* l 2

F * (l

2

l )2

 

 

 

 

 

 

 

 

 

 

 

 

 

 

 

 

в

 

 

I

 

 

 

2

 

 

 

t

 

 

1

 

 

в

6, 26 *10 5

 

 

 

 

 

 

 

 

 

 

 

 

 

 

1

 

 

 

 

 

 

 

[ ] 0.01 рад

II

 

 

 

 

 

 

 

 

 

 

 

 

 

 

 

 

 

 

 

 

 

 

 

 

 

2E * Jп

 

 

 

 

 

 

 

1

 

 

 

 

 

 

 

 

 

 

 

 

 

 

 

 

 

 

 

 

 

 

 

 

 

 

 

 

 

 

 

 

 

 

 

 

 

 

 

 

 

 

 

в горизонтальной плоскости, также совершив дважды интегрирование:

EJy г ,,

EJy г ,

EJy

г

 

 

R

г

* х М

* ( х l )

0 F

 

* ( x l )

 

 

 

 

 

 

 

I

 

 

а1

1

 

 

r1

 

 

1

 

 

 

 

 

R г

* х 2

 

 

 

 

Fr * ( x l1 ) 2

 

 

 

 

 

 

 

I

 

 

М а1 * ( х l1 )

1

 

 

 

 

EJ 0

 

 

 

 

 

 

2

 

 

 

 

2

 

 

 

 

 

 

 

 

 

 

 

 

 

 

 

 

 

 

 

 

 

 

 

 

 

 

 

 

* ( x l

3

 

 

 

 

 

 

 

 

 

 

 

 

 

г

 

3

F

)

 

 

 

 

 

 

2

 

 

 

 

 

 

 

r1

1

 

 

M

 

* ( x l

 

 

 

 

R

 

* х

 

 

 

 

a

)

 

 

 

 

I

 

 

 

 

 

 

1

 

 

2

 

 

 

 

 

 

 

 

 

 

1

 

 

 

 

EJ

x EJy

 

 

 

 

 

 

 

 

 

 

 

 

0

0

 

 

 

 

 

 

 

 

 

 

 

 

 

 

 

 

 

 

 

6

 

 

6

 

 

 

 

 

2

 

 

 

 

 

 

 

г

 

F

* (l

2

l )3

R

г

* l

32 3M

a1

* (l

2

l ) 2

 

 

 

 

r1

 

1

 

I

 

 

 

1

-3,79*10-5

[ ]=0.01рад.

I

 

 

 

 

 

 

 

 

 

 

 

 

 

 

 

 

 

 

 

 

 

 

 

 

 

 

 

 

 

 

 

 

 

 

 

 

6 E * J п * l2

 

 

 

 

 

 

 

 

 

 

 

 

 

 

 

 

 

КМиИГ КПДМ 2021.19.00 ПЗ

Лис

Изм Лист

 

 

Подп Дат

 

 

 

15

 

 

 

 

 

 

 

 

 

 

 

 

 

 

 

 

 

 

 

 

 

 

 

 

 

 

 

 

 

 

R

г

* l

3

2M

 

* (l

 

l

) F

* (l

 

l

)

2

 

 

 

 

 

I

2

a

2

2

 

 

г

 

г

 

 

 

 

 

1

r

 

1

 

 

 

 

 

 

 

 

 

 

 

1

 

 

 

 

 

 

 

 

 

 

 

 

 

 

 

 

 

 

 

 

 

 

II

 

I

 

 

 

 

 

 

 

2E * J

 

 

 

 

 

 

 

 

 

 

 

 

 

 

 

 

 

п

 

 

 

 

 

 

 

 

 

 

 

 

 

 

 

 

 

 

 

 

 

 

 

 

т.е. условие жесткости выполнено

4.8.2 Определим прогиб вала под шестерней в вертикальной плоскости

3,11*10-5 [ ] = 0.01рад

 

 

 

в

3

 

 

 

в

 

RI

* l1

в

 

у

ш

 

 

 

I

* l1

 

 

6 E * J ш

в горизонтальной плоскости

 

 

 

R

г

* l

3

 

 

 

 

у

 

 

 

 

 

 

* l

г

 

I

 

1

г

*

 

ш

 

6E * J ш

 

I

1

 

 

 

 

 

 

 

 

Суммарный прогиб вала

*

d

п

 

d

ш

 

d п

d ш

 

4

 

 

 

 

 

 

4

-1,06*10-4

-2,28*10-3

у

( у

)

2

( у

)

2

 

(2, 28)

2

(1, 06)

2

2,51*10

3

 

 

 

 

 

 

в

 

 

г

 

 

 

 

 

 

 

 

 

у = 0,01*m =0,01*2,25 = 22,5*10-3

т.е. условие жесткости выполнено

4.8.3 Допускаемый относительный угол закручивания

=1,74*10 –5 рад/мм

Относительный угол закручивания

,

Т

 

2,37*10-6 [ ] , т.е. условие жесткости выполнено.

 

G * J p

 

 

 

Здесь G = 8*104 Н*мм2 - модуль упругости 2-го рода,

J

 

 

* d

p

32

 

 

 

 

 

4

 

п

 

251200 мм4 полярный момент инерции в сечении под

подшипником

Т= 76400 Н*мм - крутящий момент на валу.

 

КМиИГ КПДМ 2021.19.00 ПЗ

Лис

Изм Лист № Подп Дат

16

 

 

 

 

КМиИГ КПДМ 2021.19.00 ПЗ

Лис

Изм Лист № Подп Дат

17

 

 

 

5. Расчет промежуточного вала

5.1 Определим реакции в опорах:

 

в

R

 

 

R

в

П

 

R

г

 

1

Rг

П

 

 

 

 

 

l

 

l

 

F

 

'

 

 

 

 

 

 

F

 

 

2

 

 

l

4

 

 

 

 

 

 

t

2

 

 

 

 

 

1

 

 

 

 

 

 

t

 

 

 

 

 

 

 

 

 

 

 

 

 

 

 

 

 

 

 

 

 

 

 

1

 

 

= -420 Н

 

 

 

 

 

 

 

 

 

 

 

 

 

 

 

 

 

 

 

 

 

 

 

 

 

 

 

 

 

 

 

 

l

2

 

 

 

 

 

 

 

 

 

 

 

 

 

 

 

 

 

 

 

 

 

 

 

 

 

l

 

 

 

 

 

 

 

 

 

 

 

 

 

 

F

 

l

 

F

'

 

 

l

 

 

 

 

 

 

 

 

 

 

2

 

4

 

 

 

 

 

 

 

t

2

 

1

 

 

 

t

 

 

 

 

 

 

 

 

 

 

 

 

 

 

 

 

 

 

 

 

 

 

1

 

 

 

 

 

 

 

 

 

 

 

 

-550 Н

 

 

 

 

 

 

 

 

 

 

 

 

 

 

 

 

 

 

 

 

 

 

 

 

 

 

 

 

 

 

 

 

l

2

 

 

 

 

 

 

 

 

 

 

 

 

 

 

 

 

 

 

 

 

 

 

 

 

 

 

 

 

 

 

 

 

 

 

 

 

 

 

 

 

 

F

 

 

l

 

l

 

 

 

F

 

'

l

 

M

 

 

 

 

 

 

 

 

 

 

 

 

 

a

 

 

 

r

 

 

 

2

 

1

 

 

 

 

r

 

 

 

4

 

 

 

 

 

 

 

2

 

 

 

 

 

 

 

 

1

 

 

 

 

 

 

 

2

 

3180 Н

 

 

 

 

 

 

 

 

 

 

 

l

 

 

 

 

 

 

 

 

 

 

 

 

 

 

 

 

 

 

 

 

 

 

 

 

2

 

 

 

 

 

 

 

 

 

 

 

 

 

 

 

 

 

 

 

 

 

 

 

 

 

 

 

 

 

 

 

 

 

 

 

 

 

 

F

 

l

 

F '

 

 

l

 

 

l

 

 

 

M

a

 

 

 

 

r

 

 

 

 

 

r

 

 

 

2

 

 

 

4

 

 

 

 

 

 

 

 

 

2 1

 

 

1

 

 

 

 

 

 

 

 

 

2

 

3463 Н

 

 

 

 

 

 

 

 

 

 

 

l

 

 

 

 

 

 

 

 

 

 

 

 

 

 

 

 

 

 

 

 

 

 

 

2

 

 

 

 

 

 

 

 

 

 

 

 

 

 

 

 

 

 

 

 

 

 

 

 

 

 

 

 

 

 

 

 

 

 

 

 

 

 

5.2 Определим суммарные реакции в опорах:

R

 

 

R

г

2

 

R

в

2

 

420

2

 

3180

2

3220

 

 

 

 

 

 

 

 

 

 

 

 

 

 

 

 

 

 

 

 

 

 

 

 

 

 

 

 

 

 

 

 

 

 

 

 

 

 

 

 

 

 

 

 

 

 

2 Rв

2

 

 

 

 

 

R

П

 

R

г

 

550 2

3463

2 3520

 

 

 

 

П

 

 

 

П

 

 

 

 

 

 

 

 

 

 

 

5.3 Построим эпюру суммарного изгибающего момента, определим опасное сечение и подсчитаем величину приведенного момента:

M

 

 

M

2

*T

2

 

193380

2

1* 222370

2

267800

пр

и

 

 

 

 

 

 

 

 

 

 

 

 

 

 

где Т=

М

и

 

1- коэффициент приведения для реверсируемых передач, 222370 Н*мм – крутящий момент на промежуточном валу,193380 Н*мм – величина максимального изгибающего момента.

5.4 Определим допускаемые напряжения изгиба при симметричном цикле:

 

 

 

 

 

0,33

в

 

0,33 * 650

56.44

H

 

2

 

 

 

 

 

 

 

 

 

 

 

1

 

 

 

 

 

 

и

 

 

 

 

мм

 

 

 

3,8

 

 

3.8

 

 

 

 

 

 

 

 

 

 

 

 

 

 

 

 

 

 

 

 

 

 

5.5 Определим диаметр вала в опасном сечении при совместном действии изгиба и кручения:

 

 

 

M пр

 

 

 

 

 

 

 

 

d

вр

3

 

3

267800

36,2

 

 

 

 

 

 

 

 

 

 

 

 

 

 

 

 

 

 

 

 

1

 

 

 

 

 

0.1 56.44

 

 

 

0,1

 

 

 

 

 

 

 

 

 

 

 

и

 

 

 

 

 

 

 

Лис

 

 

 

 

 

 

 

 

 

 

 

 

 

 

 

 

 

 

 

 

 

 

 

 

 

КМиИГ КПДМ 2021.19.00 ПЗ

 

 

Подп Дат

 

 

18

Изм Лист

 

 

 

 

 

 

 

Полученное значение увеличим на 10% и округлим до ближайшего большего стандартного.

Спроектируем вал, исходя из следующих особенностей:

Диаметр вала под подшипником должен быть не менее аналогичного диаметра быстроходного вала;

При близких значениях диаметра вала под шестерней тихоходной передачи и диаметра окружностей впадин шестерни шестерня выполняется заодно с валом.

 

КМиИГ КПДМ 2021.19.00 ПЗ

Лис

Изм Лист № Подп Дат

19