Материал: Записка[1]

Внимание! Если размещение файла нарушает Ваши авторские права, то обязательно сообщите нам

Министерство образования Республики Беларусь

Учреждение образования

«Гродненский государственный университет имения Янки Купалы»

Специальность: 1-360104 «Оборудование и технологии высокоэффективных процессов обработки материалов»

Группа: ОиТВПОМ-181

КУРСОВАЯ РАБОТА

Тема: Разработка конструкции приспособления для обработки

отверстий Ø10Н8

ПОЯСНИТЕЛЬНАЯ ЗАПИСКА

Выполнил: А.В. Субоч

Руководитель работы: А.В. Севашко

Допущен к защите

Заведующий кафедрой МиРТ

____________ _____________

«___»____________20__

2020

Содержание

Введение

4

1 Назначение детали и ее характеристика

6

2 Разработка технологической операции

7

2.1 Выбор метода обработки поверхности

7

2.2 Выбор оборудования, режущего и вспомогательного

инструмента

7

2.3 Разработка схемы базирования

8

2.4 Расчет режимов резания и нормирование технологической

операции

9

3 Расчет приспособления на точность

15

4 Расчет зажимных усилий

18

5 Разработка конструкции приспособления

21

Заключение

25

Список использованных источников

26

Введение

Технологической оснасткой называют приспособления, контрольно-измерительные устройства и металлорежущий инструмент для машиностроительных предприятий. Причем, приспособления являются наиболее сложной и трудоемкой ее частью.

Технологическая оснастка является важнейшим фактором осуществления технического процесса в машиностроении. В промышленности эксплуатируется более 25 миллионов специальных станочных приспособлений. Затраты на изготовление технологической оснастки приблизились к затратам на изготовление металлорежущих станков.

Приспособлениями в машиностроении называют дополнительные устройства к технологическому оборудованию, применяемые при выполнении технологических операций (обработке заготовок, сборке изделий, контроле и др.).

За счет использования приспособлений:

- устраняется необходимость разметки заготовок и выверки их при установке на станках;

- расширяются технологические возможности металлообрабатываю­щего оборудования;

- возрастает производительность труда;

- повышается точность обработки, сборки и качество изделий;

- обеспечивается возможность многостаночного обслуживания, применения прогрессивных норм времени, снижения необходимой квалификации и численности рабочих;

- создаются условия для механизации и автоматизации процессов производства;

- снижается себестоимость продукции;

- улучшаются условия и безопасность труда, снижается аварийность.

Приспособления должны быть:

- удобными и безопасными в работе;

- быстродействующими;

- достаточно жесткими для обеспечения заданной точности обработки;

- удобными для быстрой установки на станок, что особенно важно при периодической смене приспособлений в серийном производстве;

- простыми и дешевыми в изготовлении;

- доступными для ремонта и замены изношенных деталей.

1 Назначение детали и ее характеристика

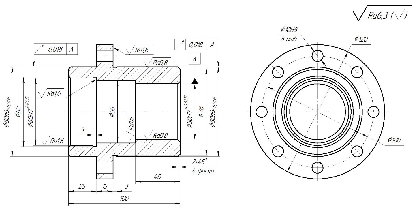
Деталь "Стакан" используется в станкостроении, предназначена для точной установки валов, поэтому к ней предъявляются высокие требования по точности, по биению и шероховатости.

Деталь имеет цилиндрическую форму с фланцевой частью, предназначенной для крепления детали к стенке корпуса. В центральном отверстии имеются концентрично выполненные расточки, куда устанавливаются подшипники в которые запрессовываются концы вращающихся валов.

От качества изготовления стаканов зависит надёжность и долговечность работы изделий и поэтому совершенствованию технологии их изготовления постоянно уделяется самое серьёзное внимание.

Среди обрабатываемых поверхностей с повышенной точностью обрабатываются исполнительные поверхности. Как правило, их относительное положение оговаривается специальными требованиями, на обеспечение которых необходимо обратить внимание при выборе баз и последовательности их обработки. Кроме функциональных, с высокой точностью обрабатываются поверхности основных баз, т.е. те поверхности, которыми деталь устанавливается (базируется) в корпусе.

Данная деталь – стакан, относится к группе цилиндрических изделий. Основное предназначение – точная установка валов. Для установки подшипников качения предусмотрены два отверстия Ø50Н7, Ø60Н7. Базирование стакана в корпусе осуществляется по поверхности Ø80h6 с упором в торец фланцевой поверхности Ø120. Для крепления стакана к корпусу на фланцевой поверхности предусмотрены восемь отверстий Ø10Н8.

2 Разработка технологической операции

2.1 Выбор метода обработки поверхности

Обработка восьми отверстий Ø10Н8, с шероховатостью Ra=6,3 мкм, будет производится в следующей последовательности [4]:

1. Сверление восьми отверстий диаметром 9 мм.

2. Зенкерование восьми отверстий диаметром 9,8 мм.

3. Развертывание восьми отверстий диаметром 10 мм.

Рисунок 1 – Чертеж детали «Стакан»

2.2 Выбор оборудования, режущего и вспомогательного инструмента

Согласно техническому заданию, необходимо обработать восемь отверстий Ø10Н8. В данном случае существует необходимость перемещать либо кондуктор с деталью под шпинделем станка, либо шпиндель над кондуктором. Исходя из количества и расположения отверстий, годовой программы 8000 шт, целесообразно вести обработку на радиально-сверлильном станке модели 2К522. Наибольший условный диаметр сверления в стали 32 мм, что удовлетворяет нашим требованиям.

Обработка детали будет вестись следующим инструментом [5]:

1. Сверло 2301-0023 ГОСТ 10903-77

2. Зенкер 2323-0505 ГОСТ 12489-71

3. Развертка 2363-3391 Н8 ГОСТ 1672-80

Так как обработка будет производится тремя режущими инструментами, то необходимо обеспечить быструю замену инструмента, с этой целью в качестве вспомогательного инструмента целесообразно использовать быстросменный патрон и комплект втулок.

2.3 Разработка схемы базирования

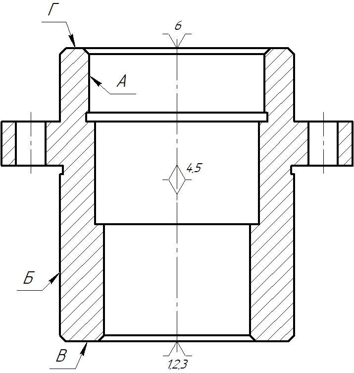
Из рассмотрения чертежа детали (рисунок 1) следует, что точность диаметральных размеров Ø10Н8 обеспечивается режущими инструментами (сверло, зенкер, развертка). Точность расположения осей отверстий Ø10Н8 и осевой окружности Ø100, относительно оси отверстия А (Ø60Н7), наружной поверхности Б (Ø80h6) и торца детали (размер 100 мм) обеспечивается базированием заготовки и точностью положения направляющих элементов для режущего инструмента относительно установочных элементов приспособления (кондукторные втулки).

Рисунок 2 – Схема базирования

Для установки детали «Стакан» в приспособление за базы следует принять поверхности А, Б, В, Г (рисунок 2), в качестве установочных элементов для базирования заготовки целесообразно использовать: а) планшайба – базирование по наружной поверхности и плоскости; б) оправка – базирование по отверстию и торцу [1].

Для уменьшения числа зажимных элементов целесообразно зажимать заготовку по поверхности Г одной быстросъемной шайбой и гайкой.

2.4 Расчет режимов резания и нормирование технологической операции

Рассчитаем режимы резания и произведем нормирование технологических переходов по обработке отверстий.

В связи с тем, что расчет режимов резания и основного времени для всех технологических переходов будет аналогичным, его целесообразно выполнить в форме таблицы 1.

Предварительно определим характеристику рядов подач и чисел вращения шпинделя радиально-сверлильного станка [4].

Для станка 2К522 пределы подач 0,056…0,32, число подач 4. Знаменатель подач 1,78. Исходя из значения знаменателя подач, получаем ряд чисел значений подач: 0,056, 0,1, 0,18, 0,32.

Пределы частоты вращения шпинделя 45…2000 мин-1, число ступеней частот вращения 12. Знаменатель частот вращения 1,41. Исходя из значения знаменателя частот вращения, получаем ряд чисел значений частот вращения: 45, 63, 90, 125, 180, 250, 355, 500, 710, 1000, 1400, 2000.

Расчет режимов резания для сверления отверстия диаметром 9 мм.

Глубина резания при сверлении определяется по формуле

, (1)

где D – диаметр просверливаемого отверстия, мм.

Подача при сверлении: So=0,2 мм/об [6].

Ближайшее значение подачи из ряда чисел: SoПР=0,18 мм/об.

Скорость резания определяется по формуле [6]

, (2)

где – соответственно, коэффициент постоянный и

показатели степени;

Т – период стойкости, мин;

Кv – коэффициент поправочный.

, (3)

где Кmv, Киv, Кlv – коэффициенты, учитывающие соответственно качество

обрабатываемого материала, инструментальный материал,

глубину сверления.

(4)

где Кг – поправочный коэффициент; [9], с.262;

σВ – твёрдость обрабатываемого материала;

nv – показатель степени.

,

,

Частота вращения сверла определяется по формуле [6]

(5)

Ближайшее значение частоты вращения из ряда чисел: nПР=1400 мин-1.

Действительная скорость резания определяется по формуле [6]

(6)

Крутящий момент при сверлении определяется по формуле [6]

, (7)

где – соответственно, коэффициент постоянный и показатели

степени;

Кр – коэффициент, учитывающий фактические условия обработки.

,

Осевая сила при сверлении определяется по формуле [6]

, (8)

где – соответственно, коэффициент постоянный и показатели

степени.

Мощность резания определяется по формуле [6]

(9)

Проверка режимов резания по мощности привода главного движения

, (10)

где Nшп – мощность шпинделя станка 2К522, кВт.

, (11)

где Nд – мощность двигателя, кВт [5].

Установленные режимы резания можно осуществлять на данном станке.

Основное время определяется по формуле

, (12)

где L – длина хода инструмента, мм;

i – количество обрабатываемых отверстий.

, (13)

где l – глубина обрабатываемого отверстия, мм;

l1 – величина врезания, мм; [7], с.206;

l2 – величина перебега, мм; [7], с.206.

,

Аналогично выполняются расчеты режимов резания и основного времени для зенкерования и развертывания [8]. Результаты расчетов сводятся в таблицу 1.

Таблица 1. Расчет режимов резания и основного времени

Наименование технологических

переходов

LРЕЗ, мм

у+у1, мм

So, мм/об

φХ

φХПР

SoПР, мм/об

VИ, м/мин

V, м/мин

n,

мин-1

nПР,

мин-1

То, мин

Сверление восьми отверстий Ø9

15

5

0,2

1,78

1,8

0,18

39,56

40,29

1425,69

1400

0,64

Зенкерование восьми отверстий Ø9,8

15

3

0,22

1,78

1,8

0,18

21,85

24

779,93

710

1,13

Развертывание восьми отверстий Ø10Н8

15

9

0,45

3,17

3,2

0,32

7,85

8

254,78

250

2,4

Итого

4,17