Материал: Захаров, Сайфутдинов - Вычислительная техника

Внимание! Если размещение файла нарушает Ваши авторские права, то обязательно сообщите нам

 

 

 

 

2R

 

 

a0

 

a 0

 

 

 

 

 

2R

 

 

R0

 

 

 

 

 

 

 

 

 

a1

 

a 1

 

R

 

 

 

2R

 

 

R1

 

 

 

 

 

 

 

 

 

 

 

... ...

 

...

... ...

an-1

...

a n-1

R

 

2R

 

R n-1

U

o

U

o

 

 

 

U

2R

 

U

 

 

max

 

 

 

 

 

 

max

 

 

 

 

 

 

а

 

 

б

 

Рис. 5.1. Схемы ПКН с двоично взвешенными резистивными цепями (а)

имногозвенной резистивной цепью типа R-2R (б)

Впервой схеме (рис. 5.1, а) при аi = 1 коэффициент передачи напряжения Кi = Ui / Umax определяется отношением проводимости Yi = I / Ri к суммарной прово-

n 1

димости всей цепи Y = Yi . Значения сопротивлений Ri в этой схеме задаются сле-

i 0

дующим образом: Rn-1 = R, Rn-2 = 2R, Ri = 2n-i-1R, ..., R0 = 2n-1R.

Тогда

 

1

n 1

 

2

Y =

 

2

(n i 1)

 

R

 

R i 0

 

 

и, следовательно, Кi = Ui / Umax =Yi /Y = 1/2n-i . Это значит, что заданная совокупность сопротивлений удовлетворяет соотношению (5.2), которое определяет правило формирования коэффициентов передачи эталонного напряжения на выход ПКН.

По второй схеме ПКН (рис. 5.1, б) необходимый коэффициент передачи эталонного напряжения образуется с помощью многозвенного делителя напряжения.

101

В этой схеме коэффициент передачи напряжения от любого звена к следующему равен 1/2, за исключением последнего звена, где коэффициент равен 1/3.

Результирующий коэффициент передачи от i-гo звена на выход

Кi = Ui / Umax =

1

 

1 n i 1

 

2

 

1 n i

(5.3)

3

 

2

 

3

 

2

.

 

 

 

 

 

 

 

Таким образом, схема (рис. 5.1, б) также обеспечивает требуемое правило формирования коэффициентов, определяемое соотношением (5.3). Такая схема имеет коэффициент использования эталонного напряжения 2/3, в отличие от схемы (рис. 5.13, а), в которой этот коэффициент равен 1.

Однако, несмотря на этот недостаток и на большое число элементов схемы, преимуществом схемы ПКН с резистивной цепью типа R-2R является то, что для выполнения такой схемы требуется всего два номинала резисторов. Это существенно упрощает практическую реализацию таких схем, особенно при большой разрядности схем ПКН, когда предъявляются высокие требования к точности подбора номиналов резисторов. Поэтому схемы ПКН, использующие резистивные цепи типа R-2R, широко применяются на практике.

Одной из важнейших задач, связанных с разработкой и применением ПКН, является обеспечение требуемой скорости преобразования, или быстродействия схемы. Это важно тогда, когда ПКН является элементом более сложных устройств, например, преобразователей напряжения в код, характеристики которых в значительной степени зависят от характеристик используемых в них ПКН.

В рассмотренных схемах ПКН время выполнения операции преобразования определяется быстродействием ключевых схем и переходными процессами в резистивных цепях, обусловленными наличием паразитных емкостей. Второй фактор для этих схем является основным, так как значения сопротивлений обычно выбирают довольно большими, чтобы пренебречь погрешностями, вносимыми конечным сопротивлением электронных ключей. Следует отметить, что схема (рис. 5.1, б) обладает более низким быстродействием, чем схема (рис. 5.1, а), так как содержит больше паразитных емкостей и в ней используется многозвенный принцип передачи напряжения. Этот недостаток схемы с резистивной цепью типа R-2R является причиной того, что схеме с двоично взвешенной резистивной цепью нередко отдается предпочтение в практических применениях.

102

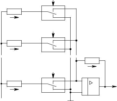
Для обеспечения более высокой скорости преобразования на практике используются схемы ПКН, основанные на принципе суммирования токов (рис. 5. 2).

a0

R0

 

I0

 

 

R1

a1

 

 

...

I1

... ...

 

Rn-1

an-1

 

o

 

 

 

In-1

 

oUmax

 

Roc

Ioc

 

U

Рис. 5.2. Схема ПКН с суммированием токов

Такая схема отличается от рассмотренных расположением ключевых элементов и наличием ОУ с отрицательной обратной связью. Благодаря большим значениям коэффициента усиления и входного сопротивления ОУ, можно считать, что напряжение на его входе и входной ток ОУ близки к нулю. Следовательно все токи ik, текущие через элементы резистивной цепи, уравновешиваются током Ioc, текущем в цепи обратной связи, и выходное напряжение ПКН равно

n 1

 

U(N) = Roc Ioc = R oc a k ik ,

(5.4)

k 0

т. е. операционный усилитель выполняет операцию суммирования токов, которые определяются значениями сопротивлений в тех разрядах ПКН, где а = 1. Значения сопротивлений в схеме выбирают согласно правилу

Rk = Rn-1 2n-k-1.

При этом

n 1

Umax

 

2R oc

n 1

1

 

 

U(N) = Roc a k

 

Umax a k

,

(5.5)

R k

R n 1

2n k

k 0

 

k 0

 

 

103

т. е. выполняемая этой схемой операция есть операция преобразования двоичного кода в напряжение, описанное с помощью выражений (5.2 – 5.3).

Преимуществом схемы ПКН, использующей принцип суммирования токов, является ее более высокое быстродействие. Это объясняется тем, что в этой схеме токи, проходящие через резисторы, практически не меняются при изменении состояния ключей, так как входные напряжения и ток операционного усилителя близки к нулю, а это означает, что паразитные емкости при переключениях ключей не перезаряжаются.

5.2.Аналого-цифровые преобразователи

Воснове построения преобразователей напряжение-код (ПНК) лежат в основном три известных принципа преобразования, определяющих алгоритм функционирования и структуру соответствующих устройств последовательного счета, поразрядного кодирования, считывания. Согласно этой классификации рассмотрим три основные разновидности схем ПНК.

Принцип последовательного счета реализуется с помощью схемы, представленной на рис. 5.3.

 

 

 

 

 

 

 

 

 

 

 

 

 

 

 

 

 

 

 

 

 

N

t н

 

 

 

 

 

 

 

 

 

 

 

 

R

CT

 

1

 

 

 

 

 

 

 

 

 

 

 

 

 

 

 

 

 

 

 

 

 

 

 

 

 

 

 

 

 

 

 

 

 

 

 

 

 

Q

 

 

 

 

 

 

...

...

 

 

 

S

T

&

 

 

 

C

 

 

 

 

 

 

 

 

 

 

 

 

 

 

 

 

 

 

 

 

 

 

 

 

 

 

 

 

n

 

 

 

 

 

 

 

 

 

 

 

 

 

 

 

 

 

 

 

 

 

 

 

 

 

 

 

R

 

 

 

 

 

 

 

 

 

 

 

 

 

 

 

 

 

 

 

 

 

 

 

 

 

 

 

 

 

 

 

 

 

 

 

 

 

 

 

 

 

 

 

 

 

 

 

 

 

 

 

 

 

 

 

 

 

 

 

 

 

 

 

 

 

 

 

 

 

 

 

 

 

 

 

 

 

 

 

 

 

 

 

 

 

 

 

 

 

 

 

 

 

 

 

 

 

 

 

Uвх

 

 

 

 

 

 

 

 

 

 

 

 

 

 

 

 

 

 

=

=

 

 

 

 

G

 

 

 

 

 

 

 

 

 

 

 

 

 

 

 

 

 

 

 

 

 

 

 

 

 

 

 

 

 

 

 

Uэ

 

 

 

 

 

 

 

ПКН

...

 

 

 

 

 

 

 

 

 

 

 

 

 

 

 

 

 

 

 

 

 

 

 

 

 

 

 

 

 

 

 

 

 

 

 

 

 

 

 

 

 

 

 

 

 

 

 

 

 

 

 

 

 

 

 

 

 

 

 

 

 

 

 

 

 

 

 

 

 

 

 

 

 

 

 

 

 

 

 

 

 

 

 

 

 

 

 

 

 

 

 

 

 

 

 

 

 

 

 

 

 

 

 

 

 

 

 

 

 

 

 

 

 

 

 

 

 

 

 

 

 

Рис. 5.3. Функциональная схема АЦП последовательного счета

104

Он состоит в сравнении входного напряжения Uвх с последовательно нарастающим эталонным напряжением Uэ(t), представляющим собой сумму «квантов» U, которые определяют погрешность преобразования.

Ступенчатое напряжение Uэ(t) формируется с помощью ПКН и двоичного счетчика СТ, последовательно изменяющего свое состояние, начиная от момента обнуления импульсом tн, соответствующим началу операции преобразования. В момент совпадения эталонного напряжения Uэ(tk) = N U с входным напряжением Uвх (с точностью до «кванта» U) схема сравнения вырабатывает импульс, поступающий на вход R триггера Т, и останавливающий счетчик путем подачи запрещающего сигнала с выхода Q триггера на схему совпадений, пропускающую на счетчик импульсы тактового генератора G. Этот момент времени соответствует окончанию операции преобразования (импульсы tk) на временной диаграмме работы схемы (рис. 5.4).

tн

 

 

t

С

 

 

t

Uвх

Uэ

 

U

t

tк

 

пр

t

Т

 

Рис. 5.4. Временная диаграмма работы АЦП последовательного счета

Погрешность преобразования в такой схеме определяется значением U, которое, в свою очередь, зависит от точности ПКН и чувствительности схемы сравнения. Диапазон преобразования определяется разрядностью счетчика и ПКН, т. к. максимально допустимое значение входного напряжения Umax = U(2n – 1) U2n.

105