Материал: Выполнение работ по разборке, ремонту и сборке автомобиля

Внимание! Если размещение файла нарушает Ваши авторские права, то обязательно сообщите нам

Для обеспечения автоматической установки щеток в исходное положение после выключения стеклоочистителя в моторедукторе имеется механизм самоостанова. В момент возвращения щеток в исходное положение концевой выключатель, который работает параллельно основному переключателю, обесточивает цепь, и моторедуктор останавливается. В цепи электродвигателя имеется биметаллический предохранитель, который служит для защиты электродвигателя от перегрузок при большом сопротивлении перемещению щеток (в результате примерзания щеток, попадания в привод постороннего предмета и т. п. ).

Полость моторедуктора заполняется пластичной смазкой, рассчитанной на весь срок эксплуатации автомобиля. Режимы работы стеклоочистителя включаются и переключаются правым рычагом подрулевого переключателя (на автомобиле ИЖ-21251 - отдельным выключателем стеклоочистителя и омывателя, расположенным на панели приборов). При перемещении рычага вверх он займет первое нефиксированное положение, и стеклоочиститель будет работать в режиме кратковременной очистки при незначительном загрязнении стекла. Следующие (уже фиксированные) последовательные положения будут соответствовать работе в режимах малой скорости перемещения щеток, повышенной скорости и в прерывистом режиме движения щеток с включением специального реле-прерывателя, обеспечивающего прерывистую работу щеток - 14 циклов в минуту.

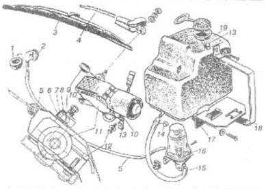
Рис. 189. Стеклоомыватель с однощеточным стеклоочистителем ветрового стекла автомобиля ЗАЗ-1102:

- нагнетательный шланг; 2 - жиклер-распылитель в сборе; 3 - рычаг щетки; 4 - щетка; 5 и 7 - держатели бачка и крышки; 6 - бачок; 8 - электронасос; 9 - фильтр; 10 и 12 - втулки; 11 - заборный шланг; 13 -металлический захват; 14 - моторедуктор

Однощеточный стеклоочиститель ветрового стекла автомобиля ЗАЗ-1102 (рис. 189) двухскоростной, по конструкции аналогичен описанному двухщеточному стеклоочистителю и отличается от него отсутствием промежуточных тяг.

Рис. 190. Стеклоочиститель и омыватель двери задка автомобиля ЗАЗ-1102:

и 5 - держатель и шланг жиклера-распылителя; 2 - жиклер-распылитель в сборе; i - щетка; 4 - рычаг; 6 и 9 - соответственно плоская и угаютнителыш шайбы; 7 - гайка крепления моторедуктора к наружной панели двери; S - защитный колпачок; 10 - дистанционная втулка; 11 - моторедукгор в сборе; 12 - бол крепления моторедуктора; 13 - пластинчатая гайка; 14 - фильтр; 15 - шлам бачка; 16 - мотонасос; 17 - кронштейн; 18 - хомут; 19 - бачок

Однощеточный стеклоочиститель стекла двери задка (рис. 190), устанавливаемый на переднеприводных автомобилях, по конструкции аналогичен однощеточному стеклоочистителю ветрового стекла и устанавливается в багажном отделении.

На части автомобилей устанавливаются в принципе аналогичные по устройству стеклоочистители фар. Они состоят из левого и правого моторедукторов с рычагами привода и щеток. Моторедукторы неразборные и ремонту не подлежат. При отказе в работе их заменяют новыми.

На автомобилях ВАЗ-2109 электронасос размещается так же, как и у автомобиля ЗАЗ-1102 вне бачка, а на остальных автомобилях - непосредственно в бачке. На всех автомобилях, кроме ЗАЗ-1102, подача жидкости на ветровое стекло осуществляется двумя жиклерами-распылителями. В летний период в бачок заливается чистая вода, а в холодное время - специальная незамерзающая жидкость.

Система отопления и вентиляции кузова предназначена для вентиляции салона предупредительным потоком свежего воздуха, а в холодное время - и для обогрева салона, ветрового стекла и стекол передних дверей теплым воздухом, нагретым жидкостью из системы охлаждения двигателя.

Основным элементом системы отопления и вентиляции является отопитель, который состоит из радиатора и элекгровентилятора. К радиатору отопителя при помощи шлангов подводится жидкость из системы охлаждения двигателя, поступление которой ограничивается специальным краником отопителя. Управление краником отопителя осуществляется при помощи соответствующей ручки управления на панели приборов. Отопитель имеет воздуховоды для подвода холодного воздуха и распределения нагретого отопителем воздуха для обогрева пассажиров и стекол кузова.

Нагрев холодного воздуха осуществляется за счет соприкосновения его с нагретым радиатором отопителя. Для увеличения интенсивности потока нагретого воздуха, поступающего в салон автомобиля, служит электровентилятор, который имеет ступенчатую регулировку частоты вращения, обеспечивающую увеличение или уменьшение подачи воздуха.

Рассмотрим конструктивные особенности систем вентиляции и отопления кузовов изучаемых автомобилей.

Рис. 184. Система отопления и вентиляции кузова автомобиля ВАЗ-2109:

- заслонка управления отопителем; 2 - шланги подсоединения радиатора отопителя; 3 - входной и выходной шланги подсоединения крана отопителя к системе охлаждения; 4 - краник; 5 - радиатор; 6 - уплотнитель; 7 - алеюровентилятор; 8 - воздухопровод обогрева ветрового стекла; 9 и 10 - заслонки обогревателя; 11 - заслонка центрального сопла; 12 - центральные сопла; 13 и 14 - рукоятки подачи воздуха соответственно на ветровое стекло и нош водителя и пассажиров; 15 - рукоятка управления отопителем; 16 и 17 - тяги заслонок обогрева ветрового стекла и ног; 18 - тяга рукоятки управления отопителем; 19 - тяга управления краном; 20 - окно в кожухе отопителя; 21 - воздухопровод внутренней вентиляции

Система отопления и вентиляции кузова автомобиля ВАЗ-2109 (рис. 184) включает в себя радиатор 5 со шлангами 2, 3 и краником 4, электровентилятор 7 и систему воздухопроводов с заслонками, управляемые рукоятками 13-15 при помощи тяг 16-19. В теплую погоду воздух снаружи может поступать в салон кузова для его вентиляции через: окна при опущенных стеклах боковых дверей; верхние щели на панели комбинации приборов путем перемещения рукоятки 14 вправо, а рукоятки 13 влево; боковые и центральные сопла при открытых заслонках и тех же перемещениях рукояток 13 и 14; окна 20 в кожух отопителя с перемещением рукоятки 14 влево.

Приток свежего воздуха в салон при движении автомобиля на малой скорости можно увеличить путем включения электровентилятора 7 в положение, когда он подает воздух, минуя радиатор отопления.

Управление отопителем для обогрева в холодную погоду осуществляется заслонкой 1, рычаг которой соединен при помощи тяги 18 с рукояткой 15. Эта рукоятка также соединена тягой 19 с рычагом крана 4 отопителя. Перемещением рукоятки 15 вправо кран и заслонка 1 открываются, через радиатор 5 будет циркулировать горячая вода из системы охлаждения двигателя и проходить воздух для обогрева салона. При перемещении рукоятки 15 в обратную сторону кран и заслонка закрываются, циркуляция горячей воды и воздуха через радиатор отопителя прекращается.

Когда кран и заслонка 1 открыты, нагретый воздух может поступать по воздухопроводу 8 на обогрев ветрового стекла, а также в салон кузова через боковые и центральлные сопла 12. Одновременно по воздухопроводу 21 и через окно 20 воздух может подаваться к ногам передних и задних пассажиров и водителя (регулируется рукояткой 14, соединенной с рьиагом заслонки 10). Обогрев ветрового стекла регулируется заслонкой 9 при помощи рукоятки 13. Поток нагретого воздуха можно усиливать включением электровентилятора 7 с тремя частотами вращения.

10. Сборка, установка и регулировка агрегатов доп. оборудования автомобилей

Увеличенный топливный бак

Увеличенный топливный бак повышает запас хода автомобиля. Если автомобиль оснащается автономным обогревателем или сигнализацией с автозапуском, то его полезно оснастить баком увеличенного объёма. Кроме того, если автомобиль подвергается интенсивной эксплуатации (особенно в отрыве от АЗС с качественным топливом), то увеличенный топливный бак позволит реже заправляться на незнакомых АЗС.

Рулевое колесо с подогревом

Рулевое колесо с подогревом оценят водители, автомобили которых стоят во дворе под окнами. Иногда, в сильные морозы (или когда зябко) руль весьма и весьма сильно холодит руки. В этом случае подогрев руля был бы очень кстати.

Панорамный люк

Отношение к люкам всегда несколько сложное. Особенно после того, как в рекламе заявили «наши люки не текут». Видимо чьи-то люки текут? В чём смысл люка, особенно панорамного? Скорее всего, люк позволяет наслаждаться тёплым ветерком при движении на небольшой скорости. Возможно, люк необходим курильщику. Неплохо иметь люк в том случае, когда автомобиль целый день простоял на солнце. В этом случае достаточно открыть люк и раскаленный воздух выйдет из-под крыши автомобиля, а начало движения позволит ветру активно вентилировать салон.

Некоторые производители автомобилей встраивают в люк солнечную батарею для того, чтобы от электричества, которое она вырабатывает, питать вентилятор климатической установки автомобиля. Представьте, автомобиль стоит на солнцепёке и, чем ярче светит солнце, тем больше электрической энергии вырабатывает солнечная батарея. Здорово! А когда солнце скроется за тучей, то и вентилировать салон не будет особой нужды.

Если панорамный люк расположен настолько удобно что, стоя на полу (а не на сиденьях) из него можно высунуться, тогда фотограф (или видеооператор) сможет получить снимок с верхней точки.

С другой стороны, вряд ли кто-то захочет открывать люк на природе летом в местности, где в воздухе полно комаров, москитов, слепней и оводов. Или там, где преобладает дождливая слякотная погода.

Передние сиденья с функцией активного климат-контроля

Активный климат-контроль подразумевает не только подогрев сидений, но и их охлаждение. Надо или нет? Может быть очень полезным при поездках на Юг. Стоит ли эта система своих денег? Конечно, ведь за комфорт приходится платить.

Центральный замок с доступом «без ключа»

Если приходится совершать много коротких поездок в течение дня и при этом постоянно заходить и выходить из автомобиля, то эта система будет весьма актуальна. А если есть возможность открывать только дверь водителя, то ещё лучше.

Можно провести аналогию со съемной передней панелью автомагнитолы. Первое время панель снимают при выходе и ставят перед поездкой. Если поездок по городу много и везде надо выходить из автомобиля, то переднюю панель магнитолы либо кладут в перчаточный ящик, либо носят с собой в сумке, но не ставят каждый раз. Не удобно! Поэтому, при выборе следующего автомобиля, предпочитают несъемную магнитолу, интегрированную в торпедо. То же самое с центральным замком с доступом «без ключа». Подошел к автомобилю, открыл, сел, нажал кнопку запуска двигателя, завел и поехал. Приехал, выключил зажигание, вышел и ушел.

Если же поездок немного (и поездки обычно дальние) или в автомобиле всегда остаются пассажиры, то можно не переплачивать за подобную систему.

Лобовое стекло с электроподогревом

Лобовое стекло с электроподогревом отличная штука. В любую непогоду стекло с подогревом значительно упрощает жизнь автомобилиста. Независимо от того, замёрз снег и лёд снаружи стекла, или стекло запотело (покрылось инеем) изнутри, достаточно включить электрический подогрев и стекло очищается. Чтобы не расходовать излишнюю электроэнергию, в цепи подогрева лобового стекла установлен таймер, который отключит нагрев через 10-15 минут. Сравнительно не дорого стоит, а пользы много.

Коленная подушка безопасности водителя

Коленная подушка безопасности предотвращает характерную травму водителя - удар коленями о рулевую колонку. Стоит совсем не много. Полезно поставить.

Рейлинги с поперечными дугами

Если часто ездить на рыбалку (на охоту) или заниматься горными лыжами (сноубордом), рейлинги с поперечными дугами могут оказаться весьма полезным дополнительным оборудованием. Рейлинги с поперечными дугами позволяют поместить длинномерное оборудование (лыжи, удочки, вёсла и т.п.) на крыше.

Многие современные автомобили комплектуются не полноразмерным запасным колесом, а «докаткой», которая часто находится в спущенном виде. На место, предусмотренное для «докатки» нельзя положить полноразмерное колесо - оно не входит. Положить грязное колесо в элегантный светлый салон можно, но оно испачкает обивку. Лучше положить снятое колесо на рейлинги с поперечными дугами и крепко привязать. Кстати именно поэтому у серьёзной внедорожной техники запасное колесо располагается под полом багажника или навешивается сзади.

Парковочные датчики передние и задние

Передние и задние парковочные датчики очень полезны при маневрировании в условиях ограниченного пространства. Обычно парковочные датчики автоматически активируются при включении передачи заднего хода. Некоторые автомобили позволяют включить парковочные датчики произвольно, например, при медленном движении в пробке.

Парковочные датчики передние и задние обычно автоматически выключаются при достижении автомобилем скорости 20 км/час.

При отрицательных температурах парковочные датчики могут замёрзнуть и работать неправильно. Однако в последнее время парковочные датчики и программное обеспечение были усовершенствованы.

Парковочные датчики передние и задние и камера заднего обзора

В последнее время парковочные датчики дополняют камерой заднего обзора, которую можно использовать, например, для того, чтобы подвести сцепное устройство автомобиля к сцепному устройству прицепа. Те, кому приходится часто возить прицеп с катером, лодкой, квадроциклом или иным грузом оценят камеру заднего вида по достоинству.

Камера заднего обзора не исключает парковочные датчики потому, что в конце длительной поездки объектив камеры может быть покрыт грязью или снегом.

Парковочные датчики передние и задние и камеры кругового обзора

Камеры кругового обзора используются например, для того, чтобы оценить обстановку на дороге, особенно при выезде из-под арки на улицу с интенсивным движением.

Аудио система класса Hi-Fi

По статистике люди стали больше времени проводить в автомобилях. Безусловно, теперь востребован определенный комфорт, в том числе и акустический. Разумным вложением средств является установка в автомобиль аудио системы класса Hi-Fi. Это представляется тем более разумным, что подобная система в некоторых автомобилях стоит меньше панорамного люка!

Шторки безопасности спереди и сзади

Экономить на безопасности не следует. Стоят как две коленные подушки безопасности, а, при случае, могут жизнь спасти.

Дизайн-пакеты

Всё, что связано с красотой и дизайном носит весьма субъективный характер, к тому же автомобили и в базовой комплектации не выглядят совсем уж уродливыми. А стоят эти дизайн-пакеты больше, чем стояночный отопитель, который может очень выручать в холодную зиму.

Дистанционное управление приводом двери багажника

Дистанционное управление электроприводом двери багажного отделения (открывание и закрывание). Картина маслом: слякоть, осень, подходим к автомобилю с руками, занятыми пакетами или коробками, которые так не хочется ставить в грязь, нажимаем кнопку брелка или машем ногой под задним бампером и…. О, чудо! Багажник открывается. Очень полезный и весьма востребованный элемент дополнительного оборудования.

Стояночный отопитель

Стояночный отопитель остаётся несколько недооценённым, возможно это связано с недостаточной информированностью. Очень полезный вид дополнительного оборудования.