Содержание
Аннотация
Введение
1. Составление структурной схемы
2. Выбор числа и мощности трансформаторов связи
2.1 Выбор трансформаторов связи для первого варианта
2.1.1 Выбор трансформатора связи
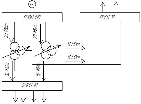
2.1.2 Схема перетоков мощности
2.1.3 Построение графиков нагрузки
2.2 Выбор трансформаторов связи для второго варианта
2.2.1 Выбор трансформатора связи
2.2.2 Схема перетоков мощности
2.2.3 Построение графиков нагрузки
3. Расчет количества линий
4. Выбор схем распределительных устройств
4.1 Выбор схем распределительных устройств для первого варианта
4.2 Выбор схем распределительных устройств для второго варианта
5. Технико-экономическое сравнение вариантов
5.1 Расчет капитальных затрат для варианта №1
5.2 Расчет капитальных затрат для варианта №2
6. Выбор схемы собственных нужд подстанции
7. Расчет токов короткого замыкания
7.1 Составление расчетной схемы
7.2 Расчет тока короткого замыкания в точке К1
7.3 Расчет тока короткого замыкания в точке К2
7.4 Расчет тока короткого замыкания в точке К3 с выключенным QB
7.5 Расчет тока короткого замыкания в точке К3 с включенным QB
8. Выбор выключателей и разъединителей
8.1 Выбор выключателей и разъединителей 110кВ
8.2 Выбор выключателей и разъединителей 35кВ
8.3 Выбор выключателей на 10 кВ
9. Выбор измерительных трансформаторов тока и напряжения
9.1 Выбор измерительных трансформаторов на стороне 110 кВ
9.2 Выбор измерительных трансформаторов на стороне 35 кВ
9.3 Выбор измерительных трансформаторов на стороне 10 кВ
10. Выбор токоведущих частей
10.1 Выбор сборных шин и токоведущих частей ЗРУ 110 кВ.
10.2 Выбор сборных шин и токоведущих частей ЗРУ 35 кВ.
10.3 Выбор сборных шин и токоведущих частей РУ 10 кВ.
11. Выбор конструкции распределительных устройств
Список литературы
В данном курсовом проекте разрабатывается тупиковая подстанция 110/35/10 кВ. Связь с системой по ВЛ 110 кВ. Потребителем является предприятие химической промышленности.
Изначально представлены два варианта исполнения. Для обоих вариантов выбирается основное оборудование (трансформаторы связи и их количество). После выбора схем распределительных устройств для высокого, среднего и низкого напряжений производится технико-экономическое сравнение вариантов. Исходя из данного сравнения определяется более дешевый и надежный вариант. Для выбранной схемы производятся дальнейшие расчеты: расчет токов короткого замыкания, выбор оборудования (трансформаторы собственных нужд, выключатели, разъединители, измерительные трансформаторы тока и напряжения, токоведущие части) и описание конструкции РУ.
Графическая часть курсового проекта содержит чертежи полной принципиальной схемы подстанции и разреза ячейки РУ. К чертежам прилагаются спецификации.
распределительное устройство подстанция мощность
Первые электрические станции и электроустановки в нашей стране стали строиться в конце XIX века. Их появлению способствовали значительные достижения в электротехнике: изобретение генераторов, дуговой лампы (свечи Яблочкова), создание А.Н. Лодыгиным более совершенной лампы накаливания, осуществление трансформации переменного тока, решение проблемы передачи электроэнергии на дальние расстояния. В период бурного развития капитализма в России, наступившего после отмены крепостного права и проведения либеральных реформ 60-70-х годов XIX в., эти технические открытия стали внедряться в производство. В 70-х годах прошлого столетия на Нижне-Алдинском металлургическом заводе создается одна из первых отечественных электроустановок, используемая для освещения заводской конторы. В 1882-1883 годах на реке Мойка в Петербурге была построена одна из первых российских электростанций, вырабатывающая ток для общественных потребностей. На этой станции действовали 3 паровых локомобиля и 12 динамо-машин, которые обслуживал 21 рабочий.
БАШКИРЭНЕРГО:
Башкирское открытое акционерное общество энергетики и электрификации "Башкирэнерго" учреждено 30 октября 1992 года.
Сфера деятельности - производство электрической и тепловой энергии; ремонт и техническое обслуживание энергетического оборудования.
ОАО "Башкирэнерго" - одна из крупнейших региональных энергетических систем России. Установленная электрическая мощность составляет 4 295 МВт, установленная тепловая мощность - 13 141 Гкал/ч.
В составе генерирующих мощностей энергосистемы Республики Башкортостан - одна государственная районная электрическая станция (ГРЭС), десять теплоэлектроцентралей (ТЭЦ), в том числе газопоршневая Зауральская ТЭЦ, две гидроэлектростанции (ГЭС), пять газотурбинных установок, шесть газопоршневых агрегатов, одна ветроэлектростанция и cемь малых ГЭС.
Общее количество бытовых потребителей на 01.07.2010 года составляет 1 191 452.
В "Башкирэнерго" созданы достаточно мощные структуры, позволяющие решать вспомогательные задачи, так называемое сервисное обслуживание: Энергоремонт, Энергосвязь, Энергостройремонт, Энерготехсервис, Энергоавтоматика, Энергоснабкомплект, АТХ, Энергонадзор и др. Каждое из них имеет сложившуюся организационную структуру и определенные успехи в решении поставленных задач.
ТУПИКОВАЯ ПС
Тупиковая ПС - это ПС, получающая электроэнергию от одной электроустановки высшего напряжения к ЭУ потребителей с минимальным количеством ступеней промежуточной трансформации и аппаратов.
Подстанции (ПС) предназначены для приёма, преобразования и распре-
деления электроэнергии.
Схема подстанции тесно увязывается с назначением и способом присоединения подстанции к питающей сети и должна:
обеспечивать надёжность электроснабжения потребителей подстанции и перетоков мощности по межсистемным или магистральным связям в нормальном и в послеаварийном режимах;
учитывать перспективу развития;
допускать возможность постепенного расширения РУ всех напряжений;
учитывать требования противоаварийной автоматики;
Главная схема электрических соединений подстанции является
тем основным элементом, который определяет все свойства, особенности и
техническую характеристику подстанции в целом.
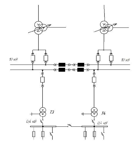
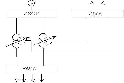
При проектировании ПС до составления главной схемы ПС составляются две структурные схемы, на которых обозначены основные функциональные части ПС и связь между ними.
Вариант 1.
Рис.1 Структурная схема 1.
Связь между РУ осуществляется двумя трехобмоточными трансформаторами.
Вариант 2.
Связь между РУ осуществляется четырьмя двухобмоточными
трансформаторами.
Согласно НТП [2], рекомендуется устанавливать на ПС два параллельно работающих трансформатора связи с РПН, чтобы в случае отключения одного из них оставшийся в работе смог частично или полностью обеспечить потребителей электроэнергией. Также согласно НТП [2], установка трех и более трансформаторов, как правило, нецелесообразно, так как приводит к существенному увеличению капитальных вложений в схему РУ.
Выбор числа и мощности трансформаторов связи на подстанциях
производится согласно следующим условиям:
.
Определим Smax:
(2.2), где
Выбираем трансформатор ТДТН-63000/110 [3]
) 115кВ≥110кВ
) 38,5кВ≥35кВ
) 11кВ≥10кВ
) 63МВА≥43МВА
Таблица 2.1 - Технические данные силового трансформатора
Тип тр-ра
Sн, т МВА
Напряжение обмоток, Кв
Потери, кВт
Uн,, %
Цена, Тыс. руб.
ВН
СН
НН
Pхх
Pкз
ВН-СН
ВН-НН
СН-НН
ТДТН-63000/110
63
115
38,5
10.5
56
290
10,5
17
6,5
37800
Проверяем выбранный трансформатор в режиме аварийного
отключения другого параллельно работающего трансформатора, при 40% -м перегрузе
данного трансформатора:
где Sн, т - номинальная мощность трансформатора
Следовательно, трансформатор ТДТН-63000/110 подходит
Данный трансформатор является трёхфазным, трехобмоточным, с
масляным охлаждением с естественной циркуляцией масла и дутьем, с устройством
регулирования напряжения под нагрузкой (РПН).
Согласно заданию, принимаются типовые графики промышленных
предприятий - потребителей. Согласно с достаточной точностью для учебного
проектирования можно ограничиться построением только графиков активной
мощности. В этом случае принимается, что cosj в течение суток остается
постоянным и полная нагрузка в любой час суток определяется по формуле
Строим суточные графики:
Для РУСН:
Принимаем типичные графики нагрузок для предприятия химической
промышленности для зимних и летних суток. Приравняв Pmax=22 МВТ=100%, построим графики в
именованных величинах для нагрузок подстанции. Проведя относительную линию
номинальной нагрузки (K=1), можно заметить, что даже в "часы пик"
трансформатор не догружен.
Для РУНН:max=32 МВТ=100%
Для РУВН:
Суммарная мощность: Pmax= Pmax,
сн + Pmax, нн =22+32=54 МВт
Построим годовой график
Исходными данными для построения годовых графиков являются графики
зимних и летних суток и условное количество зимних "nз” и летних "nл”
суток. При построении годового графика подсчитывается продолжительность
действия каждой ступени нагрузки в течение года. По вертикальной оси
откладываем значения нагрузки, а по горизонтальной - продолжительность данной
нагрузки в течение года. Предполагаем, что по зимнему графику потребитель
работает 183 суток, а по летнему - в течение 182 суток.
Определим параметры годового графика (количество часов работы при
той или иной нагрузке в течение года - Ti):
T54=183*
(1,8+1,8) =658,8 часов
T51,4=183*
(0,8+4) =878,4 часов
Т49,6=183* (1+1) =366 часов
Т46,2=183* (3,4+2,4+2,6) =1537,2 часов
Т43,6=183* (3,2+2) +182 (1,8+1,8) =1606,8 часов
Т41=182* (0,8+4) =873,6 часа
Т39,3=182* (1+1) =364 часов
Т35,8=182* (3,4+2,4+2,6) =1528,8 часа
Т33,2=182* (3,2+2) =946,4 часов
По полученным данным строим годовой график нагрузок:
Площадь, ограниченная кривой P (t) и координатными осями, в определенном
масштабе представляет собой количество полученной потребителем электроэнергии
(W):
График нагрузки удобно характеризовать показателем, который
называется временем (продолжительностью) использования максимальной нагрузки Тmax. Величина Тmax является одним из характерных параметров годового графика.
Она определяет такое условное время Тmax < 8760 ч, в течение которого, работая с максимальной
неизменной нагрузкой Smax,
потребитель получил бы из сети такое же количество электроэнергии, как и при
работе по действительному изменяющемуся в течение года графику нагрузки.
Продолжительность использования максимальной нагрузки можно
определить по выражению:
Величина Тmax играет
большую роль в расчетах электропотребления, при определении годового расхода и
потерь электроэнергии, экономических нагрузок токоведущих элементов и др. Она
имеет определенное характерное значение для каждой отрасли промышленности и
отдельных видов предприятий и потребителей.
Определим Smax:
Для связи РУВН-РУСН:
Выбираем трансформатор ТДН-25000/110 [3]
) 115кВ≥110кВ
) 38,5кВ≥35кВ
) 25МВА≥17,5МВА
Таблица 2.1 - Технические данные силового трансформатора
Тип тр-ра
Sн, т МВА
Напряжение обмоток, Кв
Потери, кВт
Uн,, %
Цена, Тыс. руб.
ВН
СН
НН
Pхх
Pкз
ВН-СН
ВН-НН
СН-НН
ТДН-25000/110
25
115
-
38,5
25
120
-
10,5
-
21690
Проверяем выбранный трансформатор в режиме аварийного
отключения другого параллельно работающего трансформатора, при 40% -м перегрузе
данного трансформатора:
где Sн, т - номинальная мощность трансформатора
Следовательно, трансформатор ТДН-25000/110 подходит
Данный трансформатор является трёхфазным, двухобмоточным, с
масляным охлаждением с естественной циркуляцией масла и дутьем, с устройством
регулирования напряжения под нагрузкой (РПН).
Для связи РУВН-РУНН:
Выбираем трансформатор ТРДН-40000/110 [3]
) 115кВ≥110кВ
) 10,5кВ≥10кВ
) 40МВА≥36,37МВА
Таблица 2.1 - Технические данные силового трансформатора
Тип тр-ра
Sн, т МВА
Напряжение обмоток, Кв
Потери, кВт
Uн,, %
Цена, Тыс. руб.
ВН
СН
НН
Pхх
Pкз
ВН-СН
ВН-НН
СН-НН
ТРДН-40000/110
40
115
-
38,5
25
120
-
10,5
-
21690
Проверяем выбранный трансформатор в режиме аварийного
отключения другого параллельно работающего трансформатора, при 40% -м перегрузе
данного трансформатора:
где Sн, т - номинальная мощность трансформатора
Следовательно, трансформатор ТРДН-40000/110 подходит
Данный трансформатор является трёхфазным, двухобмоточным с
расщепленной обмоткой, масляным охлаждением с естественной циркуляцией масла и
дутьем и устройством регулирования напряжения под нагрузкой (РПН).
Согласно заданию, принимаются типовые графики промышленных
предприятий - потребителей. Согласно с достаточной точностью для учебного
проектирования можно ограничиться построением только графиков активной
мощности. В этом случае принимается, что cosj в течение суток остается
постоянным и полная нагрузка в любой час суток определяется по формуле
Строим суточные графики и годовые графики:
Для РУСН:
Принимаем типичные графики нагрузок для предприятия химической
промышленности для зимних и летних суток. Приравняв Pmax=22 МВТ=100%, построим графики в
именованных величинах для нагрузок подстанции. Проведя относительную линию
номинальной нагрузки (K=1), можно заметить, что даже в "часы пик"
трансформатор не перегружен.
Определим параметры годового графика (количество часов работы при
той или иной нагрузке в течение года - Ti):
T54=183*
(1,8+1,8) =658,8 часов
T51,4=183*
(0,8+4) =878,4 часов
Т49,6=183* (1+1) =366 часов
Т46,2=183* (3,4+2,4+2,6) =1537,2 часов
Т43,6=183* (3,2+2) +182 (1,8+1,8) =1606,8 часов
Т41=182* (0,8+4) =873,6 часа
Т39,3=182* (1+1) =364 часов
Т35,8=182* (3,4+2,4+2,6) =1528,8 часа
Т33,2=182* (3,2+2) =946,4 часов, По полученным данным строим годовой график нагрузок:
Для РУНН:max=32
МВТ=100%
Определим параметры годового графика (количество часов работы при
той или иной нагрузке в течение года - Ti):
T54=183*
(1,8+1,8) =658,8 часов
T51,4=183*
(0,8+4) =878,4 часов
Т49,6=183* (1+1) =366 часов
Т46,2=183* (3,4+2,4+2,6) =1537,2 часов
Т43,6=183* (3,2+2) +182 (1,8+1,8) =1606,8 часов
Т41=182* (0,8+4) =873,6 часа
Т39,3=182* (1+1) =364 часов
Т35,8=182* (3,4+2,4+2,6) =1528,8 часа
Т33,2=182* (3,2+2) =946,4 часов
По полученным данным строим годовой график нагрузок:
Расчет количества линий на высоком напряжении:
Расчет количества линий на среднем напряжении:
Расчет количества линий на низком напряжении:
Основные требования, предъявляемые к схемам:
Схемы РУ подстанций при конкретном проектировании
разрабатываются на основании схем развития энергосистемы, схем электроснабжения
района или объекта и других работ по развитию электрических сетей и должны:
обеспечить требуемую надежность электроснабжения потребителей
ПС в соответствии с категориями электроприемников в нормальном и послеаварийном
режимах;
учитывать перспективу развития ПС;
обеспечивать возможность и безопасность проведения ремонтных
и эксплуатационных работ на отдельных элементах схемы без отключения смежных
присоединений;
обеспечивать наглядность, экономичность и автоматичность.
Поскольку предприятие химической промышленности является,
согласно ПУЭ, электроприемником I категории - не допускается перерыв в электро
-
снабжении, схемы должны отвечать требованиям надежности.
На высоком напряжении 110 кВ:
Распределительное устройство высокого напряжения имеет четыре
присоединения. Согласно стандарту организации ОАО "ФСК ЕЭС" [5],
подходят две схемы РУ: схема "четырехугольник" и схема "мостик”.
схема четырехугольника является практически по всем показателям более
предпочтительной. Эта схема экономична, позволяет производить опробование и
ревизию любого выключателя без нарушения работы ее элементов; обладает высокой
надежностью. К достоинству можно отнести использование разъединителя только для
ремонтных работ. Недостатки схемы: сложный выбор трансформаторов тока,
выключателей и разъединителей, установленных в кольце, так как в зависимости от
режима работы схемы ток, протекающий по аппаратам, меняется.
Рисунок 4.1 - Схема РУВН "четырехугольник"
На среднем напряжении 35 кВ:
Распределительное устройство среднего напряжения имеет четыре
присоединения. Согласно стандарту организации ОАО "ФСК ЕЭС" [5],
подходит лишь схема "мостик”. Т.к. в задании не указано, принимаем что
линии короткие и применяем мостиковую схему с выключателем в цепях
трансформаторов и ремонтной перемычкой со стороны трансформаторов. Схема
отвечает всем требованиям, но не позволяет производить расширение.
Рисунок 4.2 - Схема РУВН "мостик"
На низком напряжении 10 кВ:
Согласно НТП, на низкой стороне выбираем схему с двумя
секционированными выключателями системами сборных шин. Для присоединения секций
шины в распределительном устройстве 6-10 кВ применяется два последовательно
включенных секционных выключателя. Согласно НТП, секционные выключатели
нормально отключены, для ограничения токов к. з.
Рисунок 4.3 - Схема РУНН с двумя секционированными
выключателями системами сборных шин
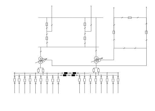
Рисунок 4.4 Неполная принципиальная схема. Вариант №1.
На высоком напряжении 110 кВ:
Распределительное устройство среднего напряжения имеет шесть
присоединений. Согласно стандартам на подстанции с шестью присоединениями
рекомендуется схема шестиугольника.
Рисунок 4.5 Схема "РУВН шестиугольник”
На среднем напряжении 35 кВ:
Распределительное устройство среднего напряжения имеет четыре
присоединения. Согласно стандарту организации ОАО "ФСК ЕЭС" [5],
подходит лишь схема "мостик”. Т.к. в задании не указано, принимаем что
линии короткие и применяем мостиковую схему с выключателем в цепях
трансформаторов и ремонтной перемычкой со стороны трансформаторов. Схема
отвечает всем требованиям, но не позволяет производить расширение.
Рисунок 4.6 - Схема РУВН "мостик"
На низком напряжении 10 кВ:
Согласно НТП, на низкой стороне выбираем схему с двумя
секционированными выключателями системами сборных шин. Для присоединения секций
шины в распределительном устройстве 6-10 кВ применяется два последовательно
включенных секционных выключателя. Согласно НТП, секционные выключатели
нормально отключены, для ограничения токов к. з.
Рисунок 4.7 - Схема РУНН с двумя секционированными
выключателями системами сборных шин
Рисунок 4.8 Неполная принципиальная схема. Вариант №2.
Технико-экономическое сравнение двух вариантов схем
производится по методу приведенных затрат:
З = Рн где Рн = 0,12 - нормативный коэффициент эффективности;
K - капитальные затраты (учитывают стоимость оборудования и его
монтажа).
С - эксплуатационные расходы.
С = С1 + С2 + С3,
где С1 - стоимость потерянной энергии в трансформаторе
(в тыс. руб.).
С2 + С3 - расходы на зарплату, на текущий
ремонт и отчисления на амортизацию.
Таблица 5.1 - Капитальные вложения в строительство подстанции
Наименование оборудования
Стоимость единицы, тыс. руб.
1 вариант
2 вариант
Количество, шт.
Трансформаторы ТДТН 63000/110
37800
2
75600
-
-
Трансформаторы ТДН 25000/110
21690
-
-
2
43380
Трансформаторы ТРДН 40000/110
18600
-
-
2
52800
Ячейки ЗРУ 110 кВ
7300
- 2
14600
Итого
75600
110780
Рассчитаем потери энергии на трансформаторах где
Т=8760 ч - число часов работы трансформатора в году;
Потери в трансформаторе ТДТН-63000/110
Определим эксплуатационные затраты где Для Т1 (ТДН-25000/110):
Для Т2 (ТРДН-40000/110):
Определим эксплуатационные затраты Подсчитаем приведенные затраты:
Относительная разница двух вариантов:
Вывод: Вариант №1 экономичнее Варианта №2 на 21,8% и для
дальнейших расчетов выбираем его.
Согласно НТП, на всех ПС устанавливаются не менее двух
трансформаторов собственных нужд. К трансформаторам собственных нужд подстанции
могут подключаться только потребители подстанции.
Согласно НТП, пункт 2.8, выбираем на проектируемой ПС
постоянный оперативный ток. Источником постоянного оперативного тока служит
аккумуляторная батарея. Батареи, согласно пункту 2.6, работают в режиме
постоянного подзаряда от выпрямительных устройств.
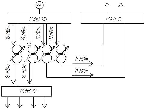
Выбор числа и мощности ТСН производим в зависимости от
расчетной нагрузки, числа трансформаторов и типа подстанции.
Составим таблицу общих нагрузок собственных нужд на
подстанции. Определим расчетную нагрузку по установленной мощности приемников
по формулам:
Таблица №6.1 Сводная таблица элементов СН.
Наименование приемника
Установленная мощность
Ед. кол.
Всего кВт ч
Летом
Зимой
1
2
3
4
5
6
7
8
9
10
Охлаждение трансформа - торов
2х7,5
15
0,85
0,62
0,85
12,8
7,9
12,8
7,9
Электроподогрев и сушка трансформа - торов
100х2
200
1
0
0
-
-
40
-
Маслоочисти - тельная установка
28х1
28
0,85
0,62
0,2
5,6
3,5
5,6
3,5
Подзарядно-зарядный агрегат ВАЗП
23х2
46
1
0
0,12
5,52
-
5,52
-
Постоянно включенные сигнальные лампы
0,5х2х 29
29
1
0
1
29
-
29
-
Подогрев выключателей 110 кВ
4х1.8
7,2
1
0
1
7,2
Подогрев выключателей 35 кВ
3х1,4
4,2
1
0
1
4,2
Подогрев КРУ 10 кВ
20x1
20
1
0
1
-
-
20
-
Подогрев приводов разъединителей
24x0,6
14,4
1
0
1
-
-
14,4
-
Отопление ОПУ
40
40
1
0
1
-
-
40
-
Освещение ОПУ
40
40
1
0
1
40
-
40
-
Освещение, вентиляция ЗРУ
7
7
1
0
1
7
-
7
-
Итого
99,92
11,4
225,72
11,4
Расчетная нагрузка:
Аварийная нагрузка с применением:
аварийной вентиляции сварочного аппарата Подстанция с постоянным дежурством, значит можно допустить
перегрузку одного трансформатора на 30% в течении 2 часов после аварийного
отключения, тогда:
Расчетной нагрузкой является зимняя:
Тогда мощность каждого трансформатора выбираем по условию:
Выбираем два трансформатора ТСЗ-250/10.
Определяем нагрузку трансформаторов в ремонтном режиме:
Определяем загрузку трансформаторов:
Рисунок 6.1 - Схема питания собственных нужд для постоянного
оперативного тока
Расчеты токов КЗ необходимы:
для сопоставления, оценки выбора главных схем электрических
станций, сетей и подстанций;
выбора и проверки электрических аппаратов и проводников;
проектирования и настройки устройств РЗ и автоматики;
определения влияния токов нулевой последовательности линий
электропередачи на линии связи;
проектирования заземляющих устройств;
анализа аварий в электроустановках и электрических системах;
анализа устойчивости работы энергосистем.
В данном курсовом проекте рассчитываются только токи
трехфазного короткого замыкания, т.к. он является наибольшим. Токи короткого
замыкания рассчитываются приближенным методом в относительных единицах.
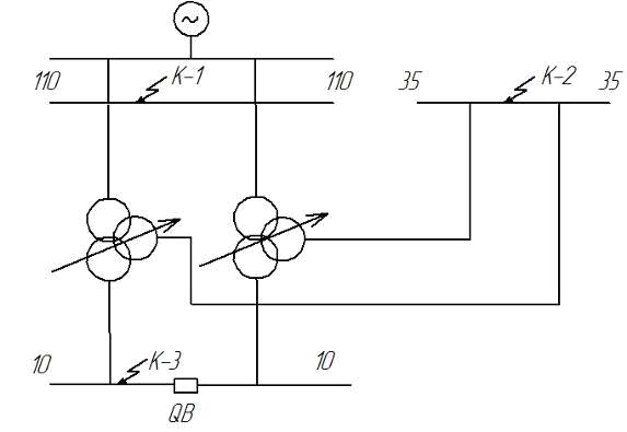
Под расчетной схемой электроустановки понимают упрощенную
однолинейную схему установки с указанием всех элементов и их параметров,
которые влияют на ток КЗ и поэтому должны быть учтены при выполнении расчетов.
Рисунок 7.1 - Расчетная схема
Составим схему замещения:
Рисунок 7.2 - Схема замещения для точки К-1
За базисные величины принимают: Sб=1000МВА; UсрI=115 кВ; UсрII=38,5 кВ; UсрIII=10,5 кВ.
Сопротивление системы:
Сопротивление линий (ВЛ 110кВ):
Для ВЛ 110кВ Худ=0,4 ом/км
Упростим схему замещения до вида:
Рисунок 7.3 - Упрощенная схема замещения для точки К-1
Токи короткого замыкания для точки К1:
а) Периодическая составляющая тока короткого замыкания
Хрез - сопротивление генерирующей ветви до точки
КЗ;
Iб - базисный ток, кА; Базисный ток определяется по
формуле:
б) Ударный ток короткого замыкания:
где Куд - ударный коэффициент, определяется по [6],
табл.3.8;
в) Апериодическая составляющая тока короткого замыкания:
где Та - постоянная времени затухания, определяется по
[6], табл.3.8;
г) Периодическую составляющую тока короткого замыкания:
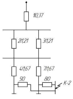
Составим схему замещения:
Рисунок 7.4 - Схема замещения для точки К-2
За базисные величины принимают: Sб=1000МВА; UсрI=115 кВ; UсрII=37 кВ; UсрIII=10,5 кВ.
Сопротивление системы:
Сопротивление линий (ВЛ 110кВ):
Для ВЛ 110кВ Худ=0,4 ом/км
Сопротивление обмоток трансформатора с высшим напряжением:
Сопротивление обмоток трансформатора со средним напряжением:
Упростим схему замещения до вида:
Рисунок 7.3 - Упрощенная схема замещения для точки К-2
Токи короткого замыкания для точки К2:
а) Периодическая составляющая тока короткого замыкания
Хрез - сопротивление генерирующей ветви до точки
КЗ;
Iб - базисный ток, кА; Базисный ток определяется по
формуле:
б) Ударный ток короткого замыкания:
где Куд - ударный коэффициент, определяется по [6],
табл.3.8;
в) Апериодическая составляющая тока короткого замыкания:
где Та - постоянная времени затухания, определяется по
[6], табл.3.8;
г) Периодическую составляющую тока короткого замыкания:
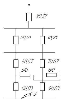
Составим схему замещения:
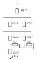
Рисунок 7.5 - Схема замещения для точки К-3 с выключенным QB
За базисные величины принимают: Sб=1000МВА; UсрI=115 кВ; UсрII=37 кВ; UсрIII=10,5 кВ.
Сопротивление системы:
Сопротивление линий (ВЛ 110кВ):
Для ВЛ 110кВ Худ=0,4 ом/км
Сопротивление обмоток трансформатора с высшим напряжением:
Сопротивление обмоток трансформатора со средним напряжением:
Сопротивление обмоток трансформатора со средним напряжением:
Упростим схему замещения до вида:
Рисунок 7.3 - Упрощенная схема замещения для точки К-3 с
выключенным QB
Токи короткого замыкания для точки К3 с выключенным QB:
а) Периодическая составляющая тока короткого замыкания
Хрез - сопротивление генерирующей ветви до точки
КЗ;
Iб - базисный ток, кА; Базисный ток определяется по
формуле:
б) Ударный ток короткого замыкания:
где Куд - ударный коэффициент, определяется по [6],
табл.3.8;
в) Апериодическая составляющая тока короткого замыкания:
где Та - постоянная времени затухания, определяется по
[6], табл.3.8;
г) Периодическую составляющую тока короткого замыкания:
Составим схему замещения:
Рисунок 7.5 - Схема замещения для точки К-3 с включенным QB
За базисные величины принимают: Sб=1000МВА; UсрI=115 кВ; UсрII=37 кВ; UсрIII=10,5 кВ.
Сопротивление системы:
Сопротивление линий (ВЛ 110кВ):
Для ВЛ 110кВ Худ=0,4 ом/км
Сопротивление обмоток трансформатора с высшим напряжением:
Сопротивление обмоток трансформатора со средним напряжением:
Сопротивление обмоток трансформатора со средним напряжением:
Упростим схему замещения до вида:
Токи короткого замыкания для точки К3 с включенным QB:
а) Периодическая составляющая тока короткого замыкания
Хрез - сопротивление генерирующей ветви до точки
КЗ;
Iб - базисный ток, кА; Базисный ток определяется по
формуле:
б) Ударный ток короткого замыкания:
где Куд - ударный коэффициент, определяется по [6],
табл.3.8;
в) Апериодическая составляющая тока короткого замыкания:
где Та - постоянная времени затухания, определяется по
[6], табл.3.8;
г) Периодическую составляющую тока короткого замыкания:
Результаты расчета токов короткого замыкания сводим в таблицу
Таблица 7.1 - Сводная таблица токов короткого замыкания
Точка КЗ
Iп.0, кА
iу, кА
iаτ, кА
Iп. τ, А
К1
5,15
12,51
0,25
5,15
К2
8,62
19,6
0,082
8,62
К3 (QВ отключен)
19,37
37,5
0,0012
19,37
К3 (QВ включен)
23,7
45,89
0,0015
23,7
Выключатель является основным аппаратом в электрических
установках, он служит для отключения и включения в цепи в любых режимах:
длительная нагрузка, перегрузка, короткое замыкание, холостой ход, несинхронная
работа. Наиболее тяжелой и ответственной операцией является отключение токов
короткого замыкания и включение на существующее короткое замыкание.
К выключателям высокого напряжения предъявляют следующие
требования:
надежное отключение любых токов (от десятков ампер до
номинального тока отключения);
быстрота действия, т.е. наименьшее время отключения;
пригодность для быстродействующего автоматического повторного
включения, т.е. быстрое включение выключателя сразу же после отключения;
возможность пофазного (пополюсного) управления для выключателей
110 кВ и выше;
легкость ревизии и осмотра контактов;
взрыво - и пожаробезопасность;
удобство транспортировки и эксплуатации.
Выключатели высокого напряжения должны длительно выдерживать
номинальный ток Iном и номинальное напряжение Uном.
В пределах одного распределительного устройства выключатели и
разъединители выбираются однотипными по цепи самого мощного присоединения, в
данном случае по цепи трансформатора связи.
Выбираем на ЗРУ 110 кВ вакуумные выключатели с
электромагнитным приводом ВБЭ-110-31,5/1250.
ВБЭ-110-31,5/1250 вакуумный выключатель внутренней установки
имеет электромагнитный привод и предназначен для работы на присоединениях
частыми коммутациями (например, дуговые сталеплавильные печи). Выключатель
ВБЭ-110 обладает повышенной взрыво - и пожаробезопасностью, удобством и
простотой в эксплуатации.
Условия выбора:
где 1) 110кВ≥110кВ
2) 1250А≥230А
) 1250А≥460А
Выбранный выключатель проверяем по следующим условиям:
на номинальный ток отключения:
Iн, откл =31,5кА≥Iп,τ=5,15кА
на возможность отключения апериодической составляющей где βн - нормативное содержание апериодической
составляющей в полном токе короткого замыкания.
на динамическую устойчивость:
iдин =80кА≥
iуд=12,51кА
на термическую устойчивость:
где It - ток
термической стойкости, кА;t - время
протекания тока термической стойкости, определяем
из паспортных данных, с.
Выбранный выключатель ВБЭ - 110-31,5/1250 удовлетворяет всем
требованиям.
Разъединители выбираются в тех же цепях, что и выключатели и по
тем же условиям, а проверяются на термическую и динамическую устойчивость.
Выбираем на ЗРУ 110 кВ разъединители РГД-110-II/1000УХЛ1 (горизонтально-поворотного типа,
с исполнением изоляции II по ГОСТ 9920).
РГД-110-II/1000УХЛ1 -
горизонтальный двухконтактный разъединитель производства Уфимского завода
"Электроаппарат” с номинальным 110 кВ и номинальным током 1000 А.
Разъединитель предназначен для включения и отключения обесточенных участков
электрических цепей переменного тока частотой 50 Гц и 60 Гц с номинальным
напряжением 110 кВ, с созданием видимого разрыва, а также заземления
отключенных участков при помощи стационарных заземлителей. Разъединитель
допускает включения и отключения токов холостого хода трансформаторов, зарядных
токов воздушных линий.
Достоинства:
При расстоянии между полюсами 2000 мм разъединитель способен
включать
и отключать ток холостого хода трансформаторов до 4,0 А и зарядные
токи до 1,5 А.
Управление главными ножами и заземлителями разъединителя
осуществляется приводом.
Ресурс по механической износостойкости не менее 10000 циклов
"В-tП-О".
Срок службы РГД до первого среднего ремонта, при условии не
выработки механического ресурса, не менее, 15 лет.
Условия выбора:
) 110кВ≥110кВ
) 1000А≥230А
) 1000А≥460А
Выбранный разъединитель проверяем по следующим условиям:
на динамическую устойчивость:
на термическую устойчивость:
Выбранный разъединитель типа РГД - 110-II/1000 УХЛ 1 удовлетворяет всем требованиям.
Выбираем на ЗРУ 35 кВ вакуумные выключатели с
электромагнитным приводом ВВЭЛ-35-25/1000.
ВВЭЛ-35-25/1000 - вакуумный выключатель предназначенный для
работы в электроустановках с частыми коммутациями.
Возможна выкатная установка этого высоковольтного выключателя
на определенные типы ячеек зарубежного производства. Выкатное исполнение
выключателей ВВЭЛ-35 может быть установлено в некоторых типах ячеек зарубежных
изготовителей. При этом блок цепей сигнализации и управления выносится за
пределы ячейки.
Новые выключатели ВВЭЛ-35 имеют меньшие массу и габариты за
счет применения импортных эпоксидных изоляторов, вакуумной камеры и нового
электромагнитного привода.
Условия выбора:
где ) 35кВ≥35кВ
) 1000А≥206А
) 1000А≥412А
Выбранный выключатель проверяем по следующим условиям:
на номинальный ток отключения:
Iн, откл =25кА≥Iп,τ=8,62кА
на возможность отключения апериодической составляющей где βн - нормативное содержание апериодической
составляющей в полном токе короткого замыкания.
на динамическую устойчивость:
iдин =52кА≥
iуд=19,6кА
на термическую устойчивость:
где It - ток
термической стойкости, кА;t - время
протекания тока термической стойкости, определяем
из паспортных данных, с.
Выбранный выключатель ВВЭЛ-35-25/1000 удовлетворяет всем
требованиям.
Разъединители выбираются в тех же цепях, что и выключатели и по
тем же условиям, а проверяются на термическую и динамическую устойчивость.
Выбираем на ЗРУ 35 кВ разъединители РГТ-35-I/630 УХЛ1.
РГТ-35-I/630УХЛ1 - горизонтальный трехконтактный
разъединитель производства Уфимского завода "Электроаппарат” с номинальным
35 кВ и номинальным током 630 А. Разъединитель предназначен для включения и
отключения обесточенных участков электрических цепей переменного тока частотой
50 Гц и 60 Гц с номинальным напряжением 35 кВ, с созданием видимого разрыва, а
также заземления отключенных участков при помощи стационарных заземлителей.
Разъединитель допускает включения и отключения токов холостого хода
трансформаторов, зарядных токов воздушных линий.
Достоинства:
Разъединитель способен включать и отключать ток холостого хода
трансформаторов до 4,0 А и зарядные токи до 1,5 А.
Управление главными ножами и заземлителями разъединителя
осуществляется приводом.
Ресурс по механической износостойкости не менее 5000 циклов
"В-tП-О".
Срок службы РГТ до первого среднего ремонта, при условии не
выработки
механического ресурса, не менее, 15 лет
Условия выбора:
) 110кВ≥110кВ
) 1000А≥230А
) 1000А≥460А
Выбранный разъединитель проверяем по следующим условиям:
на динамическую устойчивость:
на термическую устойчивость:
Выбранный разъединитель типа РГТ-35-I/630 УХЛ1 удовлетворяет всем требованиям.
В цепи ЛЭП выберем ВБЭ-10-31,5/630 вакуумный выключатель с
электромагнитным приводом и предназначенный для работы на присоединениях
с частыми коммутациями (например, дуговые сталеплавильные
печи) и встроенный в КРУ типа К-63. Выключатель ВБЭ-10 обладает повышенной
взрыво - и пожаробезопасностью, удобством и простотой в эксплуатации.
Условия выбора:
где ) 10кВ≥10кВ
) 630А≥130А
) 630А≥260А
Выбранный выключатель проверяем по следующим условиям:
на номинальный ток отключения:
Iн, откл =31,5кА≥Iп,τ=23,7кА
на возможность отключения апериодической составляющей где
βн - нормативное содержание апериодической составляющей в полном
токе короткого замыкания.
на динамическую устойчивость:
iдин =80кА≥
iуд=45,89кА
на термическую устойчивость:
где It - ток
термической стойкости, кА;t - время
протекания тока термической стойкости, определяем из паспортных данных, с.
Выбранный выключатель ВБЭ - 10-31,5/630 удовлетворяет всем
требованиям.
В качестве вводных и секционных выключателей выберем ВБЭ -
10-31,5/2500 встроенный в КРУ типа К-61М.
Условия выбора:
где ) 10кВ≥10кВ
) 2500А≥1050А
) 2500А≥2100А
Выбранный выключатель проверяем по следующим условиям:
на номинальный ток отключения:
Iн, откл =31,5кА≥Iп,τ=23,7кА
на возможность отключения апериодической составляющей где βн - нормативное содержание апериодической
составляющей в полном токе короткого замыкания.
на динамическую устойчивость:
iдин =80кА≥
iуд=45,89кА
на термическую устойчивость:
где It - ток
термической стойкости, кА;t - время
протекания тока термической стойкости, определяем
из паспортных данных, с.
Выбранный выключатель ВБЭ - 10-31,5/2500 удовлетворяет всем
требованиям.
При установке выключателей и остального оборудования в ЗРУ,
трансформаторы тока во всех присоединениях, кроме секционного выключателя,
выносятся в стену здания и выбираются такими же, как встроенные во ввод
силового трансформатора (типа ТВТ).
Исходя из вышеизложенного, выбираем трансформаторы тока типа
ТВТ - 110-I I I
- 600/5, встроенные во ввод силового трансформатора и имеющие номинальную
предельную кратность вторичной обмотки, равную 20. Для уменьшения погрешностей
первичный ток трансформатора должен быть как можно ближе к действительному току
цепи.
Условия выбора:
) Uн, ТА=110кВ≥Uуст=110кВ
) Iн,1ТА =600А≥Iн, цепи=230А
) Iн,1ТА =600А≥Imax, цепи=460А
Выбранные трансформаторы тока проверяются по условиям:
на электродинамическую устойчивость:
на термическую устойчивость:
675кА2 с ≥2,65 кА2 с
на вторичную нагрузку:
Т.к. индуктивное сопротивление вторичной цепи
трансформатора тока мало, то принимаем:
Для определения rприб., составляется таблица с приборами,
подключаемыми к трансформатору тока:
Таблица 9.1 - Нагрузка трансформаторов тока 110 кВ
Наименование прибора
Тип прибора
Потребляемая мощность, ВА
Амперметр
Э 390
0,5
Определяем rприб. по формуле:
rконт. = 0,05 Ом при числе приборов до трех,
включительно.
Определяем rпров. из формулы (10.7):
rпров. = z2ном - rприб. - rконт. = 0,8 - 0,02 - 0,05 = 0,73Ом,
Зная rпров, рассчитывается сечение провода по формуле:
(10.9)
где r -
удельное сопротивление проводов (для алюминия r = 0,0283 Ом/мм2);
lрасч. =100-100∙0,2=80
Согласно НТП, на подстанции с высшим напряжением 110 кВ
применяются провода с алюминиевыми жилами (минимальное значение сечения - 4 мм2)
Находим действительное сопротивление проводов:
Производим конечную проверку:
z2ном = 0,8
Ом > z2расч = rприб. + rпров. + rконт =0,02+ 0,57 + 0,05 = 0,64 Ом
Трансформатор тока ТВТ-110-III - 600/5 проходит по всем условиям.
Трансформаторы напряжения выбираем по условиям:
) UномTV ≥ Uуст;
) ) Sн TV ≥ Sрасч
Предполагаем установить на ЗРУ 110 кВ измерительный трансформатор
напряжения типа CPB/CPA-123.
Условия выбора ТН
) 110 кВ ≥ 110 кВ;
) ) Sн TV ≥ Sрасч.
Для определения вторичной нагрузки составляем таблицу
Таблица 9.2 - Вторичная нагрузка трансформаторов напряжения 110 кВ
Наиме-нование цепи
Наименование прибора
Тип прибора
Потреб. мощн-ть, В∙А
Кол-во катушек
Кол-во прибо-ров
Линия 110 кВ
Ваттметр
Д-365
2
2
2
8
Варметр
Д-365
2
2
2
8
Фиксир. прибор для опр. места КЗ
ФИП
3
1
2
6
Сборные шины 110 кВ
Вольтметр
Э-377
2
1
1
2
Регистрир. вольтметр
Н-393
10
1
1
10
Итого
34
ВА≥34ВА
Намеченный трансформатор напряжения проходит по вторичной
нагрузке.
Исходя из того, что распределительное устройство закрытое,
выбираем ТН типа
ТВТ. ТВТ-35-III-600/5
Условия выбора:
) Uн, ТА=35кВ≥Uуст=35кВ
) Iн,1ТА =600А≥Iн, цепи=206А
) Iн,1ТА =600А≥Imax, цепи=412А
Выбранные трансформаторы тока проверяются по условиям:
на электродинамическую устойчивость:
на термическую устойчивость:
846,7кА2 с ≥7,43 кА2 с
на вторичную нагрузку:
Т.к. индуктивное сопротивление вторичной цепи
трансформатора тока мало, то принимаем:
Для определения rприб., составляется таблица с приборами,
подключаемыми к трансформатору тока:
Таблица 9.1 - Нагрузка трансформаторов тока 35 кВ
Наименование приборов
тип
Sприб, ВА
Амперметр
Э-335
0,5
Ваттметр
Д-335
0,5
Счетчик активной энергии
ЦЭ 6804
2∙0,1∙1
Счетчик реактивной энергии
ЦЭ 6811
2∙0,3∙1
Σ
1,8
rконт. = 0,05 Ом при числе приборов до трех,
включительно.
Определяем rпров. из формулы (10.7):
rпров. = z2ном - rприб. - rконт. = 1,2 - 0,072 - 0,05 = 1,078Ом,
Зная rпров, рассчитывается сечение провода по формуле:
где
r - удельное сопротивление проводов (для алюминия r = 0,0283 Ом/мм2);
lрасч. =80-80∙0,25=60
Согласно НТП, на подстанции с высшим напряжением 110 кВ
применяются провода с алюминиевыми жилами (минимальное значение сечения - 4 мм2)
Находим действительное сопротивление проводов:
Производим конечную проверку:
z2ном = 1,2
Ом > z2расч = rприб. + rпров. + rконт =0,072+ 0,4 + 0,05 = 0,522 Ом
Трансформатор тока ТВТ-35-III - 600/5 проходит по всем условиям.
Трансформаторы напряжения выбираем по условиям:
) UномTV ≥ Uуст;
) ) Sн TV ≥ Sрасч
Предполагаем установить на ЗРУ 35 кВ измерительный трансформатор
напряжения типа ЗНИОЛ-35.
Условия выбора ТН
) 35 кВ ≥ 35 кВ;
) ) Sн TV ≥ Sрасч.
Для определения вторичной нагрузки составляем таблицу
Таблица 9.2 - Вторичная нагрузка трансформаторов напряжения 35 кВ
Наиме-нование цепи
Наименование прибора
Тип прибора
Потреб. мощн-ть, В∙А
Кол-во катушек
Кол-во прибо-ров
Линия 35 кВ
Счетчик активной энергии
ЦЭ-68058
1
2
2
4
Счетчик реактивной энергии
ЦЭ-6811
1
2
2
4
Сборные шины 35 кВ
Вольтметр (междуфазный)
Э-377
2
1
1
2
Вольтметр (трехфазный)
Э-377
2
1
1
2
Обмотка СН
Амперметр
Э-390
0,5
1
2
1
Ваттметр
Д-305
2
2
1
4
Счетчик активной энергии
ЦЭ-68058
1
2
1
2
Счетчик реактивной энергии
ЦЭ-6811
1
2
1
2
Итого
21
ВА≥21ВА
Намеченный трансформатор напряжения проходит по вторичной
нагрузке.
Поскольку на РУНН устанавливаются КРУ поставляемые уже со
встроенными измерительными трансформаторами тока, то нет необходимости их
выбирать и проверять. В КРУ К-63 устанавливают ТЛК-10-30,5/1500, а в КРУ
К-61М ТШЛ-10-1/3000.
Трансформаторы напряжения выбираем по условиям:
) UномTV ≥ Uуст;
2) ) Sн TV ≥ Sрасч
Предполагаем установить на РУ 10 кВ измерительный трансформатор
напряжения типа ЗНИОЛ-10.
Условия выбора ТН:
) 10 кВ ≥ 10 кВ;
) ) Sн TV ≥ Sрасч.
Для определения вторичной нагрузки составляем таблицу
Таблица 9.2 - Вторичная нагрузка трансформаторов напряжения 35 кВ
Наиме-нование цепи
Наименование прибора
Тип прибора
Потреб. мощн-ть, В∙А
Кол-во катушек
Кол-во прибо-ров
Линия 10 кВ
Счетчик активной энергии
ЦЭ-68058
1
2
16
32
Счетчик реактивной энергии
ЦЭ-6811
1
2
16
32
Амперметр
Э-390
0,5
1
16
8
Сборные шины 10 кВ
Вольтметр (междуфазный)
Э-377
2
1
2
4
Вольтметр (трехфазный)
Э-377
2
1
2
4
Обмотка НН
Амперметр
Э-390
0,5
1
1
0,5
Ваттметр
Д-305
2
2
1
4
Счетчик активной энергии
ЦЭ-68058
1
2
1
2
Счетчик реактивной энергии
ЦЭ-6811
1
2
1
2
Итого
88,5
ВА≥88,5ВА
Намеченный трансформатор напряжения проходит по вторичной
нагрузке.
Согласно ПУЭ, в РУ-110кВ и РУ-35кВ в качестве шин
и ошиновки применяются гибкие шины, выполняемые проводами типа АС.
Сборные шины выбираем по допустимому току при
максимальной нагрузке на шинах, равной току наиболее мощного присоединения.
Намечаем провода АС-205/27 в качестве шин с
допустимым током 505 А
Выполним проверку шин:
на термическую стойкость
C=90 [6, стр 341].
по условиям коронирования.
Определяем начальную критическую напряженность по формуле:
где
m - коэффициент, учитывающий шероховатость поверхности
провода. Для многопроволочного провода m = 0,82.
Определяем напряженность вокруг провода по формуле:
Условие проверки:
,07∙15,24=16,31кВ/см2≤ 0,9∙25,1=22,64
кВ/см2
На основании этих расчетов можем заключить, что провод АС - 205/27
по условиям короны проходит.
Токоведущие части от выводов трансформатора 110 кВ до выключателя
110 кВ выполняем гибкими проводами. Сечение проводов выбираем по экономической
плотности тока Выбираем провод типа АС - 240/32, q = 240 мм2, Iдоп.
= 505 А
Проверяем провод по допустимому току:
Iдоп =505А≥
Imax=460А
Проверим провод на термическую стойкость:
Проверим провод по условиям коронирования:
Определяем начальную критическую напряженность:
Определяем напряженность вокруг провода:
Условие проверки:
,07∙14,17=15,15кВ/см2≤ 0,9∙32=28,8
кВ/см2
Провод АС - 240/32 по условиям короны проходит.
Согласно ПУЭ, в РУ-110кВ и РУ-35кВ в качестве шин
и ошиновки применяются гибкие шины, выполняемые проводами типа АС. Сборные шины
выбираем по допустимому току при максимальной нагрузке на шинах, равной току
наиболее мощного присоединения.
Намечаем провода АС-205/27 в качестве шин с
допустимым током 505 А
Выполним проверку шин:
на термическую стойкость
C=90 [6, стр 341].
по условиям коронирования.
Определяем начальную критическую напряженность по формуле:
где m -
коэффициент, учитывающий шероховатость поверхности провода. Для
многопроволочного провода m = 0,82.
Определяем напряженность вокруг провода по формуле:
Условие проверки:
,07∙5,48=5,78кВ/см2≤ 0,9∙25,1=22,64
кВ/см2
На основании этих расчетов можем заключить, что провод АС - 205/27
по условиям короны проходит.
Токоведущие части от выводов трансформатора 110 кВ до выключателя
110 кВ выполняем гибкими проводами. Сечение проводов выбираем по экономической
плотности тока Выбираем провод типа АС - 240/32, q = 240 мм2, Iдоп.
= 505 А
Проверяем провод по допустимому току:
Iдоп =505А≥
Imax=460А
Проверим провод на термическую стойкость:
Проверим провод по условиям коронирования:
Определяем начальную критическую напряженность:
Определяем напряженность вокруг провода:
Условие проверки:
,07∙5,12=5,5кВ/см2≤ 0,9∙32=28,8 кВ/см2
Провод АС - 240/32 по условиям короны проходит.
Сборные шины и ошиновка в РУ 10 кВ выполняется жесткими
алюминиевыми шинами прямоугольного сечения. В случае применения КРУ шины не
выбираются и не проверяются по токам к. з., указывается только номинальный ток
сборных шин и шкафов.
Конструкции ЗРУ 110 кВ и ЗРУ 35 кВ:
Так как предпритие химической промышленности является
источником большого загрязнения атмосферного воздуха, распределительное
устройство, согласно ПУЭ, строится закрытым.
Закрытое РУ должно обеспечивать надёжность работы
электроустановки. Обслуживание ЗРУ должно быть удобным и безопасным.
(2.3)
;
2.1.2 Схема
перетоков мощности
2.1.3
Построение графиков нагрузки
(2.4)
часов
(2.5)
(3.3)
часов
2.2 Выбор
трансформаторов связи для второго варианта
2.2.1 Выбор
трансформатора связи
,
(2.3)
;
(2.3)
;
2.2.2 Схема
перетоков мощности
2.2.3
Построение графиков нагрузки
(2.4)
часов
часов
часов.
;
часов.
3. Расчет количества
линий
, где P1, л =35÷45 - пропускная способность линии 110 кВ,
МВт
;
.
, где P1, л =10÷15 - пропускная способность линии 35 кВ,
МВт;
.
, где P1, л =2÷3 - пропускная способность линии 10 кВ, МВт
.
4. Выбор схем
распределительных устройств
4.1 Выбор
схем распределительных устройств для первого варианта
4.2 Выбор
схем распределительных устройств для второго варианта
5.
Технико-экономическое сравнение вариантов
![]()
k + C
стоимость, тыс. руб.
Количество, шт.
стоимость, тыс. руб.
5.1 Расчет
капитальных затрат для варианта №1
, кВт∙ч:
(5.1)
- потери на холостом ходу в трансформаторе, кВт.
- потери при коротком замыкании в трансформаторе, кВт;
- мощность, проходящая через трансформатор, МВА;
- номинальная мощность трансформатора, МВА;
- число часов максимальных потерь.
=5850 ч для Тmax=6917,19
ч [6, рис.5.6]
, тыс. руб:
, (6.2)
- стоимость потерянной электроэнергии в трансформаторах, тыс.
руб/кВт∙ч:
, (6.3)
- стоимость одного кВт∙ч, 1,6
руб/кВт∙ч
- расходы на ремонт, амортизацию и содержание персонала. Они
составляют 8-9% от капитальных затрат, тыс. руб.
, (6.4)
=
5.2 Расчет
капитальных затрат для варианта №2
=5670 ч для Тmax=6897,86
ч [6, рис.5.6]
=5800 ч для Тmax=6945,08
ч [6, рис.5.6]
, тыс. руб:
=
6. Выбор
схемы собственных нужд подстанции
, где
коэффициент спроса.
![]()
![]()
Расчетная нагрузка
![]()
![]()
![]()
перегрузки не будет.
7.
Расчет токов короткого замыкания
7.1
Составление расчетной схемы
7.2 Расчет
тока короткого замыкания в точке К1
, (7.1)
где
Е*’’ - сверхпереходная ЭДС, для источников бесконечной
мощности Е*’’= 1;
(7.2)
- для источника бесконечной мощности (системы);
.
7.3 Расчет
тока короткого замыкания в точке К2
, (7.1)
где
Е*’’ - сверхпереходная ЭДС, для источников бесконечной
мощности Е*’’= 1;
(7.2)
- для источника бесконечной мощности (системы);
.
7.4 Расчет
тока короткого замыкания в точке К3 с выключенным QB
, (7.1)
где
Е*’’ - сверхпереходная ЭДС, для источников бесконечной
мощности Е*’’= 1;
(7.2)
- для источника бесконечной мощности (системы);
.
7.5 Расчет
тока короткого замыкания в точке К3 с включенным QB

, (7.1)
где
Е*’’ - сверхпереходная ЭДС, для источников бесконечной
мощности Е*’’= 1;
(7.2)
- для источника бесконечной мощности (системы);
.
8. Выбор
выключателей и разъединителей
8.1 Выбор
выключателей и разъединителей 110кВ
- номинальное напряжение выключателя;
- номинальный ток выключателя;
- номинальный и максимальный токи цепи.
:
8.2 Выбор
выключателей и разъединителей 35кВ
- номинальное напряжение выключателя;
- номинальный ток выключателя;
- номинальный и максимальный токи цепи.
:
8.3 Выбор
выключателей на 10 кВ
- номинальное напряжение выключателя;
- номинальный ток выключателя;
- номинальный и максимальный токи цепи.
:
- номинальное напряжение выключателя;
- номинальный ток выключателя;
- номинальный и максимальный токи цепи.
:
9. Выбор
измерительных трансформаторов тока и напряжения
9.1 Выбор
измерительных трансформаторов на стороне 110 кВ
(10.6)
;
;
;
9.2 Выбор
измерительных трансформаторов на стороне 35 кВ
(10.6)
,
;
;
;
9.3 Выбор
измерительных трансформаторов на стороне 10 кВ
;
;
10. Выбор
токоведущих частей
10.1 Выбор
сборных шин и токоведущих частей ЗРУ 110 кВ.
([6], табл.4.4);
10.2 Выбор
сборных шин и токоведущих частей ЗРУ 35 кВ.
([6], табл.4.4);
10.3 Выбор
сборных шин и токоведущих частей РУ 10 кВ.
11. Выбор
конструкции распределительных устройств