Теоретические основы метода
Вольтамперометрия основана на изучении поляризационных или вольтамперных кривых (кривых зависимости силы тока от напряжения). Вольтамперометрию, связанную с использованием ртутного капающего электрода, называют полярографией За открытие и развитие этого метода Я. Гейровскому в 1959 г. была присуждена Нобелевская премия.
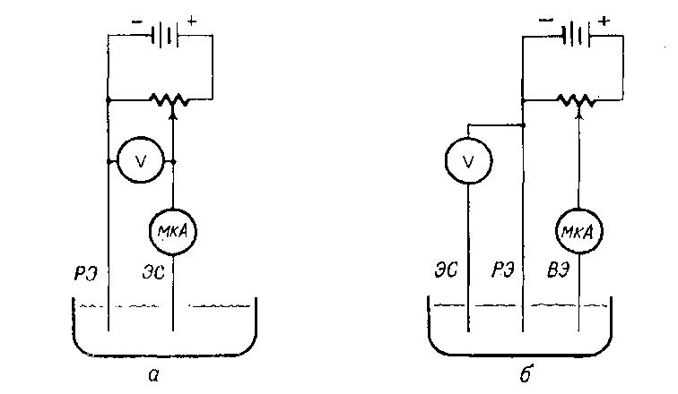
Обычно в вольтамперометрии предпочитают трехэлектродные ячейки.

Рис 40. Двух- и трехэлектродные ячейки для вольтамперометрии полярографии (РЭ — рабочий электрод, ВЭ — вспомогательный электрод, ЭС — электрод сравнения).
Требования к электродам:
Использование одного и того же электрода в качестве электрода сравнения и проводника тока нежелательно.
Электрод должен иметь низкое внутреннее сопротивление:
Электрод сравнения должен иметь гораздо большую площадь, чем поверхность рабочего электрода, чтобы плотность тока и поляризационные эффекты были минимальными.
Вспомогательный электрод проводит ток, тогда как электрод сравнения только контролирует потенциал, а ток не проводит. Вспомогательным электродом может служить платиновая или серебряная проволока или большой слой ртути.
В качестве рабочего электрода в вольтамперометрии используют инертный электрод, способный реагировать на присутствие в растворе любого электроактивного вещества: твердый вращающийся или вибрирующий электрод, а также капающий ртутный электрод. Выбор электрода определяется главным образом интервалом изучаемых потенциалов. Для потенциалов более положительных, чем потенциал НКЭ, лучшим является платиновый электрод. Ртуть можно использовать при потенциалах более отрицательных, чем примерно +0,25 В относительно НКЭ. Применение платины в области положительных потенциалов ограничивается реакцией окисления воды (2Н2О=О2+4Н++4е), протекающей примерно при +0,65 В в зависимости от рН. В области же отрицательных потенциалов платину можно использовать только примерно до —0,45 В, т. е. до потенциала выделения водорода (2Н++2е=Н2 или 2Н2О+2е=Н2+20Н-), тогда как ртуть из-за высокого перенапряжения водорода можно применять до —1,8 В в кислых и до —2,3 В в щелочных средах. В вольтамперометрии применяют твердые микроэлектроды, изготовляемые из благородных металлов (платины, золота и др.) или графита.

Рис 41. Принятая форма изображения вольтамперограмм (символами Hg и Pt у кривых обозначены примерные предельные потенциалы поляризации этих электродов).
Достоинства твердых электродов:
1.Возможность работы в более положительной области потенциалов (до 1,3В), чем с ртутным электродом (ртутный капающий электрод от 0,3 до —2,0 В)
2.Нетоксичность.
Недостатки стационарных твердых электродов:
1.Нет обновления поверхности электродов.
2.Медленно устанавливается предельный ток.
3.Невысокая чувствительность.
Более широкое применение имеют вращающиеся и вибрирующие платиновые микроэлектроды, на которых устойчивая сила тока устанавливается быстро. При работе таких электродов раствор непрерывно перемешивается, благодаря чему к поверхности электрода ионы доставляются не только за счет диффузии, но и за счет механического перемешивания. Это значительно (в 10...20 раз) увеличивает предельный ток по сравнению с диффузионным. По точности методы с применением твердых электродов уступают методам, использующим ртутный капающий электрод.
Капающий ртутный микроэлектрод имеет вид непрерывного потока мельчайших капелек, вытекающих из очень тонкого стеклянного капилляра.
Преимущества по сравнению с твердыми микроэлектродами:
Высокое перенапряжение восстановления водорода.
Непрерывное возобновление поверхности электрода , что предотвращает ее загрязнение и отравление.
Увеличение площади поверхности капающего ртутного электрода (РКЭ) за время жизни каждой капли намного превышает уменьшение тока, предсказываемое уравнением Коттреля для электрода с фиксированной поверхностью, что более удобно для количественного анализа.
Полярография
Схема полярографической установки
Анализируемый раствор находится в электролизере, на дне которого имеется слой ртути, являющийся анодом. Часто в качестве анода используют насыщенный каломельный электрод (НКЭ). Катодом служит ртутный капающий электрод, соединенный с резервуаром ртути. Внешнее напряжение, подаваемое на электроды, можно плавно менять с помощью реохорда или делителя напряжения и измерять при этом гальванометром силу тока, проходящего через раствор.
Кривые ток— время (при постоянном потенциале).
Скорость движения любой частицы вследствие диффузии пропорциональна градиенту концентрации в любых двух точках, удаленных друг от друга на расстояние, что выражается уравнением (первым законом Фика):
dN/dt = —D (dC/dx)
где dN/dt—число молей, подходящих к электроду в единицу времени,
С—концентрация диффундирующей частицы
D-коэффициент пропорциональности, называемый коэффициентом диффузии.
Применение закона Фика к проблемам электролиза приводит к уравнению Коттреля:
1= nFA (D/t)0.5C ,
где I—диффузионный ток электролиза (мкА), протекающий за время t (с) с момента начала электролиза;
п—число электронов, участвующих в электродной реакции;
F—константа Фарадея (96487 Кл на эквивалент);
А—площадь поверхности электрода (см2);
D—коэффициент диффузии Фика (см2/с);
С—общая концентрация электроактивной частицы (ммоль/л).
Предполагается, что концентрация на поверхности электрода равна нулю. Ток принято считать положительным для процесса восстановления на катоде и отрицательным для процесса окисления на аноде. Важно отметить наличие пропорциональности между током и концентрацией, однако для аналитических работ это уравнение неудобно, поскольку ток уменьшается пропорционально корню квадратному из времени, а не достигает постоянной величины
Предположим, что скорость вытекания ртути постоянна и что капля имеет правильную сферическую форму вплоть до момента отрыва от капилляра. На основании этих предположений можно прийти по уравнению Ильковича:
![]()
где Iд — диффузионный ток,
m — скорость вытекания ртути (мг/с).
В числовой множитель входят геометрические факторы, константа Фарадея и плотность ртути.
Если зависимость тока от времени изобразить графически, то наблюдаются флуктуации тока с периодом в несколько секунд. Период капания можно варьировать, изменяя высоту столбика ртути, или электромеханически, стряхивая капли с кончика капилляра через равномерные промежутки времени. Время жизни капли слабо зависит от величины наложенного потенциала, достигая максимума при потенциале около —0,5 В относительно НКЭ.
Хотя температура в явном виде не входит в уравнение Ильковича, тем не менее это очень важный параметр, так как каждый фактор (кроме п) в этом уравнении в какой-то степени зависит от температуры. Влияние температуры проявляется главным образом через коэффициент диффузии D. При повышении температуры на один градус в интервале комнатных температур диффузионный ток возрастает на 1—2 процента. Поэтому при точных измерениях температуру необходимо контролировать с точностью до нескольких десятых градуса. Для качественных же и полуколичественных работ это не обязательно.
Диффузионный ток зависит также от концентрации фонового электролита; если концентрация последнего в 25 или 30 раз ниже концентрации восстанавливающегося вещества, величина диффузионного тока отличается от его нормальной величины, потому что в этих условиях восстанавливающиеся ионы переносят заметную долю тока и в результате кулоновских взаимодействий ионов с РКЭ возникает миграционный ток и уравнение Ильковича не выполняется, поскольку диффузия уже не является единственным способом массопереноса восстанавливающихся частиц к электроду.

Рис 42 Характерные для капающего ртутного электрода кривые ток— время, показывающие, что ток возрастает во времени в степени 1/6
В практической полярографии, полезную информацию получают, регистрируя величину тока как функцию изменяющегося потенциала ркэ. Такие кривые автоматически записываются на полярографе.
В простейшем полярографе напряжение, подаваемое на ячейку, непрерывно увеличивают обычно в сторону отрицательных потенциалов и регистрируют ток с помощью самописца. Поскольку потенциал во времени меняется линейно, а лента самописца движется с постоянной скоростью, получаемую кривую можно интерпретировать как зависимость силы тока от потенциала.

Рис 43. Сравнение полярограмм 10 -3 М Cd2+- на фоне 1 М КNОз, полученных без размыкания (а) и с размыканием (б) цепи измерения тока. Для наглядности кривая б смещена вверх.
Полярограмма имеет вид кривой (а) с серией глубоких впадин, обусловленных периодическим падением капель ртути, что осложняет интерпретацию кривых ток— потенциал. Для их уменьшения разработан ряд инструментальных методов, один из которых основан на использовании электронной стробирующей системы, замыкающей измерительную цепь только на долю секунды незадолго до отрыва каждой капли («стробированная» или «таст»-полярография) (кривая б).
Кривую можно разделить на три участка. На участке 1 потенциал электрода слишком низок для восстановления одного из присутствующих веществ. Небольшой ток, протекающий через ячейку, называется остаточным током. Он складывается из тока восстановления следов примесей (обычно кислорода) и так называемого тока заряжения, обусловленного тем, что поверхность раздела ртуть — раствор с оболочкой из невосстанавливающихся ионов ведет себя как конденсатор.
По мере приближения к участку 2 ток начинает возрастать и становится больше остаточного тока. Этот дополнительный ток обусловлен восстановлением ионов из раствора и выделением их в виде металла на поверхности электрода. Убыль ионов в приэлектродном слое компенсируется за счет диффузии из глубины раствора.
На участке 2 ток достигает предельной величины вследствие полного исчезновения ионов вблизи поверхности РКЭ. В результате диффузии все больше ионов непрерывно достигают поверхности электрода, и по достижении устойчивого равновесия начинает протекать постоянный ток. Скорость диффузии определяется разницей между концентрацией в массе раствора и на поверхности электрода, где она равна нулю. Эта величина предельного тока, за вычетом остаточного тока, называется диффузионным током (Id). Диффузионный ток пропорционален концентрации восстанавливающейся частицы в массе раствора.
Уравнение полярографической волны Ильковича-Гейровского.
Рассмотрим электролиз в системе, где катодом служит ртутный капающий электрод, а анодом является практически неполяризуемый каломельный электрод. Если в растворе нет веществ, способных восстанавливаться под действием электрического тока, сила тока будет пропорциональна приложенному напряжению Е (закон Ома):1=E/R..
В присутствии веществ, способных восстанавливаться на ртутном электроде в области исследуемых напряжений по достижении потенциала восстановления ионы начнут разряжаться на ртутном катоде (нередко с образованием амальгамы):
Мn++ne-+ Hg=M (Hg)
Потенциал ртутного катода, на котором протекает обратимый процесс, выражается уравнением Нернста:
Е=Е°+
ln
где Са—концентрация амальгамы;
a—ее коэффициент активности;
См—концентрация восстанавливающихся ионов в приэлектродном слое (заряд иона для простоты опущен);
а— его коэффициент активности;
аHg—активность ртути в амальгаме;
Е°—стандартный потенциал электрода.
В результате процесса сила тока в цепи начнет возрастать и концентрация восстанавливающихся ионов у поверхности ртутной капли уменьшится. Однако за счет диффузии из массы раствора к поверхности капли доставляются новые порции ионов. Сила тока в цепи будет зависеть от скорости диффузии, которая пропорциональна разности концентраций в массе раствора (С0М) и в приэлектродном слое (СМ). Сила тока будет пропорциональна этой разности:
I= kM(cM0-cM).
Вклад других, недиффузионных механизмов поступления ионов в прикатодный слой ( например, миграция ионов к катоду под действием электрического поля в условиях большого избытка индифферентного фонового электролита пренебрежимо мал. При некотором потенциале катода концентрация ионов у поверхности ртутной капли См уменьшится до ничтожно малой по сравнению с концентрацией в массе раствора, и скорость разряда ионов на катоде станет равной скорости диффузии.
Концентрация восстанавливающегося иона в глубине раствора постоянна, а концентрация в прикатодном слое близка к нулю. Поэтому разность концентраций, определяющая скорость диффузии при данной температуре, будет постоянна, что и приводит к постоянной скорости поступления ионов к катоду и постоянной силе тока, не изменяющейся при дальнейшем увеличении напряжения. Этот постоянный ток, контролируемый диффузией, называют диффузионным :
Iд =kМ сМ.
Тогда:
cM=
.
Концентрация амальгамы:
Сa=
aI
После подстановки в уравнение Нернста):
Е
= Е° +
.
Выделим в уравнении величины, зависящие только от температуры:
E=E0+
Это уравнение полярографической волны, а величину Е1/2 называют потенциалом полуволны
Е1/2=E0+
Потенциал полуволны является качественной характеристикой иона и зависит от среды:
1.Природы и концентрации фонового электролита.
2.Наличие в растворе веществ, способных к комплексообразованию с определяемым ионом. Присутствие в исследуемом растворе лиганда смещает потенциал полуволны в отрицательную область, что позволяет создавать условия для определения нескольких компонентов в одном растворе без их предварительного разделения. Например, в 1 М КС1 ионы свинца (II) и таллия (I) имеют потенциалы полуволны, соответственно, —0,435 и —0,483 В и их раздельное определение неосуществимо. В 1 М NaОН потенциал полуволны свинца становится равным—0,755 В, а у таллия остается практически без изменения.
Если в растворе находится несколько веществ, потенциалы полуволны которых различаются на 100 мВ и больше, то на полярограмме будет не одна волна, а несколько — по числу восстанавливающихся ионов, а возможно и больше, так как при ступенчатом восстановлении один ион может давать две. Для идентификации неизвестного вещества можно этим методом определить потенциал полуволны и, пользуясь таблицей потенциалов полуволны или полярографическим спектром, установить наиболее вероятный элемент