Введение
котельная выпар деаэратор
Существующие источники паровых выбросов в атмосферу имеют потери значительного количества тепла и конденсата, а также влияют на тепловое загрязнение окружающей среды. В этой связи утилизация этих выбросов имеет как экономический, так и экологический аспект.
Паровые выбросы образуются с пролетным паром (например, при создании паровой подушки в баках-аккумуляторах систем теплоснабжения и горячего водоснабжения), либо в результате вскипания перегретых жидкостей (при сбросе горячего конденсата в конденсатный бак), а также могут являться комбинацией обоих случаев (продувочная пароводяная смесь паровых котлов).
Паровые выбросы бывают чистыми (фактически все в приведенных выше примерах) или могут содержать нежелательные примеси (например, на промышленном предприятии - пары после вакуум-выпарной установки получения сухого или сгущенного молока и т.п.).[1]
На ряде производств в технологических процессах образуется низкопотенциалный водяной пар, который зачастую сбрасывается в атмосферу. Содержащиеся в паре тепло и химически очищенная вода при этом безвозвратно теряются, что ведет к несомненным финансовым потерям. Конструкции сооружений в зоне сброса выпаров разрушаются, в зимний период обрастают наледью и сосульками.
Энергоемкость промышленных производств в России значительно выше показателей промышленно развитых стран. Так, например, затраты энергии на производство в химической и нефтехимической промышленности России на 30-60% выше, чем в аналогичных зарубежных производствах. Это связано с тем, что неоправданно большое количество низкопотенциального пара выбрасывается в атмосферу (отработанный пар после паровых машин, различного рода технологических процессов, вагоноразмораживателей и т.п.). Выброс низкопотенциального пара в атмосферу снижает эффективность производства, ухудшает экологическую обстановку, усиливая парниковый эффект.[4]
Снижение потерь тепла с уходящими газами может быть наиболее значимым энергосберегающим мероприятием на энергоисточниках, и внедрение системы утилизации выпаров деаэратора является одним из этих методов.
Целью данной работы является расчет системы утилизации выпара деаэратора.
Основные задачи:
- рассчитать количество выпара деаэратора;
- разработать схему утилизации выпара;
- рассчитать элементы предложенной схемы и произвести выбор оборудования;
- оценить выгоду от внедрения данной
системы.
1. Общая характеристика
предприятия
ЗАО "Северо-Западная Фосфорная Компания" (СЗФК) учреждено ОАО "Акрон" в 2005 году для реализации проекта по созданию новой фосфатной сырьевой базы в Мурманской области. Разработка собственного фосфатного месторождения с целью обеспечения своих перерабатывающих мощностей сырьем для производства фосфорсодержащих удобрений - приоритетное направление инвестиционной программы Группы "Акрон".
В октябре 2006 года СЗФК выиграла конкурс, проведенный Федеральным агентством по недропользованию, и в ноябре получило лицензию на право пользования недрами месторождений апатит-нефелиновых руд Олений Ручей и Партомчорр.
В 2007-2008 годах выполнен "Проект строительства горно-обогатительного комбината на месторождении апатит-нефелиновых руд Олений Ручей" (генеральный проектировщик - ОАО «Гипроруда», г. Санкт-Петербург), который в сентябре 2008 года получил положительное заключение ФГУ "Главгосэкспертиза России". [19]
Строительство объектов инфраструктуры горнодобывающего предприятия началось в конце 2008 года. В 2012 году завершено строительство первой очереди ГОК, выполнены пусконаладочные работы в корпусах обогатительной фабрики, получены первые тонны апатитового концентрата.
С июня 2013 года СЗФК начала полностью обеспечивать потребности российских химических предприятий Группы "Акрон" в фосфатном сырье, а также отгружать апатитовый концентрат сторонним потребителям.
Освоение месторождения Олений Ручей - амбициозный и исключительно важный для российской отрасли по производству минеральных удобрений проект. Основная цель - создание новой сырьевой базы для восполнения дефицита фосфатного сырья в России. ЗАО "Северо-Западная Фосфорная Компания" занимается реализацией проекта "Олений Ручей" с нуля.
В рамках данного этапа СЗФК провела проектно-изыскательские работы на месте строительства карьера и ГОК и получило промышленные образцы руды. Были выполнены необходимые работы по подготовке проектной и рабочей документации. В сентябре 2008 года СЗФК получила положительное заключение Федерального государственного учреждения "Главное управление государственной экспертизы" по "Проекту строительства горно-обогатительного комбината на базе месторождения апатит-нефелиновых руд Олений Ручей". Получение разрешения на строительство горно-обогатительного комбината фактически завершило первый этап работ над проектом.
В декабре 2008 года СЗФК приступила к реализации второго этапа проекта - строительству ГОК. В рамках данного этапа возведены производственные и административные объекты, сооружен карьер, создана транспортная инфраструктура, приобретено необходимое оборудование, техника и многое другое. Компания завершила строительство первой очереди ГОК в 2012 году и после проведения пусконаладочных работ с декабря начала постоянную отгрузку апатитового концентрата. К концу 2013 года ГОК вышла на проектную мощность 1 млн. т/г.
Продолжается строительство подземного рудника. К концу 2012 года пройдено 3,5 км подземных выработок, что соответствует среднегодовому плану проведения подземных работ. Всего к 2017 году будет построено три штольни (транспортная, конвейерная и вентиляционная) и четыре вертикальных ствола (главный, воздухоподающий, вспомогательный и вентиляционный). Общая длина горно-капитальных выработок рудника - 17,8 км.
В 2013-2017 годах будут расширены мощности фабрики за счет строительства второй очереди корпуса фильтрации и сушки, силосного склада апатитового и нефелинового концентратов. Будет построена железнодорожная ветка от промплощадки ГОК до станции Титан (около 30 км). [19]
В марте 2013 года на промплощадке ГОК
"Олений Ручей" введен в эксплуатацию ряд основных и вспомогательных
объектов: монтажно-складская площадка и склад оборудования и материалов, АЗС,
административно-бытовой комбинат, котельная, склад мазута, комплекс сооружений
питьевого водоснабжения, наружные инженерные сети, канализационные очистные
сооружения, мазутоснабжение, пароснабжение, автомобильная дорога,
высоковольтные линии на водозаборные сооружения, трансформаторная подстанция
очистных сооружений и котельной, а также хвостохранилище с комплексами
хвостового хозяйства, электроснабжения, связи и автоматизации.
2. Описание котельной
котельная выпар деаэратор
Котельная с котлами ДЕ-16-14-ГМ-0 предназначена для теплоснабжения систем отопления, вентиляции; для технологических нужд в паре для фабрики; для технологических нужд мазутного хозяйства. Система теплоснабжения - закрытая.[9]
Категория потребителей тепла по надежности теплоснабжения и отпуску тепла - вторая.
Котельная предназначена для строительства в районах со следующими характеристиками:
- Расчетная температура наружного воздуха для проектирования - минус 29 °С;
- Средняя температура наиболее холодного месяца - минус 11,9 °С;
- Средняя температура отопительного периода - минус 3,7 °С;
- Продолжительность отопительного периода 265 суток;
- Снеговая нагрузка - 560 кгс/м2.
Тепловые нагрузки приняты следующие:
- отопление - 4,72 МВт;
- вентиляция - 18,856 МВт,
- технологические нужды в паре для фабрики - 5,857 МВт,
- технологические нужды в паре склада мазута - 5,5 МВт.
Параметры теплоносителя на потребителей
- На технологию фабрики - теплоноситель насыщенный пар (давление 1,2 МПа, температура 191,6 °С,
- На технологию склада мазута - диатермический теплоноситель и насыщенный пар (давление 0,4 МПа, температура 151 °С);
- Система теплоснабжения - теплоноситель теплофикационная вода с температурным графиком 110/70 °С. Регулирование отпуска теплоты осуществляется в котельной по погодозависимому температурному графику.
Давление (избыточное) в теплосети:
- в прямом трубопроводе (T1) - 1 МПа (10 атм);
- в обратном трубопроводе (T2) - 0,3 МПа (3 атм).
Основным топливом для котельной является мазут. Снабжение мазутом от склада мазута комбината.
Электроснабжение предусмотрено на напряжении 380 В от двух независимых взаимно резервируемых источников питания.
Водоснабжение котельной - от внутриплощадочных сетей хозяйственно-питьевого водоснабжения. Проект котельной разработан в соответствии с действующими нормами и правилами и предусматривает мероприятия обеспечивающие взрывную, взрывопожарную и пожарную безопасность при эксплуатации здания.
Для приготовления насыщенного пара с избыточным давление 1,2 МПа в котельной предусматривается установка пяти паровых котлов ДЕ-16-14-ГМ-0, один из которых - резервный.
Передача тепла тепловой сети осуществляется в трех (один резервный) пластинчатых теплообменниках единичной тепловой мощностью 12,96 МВт. Запас пластин по поверхности не менее 10%.
Передача тепла для подогрева масла осуществляется в двух пластинчатых теплообменниках единичной тепловой мощностью 0,25 МВт. Запас пластин по поверхности не менее 10%
Для деаэрации воды предусматривается установка двух деаэраторов ДА-50/15 оснащенных охладителями выпара ОВА-2.
Подогрев химочищенной воды осуществляется в пластинчатом теплообменнике установленном перед деаэратором.
В котельной предусматривается установка чугунных экономайзеров ЗБ1-330П для каждого котла. Так же предусматривается установка расширителя продувок.
Подпитка котлов осуществляется группой питательных насосов. Группа насосов предполагает в себе один резервный насос и, по крайней мере, один насос с частотным регулированием.
Подготовка осуществляется в блоке химической подготовкой воды. Состав и производительность установки химводоподготовки определяется исходя из химического анализа воды и количества и качества возвращаемого конденсата.
В таблице 1 представлены основные
технико-экономические показатели котельной.
Таблица 1. Технико-экономические показатели
[9]
№
п/п
Наименование
показателей
Единица
измерения
Показатели
1
Расчетная
производительность котельной
МВт
42,20
2
Установленная
производительность
МВТ
52,2
3
Годовая
выработка тепла
тыс.
МВт
159,108
4
Годовой
отпуск тепла потребителям
тыс.
МВт
134,977
5
Годовой
расход натурального топлива
тыс.
кг
17689,3
6
Годовой
расход условного топлива
тыс.
т.у.т.
25,776
7
Установленная
мощность токоприемников
кВТ
844,7
8
Годовой
расход электроэнергии
тыс.
кВтч
1732
9
Численность
персонала
чел
26
Удельные
показатели на 1 МВт установленной производительности:
10
Мощность
токоприемников
кВт/МВт
16,18
11
Численность
персонала
чел/(Гкал/ч)
0,49
12
Удельный
расход топлива на 1 МВт отпущенного тепла
т.у.т./МВт
0,19
13
Удельный
расход натурального топлива на 1 МВт отпущенного топлива
тыс.нм3/МВт
131,05
На рисунке 1 представлена схема
отопительно-производственной котельной.
Рисунок 1. Схема отопительно-производственной
котельной в составе ГОК "Олений ручей".
.1 Котел
Паровой котел ДЕ-16-14-225ГМ (рис. 2) с
встроенным пароперегревателем с естественной циркуляцией типа Е (ДЕ)
производительностью - 16 тон перегретого пара (225 °С) в час, используемого на
технологические нужды промышленных предприятий, в системах отопления,
вентиляции и горячего водоснабжения. Топочная камера котлов размещается сбоку
от конвективного пучка, оборудованного вертикальными трубами, развальцованными
в верхнем и нижнем барабанах. Основными составными частями котлов являются
верхний и нижний барабаны, конвективный пучок, фронтовой и боковой экраны,
образующие топочную камеру ДЕ-16-14-225ГМ. Барабаны котла ДЕ-16-14-225ГМ,
рабочим давлением 1,4 или 2,4 МПа, изготавливается из стали 16ГС, 09Г2С, стенка
толщиной 13 или 20 мм соответственно.
Рисунок 2. Схема котла ДЕ-16-14-225 ГМ с
встроенным пароперегревателем с естественной циркуляцией типа Е (ДЕ).
У котлов паропроизводительностью до 4 т/ч
диаметр верхнего и нижнего барабанов 700 мм, у остальных - 1000 мм. Расстояние
между барабанами соответственно 1700 мм и 2750 мм (максимально возможное по
условиям транспортировки блока по железной дороге). Для доступа внутрь
барабанов в переднем и заднем днищах каждого из них имеются лазы с затворами
(крышка лаза). Изготовляются барабаны для котлов с рабочим давлением 1,4 и 2,4
МПа из стали 16ГС или 09Г2С и имеют толщину стенки соответственно 13 и 22 мм.
В таблице 2 представлены основные характеристики
котла.
Таблица 2. Основные характеристики
[9]
Параметр
Единица
измерения
Значение
Заводское
обозначение
ДЕ-16-14ГМ-0
Паропроизводительность
т/ч
16
Максимальное
рабочее давление котла
МПа
1,3
Состояние
вырабатываемого пара
Насыщенный
Общая
поверхность нагрева
м2
193
Водяной
объем котла
м3
13,3
Паровой
объем котла
м3
2,3
Габариты
котла в котельной ячейке
длина
мм
8555
ширина
мм
5240
высота
мм
6072
Расчетный
расход топлива при раздельном сжигании
мазут
кг/ч
1088
диз.топливо
кг/ч
1148
Паровой котел ДЕ 16-14-225ГМ производительностью
4; 6,5 и 10 т/ч выполнены с одноступенчатой схемой испарения. В котлах
производительностью 16 и 25 т/ч применено двухступенчатое испарение. Во вторую
ступень испарения вынесена задняя часть экранов топки и часть конвективного
пучка, расположенная в зоне с более высокой температурой газов. Контуры второй
ступени испарения имеют необогреваемую опускную систему.
Пароперегреватель котлов производительностью 6,5
и 10 т/ч выполнен змеевиковым из труб. На котлах производительностью 16 и 25
т/ч пароперегреватель - вертикальный, дренируемый из двух рядов труб.
В качестве хвостовых поверхностей нагрева котлов
применяются стальные или чугунные экономайзеры.
Паровой котел ДЕ-16-14-225ГМ с паропергревателем
на 225 °С, оборудованы системами очистки поверхностей нагрева.
Неподвижными опорами котлов являются передние
опоры нижнего барабана. Средняя и задние опоры нижнего барабана подвижные и
имеют овальные отверстия для болтов, которыми крепятся к опорной раме на период
транспортировки.
Каждый котел Е (ДЕ) снабжен двумя пружинными
предохранительными клапанами, один из которых является контрольным. На котлах
без пароперегревателя оба клапана устанавливаются на верхнем барабане котла и
любой из них может быть выбран как контрольный. На котлах с пароперегревателем
контрольным клапаном является клапан выходного коллектора перегревателя.
Номинальная паропроизводительность и параметры
пара, соответствующие ГОСТ 3619-82, обеспечиваются при температуре питательной
воды 100 °С при сжигании топлив: природного газа с удельной теплотой сгорания
29300-36000 кДж/кг (7000-8600 ккал/м3) и мазута марок М40 и М100 по
ГОСТ 10588-75.
Диапазон регулирования 20-100 % от номинальной
паропроизводительности. Допускается кратковременная работа с нагрузкой 110 %.
Поддержание температуры перегрева у котлов с пароперегревателями обеспечивается
в диапазоне нагрузок 70-100 %.
Котел ДЕ 16-14-225ГМ с паропергревателем на 225
°С, может работать в диапазоне давлений 0,7-1,4 МПа без изменения
паропроизводительности.
В котельных, предназначенных для производства
насыщенного пара без предъявления жестких требований к его качеству,
паропроизводительность котлов типа Е (ДЕ) при пониженном до 0,7 МПа давлении
может быть принята такой же, как и при давлении 1,4 МПа.
Для котлов типа Е (ДЕ) пропускная способность
предохранительных клапанов соответствует номинальной производительности котла
при давлении не ниже 0,8 МПа.
Нормы качества питательной воды и пара должны
соответствовать требованиям регламентируемым правилами "Федеральной
службой по экологическому, технологическому и атомному надзору" России.
Солесодержание котловой воды в первой ступени
испарения котлов без пароперегревателя должно быть не более 3000 мг/кг, для
котлов с пароперегревателем - не более 2000 мг/кг. Солесодержание котловой воды
второй ступени испарения должно быть не более 4500 мг/кг.
Средний срок службы котлов между капитальными
ремонтами при числе часов использования установленной мощности 2500 ч/г - 3
года, средний срок службы до списания не менее - 20 лет.
Паровой котел ДЕ 16-14-225ГМ с паропергревателем
на 225 °С, может использоваться в качестве водогрейного (по технической
документации), при проведение реконструкция котла где убирается
паросепарационное устройство, парперегреватель и устанавливаются дополнительные
элементы для направленой циркуляции воды (теплоносителя).
2.2 Деаэратор
Деаэратор атмосферного давления ДА-50/15 (рис.
3) предназначен для удаления коррозионно-агрессивных газов (кислорода и
свободной углекислоты) из питательной воды системы теплоснабжения при
одновременном её нагреве.
Основными элементами деаэратора ДА-50/15
являются: деаэраторный бак, деаэрационная колонка и гидрозатвор.
Деаэраторный бак представляет собой
горизонтальный, цилиндрический сосуд с эллиптическими днищами и патрубками
входа и выхода рабочей среды, подключения трубопроводов и арматуры. Бак имеет
две опоры, одна из которых подвижная.
Колонка деаэратора ДА-50/15 представляет собой
цилиндрическую обечайку с эллиптическим днищем, патрубками для подвода и отвода
рабочей среды. В верхней части колонки расположены две перфорированные тарелки
с водосливами. В нижней - барботажное устройство, состоящее из барботажной
тарелки и поддона с пароперепускной и двумя водоперепускными трубами.
Рисунок 3. Общий вид деаэратора атмосферного
давления ДА-50/15.
Верхняя часть пароперепускной трубы сообщается с
паровым объемом над барботажной тарелкой, нижняя часть - с водяным объемом
поддона.
Водоперепускные трубы соединяют водяной объем
барботажной тарелки с водяными объемами поддона и бака.
Колонки устанавливаются на баках, в
противоположной отводу деаэрированной воды стороне, с целью обеспечения
максимального времени выдержки воды и необходимой вентиляции парового объема
бака.
В деаэраторе ДА-50/15 применяются гидрозатворы:
гидрозатвор от повышения давления защищает деаэратор от превышения допустимого
давления, гидрозатвор переливной - от опасного повышения уровня воды в баке.
Комбинированное предохранительное устройство
состоит из двух самостоятельных гидрозатворов, объединенных в общую
гидравлическую систему, и расширительного бачка.
Расширительный бачок служит для накопления
объема воды, необходимого для автоматического заливания воды в устройство после
устранения нарушения в работе деаэрационной установки.
Диаметр гидрозатвора от повышения давления
выбирается, исходя из наибольшего допустимого давления в деаэраторе, при работе
гидрозатвора 0,17 МПа и максимально возможного в аварийной ситуации расхода
пара в деаэратор при полностью открытом регулирующем клапане и максимальном
давлении в источнике пара.
В деаэраторе ДА-50/15 применена двухступенчатая
схема дегазации: первая ступень - струйная; вторая - барботажная, обе ступени
дегазации размещены в деаэрационной колонке.
Потоки воды для деаэрации (из
водоподготовительной установки, конденсат производства и др.) поступают в
колонку в смесительный объем верхней тарелки и через водослив - на
перфорированную ее часть. Через отверстия вода стекает струями на
нижерасположенную перепускную перфорированную тарелку, после которой струями
сливается в барботажное устройство колонки.
Греющий пар подается в бак и, проходя к
деаэрационной колонке, способствует вентиляции парового объема бака.
Температура пара, поступающего в бак, не должна превышать 250 °С.
В струйном отсеке колонки происходит нагрев воды
(до температуры, близкой к температуре насыщения, соответствующей давлению в
колонке), грубая дегазация воды и конденсация большей части пара.
В деаэраторе ДА-50/15 пар, поступая под
непровальную тарелку барботажного устройства и проходя через ее отверстия,
подвергает воду на ней интенсивной обработке. Площадь отверстий принята такой,
что при минимальной тепловой нагрузке под тарелкой образуется устойчивая
паровая подушка, исключающая провал воды через отверстия.
При давлении в паровой подушке 130 мм вод.ст. в
работу включается пароперепускная труба, по которой в обвод барботажной тарелки
отводится избыточный пар. Нижний конец пароперепускной трубы, погруженный в
водяной объем поддона, образует гидрозатвор. Заливка гидрозатвора
обеспечивается постоянной подачей части воды через водоперепускную трубу,
соединяющую поддон с водяным объемом барботажной тарелки. Перелив деаэрируемой воды
в бак с барботажной тарелки осуществляется по другой водоперепускной трубе.
На барботажной тарелке осуществляется догрев
воды до температуры насыщения и удаление микроколичеств газа, т.е. глубокая
дегазация воды.
Оставшаяся парогазовая смесь (выпар) отводится
из верхней части колонки через патрубок.
Процесс дегазации завершается в деаэраторном
баке, где происходит выделение из воды мельчайших пузырьков газов за счет
отстоя и разложения бикарбонатов.
В таблице 3 представлены основные характеристики
деаэратора.
Таблица 3. Основные характеристики
[9]
Параметр
Единица
измерения
Значение
Производительность
т/ч
50
Рабочее
давление (абсолютное)
МПа
0,12
Температура
деаэрированной воды
°С
104,2
Максимально
допустимое давление при работе предохранительного устройства
МПа
0,17
Удельный
расход выпара при номинальной нагрузке
кг/т
2,0
Нагрев
воды в деаэраторе
максимальный
°С
50
минимальный
°С
10
Полезная
вместимость бака
м3
15
Диапазон
измерения производительности деаэратора
%
30-120
Содержание
растворенного кислорода в исходной воде не более
мг/кг
20
Содержание
свободной углекислоты в исходной воде не более
мг/кг
10
Бикарбонатная
щелочность не менее
мг-экв/кг
0,4
Габаритные
размеры
длина
мм
5815
ширина
мм
2216
высота
мм
4135
Масса
деаэратора сухая
кг
4206
3. Система утилизации
выпара
Выпар деаэратора, выводимый в атмосферу имеет
температуру 110 °С. Такая температура, действительно заставляет задуматься о
необходимости утилизации выпара. Но действительную целесообразность внедрения
системы можно определить только рассчитав количество выпара.
.1 Расчет количества выпара
Количество выпара, отводимого из деаэратора,
рассчитаем по следующей формуле: [10]
(1)
где В результате работы деаэратора
ежечасно в атмосферу выпускается 0,045 т пара температурой Количество теплоты определяется по
формуле:
(2)
где Так при температуре наружного
воздуха Для экономии этой тепловой энергии
предлагается внедрить систему утилизации выпара.
3.2 Схема утилизации выпара
Существует не мало вариантов утилизации выпара.
Для разработки схемы утилизации выпара следует решить ряд вопрос, таких как:
- куда будет использована теплота от
охлаждения выпара;
- куда будет использован конденсат
выпара.
Стандартное решение этих вопрос представлено на
рис. 4. [7]
Рисунок 4.
По схеме видно, что выпар из деаэратора
поступает в охладитель выпара, где конденсируется. Теплота, образовавшаяся при
этом, расходуется на подогрев химически очищенной воды, поступающей в
деаэратор. Сам конденсат также возвращают обратно в деаэратор.
Содержание кислорода (13,0 мг/дм3) в
выпаре не позволяет использовать подобную схему в нашем случае. Поэтому, мы
будем возвращать конденсат в деаэратор не сразу, а после открытого
бака-накопителя, откуда кислород естественным путем будет выпускаться в
атмосферу.
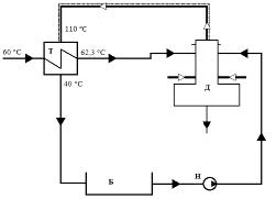
Предлагаемая система утилизации выпара (рис. 5)
состоит из следующих основных частей:
- деаэратор (Д);
- охладитель выпара - теплообменник
(Т);
- накопительный бак для конденсата
(Б);
- насос (Н).
Пар (выпар) с температурой Рисунок 5. Тепловая схема утилизации
выпара деаэратора.
4. Расчет элементов
схемы
4.1 Охладитель выпара
Охладитель выпара (рис. 6) предназначается для
конденсации пара, содержащегося в выпаре, с целью сохранения тепла и конденсата
этого пара. По типу охладители выпара могут быть поверхностными (трубчатыми) и
смешивающими, выносными или встроенными в деаэрационную колонку. Наиболее
рациональными являются кожухотрубные аппараты выносного типа. [8]
В качестве материала для трубной системы
охладителя выпара должны применяться коррозийно-стойкие материалы. Этими
материалами могут быть латунь марки ЛО-71-1 ГОСТ 15527-70, сплав МНЖ-5-1 ГОСТ
492-73 и коррозийно-стойкая (нержавеющая) сталь. [10]
Наиболее употребительными для данных
аппаратов являются трубы с наружным диаметром Рисунок 6. Охладитель выпара.
Используя уравнение (2), определим
количество теплоты, которое получим при конденсации и охлаждении выпара в
течении часа (тепловая производительность подогревателя):
Это количество теплоты пойдет на
подогрев воды, подаваемой в деаэратор. Тогда, из формулы (2) можем найти
температуры подогретой воды на выходе из теплообменника:
(2а)
Площадь поверхность охладителя выпара трубчатого
типа (рис. 5) определяется по формуле:
(3)
где Δt - среднелогарифмическая
разность температур, °С;
Среднелогарифмическая разность температур
находится из выражения:
(4)
где Коэффициент теплопередачи
определяется по формуле
(5)
где δ - толщина стенки
трубок, м;
λ - коэффициент
теплопроводности металла трубок, ккал/м·ч·°С;
Коэффициент теплоотдачи от стенки
трубки к охлаждающей воде определяется из выражения:
(6)
где z - множитель, зависящий от температуры
охлаждающей воды, z = 2310;
Представленные на рынке охладителя
выпара имеют стандартный диаметр трубок 16/2 мм. Отсюда Скорость охлаждающей воды в трубках
выбирается в зависимости от материала трубок и допустимой потери давления. При
латунных трубках рекомендуется принимать Так как охладители выпара с трубками
из нержавеющей стали на порядок дешевле, то расчет будем производить при Подставляя полученные значения в
формулу (3) найдем значение площади поверхности охладителя выпара:
По результатам вычислений выбираем
охладитель выпара ОВА-24 с площадью поверхности нагрева 24 м2.
Основные характеристики ОВА-24 (рис. 7) представлены в таблице 4.
Таблица 4. Технические
характеристики ОВА-24 [15]
Наименование
показателя Абсолютное
давление(в корпусе), МПа
0.02
Абсолютное
давление(в трубной системе), МПа
0.4
Среда
вода,
пар
Температура
среды (в корпусе), oС
104
Температура
среды (в трубной системе), oС
50...80
Габариты
(L×B×H),
мм
2846×516×795
Масса,
кг
760
Рисунок 7. Схема ОВА-24.
.2 Накопительный бак
Образовавшийся в процессе охлаждения выпара
конденсат предлагается собирать в накопительном баке открытого типа. Рассчитаем
необходимый объем этого бака.
По формуле (2) определено, что за час при
конденсации выпара выделяется 6,3·106 Дж теплоты. Используя эту же
формулу определим, сколько образуется воды.
(2б)
где Так за час образуется 21,4 кг воды, что за сутки
составит 578,4 кг.
Объем определяется по формуле:
(7)
где m
- масса, кг;
ρ - плотность вещества,
кг/м3, ρ = 999,97 кг/м3.
Для установки выбираем накопительный бак
емкостью 1000 л или 1 м3, который установим на уровне земли
деаэратора.
.3 Насос
Выбор насосного оборудования - ответственный
этап, от которого будут зависеть как технологические параметры, так и
эксплуатационные качества проектируемой установки. При выборе типа насоса можно
выделить три группы критериев:
- технологические и конструктивные
требования;
- характер перекачиваемой среды;
- основные расчетные параметры.
). Технологические и конструктивные требования:
В некоторых случаях выбор насоса может
диктоваться какими-либо строгими требованиями по ряду конструктивных или технологических
параметров. Центробежные насосы, в отличие от поршневых, могут обеспечивать
равномерную подачу перекачиваемой среды, в то время как для выполнения условий
равномерности на поршневом насосе приходится значительно усложнять его
конструкцию, располагая на коленчатом вале несколько поршней, совершающих
возвратно-поступательные движения с определенным отставанием друг от друга. В
то же время подача перекачиваемой среды дискретными порциями заданного объема
также может являться технологическим требованием. Примером определяющих
конструктивных требований может служить использование погружных насосов в тех
случаях, когда необходимо или единственно возможно расположить насос ниже
уровня перекачиваемой жидкости.
Технологические и конструктивные требования к
насосу редко являются определяющими, а диапазоны подходящих типов насосов для
различных специфических случаев применения известны исходя из накопленного
человечеством опыта, поэтому в доскональном их перечислении нет необходимости.
). Характер перекачиваемой среды:
Характеристики перекачиваемой среды часто
становятся определяющим фактором в выборе насосного оборудования. Различные
типы насосов подходят для перекачки самых разнообразных сред, отличающихся по
вязкости, токсичности, абразивности и множеству других параметров. Так винтовые
насосы способны перекачивать вязкие среды с различными включениями, не
повреждая структуру среды, и могут с успехом применяться в пищевой
промышленности для перекачивания джемов и паст с различными наполнителями.
Коррозионные свойства перекачиваемой среды определяют материальное исполнение
выбираемого насоса, а токсичность - уровень его герметизации.
). Основные расчетные параметры:
Требованиям по эксплуатации, предъявляемы
различными отраслями, могут удовлетворять несколько типов насосов. В такой
ситуации предпочтение отдается тому типу насосов, который наиболее применим при
конкретных значениях основных расчетных параметров (производительность, напор и
потребляемая мощность).
.3.1 Основные расчетные параметры насосов
Несмотря на многообразие машин для перекачки
жидкостей и газов, можно выделить ряд основных параметров, характеризующих их
работу: производительность, потребляемая мощность и напор.
Производительность (подача, расход) - объем
среды, перекачиваемый насосом в единицу времени. Обозначается буквой Q и имеет
размерность м3/час, л/сек, и т.д. В величину расхода входит только
фактический объем перемещаемой жидкости без учета обратных утечек. Отношение
теоретического и фактического расходов выражается величиной объемного
коэффициента полезного действия.
Однако в современных насосах, благодаря надежной
герметизации трубопроводов и соединений, фактическая производительность
совпадает с теоретической. В большинстве случаев подбор насоса идет под
конкретную систему трубопроводов, и величина расхода задается заранее.
Напор - энергия, сообщаемая насосом
перекачиваемой среде, отнесенная к единице массы перекачиваемой среды.
Обозначается буквой H и имеет размерность метры. Стоит уточнить, что напор не
является геометрической характеристикой и не является высотой, на которую насос
может поднять перекачиваемую среду.
Потребляемая мощность (мощность на валу) -
мощность, потребляемая насосом при работе. Потребляемая мощность отличается от
полезной мощности насоса, которая затрачивается непосредственно на сообщение
энергии перекачиваемой среде. Часть потребляемой мощности может теряться из-за
протечек, трения в подшипниках и т.д. Коэффициент полезного действия определяет
соотношение между этими величинами.
Для различных типов насосов расчет этих
характеристик может отличаться, что связано с различиями в их конструкции и
принципах действия.
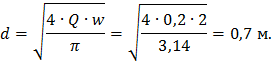
.3.2 Расчет и выбор насоса
Потребуется насос для перемещения 20 л (0,02 м3)
воды (плотность ρ = 999,97
кг/м3) в час на высоту 4,135 м. Давление в накопительном баке
атмосферное - 101,3 кПа; давление в деаэраторе - 120 кПа.
Выбираем оптимальную скорость движения в
трубопроводе равной 2 м/с.
Расход жидкости через трубопровод рассчитывается
по формуле: [16]
(8)
где d
- диаметр трубопровода, м;
w - скорость
движения в трубопроводе, м/с.
Из формулы (8) определим диаметр трубопровода:
Необходимый напор рассчитаем по формуле:
(10)
где ρ - плотность перекачиваемой
среды, кг/м3;
Суммарные потери напора,
складывающиеся из потерь на трение в трубах (11)
где λ - коэффициент
трения;
l - длина трубопровода, м;
Скоростной напор в трубе:
(12)
При соответствующем скоростном напоре потери на
трение и местные сопротивления составят:
Общий напор составит:
Мощность, идущая непосредственно на передачу
энергии перекачиваемой жидкости, рассчитывается по формуле:
(13)
где ρ - плотность
перекачиваемой среды, кг/м3;
Выберем насос центробежный EBARA
2CDXM 70/20 1,5 кВт 1×220
В.
Центробежные горизонтальные насосы
Ebara (Япония/Италия) серии 2CDX с двумя рабочими колесами предназначены для
применения в системах горячего и холодного водоснабжения, а также для
перекачивания умеренно агрессивных жидкостей и пищевых сред.
Центробежные горизонтальные насосы
серии 2CDX выполнены из нержавеющей стали AISI 304, корпус электродвигателя -
из алюминия. Насосы серии 2CDX имеют значительные преимущества по сравнению с
аналогичными насосами, выполненными из чугуна. В частности, высокий КПД
благодаря исключительной гладкости обработанной поверхности деталей, которая
позволяет снизить потери, связанные с трением, а также запатентованные
производителем технологии штамповки и обработки корпусов и рабочих колес,
гарантирующие надежную и длительную эксплуатацию. Торцевое уплотнение
центробежных горизонтальных насосов данной серии для холодного водоснабжения
выполнено из графита/керамики/NBR, для горячего водоснабжения (исполнение HS) -
Sic/Sic/FPM.
Центробежные горизонтальные насосы серии
CD обеспечивают напор до 60 м, производительность до 12 м3/ч при
максимальном рабочем давлении 8 бар. Центробежные горизонтальные насосы серии
CD перекачивают среды с максимальной температурой до 60°C, 110°C - при
исполнении HS.
Центробежные горизонтальные насосы
серии 2CDX отличает легкость монтажа и эксплуатации, экономичность и
энергоэффективность, долгий срок службы.
5. Экономическая оценка
.1 Годовые затраты на топливо
Тепловые нагрузки котельной с учетом теплопотерь
в сетях представлены в таблице 5. [9]
Таблица 5
Потребители
тепла
Расход
тепла, МВт
На
отопление
4,72
На
вентиляцию
18,856
На
горячее водоснабжение
2,346
На
технологические нужды
11,357
Итого:
37,279
Годовой расход топлива определяется по формуле:
(14)
где Годовые затраты на топливо, сжигаемое в
котельной, руб.:
где .2 Расчет возможной экономии
Внедрение системы утилизации выпара позволит
сэкономить количество теплоты, используемое на технологические нужды котельной.
[4]
Часовая тепловая нагрузка котельной снизится на
1075 Вт, тогда годовая тепловая нагрузка котельной снизится на
и составит
Рассчитаем годовой расход топлива по формуле
(14) с учетом этих изменений:
Рассчитаем годовые затраты на топливо по формуле
(15) с учетом этих изменений:
Экономия топлива за год составит:
Что позволит сэкономить за год
Экономия составит 7%.
Заключение
В процессе выполнения была достигнута
поставленная цель - рассчитана система утилизации выпара атмосферного
деаэратора ДА-50/15, установленного на котельной ЗАО "СЗФК". Были
решены поставленные задачи.
Рассчитано количество выпара, производимого
деаэраторам ДА-50/15, которое составило 0,045 т/ч.
Предложена схема утилизации выпара,
по которой пар (выпар) с температурой Произведен расчет элементов
предложенной схемы и выбрано необходимое оборудование: охладитель выпара
ОВА-24, накопительный бак объемом 1000 л и центробежный насос EBARA 2CDXM 70/20
1,5 кВт. Также представлены основные характеристики данного оборудования.
Произведен расчет возможной экономии
денежных средств и топлива для котельной от внедрения системы утилизации
выпара, который составит - 1234,1 т мазута в год; 172 779 600 рублей в год (при
цене на мазут 10 500 руб. за тонну).
Список использованных
источников
1. Галустов В.С. Утилизация тепла и
конденсата паровых выбросов / Новости теплоснабжения № 9, 2005 г.
2. ГОСТ 16860-88. Деаэраторы
термические. Типы, основные параметры, приемка, методы контроля
. ГОСТ 21.205-93. Графические
обозначения элементов систем отопления, вентиляции и кондиционирования.
. Елсуков В.К. Оценка
эффективности технологий утилизации энергии уходящих газов котлов, включающей
теплоту конденсации водяных паров / Системы. Методы. Технологии. № 1 (24), 2014
г. с. 83-85
. Кудинов А.А.
Энергосбережение в теплогенерирующих установках. - Ульяновск: УлГТУ, 2000. -
139 с.
. Макарова Е.В.
Совершенствование технологий противокоррозионной обработки питательной воды ТЭЦ
/ Автореферат диссертации - Казань, 2004 г.
. Малинина О.В. Исследование
влияния расхода выпара и способов его утилизации на эффективность термической
деаэрации воды / Автореферат диссертации - Иваново, 2004 г.
. Оликер И.И. Термическая
деаэрация воды в отопительно-производственных котельных и тепловых сетях. -
Изд-во литературы по строительству "Ленинград", 1972 г.
. Открытые горные работы,
подземный рудник и комплекс зданий и сооружений горно-обогатительного комбината
на база месторождения апатит-нефелиновых руд "Олений ручей".
Отопительно-производственная паровая кательная паропроизводительностью 80 т/ч.
Проектная документация. Раздел 1. Пояснительная записка ИМС/220/12/10/575-21
ПЗ. Том 1. - ООО "Модульные котельные системы", 2011г.
. РД 34.40.101, СО 153-34.40.101
Руководящие указания по проектированию термических деаэрационных установок
питательной воды котлов.
. РД 34.40.507 (ТИ
34-70-032-84). Типовая инструкция по эксплуатации автоматизированных
деаэрационных установок подпитки теплосети.
. РТМ 108.030.21-78. Расчет и
проектирование термических деаэраторов.
. Скорев Б.В. Энергия пара.
Вторая жизнь / Новости теплоснабжения № 1, 2005 г.
. Шарапов В.И., Малинина О.В.
Технологии отвода и утилизации выпара термических деаэраторов / Изд-во УлГТУ -
2004 г.
. http://saem.su/ohladitel-vypara-ova-24
. www.ence-pumps.ru/podbor_raschet_nasosov.php
. www.energosovet.ru/entech.php?idd=89
. www.rosteplo.ru/Tech_stat/stat_shablon.php?id=2319
. www.szfk.ru/
![]()
- расход пара в деаэраторе, кг/т. ![]()
кг/т;
![]()
- расход (производительность) воды
в деаэраторе, т/ч. ![]()
т/ч.
![]()
. Это
![]()
- масса пара, кг;
![]()
- удельная теплоемкость пара,
Дж/(кг·°С). ![]()
;
![]()
и ![]()
- начальная и конечная температура
пара, °С.
![]()
за час в атмосферу выбрасывается
2366,1 ккал теплоты.
![]()
подается в охладитель выпара, где
охлаждается до температуры 40 °С и конденсируется. Образовавшаяся вода вместе с
остатками пара поступает в накопительный бак, из которого оставшийся пар
свободно выходит в атмосферу. Скопившаяся в баке вода подается обратно в
деаэратор при помощи насоса.
![]()
мм и толщиной стенки ![]()
мм.
![]()
- коэффициент теплопередачи, ккал/м2·ч·°С;
![]()
- тепловая производительность
подогревателя, Дж, ![]()
.
![]()
и ![]()
- температуры охлаждающей воды или
конденсата до и после охладителя выпара, °С;
![]()
- температура выпара, °С.
![]()
- коэффициент теплоотдачи от пара к
стенке трубки, ккал/м2·ч·°С, ![]()
ккал/м2·ч·°С;
![]()
- коэффициент теплоотдачи от стенки
трубки к охлаждающей среде, ккал/м2·ч·°С.
![]()
- скорость охлаждающей воды, м/с;
![]()
- внутренний диаметр трубки, м.
![]()
м, а δ = 0,002 м.
![]()
не выше 2,5 м/с, при трубках из мельхиора
или нержавеющей стали - до 3,5 - 4,0 м/с.
![]()
м/с. Для нержавеющей стали
коэффициент теплопроводности λ = 2065 ккал/м·ч·°С
![]()
- удельная теплоемкость воды,
Дж/(кг·°С). ![]()
;
![]()
- давление в заборной емкости, Па;
![]()
- давление в приемной емкости, Па;
![]()
- ускорение свободного падения, м/с2;
![]()
- геометрическая высота подъема
перекачиваемой среды, м;
![]()
- суммарные потери напора, м.
![]()
и потерь в местных сопротивлениях ![]()
определяются по формуле:
![]()
- эквивалентный диаметр
трубопровода, м;- скорость потока, м/с;
![]()
- ускорение свободного падения, м/с2;

- скоростной напор, м;
![]()
- сумма всех коэффициентов местных
сопротивлений.
![]()
- ускорение свободного падения, м/с2;-
расход, м3/с;- общий напор, м.
![]()
- годовая выработка тепловой
энергии в котельной, ГДж/год;
![]()
- низшая теплота сгорания топлива,
МДж/кг; по данным предприятия для газа составляет ![]()
кДж/кг;
![]()
- КПД брутто котла; принимается ![]()
.
![]()
- оптовая цена газа, руб./т; по
данным предприятия ![]()
руб./т.
![]()
подается в охладитель выпара, где
охлаждается до температуры 40 °С и конденсируется. Образовавшаяся вода вместе с
остатками пара поступает в накопительный бак, из которого оставшийся пар
свободно выходит в атмосферу. Скопившаяся в баке вода подается обратно в
деаэратор при помощи насоса.