Максимальные силы, приводящие колесо
во вращение, получаются при некотором значении угла атаки ά, т.е. угла
наклона относительного потока к поверхности лопасти. Ввиду того что окружная
скоростью длине крыла неодинакова, а возрастает по мере удаления его элементов
от оси вращения ветроколеса, относительная скорость W набегания потока на
лопасть также возрастает.
Рисунок 5. Конструктивная схема крыльчатого ветроколеса
Рисунок 6. Схема действия сил
воздушного потока на элемент лопасти (а) и графическое изображение
относительного потока, набегающего на элементы лопасти, расположенные на разных
радиусах ветроколеса (б)
Вместе с этим убывает угол атаки ά, и при некоторой окружной скорости wR, где w угловая скорость, этот угол станет отрицательным (рисунок 6, б). Следовательно, не все элементы крыла будут иметь максимальную подъемную силу.
Если мы будем уменьшать угол φ каждого элемента лопасти по мере удаления его от оси вращения так, чтобы наивыгоднейший угол атаки ά примерно сохранялся постоянным, то мы получим условие, при котором приблизительно все элементы лопасти будут работать со своей максимальной подъемной силой. Лопасть с переменным углом заклинения со получает форму винтовой поверхности.
Правильные углы заклинения лопасти при хорошем аэродинамическом качестве профиля, а также ширине, соответствующей заданной быстроходности, обеспечивают высокий коэффициент использования энергии ветра. У хорошо выполненных моделей он достигает 46 %.
В большинстве современных ветровых
турбин с помощью специальных устройств (центробежных, гидравлических и других)
обеспечивается возможность поворота всей лопасти или отдельной ее части,
изменения за счет этого угла атаки и регулирования мощности на валу по
заданному закону. При скорости ветра меньше номинальной лопасть разворачивается
таким образом, чтобы угол атаки был оптимальным и коэффициент использования
ветра максимальным. При скорости ветра больше номинальной разворотом лопасти
добиваются уменьшения коэффициента использования энергии ветра до значения, при
котором мощность на валу соответствует номинальной. На рисунке 7 на примере
ветровой турбины номинальной мощностью 2 МВт показана зависимость мощности и
коэффициента мощности (коэффициента использования энергии ветра) от скорости
ветра.
- идеальный ротор пропеллерного типа; 2 - двухлопастный скоростной ротор; 3 - ротор Дарье; 4 - ротор Савониуса; 5 - многолопастный ротор
Рисунок 7. Кривые зависимости
коэффициента использования энергии ветра от коэффициента быстроходности
Угол атаки g, определяющий коэффициент мощности zp зависит от скорости ветра W и частoты вращения ротора w. В силу этого, коэффициент мощности удобно выражать с помощью параметра, учитывающего W и w. Таким параметром является коэффициент быстроходности
Ветровые турбины различных типов имеют существенно отличающиеся зависимости коэффициента использования энергии ветра от коэффициента быстроходности (рисунок 7).
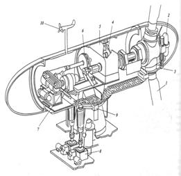
Пример компоновки основных узлов ветроэнергетической установки с горизонтальной ост вращения показан на рисунке 8.
Недостатками ВЭУ являются
непостоянство вырабатываемой электро-энергии, что создает определенные проблемы
при их работе на сеть и необходимость использования аккумуляторов при работе в
автономном режиме, а также более высока», чем на традиционных электростанциях,
стоимость 1 кВт установленной удельной мощности и меньшее число часов ее
использования.
- лопасть; 2 - система разворота лопасти; 3- втулка; 4- дисковый тормоз; 5- мульти-пликатор; 6- гидромуфта; 7 - генератор; 8 - механизм системы поворота; 9 - тормоз системы поворота; 10- датчик системы поворота
Рисунок 8. Основные узлы
ветроэнергетической
установки
с горизонтальной осью вращения
Однако эти недостатки перекрываются
такими качествами ВЭУ как отсутствие топливной составляющей, неисчерпаемость
первичного источника энергии, низка» стоимость вырабатываемой электроэнергии,
возможность полной автоматизации, исключающей необходимость в обслуживающем
персонале, возможность энергообеспечения автономных объектов, удаленных от
электросетей, модульное исполнение, позволяющее наращивать установленную
мощность по мере необходимости.
7.
Преимущества и недостатки различных систем ветродвигателей. Методика
определения параметров ветроустановок
Ветродвигатели карусельные и барабанные (второго и третьего классов) отличаются весьма простой схемой работы ветроколеса. У карусельных ветродвигателей воздушный поток, набегая на ветроколесо, давит на лопасти с одной стороны оси вращения; с другой же стороны он встречает либо ширму, прикрывающую лопасти, идущие против ветра, либо ребра лопастей, если они поворотные, вследствие чего давление потока на них оказывается весьма малым. В результате получается сила в плоскости вращения, которая создает крутящий момент ветроколеса. Аналогичное явление имеет место и у барабанных ветродвигателей. Однако у карусельных положение ветроколеса в потоке ветра более выгодно: оно всегда находится в рабочем положении, с какой бы стороны ни дул ветер. У барабанных же ветродвигателей, равно как и у крыльчатых (первый класс), требуется специальное устройство для установки ветроколеса на ветер при каждом изменении направления последнего.
Основные недостатки карусельных и барабанных ветродвигателей определяются самим принципом расположения рабочих поверхностей ветроколеса в потоке ветра.
. Так как рабочие лопасти колеса перемещаются в направлении воздушного потока, то ветровая нагрузка действует не одновременно на все лопасти, а поочередно.
Периодически лопасти затеняют друг друга почти на половине окружности, и каждая из лопастей только в одном положении воспринимает полный поток и может развивать максимальную мощность. Кроме того, когда лопасти прикрыты ширмой или направлены ребром к ветру, они развивают хотя и малый по величине, но все же отрицательный момент.
Вращающий момент ветроколеса получается равным разности моментов сил, действующих диаметрально противоположно лопасти. В результате коэффициент использования энергии ветра получается весьма низким и при самых благоприятных условиях не превышает величины 0,10, что установлено экспериментальными исследованиями.
Коэффициент использования энергии ветра карусельными ветродвигателями можно повысить путем усовершенствования поверхностей и комбинацией положения их в потоке ветра. Однако при конструктивном оформлении такой ветродвигатель получается сложнее крыльчатого.
. Движение поверхностей ветроколеса в направлении ветра не позволяет развивать большую скорость вращения, так как поверхности не могут двигаться быстрее ветра.
. Размеры используемой части воздушного потока (ометаемая поверхность) малы по сравнению с размерами самого колеса, что значительно увеличивает его вес, отнесенный к единице установленной мощности ветродвигателя.
У роторных ветродвигателей ветроколесо также вращается в горизонтальной плоскости, но протекание потока через ометаемую поверхность происходит совершенно иначе, чем у карусельного и барабанного ветродвигателей. В данном случае ветроколесо создает меньший подпор воздушного потока.
Поток ветра скользит по выпуклой
поверхности и действует полной силой на изогнутую поверхность, огибает ее,
создавая на поверхности дополнительную силу, вращающую ротор. Тех
сопротивлений, которые имели место у карусельных ветродвигателей, в данном
случае нет. Поэтому и коэффициент использования энергии ветра ветродвигателей
системы Савониуса примерно в 2 раза выше, чем у карусельных. Продувками модели
ротора Савониуса в аэродинамической трубе определен наибольший коэффициент
использования энергии ветра
= 0,18.
Крыльчатые ветродвигатели в значительной мере свободны от перечисленных выше недостатков карусельных и барабанных ветродвигателей, что подтверждается теоретическими расчетами и практическими данными.
Предлагаемая методика выбора технических характеристик ветроустановок предусматривает выполнение следующих пунктов:
а) статистическая обработка метеоданных о средних скоростях ветра с использованием в качестве исходной информации данных метеонаблюдений, статистических данных метеорологических ежемесячников или же экспериментальных данных;
б) расчет значений удельной мощности ветрового потока;
в) определение времени наблюдения по градациям скоростей ветра;
г) расчет годовых и месячных значений удельной энергии ветрового потока;
д) определение расчетного значения скорости ветроустановки;
е) определение возможной номинальной мощности, диаметра ветроколеса и высоты башни ВЭУ;
ж) выбор соответственно полученным результатам ветроустановки по каталогам;
и) расчет возможного годового
производства электрической энергии ветроустановкой в соответствии с ее
номинальными техническими параметрами и энергетическими характеристиками
местного потока.
8. Перспективы
развития ветроэнергетики в Казахстане
Основной причиной возникновения ветра является неравномерное нагревание солнцем земной поверхности.
Земная поверхность неоднородна: суша, океаны, горы, леса обусловливают различное нагревание поверхности под одной и той же широтой. Вращение Земли также вызывает отклонения воздушных течений. Все эти причины осложняют общую циркуляцию атмосферы. Возникает ряд отдельных циркуляции, в той или иной степени связанных друг с другом.
На экваторе у земной поверхности лежит зона затишья со слабыми переменными ветрами. На север и на юг от зоны затишья расположены зоны пассатов, которые вследствие вращения Земли с запада на восток имеют отклонение к западу. Таким образом, в северном полушарии постоянные ветры приходят с северо-востока, в южном с юго-востока, как показано на схеме (рисунок 1). Пассаты простираются примерно до 30° северной и южной широт и отличаются равномерностью воздушных течений по направлению и скорости. Средняя скорость юго-восточных пассатов северного полушария у поверхности земли достигает 6-8 м/сек. Эти ветры вблизи больших континентов нарушаются сильными годовыми колебаниями температуры и давления над материками. Высота слоя пассатов простирается от 1 до 4 км.
Выше над пассатами находится слой переменных ветров, а над этим слоем находится зона антипассатов, дующих в направлении, противоположном направлению пассатов. Высота слоя антипассатов меняется от 4 до 8 км в зависимости от времени года и от места.
В субтропических широтах в поясах высокого давления зоны пассатов сменяются штилевыми областями. К северу и югу от этих областей приблизительно до 70°на всех высотах дуют ветры между западным и юго-западным румбами в северном полушарии и между западным и северо-западным - в южном полушарии. В этих широтах, кроме того, в атмосфере непрерывно возникают и затухают вихревые движения, усложняющие простую схему общей циркуляции атмосферы, показанную на рисунке 1.
Местные ветры. Особые местные условия рельефа земной поверхности (моря, горы и т. п.) вызывают местные ветры.
Бризы. Вследствие изменения температур днём и ночью возникают береговые морские ветры, которые называются бризами.
Днём при солнечной погоде суша
нагревается сильнее, чем поверхность моря, поэтому нагретый воздух становится
менее плотным и поднимается вверх. Вместе с этим более холодный морской воздух
устремляется на сушу, образуя морской береговой ветер. Поднимающийся над сушей
воздух течёт в верхнем слое в сторону моря и на некотором расстоянии от берега
опускается вниз.
Рисунок 1. Схема общей циркуляции
земной атмосферы
Таким образом возникает циркуляция воздуха с направлением внизу - на берег моря, вверху - от суши к морю. Ночью над сушей воздух охлаждается сильнее, чем над морем, поэтому направление циркуляции изменяется: внизу воздух течёт на море, а вверху с моря на сушу. Зона распространения бриза около 40 км в сторону моря и 40 км в сторону суши. Высота распространения бризов в наших широтах достигает от 200 до 300 м. В тропических странах бризы наблюдаются почти в течение всего года, а в умеренном поясе только летом, при жаркой погоде. У нас бризы можно наблюдать летом у берегов Чёрного и Каспийского морей.
Муссоны. Годовые изменения температуры в береговых районах больших морей и океанов также вызывают циркуляцию, аналогичную бризам, но с годовым периодом. Эта циркуляция, более крупного размера, чем бризы, называется муссонами. Возникают муссоны по следующим причинам. Летом континент нагревается сильнее, чем окружающие его моря и океаны; благодаря этому над континентом образуется пониженное давление, в воздух внизу устремляется к континенту от океанов, а вверху наоборот, течёт от континентов к окружающим океанам. Эти ветры носят название морских муссонов. Зимой континенты значительно холоднее, чем поверхность моря; над ними образуется область повышенного давления; вследствие этого нижние слои воздуха направляются от континента к океанам, а в верхних слоях - наоборот, от океанов к континентам. Эти ветры называются материковыми муссонами.
Сильные муссоны можно наблюдать на южном побережье Азии - в Индийском океане и Аравийском море, где летом они имеют юго-западное направление, а зимой - северо-восточное. У восточных берегов Азии также наблюдаются муссоны. Зимою дуют суровые северозападные материковые ветры; летом юго-восточные и южные морские влажные ветры.
Республика Казахстан по своему географическому положению находится в ветровом поясе северного полушария и на значительной части территории Казахстана наблюдаются достаточно сильные воздушные течения, преимущественно Северо-восточного, Юго-западного направлений. В ряде районов Казахстана среднегодовая скорость ветра составляет более 6м/с, что делает эти районы привлекательными для развития ветроэнергетики. В этой связи Казахстан рассматривается как одна из наиболее подходящих стран мира для использования ветроэнергетики. По экспертным оценкам, ветроэнергетический потенциал Казахстана оценивается как 1820 млрд. кВтч электроэнергии в год. Хорошие ветровые районы имеются в центральной части Казахстана, в Прикаспии, а также в ряде мест на Юге, Юго-Востоке и Юго-Западе Казахстана (рисунок 1).
Исследования ветроэнергетического потенциала в ряде мест по территории Казахстана, проведенные в рамках проекта Программы развития ООН по ветроэнергетике, показывают наличие хорошего ветрового климата и условий для строительства ВЭС в Южной зоне (Алматинская, Джамбульская, Южно-Казахстанская области), в Западной зоне (Мангистауская и Атырауская области), в Северной зоне (Акмолинская область) и Центральной зоне (Карагандинская область) (таблица 1).

Таблица 1
Перечень исследованных площадок для строительства ВЭС (по данным метеоисследований ПРООН)
|
№ п/п |
Наименование площадки |
Область |
Скорость ветра на высоте 50 м |
Предполагаемая мощность ВЭС, МВт |
|
1 |
Джунгарские ворота |
Алматинская обл. |
9,7 |
50 |
|
2 |
Шелекский коридор |
Алматинская обл. |
7,7 |
100 |
|
3 |
Кордай |
Жамбыльская обл. |
6,1 |
10-20 |
|
4 |
Жузымдык-Чаян |
ЮКО |
6,7 |
10-20 |
|
5 |
Астана |
Акмолинская обл. |
6,8 |
20 |
|
6 |
Ерейментау |
Акмолинская обл. |
7,3 |
50 |
|
7 |
Каркаралинск |
Карагандинская обл. |
6,1 |
10-20 |
|
8 |
Аркалык |
Костанайская обл. |
6,2 |
10-20 |
|
9 |
Атырау |
Атыраусская обл. |
6,8 |
100 |
|
10 |
Форт-Шевченко |
Мангыстаусская обл. |
7,5 |
50 |