Материал: Відновлення клапана впускного автомобіля Мазда 626

Внимание! Если размещение файла нарушает Ваши авторские права, то обязательно сообщите нам

Відновлення клапана впускного автомобіля Мазда 626

Содержание

Вступ

1. Розділ загальний

.1 Опис конструкції деталі, її призначення і робота

1.2 Аналіз технічних умов на відновлення поверхні деталі і методи їх забезпечення

2. Розділ технологічний

.1 Вибір і обґрунтування методу відновлення поверхні

.2 Розробка технологічного процесу відновлення деталі

.3 Вибір припусків на механічну обробку відновленої поверхні

2.4 Розрахунок та вибір режимів відновлення і механічної обробки поверхні

2.4.1 Вибір режимів відновлення поверхні

.4.2 Вибір режимів різання

.4.3 Нормування технологічного процесу відновлення деталі

.4.4 Нормування операцій механічної обробки

. Розділ конструкторський

.1 Розрахунок вимірювального інструменту

Висновки

Література

впускний клапан відновлення деталь

Вступ

Для задоволення постійних потреб народного господарства нашої країни в перевезеннях пасажирів та вантажу автомобільний транспорт займає провідне місце. Рішення задач про розвиток автомобільного транспорту забезпечується постійним збільшенням виробництва автомобілів. Одним з резервів збільшення автомобільного парка країни являється ремонт автомобілів, тому його розвитку й вдосконаленню наділяється велика увага в нашій країні. В процесі експлуатації автомобілів в наслідок зміни розмірів деталей, погіршення їх фізико-механічних властивостей змінюються робочі характеристики агрегатів, систем, вузлів. В результаті машина стає не працездатною. Відновлення працездатності машин здійснюється проведенням комплексу ремонтних робіт, виконуваних у міру необхідності в ході експлуатації, а також через визначені планові проміжки часу.

При тривалій експлуатації автомобілі досягають такого стану коли витрати, які пов`язані з підтриманням їх в працездатному стані в умовах використання техніки в автопарках стають занадто більше їх ремонту. Такий стан автомобілів вважається граничним, після якого автомобіль направляють до ремонтних підрозділів на капітальний ремонт. Завдання капітального ремонту складається в тому, щоб з оптимальними витратами відновити втрачену автомобілем працездатність і ресурс до рівня нового автомобіля або того який наближується до нового. Капітальний ремонт автомобілів має велике економічне значення та народно-господарче значення. Близько 70-75% деталей автомобілів при першому КР мають останній ресурс і мають можливість бути використаними повторно без ремонту, або після невеликого ремонту. При цьому досягається значна економія в металах і трудових ресурсах. Метою даного курсового проекту є розробка технологічно процесу відновлення деталі: "Клапан впускний" автомобіля Mazda 626.

1. Загальний розділ

.1 Опис конструкції деталі, її опис та робота

Клапан складається з тарілки і стрижня. Перехід від тарілки до стрижню зроблений плавним, що додає необхідну міцність, покращує відведення тепла і зменшує опір руху газів. Стрижень клапана - шліфований. Торець стрижня загартований, завдяки чому зменшується його знос від дії коромисла. Для більшої щільності прилягання кожен клапан притирається до гнізда до фаски шириною 1,5...2 мм, виконану у більшості двигунів під кутом 45°. Клапани працюють при високій температурі і піддаються розїдаючому впливу газів. Матеріал, застосовуваний для їх виготовлення, повинен протистояти корозії та стирання. У більшості двигунів впускний клапан виготовляють з хромистої, а випускний - з жаростійкої сталі. Для кращого наповнення циліндра повітрям діаметри тарілок впускних клапанів більше діаметрів тарілок випускних клапанів.

У верхній частині стрижня клапана передбачена для виточення установки конічних сухариків, з допомогою яких тарілка пружин міцно тримається на клапані.

Сухарики представляють собою конічне кільце, розрізане на дві половинки. В деяких двигунах між тарілкою і пружин сухариками знаходиться втулка , яка затискає сухарики і спирається на дно тарілки нижнім вузьким торцем. Завдяки цьому клапан може провертатися щодо тарілки під впливом коромисла і внаслідок вібрації пружин. Це сприятливо позначається на працездатності тертьових поверхонь клапана, його втулки і сідла і забезпечує їх рівномірне зношування.

1 - конічна фаска; 2 - перехідна поверхня; 3 - стержень.

Рисунок 1 - Клапан впускний автомобіля Mazda 626

Оскільки клапани працюють в умовах високих температур, їх виготовляють із високоякісних сталей (впускні - з хромистої, випускні, які контактують з гарячими відпрацьованими газами й нагріваються до температури 600…800 °С, - із жаротривкої) і в головку блока циліндрів запресовують спеціальні вставки (сідла) із жароміцного чавуну. Застосування вставних сідел підвищує термін служби головки блока циліндрів і клапанів. Робоча поверхня головки клапана (фаска) має кут 45 або 30°. Фаску головки клапана ретельно обробляють і притирають до сідла.

Таблиця 1 - Хімічний склад сталі 40Х9С2, ГОСТ 5632-72, в %

Хімічний елемент

%

Кремній (Si)

2.0-3.0

Марганець (Mn), не більше

0.8

Мідь (Cu), не більше

0.30

Нікель (Ni), не більше

0.60

Сірка (S), не більше

0.025

Титан (Ti), не більше

0.2

Вуглерод (C)

0.35-0.45

Фосфор (P), не більше

0.030

Хром (Cr)

8.0-10.0




Таблиця 2 - Механічні властивості сталі 40Х9С2

Термообробка, стан поставки

Перетин, мм

σ0,2, МПа

σB, МПа

δ5, %

ψ, %

Прути. Відпал 850-870°С, повітря або без термообробки

60

440

740

15

35

Закалювання 900-1100°С, масло. Відпуск 500-540°С, повітря.

0,2-2,0

690

880 580

25 (38)

59


Таблиця 3 - Фізичні властивості сталі 40Х9С2

Температура випробування,°С

20

100

200

300

400

500

600

700

800

900

Щільність сталі, pn, кг/см3

7630

7610

7580

 

7510

 

7440

 

7390

 

Коефіцієнт теплопровідності Вт/(м ·°С)

 

17

 

20

 

 

22

 

22

 

Температура випробування,°С

20- 100

20- 200

20- 300

20- 400

20- 500

20- 600

20- 700

20- 800

20- 900

20- 1000

Коефіцієнт лінійного розширення (a, 10-6 1/°С)

11.1

12.7

 

14.3

 

14.2

 

14.0

 

 


Короткі теоретичні відомості про сталь 40Х9С2

Сталі з особливими фізичними і хімічними властивостями: корозійно-стійкі, жаростійкі та жароміцні, (ГОСТ 5632-72), призначені для деталей, що працюють в умовах високих температур і агресивних газів. До сталей які є стійкими проти всіх видів корозії відносяться, наприклад, такі стали, як 20Х13, 17Х18Н9; до жаростійким (стійким до утворення окалини при температурі > 550 ° С) 40Х9С2; до жароміцних (міцним при температурах до 1000 ° С і більше) - 36Х18Н25С2 та ін. Із зазначених сталей виготовляють деталі газорозподільних механізмів, випускних трубопроводів, системи харчування та ін.

Наприклад, сталь 40Х9С2 використовується для тарілок випускних клапанів (стрижень зі сталі 40Х) автомобільних, тракторних моторів, трубок рекуператорів, теплообмінників, колосників.

Жаростійкі сталі і сплави отримують на базі системи Fe - Cr з добавками алюмінію і кремнію (сільхроми, кульгали, сільхромалі). Основним споживчим властивістю цих сталей є температура експлуатації, яка повинна бути більше 550 ° С.

Жаростійкі сталі стійкі проти газової корозії до 900 - 1200 ° С в повітрі, пічних газах, в тому числі, сірковмісних (15Х5, 15Х6СЮ, 40Х9С2, 30Х13Н7С2,12Х17, 15Х28), але можуть проявляти повзучість при додатку великих навантажень.

.2 Аналіз технічних вимог на відновлення поверхонь деталі та їх забезпечення

Справні клапани повинні швидко і надійно ущільнювати камеру згоряння, витримувати великі перепади температур і мати хорошу зносостійкість для забезпечення довговічності двигуна. Вихід клапанів (або навіть одного клапана) з ладу призводить до порушення роботи двигуна. А в самому важкому випадку - до руйнування поршня, циліндра або головки блоку. Тому ретельне дефектування клапанів дуже важливе при ремонті двигуна.

Дефект 1. Сильний знос, задираки і подряпини на стрижні клапана.

Причини:

-       Робота двигуна з недостатнім рівнем масла в картері.

-       Робота двигуна на неякісному або брудному маслі.

-       Сильний перегрів, який призводить до розрідження масла.

-       Попадання в масло палива (бензину або дизпалива) і, як наслідок, розрідження масла.

-       дії:

Ремонт головки блоку: заміна направляючих втулок і клапанів, правка сідел клапанів. Перевірка системи змащення, масляного насоса і при необхідності ремонт або заміна масляного насоса. Чищення, промивання і продування масляних каналів блоку циліндрів і головки блоку. Застосування моторного масла належної якості та регулярна, в наказані виробником строки, заміна моторного масла і фільтра. Перевірка системи охолодження і при необхідності її ремонт. Перевірка і при необхідності ремонт системи живлення.

Дефект 2. Знос (вироблення і раковини) на робочій фасці тарілки клапана. Тріщини і прогари тарілки клапана. Причини:

-       Перегрів двигуна.

-       Невірно встановлене випередження запалювання.

-       Невідрегульований зазор в клапанному механізмі.

-       Дефекти гідрокомпенсаторів.

-       Дефекти і пошкодження деталей газорозподільного механізму (штовхачів, штанг, коромисел, розподільчого вала, приводних шестерень).

-       Невірно встановлені фази газорозподілу.

-       дії:

Якщо вироблення фаски клапана невелика - можлива шліфовка фаски. При прогари або сильному зносі - заміна пошкодженого клапана. Правка сідла клапана обов'язкове в будь-якому випадку. Перевірка, регулювання і при необхідності ремонт або заміна деталей газорозподільного механізму. Заміна гідрокомпенсаторів. Перевірка системи охолодження і при необхідності її ремонт. Перевірка і при необхідності ремонт системи живлення. Перевірка і при необхідності ремонт системи запалювання.

Дефект 3. Вигин стрижня клапана. Ушкодження (тріщини і забоїни) канавок під сухарі. Причини:

-       Попадання в циліндр сторонніх предметів.

-       Руйнування ременя або ланцюга приводу газорозподільного механізму.

-       Невірно встановлені фази газорозподілу.

-       дії:

Заміна пошкодженого клапана, заміна пошкодженої направляючої втулки, правка сідла клапана. Перевірка, регулювання і при необхідності заміна або ремонт інших деталей клапанного механізму.

Примітка: Як правило, в результаті описаних причин відбувається зіткнення поршнів і клапанів, що призводить до пошкодження напрямних втулок, а також поршнів, гільз циліндрів і головки блоку циліндрів. У більшості випадків необхідне дефектування зазначених деталей і вузлів.

Дефект 4. Пошкодження (знос і деформація) торця стержня клапана.

Причини:

-       Невідрегульований зазор в клапанному механізмі.

-       Дефекти гідрокомпенсаторів.

-       Дефекти і пошкодження деталей приводу клапанів (штовхачів, штанг, коромисел).

-       Невірно встановлені фази газорозподілу.

-       дії:

При незначних пошкодженнях можлива шліфовка торця клапана. В іншому випадку - заміна клапана. Перевірка, регулювання і при необхідності заміна або ремонт інших деталей газорозподільного механізму.

До елементів клапана висувають наступні вимоги:

-       Овальність і конусність стержня клапана не більше 0,007 мм.;

-       Неперендикулярність торця а відносно вісі стержня не більше

,03 мм на крайніх торцях;

-       Радіальне биття робочої фаски відносно вісі стержня не більше

,03 мм.;

-       Шорсткість поверхні стержня не нижче 8 класу чистоти.

Торець клапана обробляється за 7 квалітетом і шорсткість поверхні повинна бути Ra = 0,4. Фаска обробляються за 6 квалітетом і шорсткість Ra = 0,4. Точні поверхні і їх шорсткість отримуються при механічній обробці на металорізальному обладнанні.

2. Розділ технологічний

.1 Вибір і обґрунтування методу відновлення поверхні

Для відновлення робочої поверхні стержня клапана можна запропонувати такі методи відновлення:

)        Під ремонтний розмір  ;

)        Хромування;

)        Залізнення.

Хромування- дифузійне насичення поверхні сталевих виробів хромом, або процес осадження на поверхню деталі шару хрому з електроліта під дією електричного струму. Шар хрому може наноситися для декоративних цілей, для забезпечення захисту від корозії або для збільшення твердості поверхні.

 - деталь, що хромується; 2 - джерело постійного струму; 3 - внутрішній бак; 4 - зовнішній бак; 5 - анод; 6 - вода для підігріву електроліту; 7 - електроліт; 8 - бортовий відсмоктувач; 9 - електрощит.

Рисунок 2 - Схема процесу хромування

У промисловості хромування використовується для зниження тертя, підвищення зносостійкості, підвищення корозійної стійкості, підвищенні твердості. Цей процес забезпечує підвищену стійкість сталі до газової корозії при температурі до 800 °C, високу корозійну стійкість в таких середовищах, як вода, морська вода і азотна кислота. Хромування сталей містять понад 0,3 -0,4% С. Твердість хрому становить від 66 до 70 HRC. Товщина хромового покриття зазвичай становить від 0,075 до 0,25 мм, але зустрічаються і товстіші, і більш тонкі шари. Поверхневі дефекти при хромування посилюються і поверхня підлягає подальшій обробці, так як хромування не дає ефекту вирівнювання.

Хромування використовують для деталей паросилового обладнання, пароводяної арматури, клапанів, вентилів патрубків, а також деталей, що працюють на знос в агресивних середовищах.

Деталь, що піддається хромуванню, як правило, проходить наступними кроками:

-              Очищення для видалення сильних забруднень;

-              Тонке очищення, для видалення слідів забруднень.

-              Попередня підготовка (варіюється в залежності від матеріалу основи);

-              Розміщення в ванну з насиченим розчином і вирівнювання температури;

-              Підключення струму і витримка до отримання потрібної товщини.

Реагенти і відходи процесу, що використовуються при хромуванні, надзвичайно токсичні, в більшості країн цей процес знаходиться під суворим регулюванням.

Залізнення

Залізнення - вид металізації, що полягає в нанесенні шару заліза на поверхню металевих виробів. Залізненням відновлюють зношені частини машин, зменшують зношуваність деталей, усувають дефекти в відливках, одержують тонкі плівки заліза.

Порівняно з хромуванням процес залізнення має вищу продуктивність, дає можливість отримувати осідання завтовшки до 1,5 мм, не вимагає дефіцитних хімічних реактивів. Вихід по струму в цьому процесі дорівнює 85-95%, швидкість осадження 0,3-0,6 мм/год., витрата електроенергії - 1,5 кВт·год/дм2.

Всі деталі, відновлювані цим способом, можна розбити на чотири групи: деталі з посадочними поверхнями під нерухомі сполучення; деталі з поверхнями, що працюють в умовах тертя з мастилом; деталі складної форми з обмеженими поверхнями зносу; корпусні деталі з внутрішніми і зовнішніми зношеними поверхнями.

Залежно від складу електроліту, режимів осадження і анодної обробки можна отримувати гладкі і пористі осідання заліза з твердістю від 300 до 700 кгс/мм2.

Твердість осаджень при електроосадженні заліза збільшується при зниженні концентрації солей в електроліті, зростанні щільності струму, пониженні температури, введенні в електроліти різних органічних і мінеральних добавок.

Для електроосадження заліза в ремонтному виробництві використовуються хлористі, сульфатні і спеціальні електроліти (залізо-цинкові, залізонікелеві, залізо-фосфорні і ін.).

Покриття з хлористих і сульфатних електролітів за своїм складом близькі до низьковуглецевої сталі із змістом вуглецю 0,03-0,06%. Висока твердість осадженого матеріалу пояснюється спотворенням кристалічної решітки і виникненням внутрішньої напруги. Так само як і хромування, цей процес знижує втомну міцність деталей на 25-30%.

При залізненні використовуються розчинні аноди із сталі 10 і 20.

Співвідношення між анодною і катодною поверхнями рекомендується витримувати рівним 1:2. Щоб не допускати забруднення електроліту шламом, аноди поміщаються в мішечки із склотканини. Форма анодів, відстань їх до деталей робить великий вплив на рівномірність покриттів. Бажано надавати анодам форму контуру виробу. Це особливо важливо при відновленні "у розмір".

Хороше зчеплення осадженого матеріалу з основним металом досягається ступінчастим збільшенням щільності струму від нуля до заданої величини протягом 5-10 хв. Температура електроліту залежить від складу, необхідної твердості опадів і прийнятої щільності струму. З підвищенням температури твердість опадів знижується.

Якщо після нанесення покриття провести анодне травлення, то на його поверхні з’являться пори. Характер пористості залежить, в основному, від режимів осадження, а глибина і ширина каналів - від щільності струму анодного травлення і часу. Оптимальна пористість виходить при травленні з інтенсивністю 150-200 А·хв/дм2.

Електролітичні осадження заліза добре цементуються. Підвищення твердості осадженого матеріалу може бути забезпечене подальшим нанесенням хромового покриття.

Хлористі електроліти готуються безпосередньо в гальванічних цехах із сталевої стружки в такій послідовності:

) стружку із сталі 10 або 20 узяти в механічному цеху;

) знежирити її в 10-ти процентному розчині каустичної соди;

) промити стружку в проточній воді;

) опустити стружку у водний розчин соляної кислоти (вводити до припинення реакції, про яку судять по виділенню бульбашок водню);

) додати відповідну кількість хлористого натрію;

) дати електроліту відстоятися протягом 12-18 год.;

) профільтрувати його;

) додати необхідну кількість хлористого марганцю;

) перевірити і відкоригувати кислотність.

Метод ремонтних розмірів полягає в доданні деталям правильної геометричної форми і чистоти поверхні механічною обробкою. При цьому сполученню повертається первинний зазор і деталі отримують необхідну геометричну форму.

Даний метод досить поширений при ремонті автомобілів. У зношених поверхонь складних і дорогих деталей відновлюють правильну геометричну форму і шорсткість поверхні. Номінальні розміри поверхонь при цьому змінюються на ремонтні розміри. Розрізняють стандартні і вільні ремонтні розміри.

Стандартнішими ремонтні розміри визначені технічними умовами на ремонт і в цих розмірах промислово виготовляються запасні частини. У стандартні ремонтні розміри обробляються шийки підшипників колінчастого і розподільного валів, циліндри, гільзи, отвори під поршневі пальці, клапани, штовхачі та ін.

Враховуючи геометричну форму і розміри деталі, її матеріал і термічну обробку, твердість поверхні, точність виготовлення та шорсткість поверхні, характер спряження, величину і характер навантаження, а також рід і вид тертя приймаємо у якості відновлення деталі - електролітичне залізнення.

2.2 Розробка технологічного процесу відновлення деталі

Розробимо технологічний процес відновлення деталі, який включає в себе операції підготовки поверхні під відновлення, відновлення та обробки поверхні після відновлення.

Послідовність виконання операцій наступна:

Очищувальна

. Очистити деталь від мастила та бруду.

Мийна

. Мити деталь.

Контрольна

. Провести контроль параметрів деталі.

Безцентрово-шліфувальне

А. Встановити, закріпити, зняти.

. Надаємо правильної геометричної форми.

Відновлювальна

1) механічна обробка і очищення деталі;

) промивання в бензині;

) зачистка нарощуваної поверхні абразивним папером;

) встановлення деталі в підвісне пристосування та ізоляції місць, що не підлягають осталюванню;

) знежирення вапном;

) промивання в проточній воді;

) промивання гарячою водою;

) осталювання;

) промивання гарячою водою;

) промивання в розчині соди;

) промивання гарячою водою;

) розбирання підвісок й зняття ізоляції;

) сушіння деталей;

030 Контрольна

. Контролювати відновлені поверхні.

Безцентрово-шліфувальне

А. Встановити, закріпити, зняти.

. Шліфування чорнове.

. Шліфування чистове.

Контрольна

.        Контролювати відновлені поверхні.

.3 Вибір припусків на механічну обробку відновленої поверхні

Вихідними даними для розрахунку припусків являється прийнятий метод виготовлення заготовки, технологічний процес обробки, методи встановлення і закріплення деталі, прийняті пристосування і ріжучий інструмент на кожній операції.

Припуски на обробку призначаємо за [5]. Результати розрахунків зводимо в таблицю 4.

Таблиця 4 - Зведена таблиця розрахунків припусків.

Найменування операції чи переходу

Припуск 2Zmin, мм

Розрахунковий розмір, мм

Допуск Td, мкм

Граничний розмір, мм

Граничні значення припусків, мм





max

min

max

min

Ø5.9Діаметральні розміри


Заготівка

-

Ø 7,106

180

7,286

7,106

-

-

Шліфування попереднє

0,8

Ø 6,306

75

6,381

6,306

0,905

0,8

Шліфування начисто

0,4

Ø5,906

15

5,921

5,906

0,46

0,4


Припуски вибираємо з таблиць і заносимо в графу „Припуск" таблиці 2.1. Після заповнення графи "Розрахунковий розмір", записуємо розміри по переходам в графу " Граничні розміри min", заокруглюючи їх до знаку з яким задано допуск. В графу "Граничні розміри mах" записуємо значення розмірів, розраховуючи їх за формулою

MAX.i = dMIN.i + ITi , (1)

де i - допуск на перехід.

Максимальні граничні розміри

Заготовка

заг = 7,286 + 0,180 = 7,106 мм

Шліфування попереднє"

шліф.поп. = 6,381 + 0,075 =6,306 мм

Шліфування начисто

шліф.нач.= 5,921 + 0,015 = 5,906 мм

Максимальні і мінімальні припуски по переходах визначаємо за формулами

ZMAX.i = dMAX.i-1"+ dMAX.і

ZMIN.i = dMIN.i-1"+ dMIN.і (2)

Результати розрахунків заносимо в таблицю 1.4.

Загальний мінімальний припуск

Zo min = ∑ 2Zo min (3)

Zo min = 0,8 + 0,4 = 1,2 мм

Загальний максимальний припуск

Zo max = ∑ 2Zo max (4)

Zo max = 0,905 + 0,46= 1,365 мм

Проводимо перевірку розрахованих припусків за формулою

Zo max - 2Zo min = ІТз - ITдет (5)

,365 - 1,2 = 0,180 - 0,015

,165 = 0,165

Числові значення припусків розраховані вірно.

Згідно приведених розрахунків будуємо ілюстраційну схему розташування полів припусків і допусків.

Рисунок 3 - Схема розташування полів допусків і припусків

2.4 Розрахунок та вибір режимів відновлення і механічної обробки поверхні

.4.1 Вибір режимів відновлення поверхні

При виборі режимів роботи ванни слід враховувати конфігурацію відновлюваних деталей, умови їх роботи і необхідну товщину покриття.

Процес осталювання з хлористим електролітом проводиться за таких умов:

-        Температура електроліту, 0 С"……………...60…80;

-        Щільність струму, А / м2……................... ..40…60;

-        Міцність зчеплення, кгс / мм2…………….45…50;

-        Товщина покриття, мм…………………... .0,2…2,3;

-        Вихід металу по струму, % ……………......75…85.

Хлористі електроліти готуються безпосередньо в гальванічних цехах із сталевої стружки в такій послідовності:

) стружку із сталі 10 або 20 узяти в механічному цеху;

) знежирити її в 10-ти процентному розчині каустичної соди;

) промити стружку в проточній воді;

) опустити стружку у водний розчин соляної кислоти (вводити до припинення реакції, про яку судять по виділенню бульбашок водню);

) додати відповідну кількість хлористого натрію;

) дати електроліту відстоятися протягом 12-18 год.;

) профільтрувати його;

) додати необхідну кількість хлористого марганцю;

) перевірити і відкоригувати кислотність.

.4.2 Вибір режимів різання

Призначимо режими різання на операцію 020 безцентрове шліфування.

. Надати поверхні правильної геометричної форми

Призначаємо різальний інструмент і вибираємо його конструктивні та геометричні параметри. Приймаємо шліфувальні круги:

А16-П-10-ПСТ-Т-5В = 250х300х127,

А40-ПСМ2-С1-5К = 250х150х127.

Обробка проводиться на безцентрово-шліфувальному верстаті 3Ш182Д.

Призначаємо режими різання:

Глибина шліфування t = 0,05 мм.

Поздовжня подача s = 0,5 м/хв..

Швидкість обертання круга  к = 30 м/с..

Визначаємо потужність, яка витрачається на шліфування за формулою

N = CN··tx·sy·dq кВт. """"(6)

де d - діаметр шліфування, 5,9 мм; CN - табличний коефіцієнт 0,28;

з - швидкість поступального руху заготовки, 20 м/хв..;- переміщення шліфувального круга в направленні його осі в міліметрах на один поворот заготовки 0,5 м/хв..

= 0,28·200.6·0.050.6·0.50.5·5.90.5=0.6 кВт.

Основний час.

T0 =  (7)

де Кз - коефіцієнт зачисних ходів (Кз = 1,05 ... 1,20 - для попереднього і остаточного шліфування) беремо 1,05;- число проходів без зміни режимів різання 6;д - довжина шліфування деталі, 91,5 мм;пр - поздовжня хвилинна подача деталей, 500 мм / хв;

T0 =  = 0,7 хв.

(1) Чорнове шліфування

Призначаємо різальний інструмент і вибираємо його конструктивні та геометричні параметри.

Приймаємо шліфувальні круги:

А16-П-10-ПСТ-Т-5В = 250х300х127,

А40-ПСМ2-С1-5К = 250х150х127.

Обробка проводиться на безцентрово-шліфувальному верстаті 3Ш182Д.

Призначаємо режими різання:

Глибина шліфування t = 0,04 мм.

Поздовжня подача s = 1,0 м/хв..

Швидкість заготовки  з = 40 м/хв..

Швидкість обертання круга  к = 30 м/с..

Визначаємо потужність, яка витрачається на шліфування за формулою

"N = CN··tx·sy·dq кВт. """"(8)

де d - діаметр шліфування, 7,106 мм; CN - табличний коефіцієнт 0,28;

= 0.28·300.6·0.040.6·1.00.5·5.90.5=0,5 кВт.

Основний час.

T0 =  (9)

де Кз - коефіцієнт зачисних ходів (Кз = 1,05 ... 1,20 - для попереднього і остаточного шліфування) беремо 1,10;- число проходів без зміни режимів різання 8;д - довжина шліфування деталі, 91,5 мм;пр - поздовжня хвилинна подача деталей, 1000 мм / хв;

T0 =  = 0,4 хв.

(2) Чистове шліфування

Призначаємо різальний інструмент і вибираємо його конструктивні та геометричні параметри.

Приймаємо шліфувальні круги: Круги шліфувальні, набір з двох штук

23А40-П250-СМ2-С1-5К = ПП350X300x203, ПП350X250X203.

Обробка проводиться на безцентрово-шліфувальному верстаті 3Ш182Д.

Призначаємо режими різання:

Глибина шліфування t = 0,02 мм.

Поздовжня подача s = 3,5 м/хв..

Швидкість заготовки  з = 100 м/хв..

Швидкість обертання круга  к = 35 м/с..

Визначаємо потужність, яка витрачається на шліфування за формулою

"N = CN··tx·sy·dq кВт. """"(10)

де d - діаметр шліфування, 6,306 мм; CN - табличний коефіцієнт 0,34;

= 0,34·1000.6·0.020.6·3,5.5·6,3060.5=2,3 кВт.

Основний час.

T0 =  (11)

де Кз - коефіцієнт зачисних ходів (Кз = 1,05 ... 1,20 - для попереднього і остаточного шліфування) беремо 1,20;- число проходів без зміни режимів різання 10;д - довжина шліфування деталі, 91,5 мм;пр - поздовжня хвилинна подача деталей, 3500 мм / хв;

T0 =  = 0,15 хв.

Режими різання на всі інші операції і переходи заносимо в таблицю 5.

Таблиця 5 - Режими різання.

Номер опера-ції

Інструмент

 

S

Vз

Vк

N

LД

I

Sпр

КЗ

CN

d мм

То хв

020

Шліфувальні круги:23А16-П-10-ПСТ-Т-5В = 250х300х127, 23А40-ПСМ2-С1-5К =250х300х127.

0,05

0.5

20

30

0,6

91,5

6

500

1,05

0,28

5,9

0,7

035

Шліфувальні круги:23А16-П-10-ПСТ-Т-5В = 250х300х127, 23А40-ПСМ2-С1-5К =250х300х127.

0,04

1,0

40

30

0,5

91,5

8

1000

1,10

0,28

7,106

0,4


Круги шліфувальні, набір з двох штук 23А40-П250-СМ2-С1-5К = ПП350X300x203, ПП350X150X203.

0,02

3,5

100

35

2,3

91,5

10

3500

1,20

0,34

6,306

 0,15 Σ = 0,55


.4.3 Нормування технологічного процесу відновлення деталі

Нормування гальванічних робіт має деякі особливості. Під основним часом розуміють час нанесення покриття, а також час обробки деталей при підготовчих та заключних операціях. Основний час на нанесення покриттів визначають за формулою

T0 = (1000hγ)/(DкCη) (12)

де h - товщина шару покриття, мм; γ - щільність осаждаемого металу, г / см3; Dk - катодна щільність струму, А / дм2; С - електротрохімічний еквівалент металу, г / А·ч; η - вихід металу по струму, %.

T0 = (1000·0,9·7,8)/(50·1,042·80)=1,7 хв.

2.4.4 Нормування операцій механічної обробки

Після розрахунку і вибору режимів різання переходять до розрахунку технічної норми часу по кожній операції.

Під технічно обґрунтованою нормою часу розуміють час, необхідний для виконання заданого обсягу роботи (операції) при певних організаційно-технічних умовах і найбільш ефективному використанню усіх засобів виробництва.

В масовому виробництві знаходять норму штучного часу, хв.:

Тшт. = Т0 + Тдоп. + Тоб.від"""""(13)

де T0 - основний час;

Тдоп. - допоміжний час;

Тобс. - час на обслуговування робочого місця;

Твід. - час перерви на відпочинок і особисті потреби.

Нормуємо операцію 020 - Надати поверхні правильної геометричної форми.

Основний час на операцію, Т0 = 0,7 хв.

Допоміжний час на операцію визначаємо за:

Встановити, закріпити, зняти деталь - 0,028 хв;

Допоміжний час на прийоми керування верстатом:

-        включити або виключити верстат - 0,01 хв;

-        змінити подачу - 0,01 хв;

         підвести або відвести інструмент - 0,02 хв;

         час на вимірювання - 0,12 хв.

Тдоп = 0,028 + 0,01 + 0,01 + 0,02 + 0, 12 = 0,188 хв.

Оперативний час визначається за формулою

Топ = Т0 + Тдоп """"" (14)

Топ = 0,7 + 0,188 = 0,888 хв.

Час на обслуговування та особисті потреби визначається за формулою

""""(15)

де Поб.від - відсоток часу від оперативного, Поб.від = 5% .

 

Підготовчо-заключний час при роботі на верстаті,

Тп.з = 14 хв.

Тшт = 0,7 + 0,188 + 0,044 = 0,932

В серійному виробництві норма штучно - калькуляційного часу, хв,:

 """"(16)

де Tn.з. - підготовчо-заключний час;- величина партії деталей, шт.,

Тшт. - штучний час на операцію.


 хв.

Нормуємо операцію 035 (1) Чорнове шліфування.

Основний час на операцію, Т0 = 0,4 хв.

Допоміжний час на операцію визначаємо за:

Встановити, закріпити, зняти деталь - 0,028 хв;

Допоміжний час на прийоми керування верстатом:

-        включити або виключити верстат - 0,01 хв;

-        змінити подачу - 0,01 хв;

         підвести або відвести інструмент - 0,02 хв;

         час на вимірювання - 0,19 хв.

Тдоп = 0,028 + 0,01 + 0,01 + 0,02 + 0,19 = 0,3 хв.

Оперативний час визначається за формулою

Топ = 0,4 + 0,3 = 0,7 хв.

Час на обслуговування та особисті потреби визначається за формулою

"""""

Підготовчо-заключний час при роботі на верстаті,

Тшт = 0,4 + 0,3 + 0,035 = 0,735

В серійному виробництві норма штучно - калькуляційного часу, хв,:"


 хв.

Нормуємо операцію 035 (2) - Чистове шліфування.

Основний час на операцію, Т0 = 0,15 хв.

Допоміжний час на операцію визначаємо за:

Встановити, закріпити, зняти деталь - 0,028 хв;

Допоміжний час на прийоми керування верстатом:

-        включити або виключити верстат - 0,01 хв;

-        змінити подачу - 0,01 хв;

         підвести або відвести інструмент - 0,02 хв;

         час на вимірювання - 0,07 хв.

Тдоп = 0,028 + 0,01 + 0,01 + 0,02 + 0,07 = 0,138 хв.

Оперативний час визначається за формулою

Топ = 0,15 + 0,138 = 0,288 хв.

Час на обслуговування та особисті потреби визначається за формулою

 

Підготовчо-заключний час при роботі на верстаті,

Тшт = 0,15 + 0,138 + 0,01 = 0,298

В серійному виробництві норма штучно - калькуляційного часу, хв,:


 хв.

Таблиця 6 - Зведена таблиця норм часу, хв.

Номер та назва операції

Т0

Тдоп

Топ

Тоб + Твід

Тшт

Тп.з

Тшт.к

 n,шт



Ту.з

Ткер

Твим







020 Надати поверхні правильної геометричної форми.

0,7

0,028

0,04

0,12

0,9

0,044

1,645

14

1,785

100

035(1) Чорнове шліфування

0,4

0,028

0,04

0,19

0,7

0,035

1,135

14

1,3

100

035(2) Чистове шліфування

0,15

0,028

0,04

0,07

0,3

0,01

1,4

14

1,54

100


3. Конструкторський розділ

3.1 Розрахунок та конструювання вимірювального інструменту

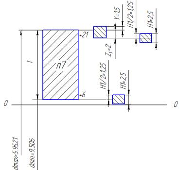
Для контролю одної, чи декількох поверхонь необхідно підібрати вимірювальний інструмент, провести розрахунки виконавчих розділів і визначити ілюстраційну схему взаємного розташування і допусків деталей і калібру.

Спроектуємо і розрахуємо калібр - скобу для контролю Ø5,9n7()

Граничні розміри вала: Dmax = 5.921 мм; Dmin = 5.906 мм.

За знаходимо дані для розрахунку: α1 = 0; Z1 = 2; Y1 = 1.5; H1 = 2.5мкм.

Будуємо схему розташування полів допусків (рисунок 4 )

Рисунок 4 - Схема розташування полів допусків

Найменший розмір прохідного калібру-скоби визначаємо за формулою

 мм. (17)

Виконавчий розмір калібру - скоби ПР = +0,0025.

Найбільший розмір зношеного прохідного калібру - скоби визначаємо за формулою

ПРзн = Dmax + Y1= 5.921 + 0,0015 = 5,9225 мм. (18)

Коли калібр досягне цього розміру його вилучають з експлуатації.

Найменший розмір непрохідного калібру - скоби визначається за формулою

НЕmin = Dmin -  = 5.906 -  мм. (19)

Виконавчий розмір калібру - скоби НЕmin = +0,0025.

Висновок

В даному курсовому проекті мені вдалося використати більшість застосувати свої знання з різних курсів, а також закріпити знання з предмету "основи технології ремонту". В курсовому проекті було розроблене креслення деталі "Вісь колодок гальм". Було здійснено процес дефекації в якому були зроблені висновки, що до технічного стану відповідно до порівняльної характеристики технічної документації.

В курсовому проекті було розроблено технологічний процес у формі таблиці, де чітко вказано, що з деталлю відбувається які процеси відновлення вона проходить.

Було обрано метод відновлення вібродугова наплавка оскільки на мою думку на сьогоднішній день цей метод є найшвидший, а відповідно найпродуктивніший за всі інші. Цей метод дозволяє наплавляти товстіший шар металу а ніж всі інші, а отже і шанси в деталей більші на відновлення.

Було розраховано режими різання, а саме чорнове точіння і шліфування начисто.

В конструкторському розділі було розраховано контролюючий інструмент, а саме калібр-скоба. Якою ми і будемо перевіряти відновленну і оброблену деталь. Було створено графотехнологію на якій чітко видно яка саме поверхня обробляється і які подачі створюють рух.

В ході проектування мені вдалось відновити дану деталь, з використанням мінімум операцій.

Тому зробивши висновок з цього всього відновлення на сьогоднішній день є досить актуальним хоча б за рахунок економічних аспектів теперішнього суспільства, а саме становища.

Література

1. Краткий справочник металлиста. Под ред. Малова А.Н. М., Машиностроение 1972. - 767 с.

. Молодык Н.В., Зенкин А. С. Восстановление деталей машин. Справочник. М., Машиностроение, 1989. - 480 с.

. Справочник технолога - машиностроителя.т.1. Под. ред. Косиловой А.Г. -М., Машиностроение, 1985, - 656с.

. Нефёдов Н.А., Осипов К.А. Сборник задач и примеров по резанию металлов и режущему инструменту. М., Машиностроение, 1990. - 448с.

. Справочник технолога - машиностроителя, т.2. Под. ред. Малова А.Н. М., Машиностроение, 1973, - 568с.

. Общемашиностроительные нормативы режимов резания для технического нормирования работ на металлорежущих станках. ч. I. М., Машиностроение, 1974, 406 с.

. Карагодин В. И. Ремонт автомобилей и двигателей. М., Академия. Мастерство, 2002. - 496 с.

. Горбацевич А.Ф., Шкред В.А. Курсовое проектирование по технологии машиностроения,- Минск, Вышейшая школа, 1983, - 256с.

. Справочник контролера машиностроительного завода. Под ред., Якушева А.И.,-М., Машиностроение, 1980.

. Добрыднев И.C., Курсовое проектирование по предмету " Технология машиностроения ",-М., Машиностроение,1985.