Материал: Устройство счета количества изделий для комплектации пачек

Внимание! Если размещение файла нарушает Ваши авторские права, то обязательно сообщите нам

Устройство счета количества изделий для комплектации пачек












Контрольная работа

по дисциплине: «Электронные устройства полиграфического оборудования»

Тема: устройство счета количества изделий для комплектации пачек

Введение

Печать - одно из важнейших средств массовой информации, играющей важную роль в современном обществе. Электронные устройства автоматизации полиграфических процессов позволяют повысить качество печатной продукции, поднять производительность труда, сократить простои оборудования, сэкономить время и материалы при производстве продукции, что положительно отражается на ее стоимости и объемах продаж. Данная курсовая работа на конкретных примерах знакомит студентов с задачами разработки электронных устройств, являющихся основой средств автоматизации полиграфических машин.

Немаловажным фактором в этом аспекте является автоматический счет количества изделий.

В данной курсовой работе разрабатывается датчик счета количества изделий для рулонных офсетных печатных машин ПОК2-75 и ПОК2-84, которые предназначены для печатания и фальцевания книжно-журнальной продукции. Машины снабжены целым комплексом современных автоматических и контрольно-блокирующих устройств, обеспечивающих соблюдение технологического процесса, безаварийный режим работы и безопасность в обслуживании. Машины выпускаются в однокрасочном и двухкрасочном исполнениях. По желанию заказчика машины могут быть скомпонованы и в других вариантах.

Многократно проверенные конструкции механизмов машины обеспечивают ее надежность в эксплуатации.

Отличительной чертой конструкции данных машин является применение двойного диаметра цилиндров печатной пары, когда за один оборот цилиндров обрубается два листа в фальцаппарате.

1. Аналитический обзор

При решении поставленной задачи следовало изучить наличие аналогов или прототипов, а также известных технических решений, использующих при создании подобных устройств и описанных в технической литературе. Аналитический обзор литературных и других источников дает возможность найти оптимальный вариант для построения устройства счета количества изделий для комплектации пачек.

Системы счета изделий могут быть электрическими и механическими. Основными элементами систем счета являются: датчик, передающий механизм или усилительно-пересчетный блок и указатель (индикатор) количества отсчитанных изделий.

Датчики устройства счета предназначены для получения импульсов при прохождении подлежащих счету изделий. В механических системах импульс кинематической связью передается от датчика к индикатору счета; в электрических системах, поскольку импульсы, поступающие от датчика, обычно слабы, устанавливают электронные усилители.

В качестве указателей числа подсчитанных изделий применяют электромеханические или электронные счетчики. Разрешающая способность электронных счетчиков гораздо выше, чем электромеханических, однако их использование требует применения пересчетных блоков. Счет фиксируется визуально или записывается самописцем.

Конструкция и тип датчика определяются материалом изделий, их формой, геометрическими размерами и массой. Датчики могут быть контактными, когда для получения импульса необходимо, чтобы рабочий элемент датчика соприкасался с контролируемым изделием, и бесконтактным, когда для получения импульса достаточно лишь присутствие детали в рабочей зоне датчика.

2. Разработка структурной схемы

В результате аналитического обзора методов и средств, использующих для решения поставленной задачи, установлено, что приемлемое решение может быть найдено при разработке устройства - датчика, имеющего следующую структуру:













Рис. 1 - Структурная схема устройства счета количества изделий

Устройство включает в себя:

Блок питания.

Фотоголовку с излучателем.

Фотоприемник.

Предусилитель.

Вторичный преобразователь.

При прохождении тетради прерывается поток излучения, испускавшего излучателем, в результате чего возникает сигнал на выходе фотоприемника. Через предусилитель сигнал с фотоприемника попадает во вторичный преобразователь, в котором формируется сигнал о прохождении новой тетради.

3. Расчеты параметров рабочего узла

По результатам расчета параметров рабочего узла выбираем Ш-образный трансформатор с учетом того, что площадь сердечника трансформатора и площадь окна сердечника должны быть не меньше рассчитанных.

Рис. 2

Тип

Пл. серд. кв .см

Пл. окна кв. см.

Размеры, мм




y

y1

h

L

H

Ш 12×32

3,5

3,6

12

32

30

48

42


Масса трансформатора:

=+

 = =

= 8,94

=+= 49,4+163,6 = 213g

Разработка конструкции рабочего узла.

Рис. 3 - Схема линейного усилителя с аналоговым выходом

Схема предназначена для усиления сигнала фотоприемника VD1. Она собрана на двух транзисторах VТ1 и VT2 типа n-p-n, при этом первый каскад работает как эмиттерный повторитель, а второй, собранный по схеме с общим эмиттером, выполняет роль усилителя напряжения. Выходной сигнал Uc снимается с коллектора транзистора VT2.

Три диода VD2-VD4, подключенных цепочкой в прямом направлении к базе VT1, исполняют роль стабисторов, для стабилизации рабочей точки данного транзистора. Этот каскад питается через делитель на резисторах R1 и R2 пониженным напряжением, что необходимо для соблюдения нормального режима работы фотоприемника VD1.

В фотоголовку входят источник излучения и фотодиод, каждый из которых подсоединен к своему усилителю и питается от него.

В качестве приёмника излучения возьмём фотодиод Ф27К (на принципиальной электрической схеме соответствует диоду VD13).

Рабочее напряжение диода UVD13=20В.

Через сопротивление R7 протекает ток, равный разности (441мкА-8,88мкА) = 432,12мкА

Следовательно, выбираем постоянный резистор типа МЛТ 0,125-12000 с номинальной мощностью 0,125 Вт и номинальным сопротивлением 12 кОм.

Через сопротивление R5 протекает ток 9,03мА.

Мощность, рассеиваемая на резисторе R5:

Следовательно, выбираем постоянный резистор типа МЛТ 0,125-2200 с номинальной мощностью 0,125 Вт и номинальным сопротивлением 2,2 кОм.

Через сопротивление R6 протекает ток 441мкА

Мощность, рассеиваемая на резисторе R6:

Следовательно, выбираем постоянный резистор типа МЛТ 0,125-43000 с номинальной мощностью 0,125 Вт и номинальным сопротивлением 43 кОм.

Через сопротивление R8 протекает ток 441мкА.

Ток базы транзистора VT1 равен 3,33 мкА, а VT2 равен 217 мкА.

На основе этих данных выбираем модель транзистора VT1 - КТ301Ж, VT2 - КТ301Б.

. Источник стабилизированного питания.

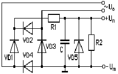
Рис. 4 - Схема маломощного источника стабилизированного напряжения

Представленная схема широко используется на практике для питания стабилизированным напряжением приборов, которые потребляют мощность не более нескольких ватт. Переменное напряжение U0 (например, от вторичной обмотки трансформатора) поступает на выпрямительный диодный мост VD1-VD4. Выпрямительное пульсирующее напряжение проходит через емкостной фильтр R1-C, который снижает пульсации до приемлемого уровня. Цепь стабилизации R1-VD5 обеспечивает в заданных пределах практическую независимость напряжения Uп на нагрузке от колебаний сети и изменения нагрузочного тока. Резистор R2 (сопротивление которого на порядок больше, чем у основного потребителя) заменяет нагрузку в режиме холостого хода. В свою очередь, сопротивление нагрузки не должно шунтировать стабилитрон VD5, что является необходимым условием его нормальной работы.

Рассчитываем стабилитрон:ст=22 В,

Исходя из данных выбираем стабилитрон Д816А.стаб=22 В, Iстаб=230 мА, R=10 Ом, Pmax=5 Вт

Рассчитываем конденсатор:конд=22 В=16 мФ=16000 мкФ

Исходя из данных выбираем Uном=25 В и ставим параллельно 4 штуки по 4000 мкФ.

Рассчитываем резистор:=100 Ом, P=U*I=32*0,104=3,33 Вт.

Исходя из данных, выбираем резистор ПЭВ 7,5-100

Выбираем мост КЦ402Е.

Источник питания для излучателя.

Источник питания должен подавать на излучатель АЛ107Б 2В напряжения, так как это его номинальное напряжение. Необходимо выбрать стабилитрон на 5 В. Выбираем стабилитрон Д815А с напряжением стабилизации 5,6 В и током стабилизации 1,4 А.

Емкость конденсатора С1 - 500 мкФ и напряжение равно напряжению на стабилитроне 5,6 В. Выберем конденсатор К50-6Б с номинальным напряжением 6В и емкостью 500 мкФ.

На вторичную обмотку подается 12 В напряжения, а напряжение на конденсаторе - 5,6 В. Следовательно, на сопротивлении R1 происходит падение напряжения в 6,4 В.

Ток на сопротивлении R1 равен 251 мА:

Сопротивление R1 равно:

Мощность, рассеиваемая на резисторе R1:

Следовательно, выбираем постоянный резистор типа МЛТ 2-24 с номинальной мощностью 2 Вт и номинальным сопротивлением 23 Ом.

При выборе выпрямительного блока VD1-VD4, основываясь на том, что напряжение и ток, протекающий через него, меньше минимальных значений в таблице, и исходя из схемы самого выпрямительного блока, выбираем КД202Б с предельным обратным напряжением 100 В и прямым выпрямленным током 1 А.

Светоизлучающий диод VD6, соединённый последовательно с сопротивлением R2, диод АЛ107Б. Так как напряжение на стабилитроне 5,6В, а напряжение на излучателе 2 В, то на резисторе R2 происходит падение напряжения 3,6 В, при этом ток на сопротивлении равен току на излучателе и равен 0,1А.:

Сопротивление R2 равно:

Мощность, рассеиваемая на резисторе R1:

Следовательно, выбираем постоянный резистор типа МЛТ 0,5-36 с номинальной мощностью 0,5 Вт и номинальным сопротивлением 36 Ом.

полиграфия счет система датчик

5. Расчет конструкции

На основании произведенных выше расчетов элементов фотоголовки и блока питания можем определить размеры рабочего узла, согласно выбранным элементам схемы.

Фотоголовка:

излучающий диод АЛ107Б:

диапазон длин волны излучаемого света - 940…965 нм,

мощность светового излучения - 9 мВт,

максимально допустимый постоянный ток через диод - 100 мА,

максимальное падение напряжения - 1,8 В,

длина - 6,3мм,

диаметр - 4мм

Фотодиод Ф27К имеет:

длина - 14 мм,

диаметр - 4 мм

Размеры резисторов:, R9 - МЛТ 0,125 - 2.2 кОм - длина 46 мм, 6 мм (б/в), диаметр 2,2 мм.,R10 - МЛТ 0,125 - 43 кОм - длина 46 мм, 6 мм (б/в), диаметр 2,2 мм., R11 - МЛТ 0,125 - 12 кОм - длина 46 мм, 6 мм (б/в), диаметр 2,2мм., R12 - МЛТ 0,125 - 62 кОм - длина 46 мм, 6 мм (б/в), диаметр 2,2мм.

Транзистор малой мощности КТ301:

общий диаметр - 7,7 мм

длина (б/в) - 3 мм

длина (с выводами) - 28 мм

Блок питания:

излучающий диод АЛ107Б:

диапазон длин волны излучаемого света 940…965 нм,

мощность светового излучения 9 мВт,

максимально допустимый постоянный ток через диод 100 мА,

максимальное падение напряжения 1,8 В,

длина 6 мм,

диаметр 2,5 мм,- МЛТ 2 - 23 Ом - длина 18,5 мм (б/в), диаметр 8,6 мм.- МЛТ 0,5 - 36 Ом - длина 10,8 мм (б/в), диаметр 4,2 мм.- МЛТ 0,25 - 100 Ом - длина 7 мм (б/в), диаметр 3 мм.- ПЭВ 7,5 - 100 кОм - длина 35 мм (б/в), диаметр 14 мм

Размеры конденсаторов:

С1 - конденсатор К50-6 25В - 24мФ,

С2 - конденсатор К50-6 10В - 6мФ.

С2 - К50-6В 25В - 4000мкФ - диаметр 34мм, высота 80мм

С1 - К50-6Б 6В - 500мкФ - диаметр 18мм, высота 18мм

Диодный мост КЦ402Е:

длина 33 мм

ширина 20 мм

высота 7 мм

Магнитопровод трансформатора (Ш12*32) имеет размеры:

площадь сечения - 3.5см2

площадь окна - 3.6см2=12; h=30; L=48; H=42; y1=32

Заключение


Литература

1. Артыков Э.С. Электрооборудование полиграфических машин. М.: МГУП, 2010.

. Вартанян С.П. Оптоэлектронные приборы и устройства в полиграфии. М.:МГУП,2009.

. Сидоров А.С. Электронные полиграфические устройства и системы. Оптоэлектронная техника. М.: МГУП, 2012.

. Справочные данные по электротехническим и электронным элементам. Сборник. М., МГУП, 2008.